Fórum témák
» Több friss téma |
Fórum » FIAT elektromos hiba
Témaindító: Peti.Janka, idő: Máj 11, 2007
Témakörök:
A 10A-ek a kórmány oldalon (a 15db-os csoportban), a főbizti a motortérben.
Szia!
Minden biztosíték rendben! Viszont a 4-es csoportban a jobb alsó kiolvadva, kicseréltem de valami égett szag jött, kivettem..... A kormány borítást leszedtem, a gyk csatlakozói rendben, a karos kapcsolóé kissé megégve. Szétszedtem, sarucsere mérés, van villany, kapcsol rendesen. Viszont a fényváltót hiába kapcsolgatom, nem változik semmi, csak a park világít a bal oldalon. A fényváltó relé körül lehet valami, az merre van, merre bontsam a karosszériát? Van a 15 csoportú biztosítéknál egy kis relé ez a fénykürt reléje. A fénykürt az tökéletesen működik. A fényváltó relére gondolok de fogalmam nincs merre rejtették el a macskazabálók! Ja a kesztyűtartó burkolatát levéve van 2db SÁRGA relé. Az micsoda? Légzsák vezérlés??? A hozzászólás módosítva: Szept 13, 2014
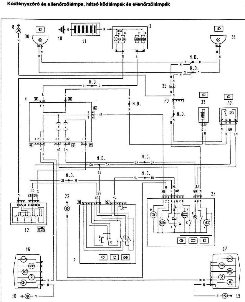
Akkor legyen segítségedre a melléklet.
Nagyon köszönöm a remek segitséget! Nagyon rendes vagy!
A kesztyűtartó felett beugrott a rajz alapján is, a ködfényszóró. Ott nem kell kutakodnom. A bal oldali biztositék táblám nem igy néz ki, de szerintem lényegtelen is. Van egy 15-ös mező+1 kis relé amely a fénykürt kapcsoló felhúzásakor kapcsol is és a fényszóró világít. Arra gondoltam, betettek egy külön relét, amely a világítást kapcsolja ki-ba a kapcsolókar függvényében és egy másikat fényváltónak. Rosszul gondolom és az egész teljesítmény a kormány melletti kapcsolón halad keresztül? Ha igen annak van egy lapos csatija 7 érintkezőhellyel. A jobb-bal oldalról 0 2. üres, tehát 5 aktív pólus. Az 5 közül a középsö saruja volt elpörkölödve. Kérdés: Ha megkeresem melyik ezen a csatin a direkt +12V és egy vezetékkel áthidalom egyenként többihez, világítania kellene a fényszórónak? Ezt "büntetlenül" megtehetem? Mert ha igy világit akkor a kapcsolót ette meg a fene. (csodálnám ha nem tettek volna bele fényváltó relét! Na azt NEM találom!) A hozzászólás módosítva: Szept 13, 2014
No, előrébb haladtam.
Megkockáztattam és ámulok, ugyanis a kapcsolón keresztülmegy a teljes terhelés. A középső érintkezője a +12V az egyik oldala a reflektor a mellette levő a tompított. Rövidre zártam és úgy működött. A másik vége a csatlakozónak a park és a legszélsőn akkor van delej, ha a kapcsoló be van valamely állásban kapcsolva. A kapcsoló a hunyó! Nem ad át! Kérdésem hogy szét lehet-e szedni és házilag lehet-e ártani neki valamit? Addig míg be nem szerzek egyet, addig legalább tudjam használni az autót... Ötlet? A hozzászólás módosítva: Szept 13, 2014
Szükségmegoldás lehet ha egy kapcsolót kötsz ezekre a pontokra (ami elbírja a világítási terhelést) és addig amíg nincs jó kormánykapcsolód, ezzel működteted a világítást. Annyira nem ismerem az olasz típusokat de lennie kellene egy relének, mert a kórmánykapcsolók érintkezői nem valószínű, hogy elbírják a világítás áramfelvételét. Nézek még rajzot, hátha találok.
Sziasztok!
Nemrég vettem egy második generációs, 2001-es Punto-t. Az autó két bal oldali ajtaja enyhén meg volt ütve, de nem kellett cserélni, tehát nem volt nagy fizikai ütés, a légzsákok sem voltak kiugorva. Világított a piros légzsák hibajelző és villogott a sárga, ami az anyósülés légzsák kontrollámpája. Autószerelő ismerős kitörölte a hibakódot, azóta eltelt 3 hét, és ma megint kigyulladt a piros légzsákvisszajelző, és persze folyamatosan világít. A sárga egyelőre nem jelez hibát. Mi a teendő ilyenkor? Gondolom másodszorra fölösleges kitöröltetni a hibát, ha nemsokára megint előáll.
Nagyon szépen köszönöm a segítséget, ideiglenesen rátettem egy 16A-es kapcsolót, hogy addig is tudjak vele közlekedni, de tudom nem szabályos, de 1-2 nap és itt a kapcsoló.
Gondolom a cseréje lesz jó macerás...
szia. HA kiolvasta a hibát pontosan mi volt a hiba leírása? Gondolom nem csak annyi hogy légzsák. Azt kéne először tudni, hogy tudjuk merre keressük a hibát. Ez az egyzser jó majd egyszer bejelez valami kontakthibára utal szerintem.
Szia!
Jobb oldalon az anyósülés alatt szedd szét a csatlakozót, és fújd be kontaktsprével, majd rakd össze ismét! Tipikus betegsége, hogy szétrázkódik a csatlakozónál és ez okozza a hibajelzést...
Kiolvasáskor ezeket a hibákat adta:
- alacsony áramellátás - szakadt vezeték - biztosíték hiba Az első ha jól sejtem alacsony töltésre utal, de ezt kizárhatjuk, mert a generátor jó, tölt rendesen. Viszont az aksi nem mondható tökéletesnek, mert néha nehezebben indít, lehet ez is a hiba oka? Biztosítékokat átnéztem, nem találtam rosszat. Szakadt vezetéket pedig lehet akár kontakt hibának is tekinteni ugye?
Köszi a tanácsot, megpróbálom... Ha ez lesz a hiba, akkor valószínű hogy kialszik a hibajelző égő, vagy újból ki kell töröltetni a hibakódot?
Ettől el szokott múlni a hibajelzés is. Nekem sikerült egy Multiplával ezt eljátszani percekkel azelőtt, hogy vizsgázni ment volna a kocsi... Mit ne mondjak nagy élmény volt a sötétben keresgélni az út szélén
Hát ha ezeket írta, első körben a töltést megmérném, és hogy mennyire esik indításkor vissza a feszültség.
A kontakt hiba miatt írhat szakadást, vagy hogy nincs jel. Biztosítékokat próbalámpával nézted vagy csak szemmel?
Valójában csak szemmel néztem, hogy ne legyenek megszakadva és tiszta legyen a csatlakozásuk...
A biztosítékot ha lehetséges próbalámpával ellenőrizd. Az ad biztos információt.
Szia, a légzsákhiba nem alszik ki magától. Vagy meglátogatod az ismerőst, vagy fekete szigetelőszalag
Nem igazán szeretem a favágó módszereket, úgyhogy ha mindent átvizsgáltam és a csatlakozókat befújtam kontankt spray-vel akkor valószínűleg újból megyek hibatörlésre.
Sziasztok!
Van egy Fiat Pailo Weekend 1.2, 8 szelepes csodám. Sajnos nem tudom használni, mert felvillan a befecskendezést jelző piros lámpa. Hiba tünete, hogy leveszi a kocsi teljesítményét. Amikor hidegen beindítod, akkor nincs hiba üzenet. Minden szép és jó... majd bemelegszik és jön a hiba üzenet. Sokszor leállítom, megvárom míg az injektor feltölt (ezt többször) és akkor egy ideig működik. Majd megint előjön és vége... Gyertya, gyertyavezeték cserélve. Szikra akkora, hogy agyon üt. Akinek van bármi ötlete, ne tartsa magában... ![]() Köszönöm
Üdv !
Nekem (pár oldallal visszább megtalálható) ugyan így kezdte a hibát az autóm, majd később már egyfolytában ezt csinálta. (Fiat Brava 1.6 -os autó.) Én úgy szűrtem ki a hibát, hogy amikor elkezdte a hibát produkálni, félreálltam és járó motornál egyenként lehúztam a gyertyakábelt. Amelyik hengernél nem romlott még jobban a motorhang ( vagyis lehúzás után is ugyanúgy járt), annál a hengernél kerestem tovább. Vagyis az a henger vagy szikrát, vagy üzemanyagot nem kapott. Tehát egy henger nem ment... Először én is a trafóra vagy gyertyára ill. kábelre gondoltam. Ezek közül a szikrát én is kizártam, mert cseréltem kábeleket, gyertyákat és trafót is.A kérdéses henger befecskendező szelepe ment tönkre. És először nekem is csak meleg motornál csinálta, ugyan így. A szelepet kicseréltük, és azóta tökéletes! Bontóban pár ezer forintba került az alkatrész.
Sziasztok. Egy éve vagyok Fiat tulaj és most elöjött rajta egy olyan probléma hogy nem akar indulni. Mikor indítom szív egy kis benzint aztán egy kattanás és mikor indítom akkor egy kis "röffenés" majd semmi csak az önindító teker. Kb már egy hónapja ez a baja azóta szinte minden nap próbálgatom idítani és ma be is indult. Annyi hogy 1-2percig nem volt alapjáratom de utána az is jól müködött. Majd egy fél órás állás után megint nem indul. Amit tudtunk mindent átnéztünk laikus szemmel és nem értettük hogy ha eddig nem indult akkor ma miért mi olyan baja lehet ami csak úgy elöjöhet és ugyan így el is tünhet, autoszerelőre most sajnos nem tudnék áldozni pénzt ezért kérlek titeket hogy ha tudtok segítsetek. Köszönöm
Motorlámpa világít? Nagy valószínűséggel igen, és tudni kéne mi miatt. Így távolból ezer meg egy dolog lehet. Kezdve egy rossz üzemanyag, vagy vezeték hibán át vezérlő egység hibáig bármi. ezt sajnos csak a hibatároló kiolvasása után lehet közelebbről megmondani. Merre laksz és mikor autó?
Sziasztok!
A következő problémában kérem a segítségeteket. Seicento 2001 1,1 Sporting 187A1000 motor. A 2 és 3 henger nem megy. Szikra van, de gyenge, befecskendező szelepeknél nincs impulzus. Ha elindul, megy mint a golyó, de leginkább 2 hengeres. Az ominózus trafó új, de ha összecserélem a kettőt akkor is ez a két henger a néma. Járt már valaki így? Köszi a segítséget!
Szia!
Kábelköteg? Még az szokott ilyet játszani...
a motorvezérlő halt meg benne. Tudna valaki segíteni ebben esetleg?
Ha a motorvezérlő meghalt azt sajnos csak cserével lehet orvosolni. Vannak cégek akik foglalkoznak javítással de nem biztos, hogy megéri, javítás után pedig újra kell programozni, konfigurálni így összességében lehet a csere még olcsóbban kijön akár egy használtra.
A hozzászólás módosítva: Okt 11, 2014
Igen, elvileg meg is van hozzá a bontott-külföldről. Szétszedtem és látom, hogy fizikailag sem javítható, egyszerűen úgy csinálták meg, hogy gyakorlatilag szétszerelhetetlen-roncsolás nélkül. Már csak olyan segítséget keresek, aki ki tud jönni házhoz és kódolni tudja az immót. Vagyis illeszteni a vezérlőt és az immót. Tudna valaki esetleg ilyen segítséget?
Üdv Mindenki
Punto 55 S -el szórakozom pár napja,úgy 20-25 km után bevillan a befecskendező hibajelzője,majd kihagy pár henger ,és megy tovább.De volt ,hogy a hibajelző világít,hengerek kihagynak,leállítom ,pár perc mulva gyújtom,megy tovább.Gyertya kábelek kicserélve,gyújtótrafók szintén,karburátort (befecskendezőt) átisztítottam,filterek leellenőrizve ,pumpa szintén.Benzinbe öntöttem tisztítót .Gyertyák úgy 15.000 -et futottak.Valaki járt már hasonlóan? Bármilyen ötletet ,hibakeresésre szívesen veszek. Kösz!
Sziasztok! Egy 1,3 Mj dinamic puntóm van, és a kiegészítő féklámpával gyűlt meg a bajom. Kiégett az összes izzó benne, kicseréltem, de nem működik. A vezetéken nem mérhető semmi, a testhez képest a barba-feketén 5 V mérhető. Egyik vezeték sem kapcsolódik a testhez. Három biztosíték tábla van benne, azokat átnéztem, nem találtam hibát. Járt e már valaki így? Azért bátorkodom megkérdezni, mert nem sok kedvem van lebontani a kárpitot vagy akár mit, főleg ha felesleges is! Azért van három biztosítéktábla és nem négy, mert ugye a hátsó ajtók nem villanyosak meg más dolgok, mint állítható fejtámla stb, nincs a kocsiban, és ezért nincs szükség a csomagtérben biztosítéktáblára.
|
Bejelentkezés
Hirdetés |











