Fórum témák
» Több friss téma |
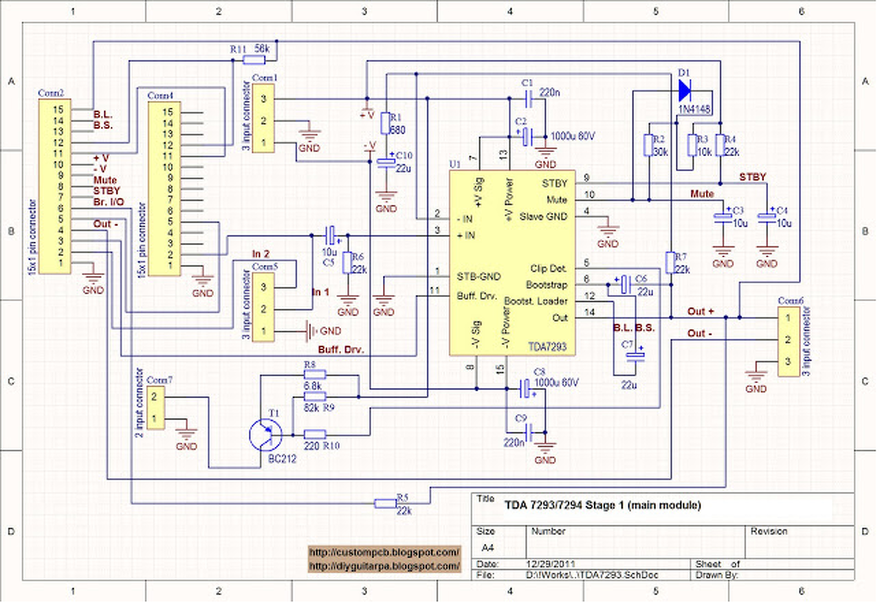
Szia! A túlvezérlést jelző LED meghajtására egy tranzisztort célszerű közbeiktatni, a mellékelt ábrán T1 jelű. Magam is ezt használom.
Sziasztok olyanba szeretném segitségeteket kérni. Van 2 darab tda 7293 parallel be 3 -3 ic vel. Úgye 2 mono oldal . Ezt szeretném én valahogy öszekapcsolni. Úgy hogy vagy stereo üzem modva menyen 2x255w .vagy 1x500w környéke ez megoldható ? ? Hogyan kell öszekötni a 2 oldalt a felöl érdeklödöm.Bővebben: Link
Szia! A teljesítmény összegzéshez hidald a két erősítőt! Az egyik csatorna elé köss fázisfordítót, nálam bevált.
Szia!
Csatolt fájlban rajzolgattam egy lehetőséget. 1 x 300W-nál többet csak 4 Ohm alatti terheléssel fog leadni ez a híd. Reloop mi a tapasztalatod a párhuzamos+híd kialakítással teljesítmény ügyileg? 2 Ohm esetén mennyit tud, illetve stabil-e?
Szia! A párhuzamos IC-ken a melegedésből azt a tapasztalatot vontam le, hogy arányos a terhelés megoszlása. A 6db-ból kialakított híd 4 ohm terhelés esetén egy IC számára 6 ohm-ot jelent. A 6 ohm egyúttal ideálisnak tekinthető a maximális teljesítmény leadása szempontjából, mert a 4 ohm áramkorlátba, míg a 8 ohm tápfeszültség korlátba ütközik.
A tápfeszültség ismeretében ezzel a számolókámmal meglehetősen pontosan meghatározható az egy IC-re vonatkozó maximális teljesítmény, amit csak ki kell szorozni a felhasznált IC-k számával. A számításban szereplő virtuális 1 ohm a hozzászólás kelte óta minden mérésem során igazolódott.
Köszönöm. Megfogom probálni. Meg ennél a kapcsolásnál. Az 5 láb nincs kötve sehova se. Ha clip jelzést akarok mindegy melyik ic 5 lábára kötök (mármit egy panelen ) vagy ösze kell kösek még valamit ??
Akkor ez a kapcsolásnál érdemes hidalni vagy sem ? 4 ohmosak a hangfalak. Csak 4 ohmal dolgozom.A Tápfeszkom 2x28-29volt. Hagyomanyos 1kw körüli táp.
Mindegy melyik IC 5-ös lábát használod, a master-ét szoktam bekötni, lásd a korábbi bejegyzéseimet.
Néztem meg láttam az orosz oldalas linket is azt hiszem orosz oldal volt. Megfogom épiteni hozzá azt is. Eddig így fest a dolog . Jah csináltam hozzá höre vezérelt ventilátor os hűtést is.
Reloop képlete alapján, és a 4 Ohm hangsugárzóddal számolva:
Ha nem hidalod, akkor tudni fog 62W-ot. Ha hidalod, akkor tudni fog kb. négyszer annyit, 260W. Én hidalnám a helyedben, de te döntsd el.
Az OK, hogy még épphogy csak IL-14 légcsavar nincs abban a dobozban, de ha a hűtőborda felülete túl kicsi, akkor a világ összes ventillátora sem lesz elég.
Ha csak otthoni tuccogtatásra kell, akkor talán megfelel így, de ha PA célok is szerepelnek a terveidben, akkor javaslom már most egy tisztességes hűtőbordán való erőteljes elgondolkodást.
Tesztelem. Menyire melgszik a dolog. Azt meglátom. Kell e a csere. Vagy eléglesz ez is. De most egyenlőre pihen a dolog mert bekötésnél . Elbaltáztam a dolgot. Felcseréltem véletlen a 0. Meg a - igy csatt volt az icknek. Várom az újakat .... pedig már egyszer ment teszt üzem modban.
Gusztálom a transzformátorodról feltett képet. Az erősítőd áramellátásához szükséges szekunder oldali huzalátmérő elvárt értéke 1,5mm (6A). Van ez annyi?
De van egy 2x25v os 12.5Aes toroidom is.
Sziasztok!
Móriczkarajzba szemléltettem az elgondolásomat. Röviden: Megépítem 2x Reloop fórumtársunk által publikált NYÁK-ját majd a csatolt képen láthatóan külön külön kivezetem a be és kimeneteket a modulokról. Egy modul alatt 1-1 hídba kapcsolt TDA7293-at értek. A modulok külön-külön be és kikapcsolását egy egyszerű relével oldanám meg (a szimmetrikus tápegységet egyszerre kapcsolnám le-fel: -0+) A kérdésem az, hogy a fázisfordító tápellátását is meg kell szüntetnem, ha a bemenetén nincs jelforrás, de a baloldali modult kívánom használni? Ilyenkor, ha csak a baloldali modul menne, a jelforrás az invertáló kimenetén is ott lenne, ami nem tenné azt tönkre? Köszönöm! Utólag szerk.: Elrontottam a rajzot, mert ha egyszerre megy mind a két modul, akkor nem a GND és kimenet, hanem a két kimenetre kell kötnöm a hangszórót. A hozzászólás módosítva: Nov 8, 2014
Szia! A használaton kívüli erősítő egységet nem kell, és nem is ajánlott lekapcsolni a tápfeszültségről. Erre a célra szolgál a 9. (standby) láb, melyet 1,5V alá húzva a TDA7293 áramfelvétele 1mA alá csökken. Ha a 10. (mute) lábat is vezérled, tranziensmentessé teheted az aktív és a készenléti állapot közötti váltást.
A bemeneti jel rámehet a készenléti és/vagy némított erősítőre.
Szia!
Köszönöm, így teljesen érthető. Egy másik kérdésem még lenne. Az általad készített kapcsolásban, hogyan lehet hídba kötni az erősítőt? Két panelt készítek. Két helyen használnám az erősítőt. Otthon, így csak az egyik panelt hajtanám, majd munkahelyen, ott mind a két panelt, ahol vannak megfelelő teljesítményű hangszórók. Az utóbbi esetben hídba kötném az egy panelen található 2db erősítőmodult, majd a másikat is a sztereó hangzás miatt. Hogyan kell?
Az egyik végfoknak megfordítottam a fázist, és egy pici jelerősítést is csempésztem bele: Bővebben: Link
Köszönöm!
Be tudnád linkelni a .lay-t? A hozzászólás módosítva: Nov 11, 2014
Ó, ez egy nagyon régi munkám. Azóta több teljes adatvesztést éltem meg
A jelforrásból LIN-en ill. RIN-en keresztül bemegy a jel, majd az erősítőbe (szemből nézve) a bal IN-be megy a -LOUT és +LOUT. Majd a másik oldal ugyanígy: Szemből nézve jobb IN-be a +ROUT és -ROUT.
A hangszórót pedig a két OUT-ra kötöm. Jól értelmezem?
A jelfordítós kapcsolásnak mennyi az áramfelvétele? Ill. +-15V gondolom elegendő, szűrve, pufferelve.
Az előerősítő/fázisfordító áramfelvételét 10mA-re becsülöm.
Milyen méretű hővezető alátétet vegyek az IC-k alá?
Ami kapható a t.m.e-nél. A hozzászólás módosítva: Nov 13, 2014
A TDA7294 témában keress rá a "hűtőtönk"-re. A tönk és a borda közé mehet a műanyag szigetelő lap. Bővebben: Link
|
Bejelentkezés
Hirdetés |

















