Fórum témák
» Több friss téma |
Végig mentem ameddig tudtam. HF fokozat rendben. Kicsit kontakthibás volt a potenciométer, kicseréltem. KF fokozat rendben, bár a T4-es tranzisztor bázisán sokkal hangosabban sípolt a hangszóró, mint amikor a T3-as bázisához érintem a KF generátor meleg pontját. A műszer teste nem volt a rádió testével összekötve, csak a meleg érrel tapogattam a panelt. Ha hozzákötöttem a testet is akkor túlvezérelte a fokozatot. Most az oszcillátort kéne megnézni, de nem bírok eligazodni a rajzon, melyik a kimenete az oszcillátornak? Azt tudom hogy a T1,T2-es az oszcillátor tranzisztorai, de a sok vonal közül nem bírom kivenni a kimenetet. Az egyik tekercs árnyékoló serlegét kicsit megmarta a sav, de a belsejébe nem jutott. Megnéztem. Ennek ellenére mindjárt lemérem.
L33,34,35 tekercsek szakadását ellenőrizd, ezek szoktak megszakadni, közvetlenül a kivezetéseiknél. Serleget levéve látható is a zöldes korrodálás.
Átmértem. Nem csak ezeket, az összeset ami a panelban van. Semelyik sem szakadt. Hol kéne megnézni hogy az oszcillátor működik-e? Frekvenciamérőm van.
Oszcillátor hiba nem jellemző, ha nem működik, akkor általában a dobváltó érintkezői, vagy leszakadt vezeték okozza. A T2 tranyó stabilizálja az oszci tranyó feszültségét, ha ez rendben van működni szokott.
Az miatt is kéne a kimenet mert az áthangolás közben mérnek kéne az oszcillátor frekvenciáját. Engem inkább az zavar, mert a KF fokozatban sokkal magasabb feszültségeket mértem a feltüntetettnél. Vagy ez azért lehet mert a KF frekvencia bezavarja a műszeremet? Sajnos oszcilloszkópom nincs amivel le tudnám mérni. Amúgy az elektrolit kondenzátorokat kicserélgettem a rádióban. Előtte még a HF fokozat sem ment.
Rájöttem valamire. Az oszcillátornál van a hiba. A T1-es oszc. tranzisztor kollektorán 2,6 V helyett 7,9 V-ot mértem. Az oszcillátornál egyik tápfeszültség érték sem stimmel.
T1 C kivezetésén is tudsz mérni, de csak megfelelő illesztéssel, mert leállhat az oszci.
A hozzászólás módosítva: Okt 12, 2014
Köszönöm, akkor ott próbálkozok. Soros 10 pF-os kondenzátor jó lesz? Most mértem át sok kondenzátort, az 50 nF-os kondenzátorok közül sok szivárog és találtam zárlatost is. Pontos értéket nem tudok mérni.
Narancssárga kondik hajlamosak zárlatra, ezeket mind érdemes ellenőrizni.
Rajzon ott van a figyelmeztetés, nem GND hez képest kell mérned!
Üdv!
Videoton RS 6386S típusú rádiós erősítőhöz kérnék segítséget. Bekapcsoláskor csak egy kis idő eltelte után áll be a már korábban hallgatott állomásra. A kF modul 12-es kivezetésén 5,67V van majd később hirtelen 5,71V-ra ugrik, ekkor áll be a korábbi állomásra. A 12 -es kivezetés a hangolófesz referencia feszültsége is, így ha ez változik.... Ez a feszültség működés közben szépen növekszik, elmegy egészen 5,74V-ig ekkor már elhallgat a rádió a zajzár bekapcsol, a hangolásjelző félrehangolást mutat. A KF modulra gyanakszom a hiba forrásaként, hiszen az állítja elő a referencia feszt. valami befolyásolja. Egy videot készítettem róla hátha így könnyebb elmondani a hibát. Ha valaki találkozott már ezzel a problémával köszönettel venném ha tudna rá megoldást írni.
Üdv!
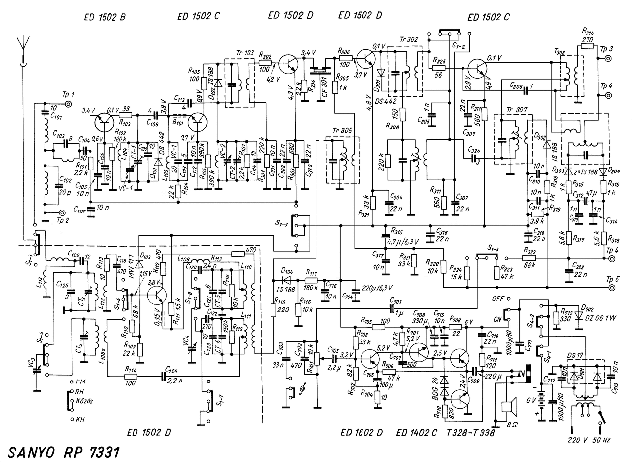
Kaptam javításra egy Sanyo RP7331 rádiót nagy vonalakban tudom is hol a hiba benne, de faggyúval van kiöntve a panel ezt lelehet takarítani róla vegyi úton amitől a légmagos tekercsek sem sérülnek meg?Különben a hiba annyiban merül ki bekapcsol adó megtalál aztán szépen elhalkul,3 hibás alkatrészt már találtam esetleg erre is szívesen fogadok tanácsot de a takarítás volna az elsődleges. köszönöm előre is
Az a 'faggyú'; viasz. Melegíts meg, öntsd le róla. Aztán, ha kész, öntsd vissza (rezgés ellen van).
Az egész panelt ritkán öntik nyakon... (az anyag méhviasz vagy cerezin, pákahegyet nem bántja, alacsony hőmérsékleten olvad.)
A leginkább szokásos terület az URH oszcillátor és modulátorkör önhordó légmagos tekercsei, valamint a ferrit-antenna kivezetéseinek környéke. Az viszont elég ritka, hogy ezeken a területeken kell matatni - kivéve az áthangolást. Leggyakrabban a csatoló elkók, hullámsáv-váltó, üzemmód-váltó (ha van magnó) okozza a bajt.
Köszönöm a válaszod,különben mókásnak tűnhet mikor szétvettem a készüléket egy törött lábú 1K-s ellenállást eresztett el a pókháló amit kitermeltem belőle, különben am sávon a bartók rádió úgymond tisztán és hangosan szól FM sávban este még mintha jött volna valami ma már csak zúg, ellenben a modulátor résznél látok egy törött lábat de mást nem azért akartam leszedni róla a viaszt hogy hátha átláthatóbb, mert már nagyon sokat forrasztották ezt a készüléket.
Üdv kedves fórumtársak!
Vásároltam egy FM/DAB+ hordozható rádiót és olyan gondom van vele, hogy túl nagy az alapzaja. Még DAB+ vételi módnál is fm zaj szerű sistergés hallható, főleg kisebb hangerőn szavaró, arról nem is beszélve, hogy a bennelévő cpu kerregése is behallatszik. Fejhallgatóval szintén. Mit ne mondjak elég nagy csalódás ettől a neves gyártótól. Szerintetek mit lenne érdemes ezzel tenni?
Vidd vissza, ha még jótállásos és cseréltesd ki!
A hozzászólás módosítva: Nov 9, 2014
Mindegyik ilyen szerintem. Nem egyedi hiba.
Ha még a processzor zaja is belehallatszik, akkor a gyártó fejéhez érdemes vágni. Rossz a huzalozása a panelnak, semmit sem lehet tenni.
Ha hangosítom a rádiót ez a zaj nem erősödik. Az erősítő a hibás?
Szerintem is az első lépés az kellene, hogy legyen: Vidd vissza a boltba, ahol vetted.
Sziasztok!
Van nálam egy Resprom A-104. Annyi baja van, hogy az AM sávok és a lemezjátszó csak nagyon halkan, viszont az URH normális hangerőn szól. A hangerőszabályzó működik. Hol lehet a hiba? Köszönöm előre is.
Köszi az áthelyezést, azt hittem, a csöves rádiók ott jó helyen vannak.
Akkor legalább két hibád van... Valószínűleg a lemezjátszó kristály hangszedője elöregedett, már nem ad elgendő hangfrekvenciás feszültséget a hangerő potenciométerre (bár van közben egy kapcsoló, de az ritkán rossz egyik állásában. A másik állásban viszont az URH rész jól szól).
AM-FM felől jövő hangfreki az "F" kapcsoló által váltott, itt sem valószínű, hogy FM jó, AM-nél pedig alig ad át. Tehát át kell vizsgálni az AM-részt, de kezdd inkább a lemezjátszóval. A hozzászólás módosítva: Nov 12, 2014
Szerencsére sokkal egyszerűbb lett a javítás. Először rákötöttem egy MP3 lejátszót, de azzal is halkan szólt. Gyanús lett a C109 csatoló kondi, már majdnem kicseréltem, mikor a kezembe akadt egy használt EABC 80. Először eszembe sem jutott még egyszer kicserélni, mert az már eleve rossz volt és egy új, dobozost tettem bele, de az meg ezek szerint gyenge volt. A használttal jó lett. Köszönöm
A hozzászólás módosítva: Nov 13, 2014
Örülök, hogy sikerült feléleszteni!
Akkor az, hogy Idézet: „az URH normális hangerőn szól” Csak érzéki csalódás volt...
Idézet: „Csak érzéki csalódás volt...” Á, biztos nem. Előtte a Kossuth és az MP3-as teljes hangerőn is épp csak hallatszott, utána fél hangerőnél már féltem, hogy kilövi a hangszórót. Jó lenne jobban (egyáltalán) ismernem a csöves technikát. Na mindegy, fő, hogy működik.
Csak azért rugózom rajta, mert jó tudni, hogy mi volt a hiba. (Ha nem vagy járatos a csöves rajzok olvasásában, akkor kicsit nehezebb...)
Tehát: 1.) küső jelforrás jele gyengén szólt (itt most a lemezjátszó is annak számít, egyetlen kapcsolón keresztül közvetlenül a hangerő potira megy, az "A" átkapcsolón). Potiról a szabályzott jel az EABC80 triódájának rácsára, majd a végerősítőre jut. Csőcsere megoldotta a gondot, tehát a trióda rész volt gyenge - ez tiszta sor és csak a hangfrekvenciás erősítőt érinti. 2.) Az URH-rész normális hangerővel működött. Ez elképzelhetetlen számomra, hiszen a jel ugyanarra a triódára jut minden esetben, közte csak kapcsolók vannak ("A": külsö/belső jel, "F": AM/FM jel. |
Bejelentkezés
Hirdetés |







Na mindegy, fő, hogy működik. 