Fórum témák

» Több friss téma
Fórum » Sztereo végfok tápja. Hogyanis?
Lapozás: OK   1 / 1
(#) Gery hozzászólása Feb 20, 2007 /
 
Bocs hogy ilyen fura a cím nemtudta jobbat kitalálni nah mind1...
Az lenne a kérdéseb hogyha építek sztereóba 2végfokot annak a tápját miként kéne méretezni?
Mellékeltem képet hogy mire gondolok.

névtelen.JPG
    
(#) osonopogacsa válasza Gery hozzászólására (») Feb 20, 2007 /
 
Teljesen jó az elgondolás. Az nem derül ki a kérdésből meg a rajzból, hogy a táp belső felépítésére is kífáncsi vagyol-é??
(#) Gery hozzászólása Feb 20, 2007 /
 
A tápot max megvenném csak azt akarom tudni hogy ha sztereo akkor mien paraméterrekkel vegyem.....(amúgy mitértesz belső felépítésen tekercsek szám stb.? )
(#) isamisa válasza Gery hozzászólására (») Feb 20, 2007 /
 
A táp nem egyenlő a trafóval.
Ugy méretezd hogy min másfélszer akkora teljesítményt tudjon mint a végfok... AB osztályban
(#) Gery hozzászólása Feb 20, 2007 /
 
amúgy ezt vettem célba : http://www.freeweb.hu/bss/index.php?id=212#
(#) xray válasza Gery hozzászólására (») Feb 20, 2007 /
 
Idézet:
„Tápot természetesen nem árt jól túlméretezni, szűrni (6800-10.000uF),tápfesz ágakba biztosíték (4A), és kész”
Ez van a bss-ben meg amint látom szimetrikus táp kell neki a kapcs rajzból itélve.
Ezért vedd Isamisa hozzászólását idézem:
Idézet:
„Ugy méretezd hogy min másfélszer akkora teljesítményt tudjon mint a végfok... AB osztályban”

Remélem ezzel helybe tudtalak igazítani.
Meg amint látom sztereohoz ebből kettő kell.
(#) xray hozzászólása Feb 20, 2007 /
 
Amúgy a célba vett erősítő szerintem naon jó választás. Ha még nem választottál tápot akkor ajánlom nézszét itt.http://www.hobbielektronika.hu/cikkek/egyeniranyitok_-_tapegysegek.html
Szerintem ezis segítségedre lessz.
(#) Gery hozzászólása Feb 20, 2007 /
 
okok amúgy kössz mert erősítöt építettem már(csak monoba és meglévő tápkhoz ) szal az valszeg menni fog csak ezt a részét nem vágtam...
(#) xray hozzászólása Feb 20, 2007 /
 
oké
(#) szabi83 válasza Gery hozzászólására (») Feb 20, 2007 /
 
amúgy!!!, ha van szkópod, műterhelésed akkor csináld meg ezt a végfokot..


üdv
(#) isamisa hozzászólása Feb 20, 2007 /
 
Mármint ha van CSAK akkor.
(#) Gery hozzászólása Feb 20, 2007 /
 
eeeeegen....
és mi is az a szkóp és mire is jóó...?
(azt vágom hogy a trimerrwl vmit bekell álítani de pontosan mitis mert amit idáig csináltam erősítők max 50 wattosak voltak ilyennel még nemigazán találkoztam...)
(#) Gery hozzászólása Feb 20, 2007 /
 
a multiméterem faja sokat tud az jó?
(#) isamisa válasza Gery hozzászólására (») Feb 20, 2007 /
 
aszem ez egy lama kérdés volt...
de válaszolok azért. A szkóp az oszciloszkóp magyarul. erre keres a neten.

Multi ilyenre nem jó mert nem mutatja a jelalakot (vagyis én még ilyet nem láttam.)

Jah és inkább itt folytasd:http://www.hobbielektronika.hu/forum/topic_1312.html
Ezt meg zárolhatják is a modik.
(#) Gery hozzászólása Feb 20, 2007 /
 
ok kösz
(#) gabenx hozzászólása Jan 27, 2008 /
 
tán idevág az hogy:ha a végfokon van 3 tüske amire rá kell vinni nullát 24v-t meg még 1x 24v-t akkor mit csinálok egy olyan trafoval (toroid)amin meg 2x2db piros kábel van sec oldalon?még nem vettem meg,ezért elöre kérdezek.pl hq katalogusba ilyenek vannak.
(#) mex válasza gabenx hozzászólására (») Jan 27, 2008 /
 
Az emlitett toroid két szekunder tekercses. Megfelelően közösitve:az egyik tekercs végét összekötve a másik tekercs kezdetével (ez lesz a nulla), a másik két kivezetést pedig graetz hiddal egyenirányitva,szükség szerinti kapacitással pufferelve elő lehet állitani a +24,és a -24V-os tápfeszültségeket. Figyelembe kell venni,hogy a puffereken létrejövő üresjárási feszültség~1.41xa trafó névleges szekunderfeszültsége lesz!
(#) gabenx válasza mex hozzászólására (») Jan 27, 2008 /
 
....s ez mér jo hogy 2tekercs van benne?s amit mondtál azt hogy?
(#) gabenx válasza mex hozzászólására (») Jan 27, 2008 /
 
légyszives vki válaszolja már meg holnapra hogy miként kell "0" vezetéket alkotni a négy pircsiböl.biztos ami biztos.tehát dupla tek.toroid trafo sec. 2x24 négy egyforma vezetékröl van szo.mit mérjek?gondolom nem találomra.tippem az lenne de az kevés.
(#) szamóca válasza gabenx hozzászólására (») Jan 27, 2008 /
 
Ha nincs multid, elem+izzóval is kilámpázhatod a tekercseket.
Fogsz egy pirosat, és amelyik másik pirossal világít az egy tekercs
De ne gyere azzal hogy hogy?!

2x24V.GIF
    
(#) gabenx válasza szamóca hozzászólására (») Jan 28, 2008 /
 
köszönöm a választ.ma sikerült vennem egy 160va 2x24 trafot az elelktrolonthába.mondjuk elég vékony a bemeneti kábel,(olyan kinai karácsonyfaizzo szinten van)tudom fizika meg minden,de mégis aggaszt ,erröl mi a vélemény?hangját befolyásolja?5300pénzér hozzámvágták ackiosan azér' vettem meg mielött bárki megkérdi..
(#) pixels válasza gabenx hozzászólására (») Jan 28, 2008 /
 
hali!

a 230V-os részen véknyabb vezeték van, az nem meglepő, hiszen egy 100W-os trafó esetén is csak 0,5A áram fog folyni azon a két bemeneti kábelen, és ezt egy viszonylag vékony vezeték is (szamóda rajzán nincsenek rajta az egyenírányítók, de kellenek majd a tápegységbe, arról ne feltkezz meg!)
(#) pixels válasza pixels hozzászólására (») Jan 28, 2008 /
 
Na ez a tápegység kell neked a fentebb említett cikkből.Bővebben: Link

Modik! Miért tűnt el kb 2-3 perc múlva a szerkesztés gomb az ellőző hozzászólásomról? Erre nem 5 perc van meghatározva?
(#) gabenx válasza pixels hozzászólására (») Jan 29, 2008 /
 
má kész.meg én is.ez a rohadt gyári erösitö tele van rakva minden b...romsággal,60 bemenet,20 kimenet,ilyen adapter,olyan loudness,bakelit mp3 karcolo bemenet!meg még volt benne hálozati eloszto switched,unswitched 80 watt ,stb,szoval nem tul szimpatikus ez a 80-as évek hifivilága.(pioneer sa330),ehhez kellett trafo......amugy szol ,csak többet vártam,még egy két dolgot át kéne nézni benne.de most azon gondolkodom hogy a tranyokat felhesználva ujra kéne épiteni teljesen lebutitva...van ennek értelme?és ki tudja ezt megtervezni egyáltalán?....(költöi kérdés)
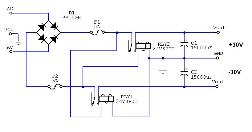
(#) titkovics hozzászólása Máj 22, 2008 /
 
Sziasztok!

A következő problémára ötlöttem ki megoldást, kíváncsi lennék szerintetek működne-e ez így?

A probléma:
Ha jól tudom audió végfokok (most csak szimmetrikus táp ellátásúra gondolok), a fél tápfeszültséget nem szeretik (sőt talán haláluk is?). Nekem van egy ilyen szimmetrikus táp ellátású erősítőm amiben gyárilag! a szekunder oldalon semmiféle biztosítás nincs (se biztosíték, semmi)! Ezért gondoltam hogy egy ilyen relés kapcsolással, megoldható lenne-e a védelme? Kérdés még továbbá, hogy ha az F1 biztosíték kimegy, akkor a nagy kapacitású puffer kondik meddíg képesek még a relét (RLY1) árammal ellátni? (képesek-e erre egyáltalán?) A 24V-os reléknek a 30V-os tápfeszültség gondot jelent, vagy a relék tápfeszét egy feszültség osztóval csökkentsük?
A megoldást az alábbi kapcsolásban látom, bár sztem fejleszteni kell még. (Ha jó egyáltalán és nincs ennél egyszerűbb.)

Segítségeteket köszönöm.
Üdv titkovics
(#) proba válasza titkovics hozzászólására (») Máj 22, 2008 /
 
Én védelemnek a graetz elé raktam biztiket,ha az egyik kiolvad akkor is megmarad a szimmetrikus táp.Azután ha fent áll a zárlat úgyis megy a másik is.
Bár már előfordult csak az egyik ment ki,és nem volt elég terhelhető az erősítő.Amugy meg ha a bizti nem magától megy ki, a pufferből is azonnal eltűnik a villany,tehát a zárlat oldali jelfogó azonnal ejt.Gondolom működik csak a jelfogó sokkal kisebb feszről is tart mint amiről meghúz.(24V jelfogó 10 ről még lehet tart.)
(#) titkovics válasza titkovics hozzászólására (») Máj 22, 2008 /
 
Más vélemény esetleg?
(#) aramis hozzászólása Dec 22, 2013 /
 
Sziasztok!
A pioneer hifinek a jobb végfok szépen elhalkult még néha egy kis hangot ad lehetséges
hogy a kondenzátor 2200uf 42 v elpusztult lehet betenni 35 voltosat mert csak az van most tartalékban, meg mozgattam működés közben és bejön a hang.A kijelzőre hatással van ,hogy nincs kijelzés
aramis
Következő: »»   1 / 1
Bejelentkezés

Belépés

Hirdetés
XDT.hu
Az oldalon sütiket használunk a helyes működéshez. Bővebb információt az adatvédelmi szabályzatban olvashatsz. Megértettem