Fórum témák
» Több friss téma |
Idézet: „A mute meg a STBY nincs bekötve” Bemenet nem maradhat szabadon. A működéshez max 20V-ra kell kötni (adatlap!) A hozzászólás módosítva: Dec 22, 2014
Igen tévedtem,be van kötve
Két darab SAL SR3040 van egy ládába.8Ω.ugyan ez a modul gyengébb trafóval simán ment ugyanezen a hangfalon,ezért nem értem most mi zajlik. A hozzászólás módosítva: Dec 22, 2014
Én még mindig nem értem hány Ohm -al terheled amikor baja van, és hány Ohm -al terheled amikor nincs baja, de az IC túláramvédelmének aktiválódása lesz a dolog nyitja, úgy gondolom.
A hozzászólás módosítva: Dec 22, 2014
A gyengébb trafónak eshetett annyit a feszültsége, hogy nem kellett az áramkorlátozónak beavatkoznia.
Helló! Segítséget szeretnék kérni a következőben, megépítettem ezt a kapcsolást : Bővebben: Link (nem kötöttem hídba).
Az lenne a probléma, hogy az ic melegszik de semmi kimeneti jel. +40.7V és -41V a tápfeszültség(és persze a gnd) mute, stand-by be van kötve a pozitív tápfeszre a hogy a kapcsolásban, semmi hibát nem találok nem ér össze semmi aminek nem kéne, a forrpontoknál sincs kontakt hiba. Eddig minden erősítőm gond nélkül működött de ennél az icnél tanácstalan vagyok. Van 3 ic 2nyák mindegyik ugyan ezt csinálja egyiket egy működő de összegányolt kapcsolásból forrasztottam ki (amit úgy kaptam) a másik 2 teljesen új. Próbáltam előerősítővel és anélkül is semmi kimenő jel. Várom az ötleteket és javaslatokat mert én kifogytam belőlük Előre is köszönöm a segítséget! A hozzászólás módosítva: Dec 23, 2014
Tedd fel a nyák képét. A mute és a stdby láb tápközelben vannak (+)?
R5, R6 nincs felcserélve? Egyik hidegítő kondi sincs fordítva? A hozzászólás módosítva: Dec 23, 2014
Szia! Ez a leírás legtöbbször úgy tör borsot az építő orra alá, hogy a NYÁK-tervet tükrözetlenül felvasalva fordított beültetés által kinyírja az IC-t.
a mute van kivezetve azt egy darab vezetékkel a + tápra kapcsoltam, a felső 100 nF és az R9 a hely hiánya miatt lettek úgy kötve de jó helyen vannak, a pufferek azért nincsenek benne mert a tápegységen van 18000uF(gyári technics) a bal oldali nyák van megvalósítva kicsit átszerkesztettem mert keskenynek gondoltam a tápvonalakat mellette az eredeti. A másik oldaláról is csinálok képet ha kell. (Az merült még fel bennem azzal, hogy mielőtt feszültség alá helyeztem multiméterrel szakadás mérővel megnéztem nincs e zárlat valahol és az összes forrpont jó e nem e tehettem tönkre a mute vagy stdby kapcsolót mert az adatlap 1.5V maximális feszültséget ír nem tudom mekkora feszültséget ad ki a multiméter szakadásmérésnél és azt sem mennyire érzékeny ez az ic... (elvileg minden jó helyen van bár nem mondom 100% ra, hogy valami apróság nem kerülte el a figyelmemet és azért nem kapcsol be ezért is kértem itt segítséget több szem többet lát
)) A hozzászólás módosítva: Dec 23, 2014
Az R8 és az R9 IC felőli lábán mérj feszültséget testhez képest. Mindkét ponton legalább +3,5V kell a működéshez.
Az elmaradhatatlan kérdés: kisütötted maradéktalanul a 18000µF kondenzátorokat mielőtt rákötötted a panelre?
40V ot mértem de mivel nem figyeltem és a test hozzáért a hűtőtönkhöz így sajnos befejeztem a projektet...
azért kösz a segítséget mindenkinek! (úgy döntöttem megrendelem e-bay ről ~4000Ft a komplett 2 gyárinak tűnő panel arról valamit tapasztalat valakinek?)
Végtelenül sajnálom a mérés szerencsétlen kimenetelét. Kárpótlásul itt egy sokszorosan tesztelt NYÁK.
Köszi!
Átgondolom de mivel 4 nap adatlap tanulmányozás átszámolás alkatrészek egyesével kimérése és próbálgatás után sem jöttem rá mi okozta a hibát egy ilyen viszonylag egyszerűnek mondható kapcsolásban megfontolandó hogy megvegyem kompletten az elvileg gyári, lepróbált összeállítást.. Nem szoktam feladni de ez most egyenlőre nagyon elvette a kedvem a további kísérletezéstől (mármint ez a rejtélyes hiba).
A 40V mérési eredmény inkább az ellenállás(ok) táp felőli lábáról származhat, a STBY és a MUTE bemenetek árama elég tisztességes feszültséget kell ejtsen egy 470k ellenálláson. A C4, C17 pozícióba ültetett méretes kondik esetleges szivárgó árama simán gátolhatja az üzemkész állapotot.
Idézet: „nem figyeltem és a test hozzáért a hűtőtönkhöz” Ezzel a tápot lehet esetleg kinyírni, de azt mérd meg, hogy a GND láb és az IC hűtőlapka közt van-e még kapcsolat?
Elfüstölt az ic egyből fekete folyadék jött belőle nagy füst kíséretében
A táp nélkül maradó 8-as láb (ez van a hűtőzászlón) hajlamos a MOSFET-eket egymásra nyitni
Én már robbantottam is fel emiatt IC-t, hogy a hűtőbordát nem szigeteltem el az IC-től, és azt nagyon nem szereti, ha testet kap a hűtőzászlója, Lacinál is ez lehetett a gond.
Sziasztok! Kellemes ünnepeket mindenkinek!
Egy TDA7294 erősítőt kellene javítanom, miután a gyári állapotában "felrobbant" az IC. IC csere és a leszakadó vezetőszál átkötése után negatív táp ül ki a kimenetre. +-15V feszültséggel próbáltam 400mA áramkorláttal indítani. Élesztés után hangszóró nélkül -15V van a kimeneten. Ha rákötöm a hangszórót, akkor -30V jelenik meg a hangszórón, és a negatív tápágban letilt az áramkorlát. Az a problémám, hogy soha nem csináltam ilyen erősítőt, és rajzom sincs a kapcsoláshoz. Tud valaki esetleg segíteni? Érdemes ezzel foglalkoznom? Üdv.: Ádám
Szia! A kimeneten észlelt 30V irreális, hiszen a hangszóró egyik pontja a testen van. A panel bekötése egyértelmű? Lerajzoljam esetleg?
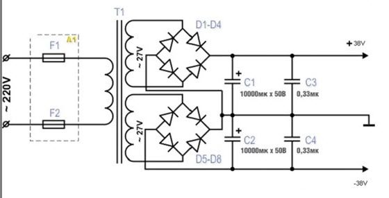
Sziasztok! Sztereó hídkapcsolásomhoz még mindíg nem csináltam végleges tápot . Az volna a kérdésem hozzátok hogy a táphoz 2db 10ampers gratz hidam van itthon. A jobb és bal oldalnak külön tápot tervezek csinálni mindkét oldalon 10000mikrós kondikat használnék. Erre azért gondoltam mert a gratz hidak csak 10amperesek tehát a két oldalnak teljesen hangerőn a 8A körüli terhelés már a határra esne . Ez így ezzel a megoldással járható út szerintetek ?
Szia! Csatornánként külön szekunder-tekercsekkel semmi akadálya. Ha egy szekunderről megy mindkét oldal, akkor a közös csillagpontot nagyon precízen kell kivitelezni, hogy ne búgjon az erősítő.
Köszi a válaszodat! Tehát akkor inkább egy 20A es dióda hidat vegyek és az legyen a tápp? Én viszont be érném oldalanként 100watt teljesítménnyel. Ez esetben is kevés lehet a 10Aes gratz híd ? Illetve van még itt ez a megoldás:(Tápegység) Erről mi a véleményed?
A hozzászólás módosítva: Dec 25, 2014
A belinkelt rajz ideális testpontot állít elő, de a diódák áramterhelése nem oszlik meg általa.
A Graetz hidad hűthető? Akkor neki lehet vágni a 10A-essel.
Hello mindenki, nemrég beszereztek egy ezzel az IC vel épülő pofás kis KIT-et, megfelelően öszeraktam, csak lett vele egy kis probléma, eleinte anyirajol szolt hogy egy kisseb 10 W körüli hangszóró el szált tőle, de azótta nem sikerül feléleszteni, csak egy 36 V-os kapcsitápom van hozzá ami ugy 850 MAh kimennetel bir, ez elég lenne neki vagy az a problémája hogy kapcsitáp és ijen kicsi a teljesitmény, met azótta hiába élesztgetném meg se nyekken, vajon az IC mehetett ki vagy a táp nem birja, a válaszokat köszönöm.
UI: ez az első ilyen erősítőm
Szia! Ezt a tápot úgy kell érteni, hogy ±36V-os? Most is leadja a feszültséget?
Hi!
Köszi a segítséget ! Csodák csodájára működik a cucc. Nem nagyon értem... De működik
nem +36 és földlés, leadja, de már csak 32 voltpt, lehet hogy a táp ment tönkre?
Nem igazán tudok forgalomban lévő szimplatápos kit-ről, de ettől még lehet, hogy van. Linkeld vagy fényképezd kérlek, hogy melyikről van szó!
nem, nem táp nem volt hozzá, volt nekem, ész azt hittem hogy megfelelő lesz, de nem igazán müködik egyik sem már, pedig ojan szépen be indult az elején, és csak egy szimpla mono KIT ről van szó, ami kb 3500 Ft volt
|
Bejelentkezés
Hirdetés |




Két darab SAL SR3040 van egy ládába.8Ω.ugyan ez a modul gyengébb trafóval simán ment ugyanezen a hangfalon,ezért nem értem most mi zajlik.
)) 


azért kösz a segítséget mindenkinek! (úgy döntöttem megrendelem e-bay ről ~4000Ft a komplett 2 gyárinak tűnő panel arról valamit tapasztalat valakinek?) 










