Fórum témák
» Több friss téma |
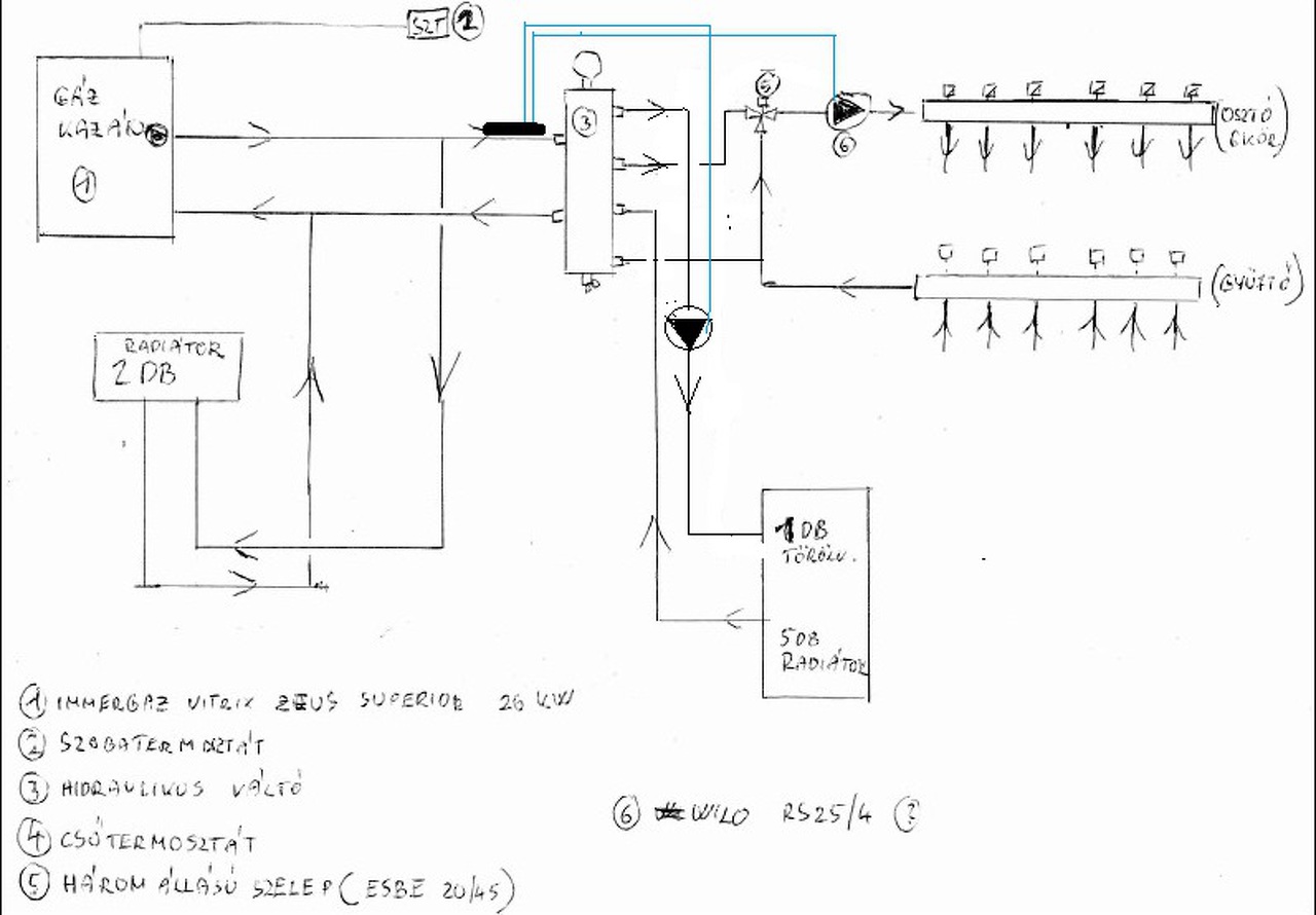
Idézet: Ezt a kérést ismerem én is. :/ „Aztán próbáljunk meg elektromosan lezáratni egy kört, ahová nem épített be beavatkozó szerelvényt...”
Nem értetted a kérdésem lényegét. A hidraválltó hidraulikailag bontja a rendszert, így az egyik oldal tömegárama nem hat ki a másikra csak kizárólag a hőmérséklet fog változni. De mi kergeti be a vizet a 6 radiátorodba? Mellékeltem egy módosítást. Hidraulikailag a meglévőből ezt kéne kihozni. A primer oldali lekötést sem ártana hozzácsapni a 6 radiátoros körhöz. (elfordult a kép)
A hozzászólás módosítva: Jan 5, 2015
Köszönöm, bár sajnos még mindig nem teljesen értem.
Ezt a mi hajtja meg a radiatoros kört. Még egyszer kérdezném, a gázkazán keringetője nem ezt végzi? Ha nem, akkor az mire szolgál? Ezenkívül értem a rajzod, nagyon sokat segítettél, csak a 3 keringetőt nem vágom (de ez betudható a tudatlanságomnak). Jah és még valami. A rajzodon a keringetőt(ket), mi kapcsolja. Látom egy vezérli, csak az nem tiszta, hogy mi. ![]() Elnézést az értetlenkedėsėrt. És köszönöm a segítséget.
A hidraváltó szekunder körére nem hat ki a kazán szivattyúja. Az csak a hidraváltóig nyomja a vizet. Ugyanúgy, ahogy a padlófűtésen is van egy szivattyú, a hat-radiátoros körre is kell egy. A két szivattyút csak elektronikailag vezérli együtt egy csőtermosztát, amit te is berajzoltál, hogyha leáll a kazán egy bizonyos hőfok alatt kikapcsolja a szivattyúkat. Ha valóban ilyen a rendszer, ahogy lerajzoltad, akkor a radiátoros köröd nem is működhetne.
Szia! Remélem nem rontok el semmit azzal, hogy kibicelek, talán más szemszögből nézve a dolgokat rájössz a váltó működésére ha ezen az oldalon megnézed az ábrákat és a hozzá tartozó magyarázó szöveget. Egészen egyszerűen van elmagyarázva a közegek áramlása ami a csőkeresztmetszet, azok egymáshoz képest való eltolása és belső terelők esetleges beépítése teszi még bonyolultabbá. A lényeg az az volna, hogy a fűtőíz fajsúlya és áramlási sebessége dől el a váltón belül, hogy mikor merre fog haladni a körök "vize". Ehhez kellenek a szivattyúk azokhoz a körökhöz amik ki vannak alakítva a kimeneti részen (szekunder oldalon). A kazán saját szivattyúja csak odaszállítja a teljesítményt az elágazási ponthoz (váltóhoz) de onnan el kell szállítani a körök saját tömegáramát képező szivattyújával. A bekötés azért tolódik el a javított rajzon mert a melegebb bekötési pont az a radiátorhoz tartozik a rétegződés miatt és az alacsonyabb hőmérsékletű rétegből a háromutú szelep is "könnyebben" szabályoz az adott hőmérsékletre és kedvezőbben alakulnak az áramlások a váltón belül is. Ha valamit nem jól magyaráztam volna a profik majd kijavítanak.
Pedig a radiátoros rész működik!
![]() Már csak egyre tudok gondolni(ennek utána kell még kérdeznem), hogy a hidrováltom, lehet ketté lehet választva belül, magyarán lehet nem is hidrováltóként funkcionál csak egy elosztóként. Ez egy házilag készített váltó. Elvileg hozzáértő ember csinálta. Kérdés, ha ez így lenne, ebben az esetben maradhat így és elhagyhatom a külön szivattyút, vagy ez így semmiképpen sem jó. Ha mégis maradhatna, kell-e valami plusz ez miatt a padlórészhez? ui.: az a baj, hogy amikor ez készült, még nem nagyon érdekelt a dolog, az apum hobbi fűtésszerelő, így ráhagytam az egész, gondolván, ez menni fog neki. A Váltó, az egyik ismerőse csinálta. (de mintha rémlene, hogy valami miatt ez más lenne, mint a bolti). Köszönöm a türelmeteket.
Ha sima osztó, akkor jó ahogy most van hidraulikailag, de akkor középen biztos, hogy le van zárva. Előszeretettel használták annó ezt a módszert kazánvédelemre a vissztérő agba közvetített hőátadás miatt és a levegő mikrobuborékait is könnyebb kivonni a rendszerből így.
A termosztát áthelyezésével és a padlófütés beállításával eléred amit szeretnél.
Nagyon szépen köszönöm a gyors választ! Ezek szerint, nincs komolyabban eltolva a rendszerem. Még annyi, hogy ahogy nézem az ábráitok szerint a csőtermosztát érzékelőjét, a primer oldalra tettétek, míg nekem a szekunder oldalon van. Ez esetben(meg úgy egyébként), milyen hőfokra kell állítanom a termosztátot? Jah és még valami, a keringetőt(padlóé), általában melyik fokozaton szokás használni?
A hozzászólás módosítva: Jan 6, 2015
Üdv! Lenne egy laikus kérdésem. ha adott egy radiátoros központi fűtés, és az egyik szoba padlóját "temperálnám" akkor elméletben lehetséges az hogy a padlófűtést úgy oldom meg hogy a radiátor kör előremenőjét meg visszajövőjét egy termosztatikus keverőszeleppel bekevertetem a megfelelő hőmérsékletre a bemenő oldalon, a kimenőn, meg simán visszacsatlakozok a radiátoros kör visszatérő ágára? Vegyestüzelésű kazánról van szó ha ez számít. ((Radiátor mellé kiegészítőnek használnám a padlófűtést))
ohh pedig azt hittem hogy nagy baromságot fogok írni. köszönöm a gyors választ! Sokat olvastam hőcserélőkről meg ilyenekről, de ezek szerint feleslegesen.
Egy kicsit pontosítok, mert a szakik leharapják a fejem.
![]() Láttam ilyen megoldást, nem is egyet, működött mindegyik tökéletesen. Nyílván lehet bonyolítani, csak kérdés, érdemes-e.
És mi fogja hajtani a kevert vizedet?
Régen úgy oldották meg, hogy a radiátor visszatérő csövét tekerték be a padlóba. Így a radiátor lehűti a vizet annyira, hogy ne okozzon kárt a padlóba.
Az elképzelés nem rossz. Viszont a vegyes tüzelésnél a fűtővíz hőmérséklete elég változó lehet, lehet 40-100 fokig bármi, a tüzelés intenzitásától függően (persze ezek határ értékek), mi fogja a padlófűtésben beállítani a megfelelő hőmérsékletet? Mert egy sima keverő szelep után szintén elég változó értékek állhatnak elő. Ide vagy termoszstatikus keverőszelep kell, vagy egy visszatérővíz-hőmérséklet szabályzó (pl Danfoss FHV-R) szükséges. És még akkor ott van az előző hozzászólásban említett keringetési probléma, bár a Danfoss szelepnél ilyen nem kell.
Szia! JZoli alternatívája lehet megfelelő a számodra ezzel és ezzel a szeleppel kialakítva a "vegyes" rendszeredben. Ehhez azonban tudnod kell, hogy a fűtővíznek megfelelően tisztának kell lennie, hogy a szelepülékek megfelelően tudjanak működni, tehát iszapleválasztó és korrózióvédő anyag bejuttatása a rendszerbe ajánlatos. A padlóba, idővel így is lerakódhat hordalék a lassan áramló helyeken a fűtés során.
Tök jók ezek a szelepek, épp csak a padlóba jutó fűtővíz hőmérsékletét nem fogják szabályozni csak a mennyiségét, tömegáramát. Tehát ha a rendszer 70 fokos, akkor a padlóba is annyi megy, ha nyit a szelep. És jön az ominózus felpattognak a járólapok, reped a beton probléma.
Szia! A szelepekkel semmi probléma nincs, talán a kapcsolási séma szorul magyarázatra, mert amit a leírásban közölnek az úgy NEM teljesen korrekt. Megtalálható mellette a soros bekötés is és abban az előremenő ágban van a szabályzó szerv ami a hőfokállítást végzi. A szelepek előbeállítást tesznek lehetővé, ezért nem mindegy, hogy "A" vagy "R" jelűt kell beépíteni, de nem kell ezt Neked magyázni. Ha így utólagos "toldatot" kell kialakítani akkor elég tanácstalan az ember, hogy mi is volna a legjobb és célravezetőbb megoldás a komfortigény eléréséhez, szem előtt tartva az anyagiakat is. Ha csak ezeket a kütyüket építi be az ember és az említett elvárásokat is betartva "tiszta" rendszerrel működik a rendszer, már ez is szép összeget képvisel. Ha csak egy szivattyú kerülne még plusz beépítésre az 20-tól indul az árlistán .... Tokan biztosan örülne egy korrekt leírásnak és megoldásnak de ehhez kellene ismerni a kiépített rendszer sajátosságait is.
Igen, hőfok állítást végez. De....
Hogy fogja a padlófűtés vízhőfokát csökkenteni, ha az előre menőm 70 fokos és mondjuk folyamatosan van hőigény? Ez a megoldás befúváshoz, padlóregiszterhez jó, de letekert padlófűtéshez közvetlen és egyedüli szabályzóként semmiképp.... szerintem. De ha le tudod írni, hogy hogyan lesz a 70 fokos vízből 45 fokos a szelep után, akkor elfogadom... A hozzászólás módosítva: Jan 31, 2015
Vegyünk egy egyszerű példát, hogy értsd mire gondolok.
Otthon a csapból 70 fokos víz folyik. Namármost. Csak mert felére, negyedére vagy akár a tizedére csökkented az átfolyást, még ugyanúgy leforráz. A kifolyó víz hőfoka nem változik, csak a mennyisége. Kétféleképp tudod lehűteni. Vagy kevered hidegebb vízzel. Ez a mi esetünkben nem valósul meg. Vagy elvonod a hő nagyrészét, ez sem valósul meg. Akkor hogyan hűtöd le, hogy ne legyen 70 fokos? A hozzászólás módosítva: Jan 31, 2015
Na szóval.... a leírásban is benne van....
Idézet: „Megjegyzés! Ha az FHV-A típust szobahőmérséklet szabályozására alkalmazzák, akkor az áramlási hőmérséklet nem haladhatja meg a padlófűtés gyártója által javasolt maximális értéket” Ebből következik, hogy a rendszerhőmérséklet nem lehet 50 foknál nagyobb. Vegyes tüzelésnél ez elég nehezen beállítható. De ha még nem is vegyes tüzelésről van szó, akkor se elég 50 fok a radiátoroknak -10 fokba. Hogy ezt alkalmazni lehessen, az egész rendszert ennek fényében kell kialakítani. pl. a radiátorok teljesítménye minimum 2,5- szeresnek kell lennie, hogy 50 fokon is (50/30) meg legyen az a teljesítményük, amit normál esetben (80/60) leadnak. A hozzászólás módosítva: Jan 31, 2015
Üdv! Mint említettem termosztatikus keverőszelepre gondoltam. Ami ha jól tudom, ha túl nagy eltérést tud csak produkálni a beállított vízhőfoknál, akkor lezár magától. A radiátoros rendszer keringető szivattyúja nem tudja keringetni a padlófűtést is?
Pont ezt írtam az elején...
Idézet: „És mi fogja hajtani a kevert vizedet? Régen úgy oldották meg, hogy a radiátor visszatérő csövét tekerték be a padlóba. Így a radiátor lehűti a vizet annyira, hogy ne okozzon kárt a padlóba.” A rendszer szivattyúja nem tudja ilyen módon keringtetni a padlófűtést. Ahhoz külön szivattyú kell a szelep mögé.
Szia! Gondoltam, hogy lesz hsz. a mikénti megoldáshoz, mert hogy csak ez a lehetőség van a fűtővíz hőmérséklet "szelídítésre" ennél a szelepes bekötésnél, amihez a "G" jelű a gravitációs fűtéshez van ajánlva. Azt viszont nem tudni, hogy a meglévő rendszerben ez az "applikáció" hogyan látja el a feladatát. Ebben a leírásban adnak magyarázatot ezekre a szabályzó szervekre. Amiről az előzőekben volt szó FHV ... típus az nem is biztos, hogy jól működne abban a felállásban de az FJVR szeleppel szerelt saját szabályzója G-ben a doksi 2. oldalán leírja az előre beállított tömegáramhoz tartozó hőfokok hogyan alakulnak. Nem okítás, csak alternatíva lehet, ha a kérdező is megépíti ezt a felállást, mert a vallatásnál fog kiderülni bevált-e a hozzáfűzött remény.
Átolvasva, amit belinkeltél, továbbra is előírás, hogy nem lehet magasabb a fűtővíz hőmérséklete mint amit az adott rendszer elvisel. Esetünkben 50 fok.
Idézet: . Tehát előre szabályozott, és nem a szelep szabályozza, mivel nem is tudja. „Szabályozott előremenő hőmérsékletű padlófűtésekhez” Kicsit drága lenne "vallatni" a dolgot. Mármint nem neked, hanem a kérdezőnek A hozzászólás módosítva: Feb 1, 2015
Akkor az ábrán látható megoldás nem jó?
Az adott szoba radiátor visszatérőjéről sorosan kialakítva a padlókör a visszatérőbe. A radiátor kimenetén ott a "szelídített" hőmérsékletű fűtővíz ami a radiátorban addig hűl amíg a szelep a beállított értéket el nem éri és utána "kinyit", helyesebben engedi áramolni a beállított hőmérsékletű vizet a padlófűtési kör csövezetén keresztül a radiátoros kör visszatérő ágába. Nálam ez a gyártmány van felszerelve, már említett felállásban és nagyon pontosan tartja a skálán beállított értéket, persze kapillárcsöves távadóval hozza ezt a pontosságot. Gondolom, hogy a gyártó megbízható tartozékokat készít minden megoldáshoz.
A legelső hozzászólásom ez volt a problémához.
Idézet: „Régen úgy oldották meg, hogy a radiátor visszatérő csövét tekerték be a padlóba. Így a radiátor lehűti a vizet annyira, hogy ne okozzon kárt a padlóba.”” A Te általad vázolt megoldást arra találták ki, hogy a radiátorokba jutó teljesítmény, ami a fűtővíz hőfoka és mennyiségének aránya, ne haladja meg az optimálisat, azaz minél kevesebb veszteséged legyen. Az egyik ilyen veszteség a radiátoron áthajtott de el nem hűtött víz. Ezek a szelepek optimálisan kiegyenlítik a rendszert, úgymond önszabályzó rendszerhidraulikát hoznak létre. Hasonlít a Tichelmann rendszerre csak az ilyen szelepek nélkül is teljesen önszabályzó a teljes rendszerre nézve. A padló vízhőfokának szabályzására használni ugyan lehetne, ha csak a hőfokát veszem figyelembe, de nézd csak meg a tömegáramát. Tegyük fel 10m2 padlót szeretnék ilyen módon megtáplálni. Az kb 80m D16 cső. az első 10 méterig se fog eljutni a víz, ha egyáltalán eljut valameddig, nem hogy még hatásosan teljesítményt is tudjon leadni. És minél melegebb az eredeti előre menő hőmérséklet annál kisebb lesz a szelep által átengedett víz mennyisége, mivel annál tovább tart lehűlnie a radiátorban. Ha simán szabályzó szelep nélkül, teljes keresztmetszetbe is lenne a visszatérővel sorosan kötve és mondjuk 50m D20 csővel van letekerve, akkor is elég necces a dolog, mert akkora a közegellenállás, hogy a vizet nagy nehézségek árán lehetne csak abba az irányba terelni. Viszont akkor megfelelően túlméretezett radiátor kell elé, hogy rendesen előhűtse a vizet. Ahány helyen láttam eddig ezt a megoldást, sehol sem működöt. Nagyon pontosan kell méretezni, nem elég csak "láttam hogy csinálják" módon megvalósítani. A hozzászólás módosítva: Feb 1, 2015
Akkor ezt megbeszéltük. Tokan pedig majd eldönti megépíti-e ezek után ezt az elgondolást.
Megcsináltam a padlófűtés átmosást, sima vízzel. Minden kört oda-vissza, a tartályt és a szivattyút is átmostam. Ki is jött az összes iszap és mocsok. Feltöltöttem, felvettem a termoszt és semmi. Hallom, hogy a szivattyú megy, de nem lobban be a láng. Csak úgy tudom belobbantani, ha felveszem a termoszt (megy a szivattyú) és a leeresztő csapot 1 másodpercre megnyitom és elzárom. Belobban és fűt, de ha nem adok neki egy ilyen löketet a leeresztő csappal akkor nem lobban be. Lehet, hogy a szivattyú nem tud magától elindulni csak egy egy "lökettel"?
|
Bejelentkezés
Hirdetés |










Az adott szoba radiátor visszatérőjéről sorosan kialakítva a padlókör a visszatérőbe. A radiátor kimenetén ott a "szelídített" hőmérsékletű fűtővíz ami a radiátorban addig hűl amíg a szelep a beállított értéket el nem éri és utána "kinyit", helyesebben engedi áramolni a beállított hőmérsékletű vizet a padlófűtési kör csövezetén keresztül a radiátoros kör visszatérő ágába. Nálam ez a gyártmány van felszerelve, már említett felállásban és nagyon pontosan tartja a skálán beállított értéket, persze kapillárcsöves távadóval hozza ezt a pontosságot. Gondolom, hogy a gyártó megbízható tartozékokat készít minden megoldáshoz. 
