Fórum témák
» Több friss téma |
Üdv!
Dec. 15. Hé, 21:12 leírtam, hogy mi van rajta... Kicsit feljebb. Nekem nem kacat, hanem érdekesség, szeretném használni, ha lehet. Köszönöm a segítő készségét, Uram! Egyébként egyik tipp sem nyert...
Akkor jó próbálkozást a felderítéshez.
Ahhoz, hogy bárki segíteni tudjon, tenni is kellene érte, nem várni a sült galambot és beszólogatni annak aki segíteni akar.
Sziasztok!
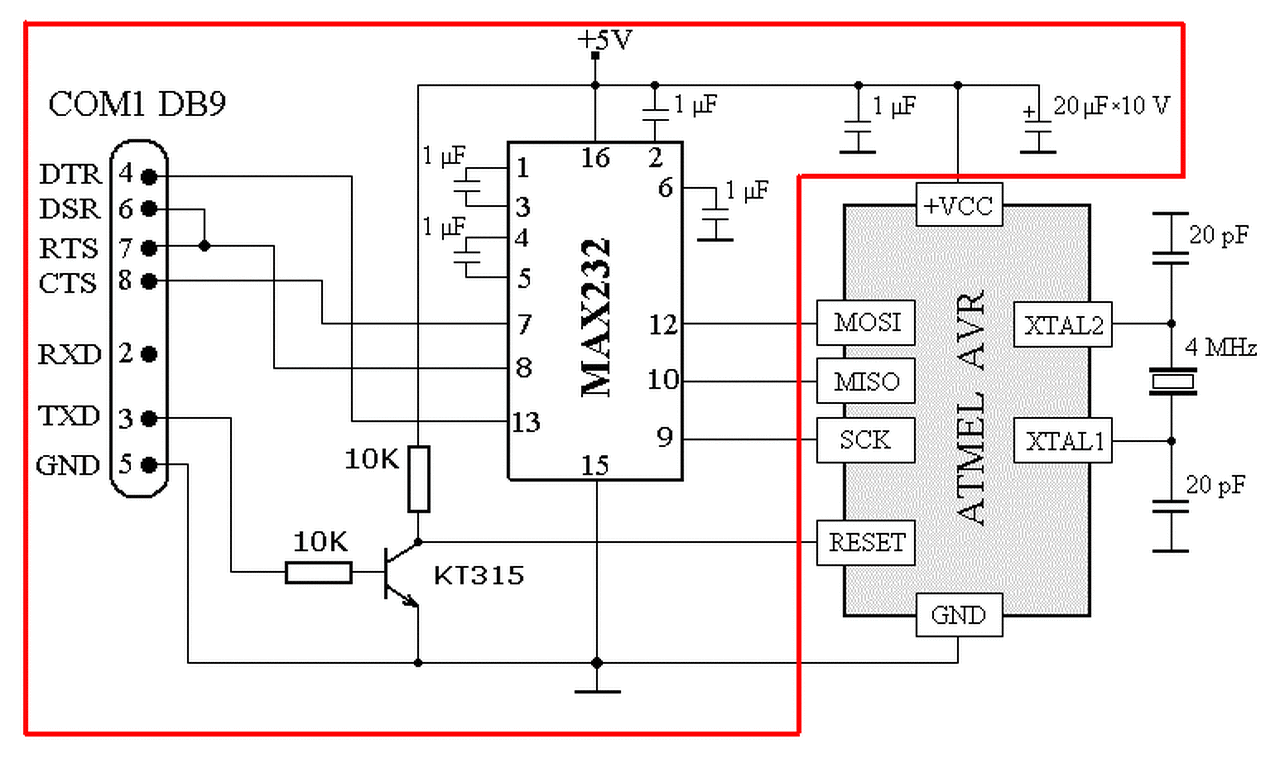
STK200 égetőhöz szeretnék építeni egy olyan adaptert, ami a legtöbb AVR-t támogatja. Két potenciális jelöltet találtam, az egyik EZ a másik pedig EZ. Melyik javasoljátok megépítésre? A leírások alapján én úgy látom egyik sem támogatja az összes avr-t. Létezik ilyen, vagy csak tervezés kérdése?
Ha DIP tokosakat akarsz akkor csak tervezés kérdése. A második szimpibb nekem, ott úgy látom hogy több a foglalat és 40P-ből is kettő van(8515-nek is). Viszont így is lesz amit nem tudsz programozni, pl. ATTiny11 (elég ritka) nem fog menni vele mert ahhoz HVSP kell. ATTiny28 (28p, szintén ritka!) sem fog menni mert annak más a kiosztása mint a többi 28 érintkezősnek.
Egy apróság: ha megépíted, a kristálynak csinálj foglalatot és lehetőleg minden IC foglalat mellé külön!
Azt értem, hogy miért legyen a kristály foglalatban, de miért legyen minden foglalat mellett egy? Nem elég egy úgy ahogy a képen is van?
Sajnos nem. Itt több MHz-es frekikről és néhány mV-os feszültségekről beszélünk. Ha sokat tekereg a vezeték a kristály és a foglalat között, érdekes meglepetéseket okozhat...
Sziasztok!
PIC-cel már régóta barátságban vagyok és szeretnék atmel processzorokkal is foglalkozni.A lelkesedésem már többször elindított ezen az úton, de a sok negatív tapasztalatról szóló beszámoló és a sokszor egymásnak ellentmondó információ, már a totyogás állapotában olyan szűk térbe szorít, hogy nem tudok onnan tovább lépni olyannyira, hogy még égetőm sincs. A sok ajánlott égető közül azt se tudja a szegény kezdő, hogy melyiket is válassza. Pláne, ha maga akar csinálni egyet. A gépi környezet, is egyre korlátozottabb. Korábban még volt ajánlva a párhuzamos porttal, a lancos féle égető, amit a ponyprog-gal ajánlottak, de az meg a fuse bitek kavarca miatti kontrollerből való kizárással fenyegetett. A kontrollerhez való újbóli hozzáféréshez, meg megint másik eszköz kell, ahhoz meg újból kontrollert kell égetni. Szóval, könnyebb megtanulni járni mint AVR-rel megbarátkozni. Jelen gépemen, a bővítő kártyán levő LPT port sem látható. Korábban morgó ajánlotta ezt a linket Bővebben: Link Ezen is van LPT200 égető a választható égetők közül, a soros porton. Kérdezem, hogy ez az égető választható ehhez a művelethez?
Szia!
Ha STK200-nak írják, akkor dobd össze, nem sokból tart. Viszont azt nem tudom, hogy az mkAVR fogja-e kezelni. A bővítőkártyádhoz van rendes driver?
Szia!
Nem találtam hozzá drivert. A gépet kéz alól vettem és nem adtak hozzá semmit. Próbáltam keresni is, de sajna nem találtam. Köszi. A hozzászólás módosítva: Feb 9, 2015
Üdv!
Tem tudom mennyit szánsz rá én a TL 866A típust választottam, még nem találtam olyan eszközt amit ne tudna írni. A CS változata olcsóbb, firmware cserével minimális alkatrészigénnyel átalakítható PIC, AVR stb. programozáshoz is. Nézd meg e-n, ali-n amit tud ahhoz képest nem horror az ára. Joe
A PIC -eket mivel programozod? PICkit2 -vel?
Firmware cseréval: A2P2 soros porti AVR programozó emuláció: PK2AVRISP Avagy egy kis programmozás után a saját kezelői felületéről...
Szia!
Ez teszik! Igen a pic-eket PICkit2-vel. Megpróbálok utánajárni és majd jelentkezek, bár egy kicsit bővebb magyarázat jól jönne. Köszönöm az eddigieket is.
Üdv, vettem egy Topi féle AVR-Doper-t. A következő lenne a problémám:
- Természetesen már végigolvastam az összes hozzászólást, próbáltam windows 7-re minden driverrel próbaüzemmódban COM portok váltogatásával, AVRDude, Avr Studio, WinAVR, Vistás megoldás szóval amit itt csak leírtatok, de senki nem látja, eszközkezelőben látszik, bár furcsa hogy mikor nincs bedugva akkor 1 COM port látszik, mikor bedugom felugrik egy másik ami nincs használatban de az eredeti ami mindig látszik azt lefoglalja a Doper. Plusz persze VirtualBox COM port megosztása de úgy sem! AVRDude ha meg is kapja a jó portot a Doper time outal nem válaszol. - Na gondoltam oké akkor CDC letudva AVRDude-ot is tudok én használni, hát nem. Elvileg a Win7nek gond nélkül kellene telepítenie a szükséges Drivert USB HID módban. De nem ismeri fel eszközkezelőben szépen ott is van ami a képen látszik. Természetesen Jumpert eltávolítottam. Kérdés? Halott a Doper? Az állapotjelző Lednek világítani-e kell-e vagy csak akkor ha írok a rákötött mikrovezérlőre?? Előre is köszönöm a válaszokat!
Üdv a klubban.
![]() A LancOS féle égető nem olyan rossz, én is azzal kezdtem. Arra tud érzékeny lenni ha az AVR nem kap tápot, illetve a biztosítékbitek beállítása egy kicsit fapados(és sokszor nehezen érthető ergo veszélyes) PonyProg alól. Amit nem ajánlok az bármilyen, RS-232 porton csüngő cucc. Amit itt belinkeltél egész kulturáltnak tűnik de szerintem nem az igazi. Korábban ennek tranzisztoros-diódás változatait töltögették fel lelkes amatőrök, amitől égnek állt a fórumozók haja. ![]() Ha "kizárás" van arra a Fusebit Doctor a jó megoldás. Azt csak egyszer kell égetni, a biztosítlkbitekhez jóformán nem is kell hozzányúlni. Egy hátránya van hogy kicsit macera lehet egy kezdőnek összerakni. Én (át)terveztem a panelt, de sokszor a (maradék) hajamat tépem így is a sok ellenállás beforrasztásától. Ami szintén nem ajánlott az az USBASP! Nem térnék ki rá miért, lényeg hogy nem a használhatósága miatt ilyen népszerű, hanem mert olcsó. Ha magad építenél programozót akkor LancOS, vagy előkeresem a "99% furatszerelt-alkatrészes USB-s STK500" programozómat. Ezen egyetlen SMD van, az MCP2200 de aki tudja melyik a páka melegebb vége akkor simán beforrassza. Esetleg még AVR-Doper is szóba jöhet, de Win7 és AVR Studio 6 sajnos nem támogatja, és nagyobb AVR-ekhez meg már lassú is. A hozzászólás módosítva: Feb 9, 2015
Szia!
Köszönöm a tartalmas válaszodat. Nagy örömömre szolgálna ha "előkeresnéd" a magad építette STK500-at.
Igen már korábban én is néztem ezt, de ha az zombee által felvillantott eszközt nézem, az abban szereplő MCP2200 -höz képest, mely a chipcad-nél beszerezhető 700 Ft-ért, az ebben levő FT232, bárhol nézem, nagyjából a duplája.
Egy érdekes AVR programozó. Talán 16F1455 -re is lehetne portálni egy USB CDC -vel kiegészítve...
A hozzászólás módosítva: Feb 10, 2015
Én ugyan nem értek hozzá, de némi nézelődés után én is úgy döntöttem hogy STK200, és ha esetleg kinőném vagy valami csoda folytán sokszor kellene AVR-t programoznom akkor STK500. A 200-hoz már megvan mindenem, lassan megcsinálom neki a nyákot is.
Ehhez van nyáktervem layout-ban, ha kell.
Köszi, megnézem majd ezt is, de ezen a rajzon mások az ellenállás értékek meg tranyó is van benne. A lancos féle amit elkezdtem megrajzolni az tetszik, de nincs lay csak pdf az meg nem tetszik mert szinte egymáshoz érnek rajta a vonalak.
De nem nagy dolog odatenni a DB25 elé az IC-t, meg köré rakni azt a néhány alkatrészt, szóval megoldom.
Megtaláltam a cuccaim közt az otthon is utánépíthető STK500 programozót! ATMega88/168 firmware-val most nem tudok szolgálni. Elvileg ez alapján otthon bárki meg tudja építeni, ha valakinek gondja támadna a panelmaratással vagy az ATMega8 felprogramozásával abban tudok segíteni. A programozóba beültetett ATMega8-at érdemes foglalatba tenni. Az IC felprogramozható a programozó csatlakozón keresztül egy másik (akár ugyanilyen) AVR programozóval aminek 10 pólusú Kanda-ISP kiosztása van. Ehhez a 2-es kapcsolót fel kell kapcsolni, ez köti össze a kimenet RESET vonalát az IC-vel. Égetés után ne felejtsd el a FUSE biteket beállítani, csak "High-freq" kristályra kell kapcsolni. (PonyProg alól a "SUT-CKSEL" résznél mindegyik dobozból ki kell venni a pipát). Ha végeztél, a 2-es kapcsolót le kell kapcsolni!
Kapcsolási és beültetési rajz Nyomtatható panelterv - vasaláshoz és fotózáshoz is jó Beégetendő firmware ATMega8-ra, 7.3728MHz-es kristállyal Ugyanez, csak 12MHz-es kristállyal. Ezt nem teszteltem! A hozzászólás módosítva: Feb 10, 2015
Köszönöm szépen. Meg fogom építeni. Ha kész beszámolok róla. Előtte megépítem a feljebb levő stk200-at és azzal szándékozom beégetni az atmega8-at.
Sikeresen portáltam a 16F1825 -re épülő AVR programozót 16F1455 -re, USB CDC eszközként. Tesztelni kell még. A 16F1455 (ChipC@d: 400Ft+Áfa) egy DIP14 tok, nem kell hozzá még quartz sem.
Megoldottam egy WinXP telepítéssel, most már látszik a programozó AVR Studióból de nem tud programozó módba lépni amikor olvasni akarom a signatury byte-okat. Egy Attiny13mat szeretnék programozni, már próbáltam minden féle frekvenciát állítani de semmi nem használt
Ötlet valakinek?
Lehet hogy nincs jól bekötve az AVR? Tápot kap?
Sziasztok! Két éves laptopomon(win 8.1 x64) még tesztmódban megsikerült oldanom, hogy működjön vele a topi féle égető, viszont az új gépemen már így sem működik. Tudtok ajánlani olyan égetőt, ami fog működni gond nélkül x64-es rendszeren, anélkül, hogy szórakozni kelljen vele? Előre is köszi!
|
Bejelentkezés
Hirdetés |













Ötlet valakinek? 



