Fórum témák
» Több friss téma |
Fórum » Fordulatszámmérő kétütemű motorra
0,52-3,73V ahogy a frekit növelem, majd onnan visszaesik kb 2,5V-ra.
Akkor melegen ajánlom a C5-öd csökkentését. A 3,73V már teljesen kitöltött PWM jel!
Most az 555-nek is megadtam a 10V-ot, így már jobb csak az osztások csúsztak el egy kicsit. Vagy is nem azon a ferekvencián gyullad ki az adott led hanem kisebben vagy nagyobban.
Még annyi, hogy ugye nekem akksiról megy és az LM3914 egy 4,7ohm os ellenálláson kapja meg a tápfeszt. Ezt azért csináltam hogy az IC ne melegedjen annyira, viszont stab IC-nek már nem volt hely. Ennek az a hátránya, hogy minél több led gyúlad ki annál kisebb tápot kap az IC. Gondolom emiatt vannak a csúszások is. De most hogy az 555 is ugyan azon a tápon van jól működik.
Hello! Nem az IC tápjával kell sorba ellenállás, hanem hanem a Led-ek anódjával sorba. ÉS akkor nem változik a fényerő. (12V esetén egy 33..47ohm szokott megfelelő lenni)
Azt tudom, csak az egész nem ilyen volt. Eredetileg 5V ról indult, csak ott az 555 tel nem tudtam kivezérelni, mivel 0-5V volt a bemenő jel. Azután már csak ez a megoldás maradt. Ez volt az első verzió, de a többin már úgy lesz. Köszi mindenkitől a segítséget!!
Köszi reloop!!
Mindössze az LM3914-nél kellett volna egy ellenállást cserélni, és már is nem 0..5V lett volna a bementi tartománya..
Sziasztok! Segítségeteket szeretném kérni, fordulatszám mérő felszerelésében. Tervezek venni egy normál univerzális fordulatszám mérőt, a probléma ott van hogy egybe trafós cdi-m van. A mérőt a trafóra kellene rákötni, de mivel a trafó be van öntve egy talicska műanyagba így igen nehéz dolog lenne. Valakinek van ötlete ezzel kapcsolatban?
A gyertyakábelről vedd le a jelet. A gyertyakábelre rátekersz pár menet vezetéket, és azt árnyékolt vezetékkel elviszed a mérőhöz, ahova menne a jeladó.
Sziasztok!
Igazából ezt a fórumot találtam ami az én problémámhoz kapcsolódik. Szükségem volna egy kapcsolásra, mert elakadtam ![]() Adott 1 Pannónia motor, amit már korábban megcsináltam FETes gyújtásúra, szereztem egy Ikarusz busz fordulatszám mérőt, és van egy induktív jeladóm.Előre jelezném hogy a Pannónia megszakítóját is induktívra cseréltem. A busz fordulatszám mérője 0-12v között tökéletesen működik szabályozható tápegységen keresztül. Tehát adott 1 induktív jeladó és 1 fordulatszám mérő óra ami közzé kellene egy elektronika ami fordulatszám függvényében emeli vagy csökkenti a tápfeszültséget. Nem szeretnék semmilyen PIC megoldást, biztos van valamilyen egyszerűbb megoldás is. Tanulni soha nem szégyen, tapasztalt szakiktól ![]() Előre is köszönöm a segítséget!
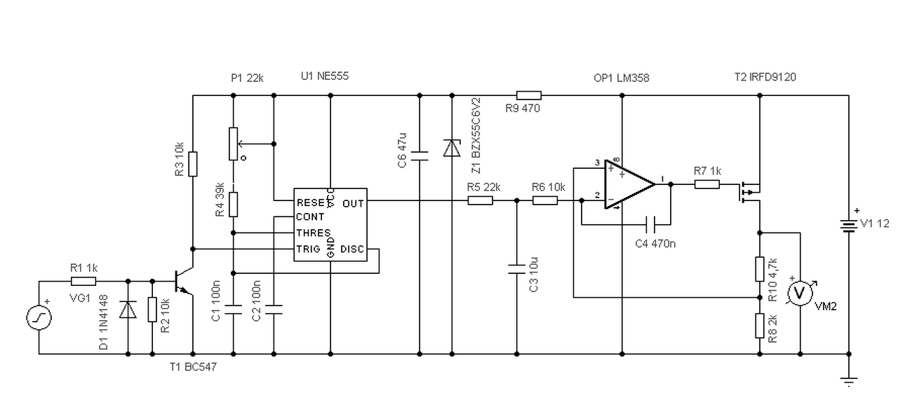
Hello! Megrajzoltam, kb. mit kell elkövetni.
- Tekintve, hogy fogalmam sincs, hogy az induktív jeladód milyen feszültséget ad, nem biztos, hogy az 555 előtti bementi fokozat megfelelő. De lesz itt aki tudja, vagy választasz olyan fordulatszámmérő bementi egységet, ami a gyújtástrafó primerjére csatlakozik. - De a lényeg hasonló, amit a Led-es analóg fordulatmérőknél látni. Monostabil multi, integráló RC tag, majd egy erősítő fokozat, ami 12V-ig képes felerősíteni az analóg jelet. (Mondjuk a rendelkezésre álló tápfeszt sem írtad.) De kiindulási alapnak biztos megteszi..
Szia! Bocs kiment a fejemből
Az induktív jeladó 12v kapcsol PNP-s,amúgy 24V os,de 12V voltról is tökéletesen teszi a dolgát ![]() Pannónia kis traktorba lenne ez beleszerkesztve
Hello! Ja, hogy ez egy gyári induktív közelítéskapcsoló? Akkor csak egy differenciáló tag kell a bemenetre. Pld. így..
Igen igen gyári. 3 ér van a vezetékben +,-,és a jel.
Ez jó lesz. Remélhetőleg lassú fordulatnál is megfelelő sebességgel kapcsol a kimenete. Ha nem. jelformáló kell. De gond egy szál sem, van a 358-ban még egy OPA.
Nagyon szépen köszönöm a segítséget, akkor a második rajzot ha megépítem akkor működnie kell.Remélhetőleg menni fog lassú fordulatnál is.
Hétfő,Kedd,Szerda szabadnapos vagyok, beugrok megvenni hozzá a cuccokat és jelentkezem mi a helyzet a dologgal. Most még megcsinálom a NYÁK rajzát , panelra viszem és mára ennyi ![]() Mindenféle képen jelentkezni fogok. ![]() Köszönöm szépen!
Megcsináltam a NYÁK rajzot, de sajnos még nem tudtam meg is csinálni, mert hát a munkahely az első
![]() Átnéznéd nekem hogy rendben van e? Előre is köszönöm
- Alapvetően jó, de az átkötések kihagyhatók. (Ellenálással is "át lehet ugrani vezetősávokat, nem kell drót.)
- Nem ártana kissé megrendezni a nyákot. - A 12V-ra sem ártana tenni egy 47µF-os kondit. - A nem használt műveleti erősítőt célszerű "hatástalanítani". (A 6-7 lábát összekötni, 5-ös lábát a 3-asra kötni.) - Nyák ellenőrzésre van külön topik.
Üdv,most készül ez a Simson ford. mérő:
ford.mérő Azt kérdezném,BC182 helyett BC182b jó-e?(fiókban csak ez van) Fenti linken a lay kinézet és a kép különbözik,pl 5,1V zener függőleges helyzetből lefeküdt a 1,5u kondi elé,ettől még jó a kapcsolás?A nyákot eszerint marattam. 1,5 u kondi (képen a szürke) nehezen beszerezhető,mehet helyette más típus,más kapacitás? Sima led helyett tehetek -e nagy fényerejűt?(most indulok vásárolni,melyik a jobb?) Köszönöm a segítséget előre is. A hozzászólás módosítva: Okt 8, 2015
Hello! Jó a BC182b is. A nyákot jónak látom, figyelj, hogy a két átkötés benne legyen. Az 1,5µF helyett lehet bele tenni 2,2µF-ot. Ha kicsit lassabb lenne a kijelzése, akkor ki kell cserélni a mellette lévő 22kohm-ot 15kohm-ra. A kondi lehet sima elkó, de tantál lenne az ideális.
Ha nagyfényerejű Led-ek lesznek, akkor lehet a két LM3914 1-es lábára menő Led-ek halványan világítani fognak. De lehet védekezni ellene, a Led-el párhuzamosan kötött 2,2k..10kohm-os ellenállással. Ha már kész a nyák, célszerű hátulról SMD ellenállást odabiggyeszteni a Led mögé.
Köszönöm a gyors segítséget,akkor folytatom a" projektet"elkok vannak itthon megpróbálom azzal
és beteszem a bc182b-t.A ledeket próbaképpen 3mm -est normált rendeltem,kipróbálom először azokkal. Átkötések már készen vannak.
Üdv ismét,eljutottam a próbáig,ráadtam a 12V-ot(tápról nem akksiról)bementi jel nélkül és az utolsó 10 led folyamatosan világít.Mindjárt átnézem a 3914-est csak azt kérdezném van egy
hordozható asztali telefon a tápja 9V AC 270 mA-t ad ki,erről lehetne hitelesíteni?(hogy az első 6 led világítson)ha 50Hz et ad ki akkor igy kéne lennie,vagy ez a jel nem jó lesz bemenetnek? Nem akarnám szétcs....ni az eddigi munkám.Köszi ,szép estét!
Szia! Vezérlő jel nélkül nem világíthat LED. A 12V-od meg van szűrve?
Szia,volt egy forr hiba,az első 2,2 ellenállásnál.Ezt megcsináltam,és most mind a 20 led folyamatosan világít.A táp nem hiszem,hogy szűrt én raktam össze egy LM317-el és
még valami van benne meg egy poti.Mindjárt behozom a motor akksit,megnézem arról. Az 9V-os telefon táp amúgy jó lehet kalibrálni? Aksival is próbáltam,összes led világít. A hozzászólás módosítva: Okt 9, 2015
Megmértem,akksi negatív,és 7805 kimenet közt 6,6V van ez,hogy lehet?
Mérj feszültséget akkumulátor negatív és 7805 GND között, hibátlan-e a vezetés?
Egy éles fotó alapján át tudnánk nézni milyen hibája lehet a panelednek. A 9VAC természetesen jó a kalibrációhoz, de attól úgy látom még messze vagyunk.
Ez volt a baj,mármint 7805 nem kapott gnd-t,adtam neki huzallal mindjárt jobb lett,a
ledek nem világítanak,7805 kimenete 4,95V.A kalibráláshoz a töltő egyik fele akksi minusz,másik jel ugye?(sorrend mindegy.)
Próbáltam de semmi eredmény,most megint az összes led világít gnd jó,
potit is tekergettem Találtam még egy hibát pont a 1,5 u jel bevezetés melleti kondinál.Nekem 2,2 us elko van. A hozzászólás módosítva: Okt 9, 2015
|
Bejelentkezés
Hirdetés |






szereztem egy Ikarusz busz fordulatszám mérőt, és van egy induktív jeladóm.









