Fórum témák

» Több friss téma
Fórum » Videoton RA 6363 és EA 6383 javítása
Lapozás: OK   69 / 124
(#) nimrod96 hozzászólása Feb 25, 2015 /
 
Rendben, 7815-s cserélem aztán jelentkezem.
Köszönöm.
(#) nimrod96 hozzászólása Feb 25, 2015 /
 
Még annyit hogy a 7815-s ic nek a hátlapja testre érhet?
(#) kadarist válasza nimrod96 hozzászólására (») Feb 25, 2015 /
 
Igen, odaérhet.
(#) bekeipeter válasza djhans hozzászólására (») Márc 2, 2015 /
 
Vagy a biztosíték kiesni A 6360-as szornyembol magatol is ki szokott pottyanni idonkent, amig ki nem csereltem az aljzatot.
A hozzászólás módosítva: Márc 2, 2015
(#) RobyBoy hozzászólása Márc 9, 2015 /
 
Sziasztok!A napokban hozzájutottam egy EA6383 típushoz.A hibajelenség, hogy kb fél hangerő után erősen torzúl a hangkép.Még a kitakarításon kívűl nem mértem/ piszkáltam bele,hátha lenne valami jó tippetek a jelenségre.Ami első látásra is feltűnt,hogy nem eredeti végek,hanem BD249-BD250 van mindkét oldalt.
(#) djhans válasza RobyBoy hozzászólására (») Márc 10, 2015 /
 
Szia!

A fél hangerő nem mond semmit mert a bemeneti jel nagyságától függ az egész. Akár negyed hangerőn is leadhatja a maxot ha elég nagy a jel. BD249-250 még nem gond attól jó is lehet. Tegyél fel közeli képeket a belsejéről.
(#) djhans válasza bekeipeter hozzászólására (») Márc 12, 2015 /
 
Most rakok össze egy 6363-ast. Egy kosárban kaptam darabokban. A 4db potit cserélnem kellett. Egy cleo alaplapból tettem át, ezek jobb minőségű potik. A készüléken 1988-as pecsét van. Hihetetlen, hogy milyen sokáig gyártották. Ráadásul párhuzamosan az újabb toronnyal és a 6386 receiverrel is. Szerintem ez a legnagyobb darbszámban gyártott az összes közül. Ebben már ROE puffer elkók vannak és a hálózati kábele kettős szigetelt ronda fehér. Viszont a BF244-eket kispórólták és BC337 van helyettük. Nekem egyébként sokkal jobban bejön a 6360-as készülék. Nem veszem észre, hogy a 6363 jobban szól pedig műszaki adatlapban a torzítási és átviteli értékek jobbak a 6363 javára.
(#) doktor válasza djhans hozzászólására (») Márc 12, 2015 /
 
Változó alktrészekkel szererelték őket, amihez hozzájutottak.
Az én 6360 siemens elko volt első szériás, és válogatott kis türésü alkatrészek.

ROE puffer elkók vannak

Szerintem ezeket mostanában cserélték, inkább.
(#) P_Laszlo válasza doktor hozzászólására (») Márc 13, 2015 /
 
Használtak arany rödersteint.

A 6360-ban volt egyáltalán BF244?
(#) djhans válasza doktor hozzászólására (») Márc 13, 2015 /
 
Nem hiszem, gyári forrasztásoknak nézem. Ebben az időben már gyártották a lapos erősítőt amiben ezek az alacsonyabb ROE elkók voltak.
(#) djhans válasza P_Laszlo hozzászólására (») Márc 13, 2015 /
 
Nem volt benne. Az csak a 6363 és 6383 készülékek végfokában volt.
(#) P_Laszlo válasza djhans hozzászólására (») Márc 13, 2015 /
 
Akkor honnan spórolták ki?
(#) djhans válasza P_Laszlo hozzászólására (») Márc 13, 2015 /
 
Az én 6363S készülékemből. A FET helyére BC337 tranyót tettek.
(#) doktor válasza djhans hozzászólására (») Márc 13, 2015 /
 
A 6363 -t sokáig , gyártották, egyidejüleg szerintem a Videoton EA 7386 S null szériájával,, de szerintem, akkor , nagyon kiszámoltak voltak az új alkatrészek, az MM-k, meg hegyekben álltak.
Aztán, ki tudja, ma már.
(#) P_Laszlo válasza djhans hozzászólására (») Márc 13, 2015 /
 
És működött vele?

Több 63-asat láttam arany ROE kondival. Sőt a kép szerint 6360 is összejött vele:
Bővebben: Link
(#) djhans válasza P_Laszlo hozzászólására (») Márc 14, 2015 /
 
Igen, és az EA 6380 erősítőben csak ilyet láttam. Ezek jók, viszont kisebb a fekvő típusok inkább bezárlatosodnak mint kiszáradnak.
(#) P_Laszlo válasza djhans hozzászólására (») Márc 14, 2015 /
 
Úgy értve a 337-tel működött a némítás? Nem vagyok benne biztos, hogy hatásos.
(#) rozsdas111 hozzászólása Márc 15, 2015 /
 
Sziasztok! Minél többet olvasom a hozzászólásokat annál inkább elbizonytalanodok.
Az RA6363S típus végfok moduljain a T 1819/1820 páros helyére akkor most melyik lenne a megfelelő cseredarab?
BD 249/250 C vagy BD 911/912 Úgy látom mindkettő megfelelő, de melyik a legtutibb?
És ha az egyik oldalon cserélem akkor szükséges-e a másik oldalon is scerélni azt ami még nem hibás?
(#) gyuszo válasza rozsdas111 hozzászólására (») Márc 15, 2015 / 1
 
A végtranzisztoroknak BD911 -BD912-es párost érdemes választani.
http://www.hqelektronika.hu/hu/product/bd911_st
http://www.hqelektronika.hu/hu/product/bd912
Amelyik oldal nem hibás, tehát megfelelően működik, nem szükséges cserélni.
A hozzászólás módosítva: Márc 15, 2015
(#) rozsdas111 válasza gyuszo hozzászólására (») Márc 15, 2015 /
 
Köszi.
(#) bekeipeter válasza djhans hozzászólására (») Márc 16, 2015 / 1
 
Ha megfordítod a negatív visszacsatoló körben lévő kondit megfordítod, valamint az áramgenerátort lekondizod, akkor a 6363 is használhatóvá válik, csak a trafója kicsi
(#) bekeipeter válasza doktor hozzászólására (») Márc 16, 2015 /
 
1987-től gyártották őket ROE kondikkal, már nagyon sokkal találkoztam.
(#) bekeipeter válasza rozsdas111 hozzászólására (») Márc 16, 2015 / 2
 
BD249/250 párosra ne cseréld, mert nagyon sok a hamis a piacon. A BD911/912 paramétereiben tökéletesen megfelel, és jóval megbízhatóbb a beszerzése, mert még ma is gyártja az SGS-Thomson (ST) De jó alternatíva a TIP35C/36C is!
(#) P_Laszlo válasza bekeipeter hozzászólására (») Márc 17, 2015 /
 
A visszahajló áramkorlát, és az elégtelen hűtőfelület, hőkompenzálás hiánya miatt lényegtelen, mekkora a trafó. Semmi értelme nagyobbnak.

Az invertáló bemenet 47µF-os elkója rajz szerint helyesen van bekötve, úgy látom. De milyen feszültségen van a VT14 bázisa?
A hozzászólás módosítva: Márc 17, 2015
(#) bekeipeter válasza P_Laszlo hozzászólására (») Márc 18, 2015 / 1
 
Ha ki van vezérelve mindkét végfokozat egyszerre, akkor bizony a puffer is kevés és a trafó pláne! A Pink Floyd - Learning to fly című számát hallgatva, amikor bejön a basszusgitár, a tápfesz rövid pillanatokra ±14V-ra leesik!!! Csak egy szkóp kell hozzá...

Ha minden úgy van rendben, ahogyan a rajzon van, akkor miért jött létre ez a topic? Akkor semmi probléma sem lenne ezekkel a masinákkal...

Ennél a készüléknél javasolt a VC04-44 kondik bipolárisra cseréje, valamint a VD10-11 diódákkal párhuzamosan beépíteni egy 1µF-os kondenzátort, és teljesen megváltozik minden!
(#) fecameca válasza bekeipeter hozzászólására (») Márc 18, 2015 /
 
Sziasztok! Nálam most ami van, abban T-1819 és T-1820 Motorola tranzisztorok vannak gyárilag. Gondolom a BD 243-244 jó lesz helyettük. Vagy az a 911-12 pár, ha kapni minálunk. Az ép oldal alatt is újra kell szilikon pasztázni a csillámokat. Vagy az a szilikon szigetelő, ami a számítógép tápokban is van nem jobb a csillámnál? Amíg valaki nem nyilatkozik, melyiknek jobb a hővezetése, nem merem olyanra cserélni.
A hozzászólás módosítva: Márc 18, 2015
(#) Beringer 600 válasza fecameca hozzászólására (») Márc 18, 2015 /
 
Hali! Én személy szerint a bd911-912, és én mindig szilikon szigetelőt használok ahol csak lehet.
(#) KeMa hozzászólása Márc 18, 2015 /
 
Sziasztok!

Tanácsot szeretnék kérni. Videoton RA 6363 S típusú rádiós erősítő szállítást követően elnémult.

Akár a bemenetre adok jelet, akár a rádiót szeretném hallgatni, még egy árva sistergés sem jön ki belőle. A rádió a kivezérlésjelző szerint szépen adón van amúgy. Muting gomb természetesen nincs benyomva.

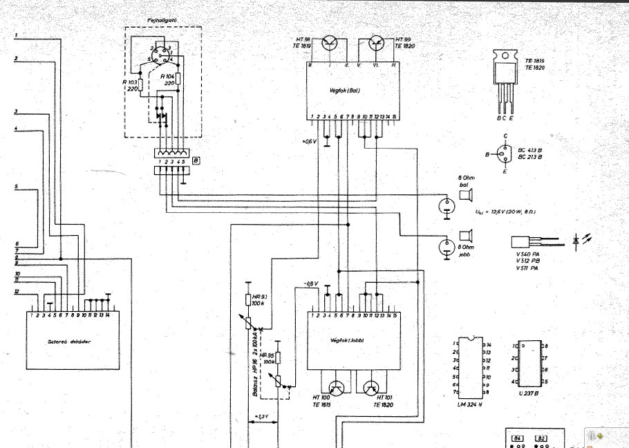
Mivel a fejhallgató kimenetén próbahangszórós teszt szerint van hang, az elő- és végfokot én kizártam. Első körben a fülhallgató csatlakozójának kapcsolóját ellenőriztem, tisztítottam, a problémát sajnos nem oldotta meg. Következő lépésben az előlapi kapcsolók érintős némításának funkciójául szolgáló kék szálat kötöttem le, sajnos ez sem vezetett eredményre. Ettől függetlenül nekem erős a gyanúm, hogy a muting-elektronika környékén lesz a gond. Itt elakadtam. Hiába van előttem a rajz.

Mit javasoltok, merre keressek tovább?

Válaszaitokat előre is köszönöm!
A hozzászólás módosítva: Márc 18, 2015
(#) steelbird válasza KeMa hozzászólására (») Márc 18, 2015 /
 
Hello!
Ha a fejhallgató aljzatból még szól, akkor nem mute áramkör hiba lesz, mert a fejhallgató a végfokról megy.
Nézd meg hogy az aljzat csatlakozójánál az 1 -es és a 2 -es lábakon ott van-e a jel?
A rajzon (talán) B jelű csati az.
Ha onnan még szól, akkor fóliarepedés lesz a csatlakozótól a hangszóró aljzatokig mindkét ágon, ha onnan sem szól, akkor pedig a kapcsoló lesz rossz az aljzatnál.
A hozzászólás módosítva: Márc 18, 2015
(#) KeMa válasza steelbird hozzászólására (») Márc 18, 2015 /
 
Ahh, de hüle vagyok, a fülest is némítja a némító. Okés, nagyon hajnal van még.

Valószínű ott lesz a jel, hiszen a fülhallgató szól. Köszönöm a tanácsot, éreztem, hogy rossz irányban keresgélek. Ha hazaértem, megvizsgálom a fóliát-csatlakozót.
Következő: »»   69 / 124
Bejelentkezés

Belépés

Hirdetés
XDT.hu
Az oldalon sütiket használunk a helyes működéshez. Bővebb információt az adatvédelmi szabályzatban olvashatsz. Megértettem