Fórum témák
» Több friss téma |
Mindenképpen megnézzük! Köszönöm!
Voltak olyan Suzukik, ahol saruk voltak a gyári előkészítésben, de a test nem volt benne, azt külön kellett adni neki. Ennyire emlékszem. A rádiók fenekében (ha gyárilag ISO aljzat van rajtuk), vagy a kábelükön (ha spec csatlakozójuk van és egy kábelük ISO aljzattal) van biztosíték. Ezen a körön előrébb még legalább egy biztosan van a biztosíték táblában. Ezért külön még egyet rakni talán már felesleges.
Elnézést a kései válaszért, de egy tüdőgyulladás eléggé hazavágott. A problémám közben megoldódott! Köszönöm szépen a hozzászólásaitokat, tippjeiteket! Kellemes hétvégét!
Sziasztok! Régóta keresgélek, és hát nem sok sikerrel azzal a kérdéssel fordulok hozzátok hogy van egy Skoda octavia 1.9 tdi satöbbi., és hogy erősítő beszerelés hogyan lehetséges úgy értem tudom hogyan kell csak hogy tudtommal CANBUS rendszer található. Ilyenkor mi a teendő ? (Navi van benn nem valmi egyszerű frankó rádió) sajnos.
Sziasztok!
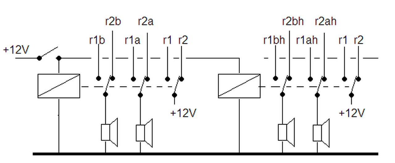
Ket radiot szeretnek bekotni a kocsiba, hogy tudnam atkapcsolni az egyik radiot a masikra (lehetoleg egy kapcsoloval)? 12 vezetekrol van sz. Tudnatok otletet adni ezzel kapcsolatban? Koszonom!
Egy kétállású kapcsoló és egy 5 lábú relé. 1 db biztosíték ház és 1 db biztosíték.
A hozzászólás módosítva: Márc 21, 2015
Hangszórónként számolj egy-egy kétmorzés résszel, 4-nél pl. 2 db nagy pogácsás, 3 áramkörös 2 morzés relé, aztán marad a tápra is 2 kör.
Term. a watt miatt nem mindegy, miket teszel bele. Aztán 1 kapcsolóval kapcsolod be (át..) a két relét. A hozzászólás módosítva: Márc 21, 2015
Rakj még hozzá még ennyi érintkezőt! A mai rádiókban hidalt végfok van, nem testhez képest vannak kötve a hangszórók, mindkét kimenet aktív.
Az már nem az én tésztám... ki tudja, miért írt 12 drótot...
![]() Meghát "2 rádió.." A hozzászólás módosítva: Márc 21, 2015
Inhouse-nak igaza van, csak a hangszóróknak 8 váltóérintkező kell.
A tápfeszültésg átkapcsolás a két rádió közt hogyan működne, melyik tápot tervezted elvenni tőlük? A 30-as pontot, hogy elfelejtse a memóriát, vagy a 15-öst, hogy lekapcsoljon? Ezen kívül az aktív antennát érdemes lenne direkt 12V-al ellátni, mert ugye nem tudjuk előre, hogy éppen mikor melyik rádiót fogja akarni használni a kolléga.
Úgy írtok nekem, mintha halálpontos leírást kaptam volna "két rádióról" és csak hülyeségeket írnék be.
Úgy látszik, ti ismeritek már a két rádió típusát. Gondolom, hogy csak a teljesítmény-tápot kellene kapcsoltatni ( 15 ), a többit nem.. Érdekes módon az előttem szólónak egyiktek se írt be semmit az "egy relés hsz"-re. Nem gondoljátok, hogy ez így nem okés? ![]() Tiétek a pálya, lehet rajzolni az ötleteket.. Forduljatok bizalommal a kérdés felvetőjéhez. A hozzászólás módosítva: Márc 22, 2015
Én követtem el a hibát, elismerem.
Kértem legyen törölve, de sajna nem lett. Én arra gondoltam, hogy a két magnó tápellátását szerette volna a kérdés feltevője kapcsolgatni.
Nem követtél el hibát, csak sokan konkrét ötletadás helyett nem a kérdésre és feltevőjére koncentrálnak.
Kifogásokat pedig könnyű megfogalmazni bármire.. ( nem rád vonatkozik ).4 relé kell és semmi gond a hidalt végfokokkal, a hangszórók másik végével.. A hozzászólás módosítva: Márc 22, 2015
Udv: valaki megtudna mondani esetleg linkelne nekem atalakitot?
Mit kell megmondani? Standard ISO csatlakozó. A sarki fűszeres is árulja...
Sziasztok!
Az lenne a problemam hogy vettem egy autot es nem volt benne radio. Vettem egy Sony cdx 3000 uv-t A csatlakozasa ugy nez ki hogy egy stecker megy a magnoba es az kette agazik. Egyik felen piros sarga fekete es kek feher. Ezek a kapcsolt feszultseg a folyamatos a test es a remote. Az elozo tulaj annyit tudott segiteni hogy az autobol kilogo sarga zold pottyos vezetek a test a lila pedig a folyamatos amit a sargara kell kotni a magnon. Annyit sikerult elerni hogy mikor ossze erintem akkor elkezd olyan hangot adni mintha a cd-t akarna kiadni de a kijelzo nem mutat semmit es nem lehet bekapcsolni. Tudnatok segiteni hogy mi marad ki mit kene keresnem vagy mi lehet a gond? Remelem az ekezetek hianya ellenere is ertheto volt ![]() Elore is koszonom. Udv Attila
A pirosat is bekötötted?
Azt nem meg.
Oda meg kene talalni a gyujtasos 12 voltot akkor es kesz is? Delutan atnezem a biztiket is.
Meg annyi lenne a kerdesem ha esetleg a folyamatos 12 v kotom sargara es pirosra is akkor is mukodnie kellene nem?
Csak ha ugyhagyom konnyen lemerulhet az akksi ![]() Elore is koszi
Próbából rákötheted a sárgára, de állandó bekötésnél érdemes a kapcsolt vezetékre kötni a pirosat.
Mivel fingom nincs milyen kell az 1001 falytabol igy gondoltam valaki megtudja mondani pontosan.. Eletembe nem lattam meg ilyet ezert kertemsegitseget..
Rendben köszönöm.
Nekem sincs. Főleg, mivel tipust mostanáig sem írtál. Csak annyi valószínű, hogy nagyapáink idejéből maradt a második postban mutatott szerkezet. Esetleg egy valamikori autó gyári rádiója...
Azon kivul hogy ha feledekenysegbol bekapcsolva hagyom a magnot es lemeriti az akksit lehetas problema belole?
Ujabb gondom akadt
![]() A magno most mar mukodik de a hangszorokat hiaba kotom ra nem szolnak
Biztos vagy benne, hogy mely vezetékpárokhoz mely hangszórók tartoznak?
Igen biztos voltam benne csak azt nem tudtam hogy az elozo tulaj lekototte a hangszorokrol
![]() Volt szentsegeles ![]() Nagyon szepen koszonom a segitseget mindenkinek. Most mar mukodik minden
Sziasztok
Egy peeKTON PKM950 típusú fejegységgel van gondom. A kocsinak ISO csatlakozója van, de sajnos nincs átalakítóm. Tudja-e valaki a fejegység kimeneti lábkiosztását, mert ha másképp nem megy, akkor forrasztanám a szálakat. Előre is köszönöm. A hozzászólás módosítva: Ápr 4, 2015
|
Bejelentkezés
Hirdetés |











