Fórum témák
» Több friss téma |
Fórum » Autós erősítős kérdések, problémák
Témaindító: Thomas10100, idő: Dec 28, 2005
Témakörök:
A mi lapszabászatunkban szokott lenni egy sarok, ahol a maradék/hulladék lapdarabok vannak, általában találni hasznos dolgokat. Ami nálatok van, ott eltüzelik?
![]() Egyébként elég durva lesz 30cm-es hangszóró az ajtókba...
Sziasztok!
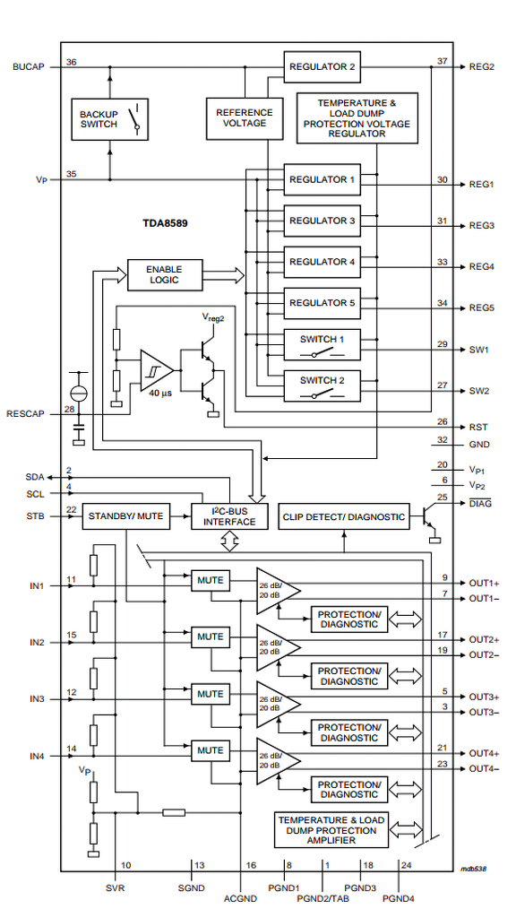
Segítséget szeretnék kérni, van egy SONY CDX-GT111 típusú fejegységem amiről szeretnék meghajtani egy erősítőt ami egy diszkrét mélynyomót fog meghajtani. (Természetesen egy korrekt előfokon és szűrőáramkörön keresztül) A probléma az hogy a fejegység nem rendelkezik LINE OUT csatlakozással és a hangszóró kimenetek földfüggetlenek, ha bármelyik földre ér a vezérlés letiltja a csatornát. Szeretném ha mind a 4 csatorna működne így sajnos az erősítő magas bemenete nem jó megoldás. A probléma megoldását abban látom hogy a fejegység végfok IC-jének (TDA8589) jelbemenetét kivezetem 2db RCA csatlakozóra és arra kötöm rá az előfok nagy impedanciás bemenetét. Jó megoldás lehet ez ebben a formában? Mik a buktatói? Előre is köszönöm a segítséget!
Őt már átnèztem ès számora annyi derült ki, hogy a hangerő szabályzó ès bemenet választó kimenő lábai egyből a vègfok bemenetekre vannak kötva. Ebből gondoltam hogy elmèletileg működhet. De fogalmam sincs gyárilag hogy szokás megolfani.
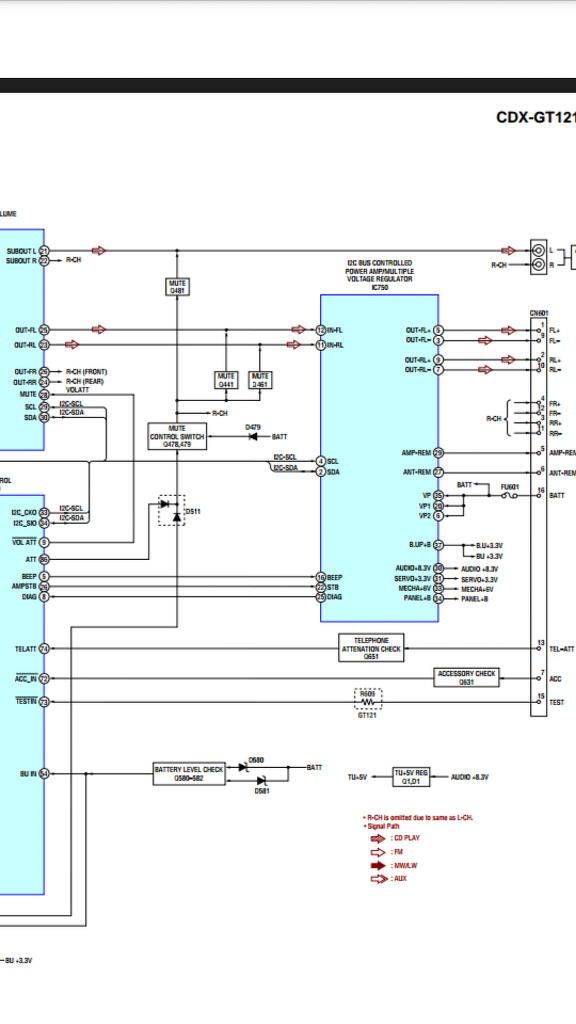
Megtaláltam a megoldást megnèztem egy az enyèmmel szinte azonos fejegysèg service manualját (CDX-GT121) ès ennek pontosan úgy èpül fel a LINE OUT kimenete ahogy èn szerettem volna elkèszíteni.
Nalátod akkor hajrá!
A 300mm darabból természetesen kivágnám a megfelelő alakot
. Elég egyedi lenne az autó 30cm mélynyomóval elől, ráadásul sztereóban két oldalról Az itteni bútorlapszabászatban nem szoktak rendelni rétegelt lemezt mert senkinek sem kell az ára miatt. Nincs nekik így maradék sem.
Köszi a segítséget.
Lekötöttem a végfokokat és valóban nincs baja a tápnak . Most megnézem a tranzisztorokat. Remélem hamar meglesz hogy mi a gondja
Az összes végfok rossz? Nézd meg egyesével is. Ha fetes, akkor figyelj a mérésre (panelon kívül mérd a feteket is) mert másképpen kell kimérni a feteket. Elnézésed, ha tudtad ezt, nem kioktatásnak szántam. Sikeres javítást!
Tranzisztoros a végfok.
Végigmértem mindet. Csak egy ment ki.
Ahol volt a hiba, javaslom a többi végfok tranyó cseréjét is.
Idézet: Láttam már ilyet! „Elég egyedi lenne az autó 30cm mélynyomóval elől, ráadásul sztereóban két oldalról”
sziasztok! Van 1 Hifonics cronos autós erősítőm (monoblock) adtam neki + , - remotot is, rákötöttem egy mélysugárzót és halkan visít,sípol mi lehet a probléma? rca kábel nincs rádugva
Üdvözlök mindenki egy kis segítségre lenne szükségem!
Van ez a drága jó autós erősítőm aminek az a baja ,hogy nem szól . TÁP. Oké. De a bemeneti jel már nem érkezik meg a végfokhoz.Méréseim alapján diódák lehetnek a hibásak,de nem találok ilyen tipust :RD7R5jSB1.Segítséget szeretnék kérni tőletek javításában.Pioneer gm4200. Köszönöm előre is.
Diódák nem szoktak lenni a jelútban, de a rajza alapján végig tudod követni.
Sajnos ic-t nem tudom,hogy kell mérni mert rca az ic-k be megy be és onnan elveszítem a fonalat. Diódára valami megoldás milyennel helyettesitsem.
Sziasztok van egy sal wrc 500 három csatornás erősítőm.
Kiment az egyik bizti ami a mélynyomót hajtja. Rendesen működik a másik 2 csatorna rendesen be is kapcsol az erősítő piros led és utána át vált zöldre csak a sub csatornán nem jön jel. 4 csatorna van benne ahogy nézem ebből 2 hídba kötve, irf540n fetek vannak benne. Szerintetek a végtranyó szált el vagy van külön táprésze annak a csatornának és azért nem szól ? Bocsánat ha valamit bután fogalmaztam. A hozzászólás módosítva: Okt 31, 2015
Heló!
Ha a vég fettek,szálltak volna el az zárlat,és akkor nem váltana zöldre a led. Nekem is volt már ez a gond még régen,és a bemeneti giant szabályzó potival volt gond,mivel sztereó,és meg szakadt az egyik pálya,és így természetesen nem ment a hidalt oldala. Vagy a sub kapcsoló nem e kontaktos. Remélem tudtam segíteni.
Erre nem is gondoltam köszi az infót neki is állok,hogy megkeressem a hibát.
Szia megnéztem a potit az jónak tűnt és mivel volt benne még egy ugyanolyan felcseréltem őket és akkor se ment.A kapcsolók is rendben voltak. Ekkor azt gondoltam 1000 forintot még megér,hogy kicseréljem a feteket és láss csodát működik
![]() Még egyszer köszönöm a hasznos infókat.
Sziasztok!
Még szeptember elején kérdezgettem egy Phase Evolution CC280 típusú erősítővel kapcsolatban. Műszerész munkatársamnak megmutattam. Szisztematikusan elkezdte átvizsgálni és arra jutott, hogy az előfokban van egy sávszűrő, mely fémházas potméterekkel van szerelve. Ez a párásabb csomagtartótér miatt (nincs garázs, stb.) galvánelemet képezett a forrasszal és zárlatos lett. Ez okozta a problémát. Kissé feljebb kellett emelni, így már működött is az erősítő. Ötleteket, segítséget köszönöm mindenkinek és ez a probléma a megoldással remélem másnak is hasznos lesz. Üdv
Sziasztok van egy pioneer gm-x404 4 csatornás erősítőm és az vele a problémám,hogy bekötöm rendesen bekapcsolom a magnót és nem csinál semmit.
Rácsapok egyet akkor bekapcsol és működik rendesen egy darabig,utána megint egy ütés és megint működik. Nyákon törést vagy szakadást nem találtam. Viszont a nyák táp bemeneti résznél + - fel volt égve a negatív 2 centin ami át van benne hidalva. Szerintetek kontakt hiba vagy ki lehet olvadva valaminek a lába ? Segítségeteket előre is köszönöm.
Egyértelműen kontakt hiba. Keress repedt forrasztást/fóliát. Nem lesz egyszerű. Olyan is lehet, hogy egy-egy nagyobbacska alkatrésznél körben elrepedt a forrasztás a lába körül.
Sziasztok. Kocsiba az erositom össze szedi a zavarokat. Mit tudnák kezdeni vele hogy ne sipoljon?
Szia! Szüntesd meg a földhurkot! Nem beszéltünk már erről?
De. De minden ugy van ahogy beszéltük. A tapok stb
Húzd ki az RCA csatlakozót az erősítőből és ellenőrizd az aljzat test pontja hibátlanul szigetelt-e a járműtesttől!
Szia Inhouse igazad volt tele volt elvált forrasztásokkal
orvosoltam most már jó ![]() Beringer 600 igazad volt a poti volt a rossz még egyszer köszönöm mindkettőtöknek A hozzászólás módosítva: Dec 8, 2015
Sziasztok lenne még egy problémám a wrc 500-al.
Akksi új, táp kábel 10 mm2, hangszórók jók, rca kábel új, Bekacsolásnál volt,hogy 30 másodperc után váltott át pirosról zöldre a led. Nagyobb mély hangoknál bereccsen bepattog a hang. Biztos,hogy az erősítővel van a gond mert másik erősítővel nincs ez a jelenség. Minden kondi cserélve lett. A bekapcsolási probléma megszűnt de a recsegés megmaradt. Táprészénél a 4 db 1000 mf is a függőleges tekercs mellett de a 2 db 2200 mf azt még nem cseréltem ki. Remélem tudtok valamit mondani erre a jelenségre. KÉP |
Bejelentkezés
Hirdetés |















