Fórum témák
» Több friss téma |
Fórum » Időzítő
Témaindító: Mekkmester, idő: Dec 25, 2005
Témakörök:
Általában ilyen dobozokat használok, ha kisebb dolgokat építek. Doboz Van amikor a sima változatát veszem, azon nincs gumi tömbszelence. Olcsóak, vízállóak, könnyű megmunkálni is szóval tökéletesek a célnak. Szoktam fémházakat is készíteni, de azt inkább "drágább" dolgokhoz, vagy ha a feladat azt megköveteli.
Én ha kérdezek valamit, vagy segítséget kérek akkor azt azért teszem mert szükségem van rá, nem pedig unaloműzésből teszem. Sok témában benne vagyok, de mindegyik okkal van, nem azért mert ráérek. Most ez az időzítő volt sürgős, így ezt készítettem el hamarabb, bár kismillió félkész áramkör van, amit be kell fejeznem. Példának okáért ott van az akkutöltős téma, ott is rajta vagyok. Hiába nem vagyok most aktív, de az is folyamatba van. Készül a ház, keresem a trafót hozzá... de elkészítem azt is, csak szeretek tisztán látni, mielőtt nekiszaladnék akárminek is, ha nem vagyok magamba biztos. Egyszóval, bármiben is érdeklődök, előbb utóbb kész dolgok lesznek belőle, csak az időhiány miatt, nem tudom azonnal megcsinálni. Mégegyszer Köszönök mindent! Most kijavítottam gyorsan amiket beszéltünk és felteszem, hogy ha valakinek ilyenre van szüksége, akkor feketén-fehéren itt van minden hozzá. Én a saját értékeimre módosítottam az alkatrészeket, mivel én ezt építettem meg, de nyílván módosíthatóak sokféle tartományban. Az időintervallumok a saját megépített áramköröm mért értékei, így ezek eltérhetnek egymástól. (10-ből 10-szer pontos volt a mérés!) A hozzászólás módosítva: Nov 24, 2014
Igen az C4 az R7+R5 -ön keresztül töltődik. A kapcsolási időt ezek időállandója, a tápfesz és a Fet küszöbfeszültségének aránya adja. Vagy is 12V táfesz mellett és kb. 3,5V küszöbfeszültség esetén az idő T=C4*(R7+R5)*0.33 körül alakul.
Alapvetően működhet, de én az 555 működését a Reset láb lehúzásával kapcsolnám ki. (Igaz akkor fogyaszt a két IC, de nem tudom az számít-e.) Ellenállás pedig nem kell, maximum akkor ha a kondit szeretnéd kikapcsolt állapotban kisütve tartani. De akkor a kapcsolót kell máshogy bekötni. Egyébként ha ilyen plusz elvárások vannak, máshogy (más IC-vel) alakítottam volna ki a kapcsolást. Mert így nem igazán jó valamit tervezni, hogy "egyszerű legyen" aztán ez is kellene meg az is kellene. Így biztos hogy nem a legcélszerűbb áramkör jön ki belőle a végén.
Csak még egy infó. Ha a CD4060 teljes időzítését kihasználtad volna (Q14 3-as láb) akkor az időzítő kondik negyed ekkorák lehettek volna. Avagy a nF tartományba esnének és így fólia kondival pontosabb időzítést lehet elérni, mint elkóval.
Ez most jutott az eszembe amikor kijavítottam a rajzot, de már nem is mertem megemlíteni. Ez már így veszett, bent van a helyén és szépen ketyeg. Mindig lehet finomítani a dolgokon és lesz is, hiszen mindig jobbat szeretnénk. A kondik amúgy tantálok, mert azok jobbak ilyenre.
Üdvözlet a mestereknek!
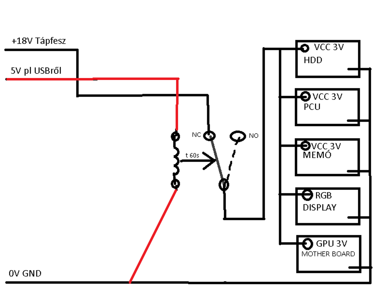
Egy olyan áramkörre lenne szükségem, ami 60 másodperc után behúz 1db mini NO-NC relét, és 5V ról működik. Fontos hogy legyen benne egy led, ami 5 másodpercenként felvillan. Az elképzelés a következő. Adott egy laptop amiben bőven van hely egy mini SMD áramkörnek. Mivel a BIOS nem tartalmaz HDD kódot, és nincs BIOS frissítés a géphez, ezért arra gondoltam, hogy csinálok egy áramkört, ami ha aktivizálódik 1 perc után kisüti a teljes gépet. A kapcsoló mechanizmus maradjon titokban a lényeg, ha megszakad a PIROS vezeték, vagy átkapcsol egy mini kapcsoló, az áramkör bekapcsol és az időzítő, és 60 sec után ráküldi a tápot a Procira, Memóriára, Kijelzőre, és a Merevlemezre. Ezeknek a 3V voltos kapcsait vettem célba, jó ez,vagy keressek más csati pontokat? A led azért kell hogy figyelmeztessen, hogy az áramkör bindult, és ÉN még időben ki tudjam venni a tápot, meg az aksit, más meg úgysem fog rá gyanakodni, mert a LED szine narancs színű lesz. A dolognak az az elmélete, hogy ne tudjanak hozzáférni az adataimhoz, és ha kiveszik a BIOS elemet, mert ugye van egy BIOS kodóm, akkor fog megszakadni a Piros vezeték, és kezdődni a móka. Azon gondolkodtam hogy rövidre zárjam e még az aksit is... de lehet hogy azt felesleges. A lényeg az lenne, ha el is lopják a gépet ne tudják eladni alkatrésznek, sem használni azt. Nem akarok kulcsos megoldást, sem kártyást, sem USB vackolást. Azért választottam ezt, mert erről az áramkörről nem kell tudnia senkinek, és csak akkor fog működni, ha valaki kiveszi a BIOS elemet, hogy resetelje a BIOS jelszót.
Hello! Ez vicc, játék, vagy nincs egy kis üldözési mániád véletlenül? Mert én ezt egymásközt szólva, elég nagy marhaságnak tartom.
De legyen kívánságod szerint..
Nos tudod mester, az elég nagy marhaságokból lesznek a JÓ ötletek.
Csak ilyenkor merül fel az a kérdés, mi van, ha lemerül a bios elem és nem vagy otthon? Volt gép nincs gép
(Szakadnék a röhögéstől, ha bekövetkezne! ) Az meg, hogy kiveszed az elemet, és resetelődik egy beállított bios jelszó... Leenovokba erre külön ic volt, és azt nem lehetett olyan könnyen unlocklni. Na meg, gondolom nem a nasa titkokat őrzöd rajta... Ha meg ilyen feltalálási és aztán eladom jópénzért az ötlet, nehogy azt hidd, hogy nem alkalmaznak ilyeneket, bizonyos helyeken... Sima cuccokba meg tök felesleges beépíteni. Amúgy is, bios resethez kiveszik az aksit, ergo a bios elemen kívűl a gépbe semmi áramforrás nem marad.
Tárold titkosítva az adataid és kész.
Kaparol83 Mester, én a régi adataimat már titkosítás nélkül sem tudom visszaolvasni régi gépről így idegenek számára is teljesen hozzáférhetetlenek...
Szerencsére nem NASA ügynök vagyok A hozzászólás módosítva: Nov 26, 2014
Sziasztok!
Szeretnék építeni egy "ring órát", aminek az lenne a lényege, hogy box v. egyéb küzdősport edzéseken, ahol menetek vannak pihenőidőkkel, ne kelljen az órát sasolni valakinek állandóan. A minimális követelmény az lenne, hogy egy készülék hangjelzést adjon az elindítása után a menetek elején és végén (3perc menet/1perc pihenőidő) mindaddig ameddig le nem állítják. Konfortosabb kivitelnél persze más a hang a menet elején és a végén, jelezheti a menetek félidejét, valamint a menet és a pihenőidő vége előtt 10mp-el figyelmeztethet. Fullextrásan pedig jó nagy világító kijelzőn számlálhatná is visszafelé a menetidőt, valamint növekvő sorrendben a menetszámot, stb.. Csinált e már valaki hasonlót? A segítséget előre is köszönöm!
Sziasztok,
cd 4060 IC-vel van némi problémám. 4V és 1 V között alakul a kimeneti feszültség. Normál esetben nem 4V és 0V között kellene lennie a kimeneti feszültségeknek? Mi lehet a gond, mivel 3 külömböző ic-nél is ezeket a feszültségeket mértem ki.
Szia,
A válasz abban rejlik, hogy ezek a cmos áramkörök logikai szint specifikációja szerint a megengedett szintek: H szint min. = nagyobb mint Utáp*2/3 H szint max = ~Utáp L szint min. = ~GND L szint max. = kisebb mint Utáp*1/3 Remélem segített.
Hello!
Nem írtad, mekkora a tápfesz, és mi terheli a 4060 kimenetét, és melyik kimenet az. Így válaszolni sem igazán lehet. Az IC kimenti szintjei megegyezik a tápfesszel. De csak ha terheletlen, feltéve ha nem csapod be magad, mert pld. egy gyorsan változó kimenetet mérsz. Ahol esetleg az impulzusok átlagértékét méred a műszerrel.
Szia proli007!
Lenne egy olyan kérdésem, hogy ennél a kapcsolásnál ha a holt időt szeretném egy led-el vissza jeleztetni, akkor azt hogy tudom megoldani, vagyis hová kellene bekötnöm?
Hello! Köss egy Led-et 2,2kohm-on keresztül a Q5 kimenetre, és villogni fog az időzítés alatt.
Sziasztok
Segítséget szeretnék kérni, viszonylag kezdő szinten vagyok, nagy lelkesedéssel. Kísérleteztem órajel előállítással, 4060-as ic-vel. A kérdésem az lenne hogy, a kapcsolásban látható 10 Mohm-os elenállás értéke más kvarcoknál hogy változik, illetve pontosan mi a feladata? Válaszokat előre is köszönöm: Roli
Hello! Meg kell nézni a 4060 belső felépítését. Azt látni, hogy két inverter áramkör van a bemenetén. Az ellenállás negatív visszacsatolást hoz létre az inverter ki és bemenete között, így az inverterből egy analóg erősítő fokozat lesz. Mert a kvarc berezgetéséhez egy erősítőre van szükség.
Az ellenállás értéke azért ilyen nagy, mert az alacsony frekvenciás kvarcok pld. 32768Hz impedanciája meglehetősen magas. Ha kisebb lenne terhelné a kvarcot. Nagyobb frekvenciájú kvarcok mérete nagyobb, impedanciája kisebb, így kisebb értékű ellenállással is berezgethető. Néha soros ellenállás is kell, és két kondi a kvarc két végére, mert frekvencia értéke ezzel a soros kapacitással lesz megfelelően stabil. Soros pedig sokszor azért kell, hogy a kvarc frekvenciája legyen a meghatározó. Mert ha erős a visszacsatolás, akkor torz a szinuszos jel, ami tulajdonképpen felharmonikusokat jelent és képes az oszcillátor azon rezegni, nem a kvarc frekvenciáján.. Szóval néha kísérletezni kell a megfelelő és stabil eredményért. (Mikrokontrollernél sem véletlenül kapcsolják át az oszcillátor fokozatot, az alacsony és magas frekvenciájú kvarcok használata esetén.)
Köszönöm a választ,
Továbbá olyan kérdésem van, hogy (próbapanelem kísérleteztem), és a 10 Mohm-os ellenállást, 1 Mohm-os trimmer pótméterre cserélve, gyakorlatilag 0 Ohm-os ellenállással is ugyanúgy rezgett a kristály. ilyenkor az ellenállás elhagyható? Valamint a trimmer kondenzátor gyakorlatilag helyettesíthető egy 10-15 pF-os kondenzátorral (sajnos nem tudom mekkora a szabvány.
Azt te csak gondolod, hogy ugyan úgy rezgett. Mérted is a frekvenciát? Mert aligha hiszem..
Várhatóan csak vadrezgéssel gerjedt az IC. A próbapanel egyébként sem túl jó erre a célra, mert ott a lábak között tetemes kapacitás van. (Már ha a "dugdosós" panelre gondolsz.) De sem a frekvenciát, sem a kapcsolást nem írtad, mivel kísérleteztél. Trimmer azért van, hogy pontosítják vele a frekvenciát. Nincs "szabvány", általában a kavicsot 30pF soros rezonanciával készítik. De itt már a szórt kapacitások is számítanak. Előfordulhat, hogy 10..20pF kondi akkor is van, ha nem is látod. De "cd4060 quartz oscillator circuit" ezt beírva a kugliba, tanulmányozhatod ki hogy oldotta meg. A hozzászólás módosítva: Feb 13, 2015
Kicsivel előbb írtam, a kapcsolás ez lenne: 4060
de a Q14 (3-as láb)-on ugyan úgy 200 hz-t frekvenciát mértem 10 MOhm-os ellenállás, mint trimmer potival lenullázva. Sajnos oszcsilloszkópom nincs, így nem tudom pontosan megvizsgálni hogy, hogyaan is működik az ellenállás változása.
Akkor valamit elnéztél, mert rövidzár esetén nem működhet a kvarc..
de akkor véglegesítve a kérdésem, a trimmer kondenzátor-t kicserélhetem 15pF-os kondenzátorra, feltéve, ha ezzel az értékkel megfelel nekem a pontosság? (csupán költséghatékonyság szempontjából)
A válasz fejlécében van egy "Válasz" gomb, használd azt, mert nem tudni kinek válaszolsz, hova tartozik amit írsz.
Van egy motorkerékpárom, aminek a meghajtóláncát olajcsöpögtetéses technológiával szeretném felszerelni. Mechanikusan meg van oldva a probléma, ám az időzítés hogy mikor csöppenjen, csak macerásan oldható meg. Beszereztem egy robogó elektromos olajpumpáját, amit a robogó vezérlése irányít és a feltételek esetén pumpál egy csepp olajat az üzemanyaghoz. Szeretném megoldani hogy ez a szerkezet adagolja az olajat. Tapasztalásom szerinti működése: kb fél másodpercre kap egy impulzust akkor pumpál egyet.
Általam könnyen beállítható módon szeretnék impulzus jelet adni,(pl: forgatógomb kijelzővel) 20mp-től 3 percig levő időtartományban illetve az impulzus idejét is jó lenne beállítani (0 és max 1 mp között), mivel a pumpa gondolom nem szereti ha túl sokáig van áram alatt. Fogyasztása nem jelentős, mondjuk legyen max 1 A.(de ha több majd relézem). Előnybe részesíteném a komplex egységeket, kész paneleket, lévén hogy a panelra forrasztott apró alkatrészekkel már nehezen tudok elbánni. Áramellátás: motorkerékpár 12 V illetve a töltőfeszültség. Köszönöm segítségetek ! A hozzászólás módosítva: Ápr 2, 2015
Köszönöm a moderátornak a helyreigazítást.
A hozzászólás módosítva: Ápr 2, 2015
Hello! Nem tudom mire gondoltál, ez egy hobbi topik. Legfeljebb egy kapcsolással tudom megtámogatni a projektet..
|
Bejelentkezés
Hirdetés |








De legyen kívánságod szerint..
(Szakadnék a röhögéstől, ha bekövetkezne!







