Fórum témák
» Több friss téma |
Fórum » Triak működése
Témaindító: Bártfai Ferenc, idő: Nov 9, 2007
Témakörök:
Felesleges, annyira nem egy precíz szerkezet a dimmer.
Végül is a véletlenre is rá lehet bízni a gyújtási pontokat.
Nem... a triak null átmenetnél fog bekapcsolni és kikapcsolni a nullátmenetes optotriak miatt. Viszont az előfordulhat, hogy a PWM jel hamatabb bekapcsolja pár ms-al az optotriak LED-jét, de attól csak a következő nullátmenetnél fog bekapcsolni a "lámpa".
AC - PWM Bővebben: Link Azzal kiegészíteném, hogy villogni fog mint állat, tehát lámpához dimmernek mégsem jó ![]() De itt van hozzá AVR-es C program is: Bővebben: Link A hozzászólás módosítva: Máj 14, 2014
http://arduinodiy.wordpress.com/2012/10/19/dimmer-arduino/
És ez? Van esetleg olyan kapcsolásod amit ki is próbáltál, és jó lenne a célra? Megnézném. Megköszönném. A hozzászólás módosítva: Máj 14, 2014
Ott a link eggyel fentebb. Az első két oldal kb erről is szól.
A hozzászólás módosítva: Máj 14, 2014
Én a kapcsolási rajzot, vagy esetleg NYÁKtervet kerestem, de azt nem találom az említett linken, vagy csukott szemmel nézem.
A hozzászólás módosítva: Máj 14, 2014
Ott lesz az is, csak olvass vissza egy kicsit.
Zoltán a forrasztóállomásos cikkedben keressem? Már lehet, hogy fáradt vagyok, de még keresgélem. Köszi. Majd meglesz gondolom.
Szia! Szerintem, megtaláltam de az nekem lehet, hogy nem jó. Egy egyszerűbbre gondoltam. 2 db Opto, egy Triak és egy kis AVR es progi. Arduinocskám az van Duemilanove. Vagy külön NYÁKot építenék az Atmega 328 nak. Sajnos programozásból nem állok a helyzet magaslatán. Fórumtársak szoktak segíteni.
A hozzászólás módosítva: Máj 15, 2014
Sziasztok lenne egy olyan kérdésem, hogy egy BTB16-600 tipusu triak elbir-e 5.5-6 KW-ot ? Adatlapon 16A/600V van ez nekem 220V is 16A -ig terhelhető , vagy ahogy csökken a feszültség terhelhetem több árammal is? Egy instant vízmelegítőt szeretnék vele szabályozni, hogy kapcsoljon ki egy adott hőmérséklet elérésekor, majd vissza egy lecsökkent hőmérsékletnél, lényegébe tusolásra használom és elég macera mindig a vizet engedni meg zárni ha tul melegedik vagy ha epp nem győzi melegiteni. egy ablakkkomparátorral gondoltam hogy vezérelném egyenlőre, majd később lehet gyártok hozzá egy PIC -es megoldást, ha működöképes a dolog. Igazábol a triak teljesítménye azért lenne nekem fontos mert most épp ez van kéznél.
Üdv. Szabi
A 16 amper határáram és az is csak 80° tokhőmérsékletig....
Több árammal sehogysem terhelheted. Nézd meg az adatlapját is. BTB41-600 kellene. A hozzászólás módosítva: Jan 22, 2015
Köszi a választ, akkor rendelek egy BTB41-et, találtam is az egyik oldalon.
Űdv.
Sziasztok.
Szertintetek használhatok egy IRFZ44N helyett egy BT 136-600E triakot? A FET egy tekercset kapcsolgat 20kHz-el. Vagy esetleg IGBT-t lenne érdemes használni?
A triac oda nem oké, mert mivel kapcsolod ki? Furcsa ötlet...
Miért kellene IGBT? Miféle tekercset kapcsol, feszültség, áram... ? A fet típusból ítélve ( 55V ) IGBT nem oké. IRF3205 kell pl., ha egy kapcsolásban cseréled.. Új konstrukcióban már több adat vagy rajz is kell. A hozzászólás módosítva: Jan 23, 2015
Egy légmagos trafónak a primer tekercsét kapcsolgatja, IGBT-re azért gondoltam, hogy kevésbé pofázik vissza a hálózatba, mint pl a frekiváltókba. 12V feszültséget kapcsolgat viszont áramot nem mértem, de egy kb 10 négyzetcentiméteres hűtőborda elég szépen melegett.
Nem semmi.... 20 kHz egy légmagos trafónak????????? Még ha 200 kHz lenne...
![]() Majdnem rövidzárra kapcsolgatsz... valszín a tekercsed ohm-os ellenállása akadályozza meg, hogy füst legyen. Megmérnéd, mekkora a tekercsed L értéke? Persze, hogy elég szépen melegszik a borda... áramot pedig kell mérni általában, főleg kritikus esetekben. IGBT azért nem jó, mert a szaturációs fesz nagy. PD = Uce * IC nagy veszteség lenne ilyen kis táppal, a hatásfok ezért kicsi.. a visszapofázás (?) meg ettől független, nem is tudom, hogyan érted. Valamit keversz. Jobban tennéd, ha a kapcsolást is megmutatnád, értékekkel. Egy sima beírásra érdemben nem lehet válaszolni. A hozzászólás módosítva: Jan 24, 2015
A hobbielektronikás propeller óra álló tekercsét kapcsolgattama FET-tel:
Bővebben: Link 20kHz 70%os kitöltési tényező, sajnos a tekercs induktivitását csak héfőn tudom megmérni. De számításaim alapján 2,7mHenrys. Ha jól emékszek akkor 700-800mA-ert vett fel a tápegységből.
Úgy már más, ha 2.7 mH...
Annyi melegedés jogos.
Majd egy nagyobb áramú illetve nagyobb hűtőbordával ellátot fet fog kerülni a helyére.
Segítségetek szeretném kérni! Triakkal 220V-os relé kapcsolnék. A gate vezérlése pic-el történik. Néha "prelleg" a relé, de kb. 10 alkalomból 8 szor rendesen működik. Van esetleg valakinek jó tippje, mi lehet a gond?
Szia!
Mutass kapcsolási rajzot, olyat, ami azonos a megépített áramkörrel.
Mi a triak és a relé típusa? Hogyan vezérled a triakot; melyik negyedben milyen széles gyújtójellel, mekkora árammal? Feltételezem, hogy a "prelleg"-és azt jelenti, hogy nem kapcsol be rögtön, hanem néhány prellezés után. Ez a triak bekapcsolási bizonytalansága miatt lehet. Sok minden okozhatja, keskeny gyújtóáram, magas a triak tartóárama a relé áramához képest, a terhelés túl nagy induktivitása stb.
Válaszd szét a két dolgot.
Adj a triacnak ( az optónak ) dc-ről egy mikrokapcsolóval gyújtójelet és mit csinál a relével. Ezt próbáld meg 20-30x egymás után, 3 sec húzás, 2 sec szünet.. Ha nincs prell, stb., akkor a pic-es vezérlés nem tökéletes. Az pedig nem lenne rossz, ha a konkrét kapcsolást feltennéd a pic-rész nélkül.. Lehet, hogy a kapcsolásod nem a legjobb. A hozzászólás módosítva: Máj 14, 2015
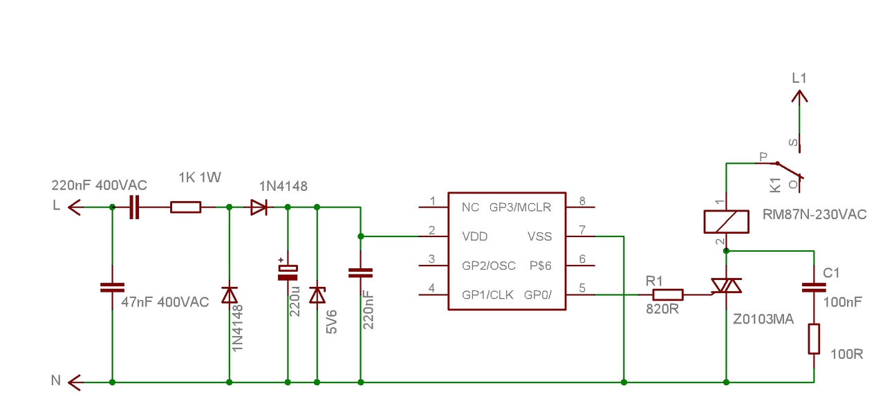
A kapcsolás ettől lényegesen bonyolultabb
Egyébként tökéletesen működik izzóval, ventilátorral. Csak gondoltam, hogy relésre átalakítva függetleníthető a hálózattól... A hozzászólás módosítva: Máj 14, 2015
Elhiszem, hogy a kapcsolás bonyolult, de csak a gate-rész az érdekes..
Direktbe mész a gate-re? Nem semmi.. - egy nullátmenetes opto-triaccal jobb lenne gyújtani.. pl. MOC3062 ...és annyi mA-t adni neki, amit az adatlapja megenged.
Köszi a tippet. Meglévő kapcsolásról van szó és reméltem, hogy "megúszható" nagyobb átalakítás nélkül.
Csatoltam egy bővített rajzot. A hozzászólás módosítva: Máj 14, 2015
Jó, a bal oldal nem érdekes ebből a szempontból, de azt a tápot sosem alkalmaztam... nem biztonságos..
- ha felcseréled véletlenül vhol a fázist és a nullát, annyi lesz neked.A MOC diódáját rátenném az 5-ös lábra a megfelelő soros ellenállással és az N jelű vezetékre, a másik fele pedig az adatlapján ábrázolt módon gyújtaná a triacot. Hangsúlyozom: az a táp..... - biztos nemcsak nekem nem fog tetszeni.. és 4148-cal? Akkor már 1N4007.. A hozzászólás módosítva: Máj 14, 2015
Eddig a táppal nem volt semmi probléma, az áramkör megfelelően működött a fenti eszközök használatával. (természetesen minden biztonsági szabály betartásával) Ha nincs jobb megoldás, akkor az általad javasoltak szerint kell eljárnom! Köszönöm! A gond még annyi, hogy a kapcsolás tápja, ebben a formában mérsékelten terhelhető.
A hozzászólás módosítva: Máj 14, 2015
|
Bejelentkezés
Hirdetés |





Egyébként tökéletesen működik izzóval, ventilátorral. Csak gondoltam, hogy relésre átalakítva függetleníthető a hálózattól... 
Csatoltam egy bővített rajzot. 



