Fórum témák
» Több friss téma |
Fórum » Skoda Octavia elektromos probléma
Köszi.
A műszerfal jelzi a hibát,ami néha megjavul,néha előjön de mostanában már majdnem állandósult. Csak a két kis izzóval van a gáz.
Szia! Köszönöm a múlt hónap elején adott ötleteket. Sikerült rendbe tenni az alapjárati rángást. Hál istennek nem a szervojeladó volt a hibás, hanem egy nagyon egyszerű dolog miatt volt probléma. Mégpedig a EGR szelep nem volt a helyén, pontosabban a két tőcsavaron "libmbó-hintózott".
Elszaladtam a szerelőhöz, aki cserélte, de adta a hülyét. Valószínű, hogy nem csavarozta vissza, mert nekem is, kb 3/4 órámba telt, mire helyére tettem és ráraktam a csavarokat. És a tőcsavarok igencsak felületi rozsdásaok voltak. Mégegyszer köszönöm a segítséget és a tanácsokat.
Sziasztok!
2002-es Skoda Octavia 1.6i-ről lenne szó. Kigyulladt az EPC a kijelzőn. Kiolvastam, P1660, P1662 kódokat dobta ki hibának. Valami hűtőventilátor hiba, pedig nemrég lett cserélve a régi, mert zárlatos volt. Aztán egy ideig eltűnt a hiba, ment is a hűtőventilátor, majd megint visszajött, megint eltűnt, megint visszajött. Mosz megint van világító EPC, megint nem megy a hűtőventi, és érdekes dolgot vettem észre. Menet közben a vízfok nem mozdul, de ha megállok (pl. sorompónál) akkor szépen lassan felkúszik 90 fok körülre. majd menet közben visszamegy alap 50, vagy max. 60 fokra a mutató szerint. Vajon mit kell majd cserélnem? A
Szia! Egy motorkódot írjál már légyszíves, hogy konkrétabb legyen a dolog. Valószínű, hogy a termosztát meg lett főzve az előző alkalommal amikor a ventillátor rossz volt. Ezt nem árt mihamarabb kicserélni, mert a motor jobban kopik a túlhűtés miatt. A termosztát most állandóan nyitva van és így a nagy körön keresztül a hűtőben le tud hűlni a víz a menetszéltől de ha megállsz akkor felmegy a hőfoka.
Én is arra gyanakodtam, bár nem értek hozzá. AVU motorkódú a kicsike.
Szia! Ezek a képek sok mindent elárulnak az esetleges mechanikai meghibásodásról és akkor még nem beszéltünk az elektromos részéről ami egy fűtőszálat tartalmaz 15ohm nagyságrendben amit le is tudsz ellenőrizni mielőtt szétszednéd az egészet.
Köszönöm a segítséget, akkor azt kihajítom belőle, és meglátjuk mi lesz
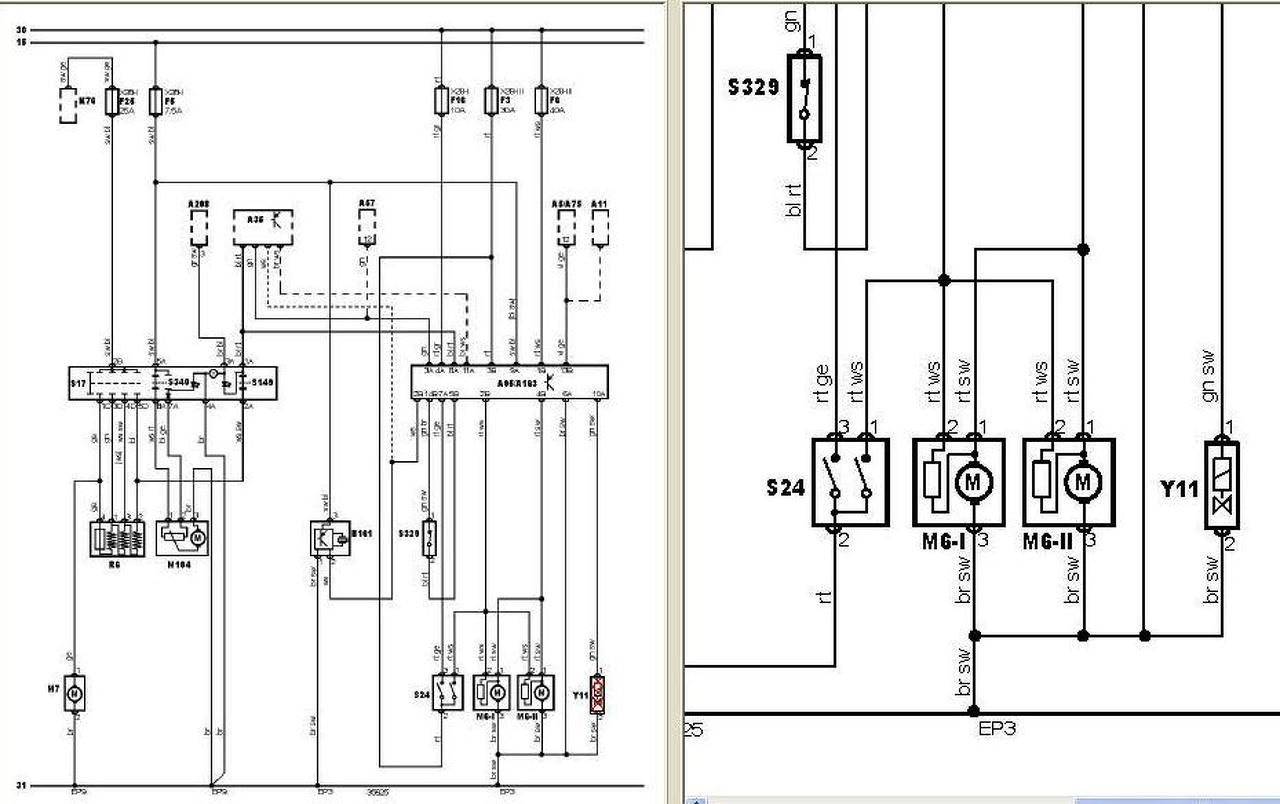
Üdv mindenkinek! Egy kis érdekesség és egyben ötletelés! Korábban már ítram 1.6-os AKL Octaviam alapjáratingadozási problémáiról amely több hónapig megkeserítette napjaimat! Cseréltem lambda szondát, takarítottam folytószelepet átnéztem a vákuumos részt és cseréltem szívó oldali tömítéseket! A hiba ezután sem szünt meg! Majd egy reggeli indításnál durranás és a motortérből sűrű füstmint egyy Omega koncerten! Azóta az alapjáratom cukor! (Lassan egy hete)! Várnék tippeket, hogy mi lehetett a baj?!? Mert tanácstalan vagyok, hogy mitől javult meg!
Szia! A füstnek milyen "szaga" volt, füstgáz, vagy elektromos? Mindkettőnek jellegzetes a szaga és ezért nem mindegy. A tippem a klíma kuplungmágnese volna (Y11), mert az is okozhat helytelen működésből kifolyólag alapjárat ingadozást és ez most megszűnt ha minden igaz. A barna-fekete (test) és a zöld-fekete (klíma vezérlő felől) szálak mennek oda. Ha szakadt vagy "nagy" ellenállást mérsz rajta akkor az tönkre ment.
A hozzászólás módosítva: Máj 14, 2015
Szia! Hát behatárolni nem tudom pontosan de szerintem inkább vezeték szag volt mint füstgáz!
De szerintem a klímám működik mert a héten már használtam!
Üdv! Segítségeteket kérném! Octavia 1.9 tdi 2002! 90-120 km/ h nál letilt az autó! ECU nem ír ki hibát, kicseréltem a légtömegmérőt, turbó nyomás szabályzó szelepet, termosztátot! Elméletileg tuningolt csak az előző gazdával nem tudom felvenni a kapcsolatot. Kezdem feladni! Szerintetek mi lehet még?
Szia! A dízelek nem a kedvenceim közé tartoznak de ITT olvashatsz a turbótiltásról és, hogy mi okozhatja. Elég összetett dolog mindkét eset.
Nos komplett termosztát házat cseréltem, biztos ami biztos. Viszont a P1660, P1662 kód megmarad. A termosztátban van két műanyag tartó, ami a rugót fogja, azok törtek le, mint a képeken, amit küldtél
. Ami a termosztátból jön ki csatlakozó (gondolom annak az 15 ohmos ellenállásnak), annak az egyik dugasza tele volt valami zöld trutyival, meg mintha kicsit beljebb is lenne csúszva, mint a másik. Lehet ez okozhatja, hogy a ventilátor nem kapcsol be? A ventilátor biztosan jó, mert ha a klímát rákapcsolom, akkor forog. A villamossághoz béna vagyok, így méregetni nem igen tudom mit kellene Köszi a segítséget
Azt a kis zöld trutyit le kellene mosni a csatlakozóról és megpróbálni jó kontaktust kialakítani a kivezetések között. Ez a belső fűtés arra szolgálna, hogy a termosztát esetleges zárt állásban történő elromlása esetén felfűti a testet annyira, hogy az kb. 7mm-re kinyit, így nem fog felforrni a víz de állandóan nyitva lesz a nagy kör felé a téli időszakban ami "koptatja" a motort. Bővebben: Link
Köszi ... kitakarítottam, mondjuk nem ennyire szétszedve, mert nem tudtam nem szakad e bele, de tűvel kipiszkáltam, aztán kontaktspray-t kapott, most működik ... akkor jövő hétvégén lehet szétszedem a csatlakozót, ha csak így egyszerűen ki lehet húzni belőle.
Üdv mindenkinek!
Segítséget szeretnék kérni! Riasztót szerelnék egy 2001-es Octáviába, de nem jövök rá, hogy honnan tudja a kp.zár vezérlő, hogy nyitva van az ajtó. Rajz szerint kiadnak a zárak egy negatívot nyitott állapotnál, de csak a csomagtartóét találtam meg. Pedig biztos van ilyen, hiszen felkapcsolja a "villanyt". A belső világítás jele nem jó, mert időzítve van. Vagy hová kéne kötni a riasztónak az ajtónyitás érzékelőjét?? By
Az ajtózárban van egy mikrokapcsoló. Annak a vezetékét kell megkeresni.
Az ajtóból kijövő kábelköteget végigmértem, de nem nyert, egyik vezetékben sem találtam negatívot ami eltűnt volna az ajtó becsukására.
Gondolom a zárban több mikrokapcsoló is van.
A kapcsoló can-buszra dolgozik. Nem fogod megtalálni az ajtó kábelkötegében. Az ajtóban kell kötnöd és mivel komfortzáras két feszültség értékkel müködik a zárás. Csak zár, vagy reteszelve zár. A nyitás egyszintű. Ha érzékelésre használod akkor csak azt az ajtót fogod érzékelni. Venni kell egy SPAL ICB2 can-bus illesztőt és azzal a bal első, ősszes többi, csomagtér, motortér, gyujtás, kézifék, kulcs, centrál, világítás... stb kiolvasható és paraméterezhető külön kimenetekre. Az ajtóba kötött vezérlő szálakat a centrál vezérlésére használhatod 0.4mp-es negatív impulzussal. Ha a záró impulzust folyamatosan rajta tartod, akkor az ablakokat is felhúzza..
A hozzászólás módosítva: Máj 17, 2015
Upsz. Az I.-es Octavia már can-buszos volt? Biztos? Mintha a rajz szerint nem az lenne.
Az ajtó vezérlés abban is can-bus-os. Gondold el mennyi vezeték kéne csak az ablakemelő vezérléséhez a 4 ablakhoz..meg tanksapka, csomagtér, centrál, komfortzár, tükrök stb Így az össz vezérlés 4 szállal megoldható (+kilépő fény)
A hozzászólás módosítva: Máj 17, 2015
Hmm valóban.
Lehet hogy egyszerűbb lenne kiépíteni az ajtókapcsolókat. Vajon hogy csinálják a riasztósok?
A riasztósok modullal, vagy olyan riasztóval amiben van can-bus interface. A vezetékelgetéshez az összes ajtót szét kell szedni. A can-bus-hoz nem kell. És egyébként a világításra kötik a nyitás érzékelőt, vagy a műszerfal mögé a kontroll ledre. A can-modul a legegyszerűbb és nem olyan vészes az ára. A rádióhoz is van kimenete ami használható (kulcs jelenlét)
A hozzászólás módosítva: Máj 17, 2015
A belső világításra én is gondoltam, de az az ajtó csukás után fél percig égve marad.
Na igen... azért van a riasztók többségében az ajtó nyitás érzékelésére késleltetett élesedés, mint választható opció. Egyébként ha bezárod, akkor 3mp után elalszik..
A hozzászólás módosítva: Máj 17, 2015
Azt hiszem ezek tudatában holnap ujragondolom az egészet.
Kicsit úgy érzem, az én tudásom '95 táján véget ért, képezni kellene magam. Egyébként volt már riasztó ebben az autóban, amit tényleg szakszerűen szedtek ki. Ezért megpróbáltam követni ezeket a nyomokat. Pl.a centrálvezérlés, indexek, megvannak, a belső világítás vezetéke is meg lett bontva, de végül is nem kötöttek oda. De nem találom, hogy akkor hova? Viszont találtam olyan kötést, ahol megváltoztatták az gyári kötést, és nem értem miért?
Köszönöm a segítséget.
Arra jutottam, hogy kikérem a riasztóm forgalmazójának a véleményét, mivel baráti áron dolgoznak, lehet hogy be is rakatom velük.
Sziasztok! Egy kis segítségre lenne szükségem! Tegnap még működöt minden,de ma reggelre kifeküdt az összes mutató az autómba! /I-es Octavia 99' 1,6 AEE/ Hol keressem a hiba felkutatását? Előre is köszi! Gabi!
Sziasztok! Octavia II 1.9 tdi-n meghalt a kürt, csak halk zümmögés van kürtszó helyett. Megvettem az alkatrészt, hogy kicserélem. Viszont úgy el van dugva, hogy nem találom sehol. Merre keressem? Köszi.
Szia! Ha szemből nézed a motorteret, jobbra lent a lámpa alatti részen. Talán alulról könnyebb megközelíteni, mint fentről.
|
Bejelentkezés
Hirdetés |











