Fórum témák
» Több friss téma |
Jól gondolod, Z = Blanking input. A CH1 valószínűleg a függ csatorna kimenete, de a gépkönyvből kiderül.
KF jelalak figyelése felesleges, mivel szelektív áramkör, még az erősítő elem torzítását is "kiszedi" l. lásd többszöröző fokozatok. Digitális átvitelnél kell a szkóp valóban, de analógnál nem fontos. RF föld. Ha csíp rúg harap, illesztetlenség, és/vagy földhurok van, ezért mondom óvatosan a földek összekötésével, (villámvédelmi, életvédelmi, híradástechnikai) könnyen lehet földhurkot gyártani. Nagyobb RF teljesítmény mellett életveszélyes is lehet. A FI relé csak földzárlat esetén hatásos, ennyire azért talán mégsem, bár testre hidegítő kondi zárlat esetén fennállhat.
Sziasztok
Most tévedtem ide a témába, és szó volt a leválasztó trafóról. Nekem is van, de Én úgy oldottam meg, hogy a szkóp van leválasztva. Eddig gond még nem volt, csak olvasom, hogy a mérendő áramkört kell leválasztani... Ennek csak az lenne az oka, hogy elvileg a feszültség alatt lévő mérendő áramkör ne rázzon, csak akkor lehet baj, ha két potenciál között érintjük meg? Tehát megfelelő odafigyeléssel használhatom így tovább?
A másik ok, hogy pl. egy 20W-os kapcsolást könnyebb leválasztani, mint a szkópot, ami akár 100W-ot is felvehet. Ez is szempont. Én inkább a mérendő áramkört választanám le, és akkor nem tudsz ráfogni a fázisra!
A hozzászólás módosítva: Okt 4, 2015
Hello! Az teljes mértékben helytelen, ha a szkóp van leválasztva. Mert akkor annak készülékháza és minden kezelőszerve feszültség alá kerül. Érintése életveszélyes lehet, főleg, ha más földelt készülék is van a közelben. (Pld. valami generátor.) Valamint ekkor a szkóp földelését is meg kell szakítani, ami eleve helytelen.
Létezik olyan szkóp, ami "gyárilag" le van választva, pld. Tektronix 213 de mint látható, ott minden külső szerkezete műanyag és nem érinthető meg. Tehát megoldásként csak a mérendő áramkör leválasztása a megfelelő..
Sziasztok! Nemrég vettem egy oszcilloszkópot és szeretném megtanulni használni. Kezdetnek mit mérjek hogy ne öljem meg egyből? Építsek valami jelgenerátort? Ha igen milyet?
Szia,
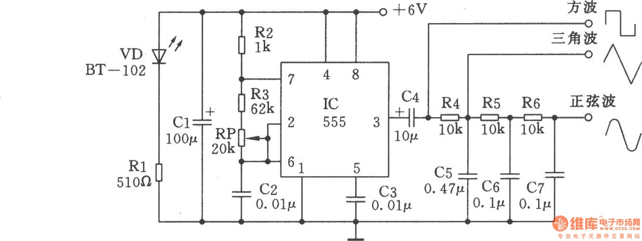
Bár nem írtad, hogy analóg vagy digitális-e a szkópod, de kezdésnek mindenképpen érdemes átolvasni a kapcsolódó szakirodalmakat, hogy tisztában legyél az alapfogalmakkal a megfelelő és BIZTONSÁGOS mérések elsajátítása miatt. Itt a topikban nagyon sok ilyen leírás - kézirat linkjét megtalálod, de csak ha elolvasod, már olyan tudásbázisra teszel szert, ami elegendő lehet az elinduláshoz. Kezdésnek én valami könnyen megépíthető 555 alapú kapcsolást ajánlanék. Lehet a jelalakokat megfigyelni, mérni, számolni a frekvenciát, peak to peak feszültséget mérni-számolni, stb. Valamint könnyen kézben tartható, 300-500KHz-ig könnyen kiszámítható-tervezhető a frekvenciája is.
Igaz!Egy siemens D1010-20MHz-es szkópról van szó(Analóg). Olvasgattam már a topikot még sok minden kínai de szeretek tanulni
Szerintem már az is hiba volt, ha szkopt veszel, de nem tudod mire kell használni. Az alapfelállás ugyanis forditott, elöször egy feladatnak kell lennie, amihez megveszed azt a felszerelést ami a feladat megoldásához kell.
Az ember azért vesz lovat, autot, hogy eljusson A-ból B-be. Ha forditva van akkor a lo, auto frissen csutakolva vagy fényezve áll a ház elött ( hogy mindenki lássa), a gazdája meg azon töpreng mit is kezdjen velük.... ![]() Szóval nem a szkopra kellene most koncentrálnod, hanem egyébb áramkörökre, amiket majd a szkoppal talán sikerül felélesztened. Hidd el az a tanulás sokkal hatásosabb, mint igy a szkoppal meddöen szórakozni. (A feladat adja általában a megoldást - azaz ott tanulod meg, mit hogyan mérj).
Rosszul látod... Azért vettem mert sokszor a hibakereséshez szkóp kell. Csak eddig nem volt és nem egyből a hálózatba dugott erősítőn akarok gyakorolni! Ezért félek sokszor kérdést feltenni mert segítség helyett általában kioktatást vagy lehurrogást kap az ember... Ki vesz azért műszert hogy mutogassa??? Ha annyi pénzem lenne akkor egy digitális tárolósat vettem volna villogni az jobban csillog
Első körben mindenképpen szerezd meg a szkópod "User manual"-ját. A kezelőszervek funkciójával mindenképpen tisztában kell lenned. Meg kell értened az egésznek a működését, mikor, hogyan és mit kell mérni. Enélkül az egész csak egy dísztárgy, hasznos funkciója nem lesz - sőt, még meg is vezethet! Ilyenekre gondolok, mint trigger funkciók, csatornák bemenete (AC-GND-DC) és használata, stb.
Massawa hozzászólása megszívlelendő, nem hiszem, hogy leszólásnak vagy kioktatásnak vette! Ha nem ismered az adott kapcsolást, akkor nem fogod tudni, hogy mit is kell vizsgálni és hogyan, na meg hol! Erősítő analízisnél sok dolgot lehet-kell figyelni és ezekből a mérésekből, jelalakokból sok mindent meg is lehet állapítani. De mint írtam is: tudni kell hogyan kell kinézni az adott jelnek optimális esetben és hová kell akasztani a szondát. Arról nem is beszélve, hogy ha rossz helyre akasztod a kampót, akkor hazaverheted a szkópodat is + kaphat az erősítő is, ha nagyon leterheled.Építs pár minimalista kapcsolást 555-el vagy LM386-al... ez utóbbi már valami erősítő szerű dolog. Hi! legalább elemről is megy. Vagy kezdj neki építeni egy XR2206 alapú függvénygenerátort, ez úgyis kelleni fog majd.Sok kárt így nem fogsz tenni magadban, sem a szkópban sem az erősítőben. És ha erősítővel akarsz foglalkozni, akkor ajánlom azoknak az írásoknak az olvasgatását. Google -Youtube, millió ilyen van. Ja igen, a leválasztó transzformátoros dolgokról gondolom olvastál már. Addig ne is méregess semmi olyat, aminek köze van az elektromos hálózathoz, amíg nem érted ezt a tárgykört teljesen meg. Nem árt azt is ellenőrizni, hogy földelt-e a konnektor amin a szkóp van. Hidd el, itt az embereket inkább a segítőszándék vezérli, mint a fölösleges kötekedés...
Nem hurrogtalak le, csak pl. egy erösitö felésztéséhez sem kell szkop, legfeljebb a végén a beállitáshoz.
De mint irtam, ha nincs feladat akkor megoldás sincs, ezt jo szem elött tartani. A szkop egy bonyolultabb dolog, s ha már erösitöket épitesz az alaprutinod meg kell hogy legyen, a többi meg a feladattal fog majd jönni. Egy szkopot, azzal hogy hozzákötöd valamilyen berendezéshez, ha az nem hálozati, nem igen lehet tönkre tenni. A hálozati gondokrol meg itt olvashatsz több diplomamunkához elegendö irományt. A szkophoz van kézikönyv meg rengeteg irodalom, gondolom azt elöre elolvastad mielött megvetted. Ha konkrét mérési problémád lesz, annak megoldásában biztisan segitünk, de igy általánosan elég nehézkes. Azt ne igen várd, hogy azt irjuk, hogy kösd a szondát valahova és azon ezt vagy azt mérj.
Igen sokat olvastam leválasztó trafóm is van sőt néhány rajzba a jelalak is meg van adva mikor mit kell az ernyőn látni. Túl vagyok már jónéhány erősítő építésén és javításán. Lehet rosszul fogalmaztam a kérdést... De Hadrp mégis megértette.
Egyszerüen oda kapcsolod a szondát ahol gondolod, hogy gerjed az elektronika, és látod a képernyön a jelet.
Ha olyan jelet látsz a szkópon, aminek nem kéne lennie, az a gerjedés. Pl. egy rövidrezárt bemenetű hangfrekvenciás erősítő kimenetén egy kb 1 us -os színuszos jellegű, vagy akár színuszhoz nem is hasonlító periodikus jelet. De lehet alacsony frekvenciás, "hüppögés" szerű jelet. Akkor tudhatod, hogy valami nem stimmel. Ilyenkor az jel formájából, frekvenciájából lehet következtetni a gerjedés helyére, mikéntjére. Sok gyakorlattal.
De pl. lehet látni sokszor ellenütemű erősítő kimenetén a keresztezési torzításon belengéseket. Hogy hogy szünteted meg? próbálkozással. Munkapontok állítgatásával, csatoló, visszacsatoló elemek átszámolgatásával, fázistolások keresgélésével.
Sziasztok!
Szereztem egy RFT gyártmányú, biomonitor megnevezésű CRT-s pulzusmérőt. Mérőfej nincs hozzá, csak a kábele. Szerintetek mi lehetett a végén? Semmit nemtalálok róla a neten. Se kapcsolás, se kézikönyv. Hátha ti láttatok már ilyet. Sok itt a tapasztalt szaki. Bocsánat, ha rossz helyre raktam a kérdésem, ezt találtam a legalkalmasabbnak.
Találtam egy KÉZIKÖNYVET hozzá. Ha valaki esetleg keresné még rajtam kívül. Egy képet is találtam, ahol 4 csipeszre végződik a mérőkábel.
Nálam is négy kivezetés van a csatlakozón belül. A könyvét nemigazán bírom értelmezni... Hová-mi mehet?
Nem tudom, mi a szándékod vele, olyan nagyon átalakítani sem érdemes, a hosszú utánvilágításúernyője miatt. Viszont így lehet használni egyszeri lefutású jelek vizsgálatára, a kis sávszélessége miatt azt sem nagy spektrumban. (3 kHz) Az érzékenysége viszont nagy, ehhez elő osztót kéne tenni.
A négy drót négy tapaszhoz tartozott, aminek megfelelő elhelyezésével EKG jeleket lehet látni.
Üdv!
Azt szeretném megkérdezni, hogy van az analóg oszcilloszkópomon egy "trigger view" jelű nyomógomb, amit ha nyomva tartok, akkor az ernyőre rajzol egy alakot. Arra gondoltam, biztosan a beállítást segíti, hogy megmutatja grafikusan milyen "magasságban" van a trigger kezdőpontja, de nem egy vízszintes vonalat rajzol a gomb lenyomása, hanem a bemeneti jelhez hasonló, de attól mégis kicsit eltérő hullámformát Valaki fel tud homályosítani mi is ez a "trigger view" pontosan?
A triggerjelet rajzolja ki, a triggererősítő valamelyik pontjáról. A jelalak itt már kicsit más mint a valós, mert felüláteresztő jellegű a triggererősítő. Összetettebb jelalakok trigger beállításához segíthet, amikor pld. jelcsúcsokra triggerelést nehéz eltalálni. Külső triggerelésnél látjuk, hogy van, elegendő a külső jelszint. Én szkópomon is volt, de sosem használtam.
Például az ilyen tipusu USB stickes vevők , mint ez USB 2.0 Digital DVB-T SDR+DAB+FM HDTV TV Tuner Receiver Stick RTL2832U+R820T2 : Müködnek ezek androidos tableten is ? vagy csak rootolt androidos Tableten? Ha nem akkor egy kiprobált-mükődő márka megjelölést kaphatnék???
Köszönöm a baráti segitséget----Üdv!
Ez a topik oszcilloszkópokról szól. A témád az SDR -topikba való. Ott érdeklődj
A hozzászólás módosítva: Nov 3, 2015
Idézet: Ezt azért nem jelenteném ki. Még egy egyszerű 7805 is képes begerjedni, amit sima műszerrel nem látsz, mert 5V-ot fog mutatni, pedig szkópon rögtön látszik, hogy 4 és 6 volt között oszcillál 1 MHz-en. Egy erősítő meg aztán méginkább szeret gerjedni. „Nem hurrogtalak le, csak pl. egy erösitö felésztéséhez sem kell szkop, legfeljebb a végén a beállitáshoz.”
Eredeti 7805-öt nem tudsz begerjeszteni, feltétlen stabilitásra tervezték.
Üdv!
Vásároltam egy használt 2 sugaras szkópot. Pár kezelőszerv funkciójára nem tudok rájönni. Régen még az iskolában mértem szkóppal, de hát 20 plusz év alatt rozsdásodik a tudomány.. A cső alatt, a bekapcs gomb melletti csatlakozó nyilván a föld, de az mellett mi lenne (PROBE ADJUST)? A vertical részen a nyomógombok között is van homályos. CH1 ill CH2 ALT CHOP rendben. DE mi az ADD? Illetve a CH2 +- miért van? A horizontal részen AUTO, NORM rendben, de TVV TVH ill SLOPE+- micsoda? A bementi csatlakozóknál CH1 ill CH2 nyilván két forrás a két sugár számára, de mi a VERT? Az EXT ill LINE rendben van.
PROBE ADJUST: Ha tovább olvasod: 500mV 1kHz. Jelgenerátor a feszültségosztóval rendelkező mérőfejek beállítására. Az előrecsatoló kapacitás változtatásával a legjobb négyszögjel átvitelt kell beállítani.
ADD: Igen a két csatorna összegét ill. ha valamelyik csatornán (itt a CH2) - -ra állítod, akkor a különbségét láthatod. Differenciális mérés. TVV: TV függőleges szinkronjelre indul. TVH: TV vízszintes szinkronjelre indul. Slop + / - : A trigger jel fel- ill. lefutása indít. Trigger source VERT: A függőleges erősítőből az elektron kapcsoló (ami a két csatorna jeléből kiválasztja, hogy mi kerüljön a kimenetre) utáni pontról veszi az indítójelet.
Probe adj. Egy kb 1kHz-s négyszögjel, ha odakapcsolod a szindát azon van egy kis tríMmer amivel a legszebb képet (kompenzáciot) állithatid be.
ADD. - összeadja vagy kivonja a két bemenet jelét CH2 +- TVV. A PAL TV jel vertikális szinkronizácioja ( képszinkron) TVH. Ugyanaz a sorszinkron ( soronkén szinkronizál SLOPE - felmenö (+) vagy a lemenö (-) élre szinkronizálja az eltéritést VERT - meg egy bizonyos szintre indul ( független a Ch1/2-töl csak a jelszint indit.
Ez a TV szinkronjel érdekesen hangzik. Mire lehet ezt pontosan használni? Gondolom nem a TV kábelre kell kötni
![]() Nekem is van, de sose tudtam még használni.
Ha TV jeleket vizsgálsz.a készülék belsejében ( képmagnoban) akkor ott egy szinkronjel keverék van ( egyforma szinttel, de változo szélességgel. Ezért az egyszerü szinkronizácio ( egy jel bizonyos szintje) nem fog müködni. Ezért az szkopba beépitenek egy hasonlo áramkört mint a TV-ben, ami kiválasztja a V szinkron ( állo kép) és a H sorszinkront (egyes sorok). A jobb szkopokban a sorokat számszerint is ki lehete választani ( ott vannak pl a méröjelet, TXT, VPS stb) igy ha ezeket kell vizsgálni,akkor még a te szkopod se jo.
Igy néz ki egy sor: TV -sor És igy néz a képszinkron A jo szkop itt egyenként is tudja mérni a sorokat, legalábbis a V szinkrin környéként. Láthato, hogy ugyanazok a jelek csak más az alakjuk. Nost ezt kell a szkopnak kiváalsztani. A TV kábelre teljesen felesleges szkopot kötni, ott nincs mit mérni szkoppal ( arra spektrum analizátor kell). A hozzászólás módosítva: Nov 16, 2015
|
Bejelentkezés
Hirdetés |






Hi! legalább elemről is megy. Vagy kezdj neki építeni egy 













