Fórum témák
» Több friss téma |
Az olyan LCD-s TV-ken, amelyeknek egyszerűen már alapból de gyárilag nincsen semmiféle USB-s bemenete, hogy a görcsbe lehet egyáltalán a szoftverét frissíteni?
Bár vannak rajta RCA csatik, SCART csati, no meg HDMI ... hogy az minek? Csupa analóg hülyeség ... Hmmm ... A hozzászólás módosítva: Jún 2, 2015
Gratulálok ehhez a véleményhez!
Talán azért van rajta olyan bemenmet, mert a TV arra való, hogy ilyen kimenetűm eszközöket rá lehessen dugni? Mellesleg a HDMI nem analóg és az USB az, ami leginkább értelmetlen egy TV-re..
" az USB az, ami leginkább értelmetlen egy TV-re.. "
Hmmm. A mai lapos TV-k - a belsejüket tekintve - már nem hagyományos TV-k, hanem valami számítógépes alapelveken működő és "számítógép processzor-jellegű" alaplapi központú "rásegítéssel" mennek (main). Talán még az okosságuk is - vagy Android, Windows 5.0, vagy valami azokhoz kissé hasonló. továbbá - a frissítéseknél általában azt javasolják, hogy a netről letöltött szoftver okosságot egy pendrive segítségével lehet a készülékre rátolni. A pendrive-ok meg 99%-ukban USB-sek! Netán nagyon le lennék maradva, s létezik már HDMI-s pendrive? Az én Samsung-omon pl. van USB csati, de hozzá még 4 HDMI, .... no meg ki- és bemenetes SCART, jack + a többiek (LAN, digitális audio, D-Sub, stb.) A hozzászólás módosítva: Jún 5, 2015
Igazából nem sokmindenben különböznek a régi LCD-ktől, csak azok sokkal alacsonyabb teljesítményűek, nagyon túlbonyolítod ezt a dolgot. Sajnos ma már minden TV tele van felesleges feature-ökkel, amik miatt jó sok pénzt kérhetnek el a gyártók, miközben minden más inkább TV-re jellemző tulajdonságuk egyre rosszabb (gagyibb), csak az a baj, hogy egyik sem működik normálisan, mindegyikkel vannak gondok, vagy nem játszanak le néhány filmet, vagy akadozva és így tovább, mellesleg hálózatra is köthetőek, onnan tudnak FW-t letölteni, médiát lejátszani, a nem annyira "okos" tévék pedig USB-ról kínlódnak. Hagyjuk ezt értelmetlen ez a vita!
Egy LG Flatron M1921A monitor, tv -vel lenne gondom. Egyik napról a másikra leállt, stanby led nem ég. Kinytottam a táp részen találtam 5 db gyanusan feldagadt kondenzárort. Cseréltem őket. A két panelt összekötő csatlakozón megvan az 5 és 15v feszültség. A proci panelon a stabokon névleges feszültségeket mérek. A hibajelenség nem változott. A fő processzor jéghideg. Az on gombra megjelenik a vezérlőjel, de nem indul a tv. Van esetleg valakinek tapasztalata, hogy lehetne tovább menni a javítással. A táptól elszállhatott a proci?
Az utolsó kérdésre a válasz, igen. De az is lehet, hogy a FW sérült.
Ha jéghideg a processzor, akkor az oszcillátort ellenőrizd, hátha, csak az a gondja.
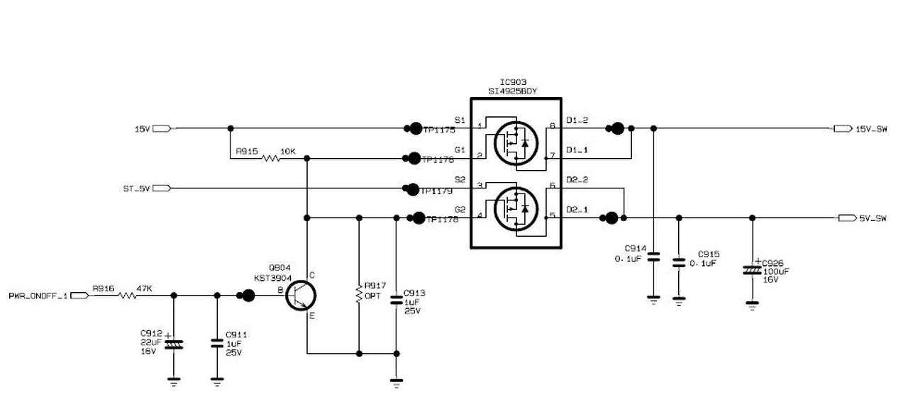
Köszi! Úgy tűnik megvan a hibás alkatrész. SI4925BDY dual p-mos fet a kimenetén már nincs meg az 5v.
Amíg nem indul el nem is lesz, mivel az kapcsolja a tápját a kijelzőnek.
Valóban. A 15v viszont ugyanott megvan, tehát a fet be van kapcsolva... úgyhogy reménykedek.
Mivel P csatornás, akkor van nyitva, ha alacsonyra van húzva, ha 15V van a gate-jén, akkor zárva van. Ennek hibájából csak annyi történne, hogy nem kapna tápot a kijelző, de minden másnak mennie kellene, nem ez lesz a gond. Ja nem a kijelző, hanem a panel tápjának kapcsolója ez, de ezt a processzor vezrli és a lényegen nem változtat, nem ezzel lesza gond, még készenlétet sem jelez, indítani sem lehet.
A hozzászólás módosítva: Jún 6, 2015
Lehet, hogy más is hibás. Mivel a 15v_sw megvan és az 5v_sw hiányzik, valamint az 5v_sw visszamegy a tápegység panelre, egyelőre csak ezt a fetet tudom cserélni. Aztán kiderül.
Cserélni felesleges, egyszerűen ki lehet deríteni, hogy működik-e multiméterrel és a meghibásodás esélye nagyon minimális.
Fet megjött, kicseréltem. Tv beindult. Köszi az együtt gondolkodást. Azt hittem halott a procis panel.
Üdv. Van 1 Sunny SN032LM23-T1 tipusu tv, ami az alábbi hibát produkálja. Gondolom a t-con korul van a probéma, de hol és mi?
Inkább a kijelzőnél van a probléma szerintem, gyanítom,. hogy szakadt a táp benne.
Végigméred az LCD-re vezető fóliáűkat, hogy van-e rajtuk jel. Ha oldalsó lapkák is vannak rajta, akkor azokon méred, hogy van-e táp.
Üdvözlet mindenkinek!
Szeretnék vásárolni egy tv-t de a képen látható hiba van jelen. Kérdésem lenne hogy megérne kb 17 ezer forintot és ez a hiba javítható-e?? Válaszokat előre is köszönöm! A hozzászólás módosítva: Jún 20, 2015
Ha értesz hozzá és megtudod javítani akkor vedd meg. Ha nem akkor ne, mert egy húszast biztosan rá kell költeni. (szerelő)
Kijelzőhibás, egy kanyit sem ér.
Azt mondták hogy el szoktak tünni a csíkok. Ez számit valamit?
Igen, ez is megerősíti hogy hibás a kijelző.
De, maga a COF kábel. Házilag javítani nem lehet, legfeljebb megtákolni közel sem tartós, vagy jó eredménnyel, javíttatni annyiba kerülne, mint a TV használtpiaci ára és kitudja meddig menne. Ilyeneket nem szabad megvenni, nem véletlenül árulják, ráadásul az esetek 99%-ban már szét vannak tákolva...
sziasztok adot egy samsung 102 cm lcd-tv ...
valamiért a háttér világittás el megy, gyanitom hogy inverter hiba vagy a valamelyik csö el halálozot... kérdésemn az érdemes-e kicserélni a rossz alkatrészt vagy érdemesebb lenne át alakitani led hátér világtásosá (mert nagyon sok helyen látam meg lehet csinálni bár a fény erö szabályzás olyankor nem fog müködni) . és a ledes akkor mit érdemes hideg fehér vagy meleg fehér ledet érdemeseb használni
A ledes tákolást inkább hanyagold, kezdetnek a tápot ellenőrizd, lehet, hogy csak a kondenzátorok döglöttek benne.
|
Bejelentkezés
Hirdetés |




Talán azért van rajta olyan bemenmet, mert a TV arra való, hogy ilyen kimenetűm eszközöket rá lehessen dugni? Mellesleg a HDMI nem analóg és az USB az, ami leginkább értelmetlen egy TV-re.. 







