Fórum témák
» Több friss téma |
Sajnos nincs előttem most az áramkör,de úgy emlékszem,100 nF-ot építettem be,illetve akkor a szöveget is rosszul értelmeztem.
Megcsinálom a javításokat illetve az átalakítást!
Hello! Lehet, de akkor az optó meghajtásához fázishasításos vezérlő kell, és nem lehet az opto nullátmeneti kapcsolós. üdv!
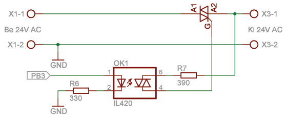
Sziasztok!
Nincs túl nagy jártasságom a triak működésébe, annyit tudok róla, mit egy alap eletrón megtanítanak. Egy kétirányú vezérelhető dióda, ami nullátmenetkor kikapcsol. Ha jól sejtem... Megépítettem a képen látható kapcsoláshoz hasonló kapcsolást. annyiban másabb, hogy a 2 láb testen van és az egyes vany vezérelve egy analóg jelről 470 ohmos ellenálláson keresztül. Az optó foglalatba került, és jelenleg nincs is behelyezve, így az optó végül is nem szempont most. Azt szeretném megtudakolni, hogy az természetes, ha terhelés nélkül feszültséget mérek A1 és A2 között. A feszültség értéke ugyan akkora mint a kapcsolt feszültség 24V. Terhelés rákapcsolásakor nincs feszültség. A terhelés induktív. A hozzászólás módosítva: Feb 9, 2014
Szerbusz!
Kis kiegeszites: a tirisztor (triak) a rajta atfolyo aram nullatmenetenel kapcsol ki. Ez fokepp induktiv terhelesnel fontos, akkor az aram kesobb eri el a nullat, mint a feszultseg. A1 es A2 kozott mindig merhetsz feszultseget, ha a triak kikapcsolt allapotban van (nem kap egyaltalan vezerlojelet) akkor megegyezik a tapfeszultseg ertekevel, ha a triak vezerelve van, akkor pedig a szaturacios feszultseget. Ha jol ertem jelen esetben akkor is mered a tapfeszultseget a triakon ha A2 lebeg? Ez viszont erdekes lenne. Induktiv terheles eseten viszont mas gyujtokort kell hasznalnod, erre figyelj! (pl: 4.oldal) Udv!
Kösznöm a választ!
Triak, bocsánat. Nem tidom miért kevertem össze. Egy 50W-os fűtő betétet működtetne. Azért írtam, hogy induktív. A másik nagy jérdésem az, hogy számít melyik potnról táplálom meg: A1, vagy A2, vagy felfogható a triak ebből a szempontból úgy mint egy mechanikus egypólusú kapcsoló?
Szerbusz!
Ha a terhelesed egy futobetet, akkor az nem induktiv, hanem ohmos. Ez esetben jo a gyujtokor. A gyujtas szempontjabol nem mindegy, hogy kotod be, ezt talan masok ki tudjak fejteni. En maradtam az adatlapon levo peldaknal, 'biztos ami' alapon. udv! A hozzászólás módosítva: Feb 9, 2014
Sziasztok. van egy a link -en látható fényerő szabályozóm. Azt szeretném megoldani, hogy egy optotriaccal vagy valami mással de egyenáramú vezérléssel lekapcsolható legyen, de a szabályozhatósága meg maradjon. Erre várok ötleteket.
Szia!
Szakítsd meg egy relével a diak körét.
Nem akartam relét használni, de ha nincs más megoldás akkor az lesz
Vannak nagyon kis méretű strapabíró, gyors kapcsolású relék, úgyhogy nem kell félni tőlük.
Akkor az lesz. Köszönöm
Van optotriak talán még nem nullátmenetes is. Azt betéve a 10K val sorba tudni fogja amit vársz tőle.
SZiasztok
Szeretnék 5v-ról egy 3041-et vezérelni de nem csinál semmit. Régen már csináltam hasonlót de ott 3020-as opto volt illetve 12V, az tökéletesen végezte a dolgát de ez mos semmit nem csinál. Valakinek valami ötlet? annyi hogy egyenlöre egyenfeszültséget tudtam rákapcsolni illetve egy RC tag is van rajta.
Első lépésben adj neki 390 ohm-on keresztül 5 voltot, az 10 mA kb. Ennek az IC-nek annyit még szabad, aztán ezt mérd is meg ( ha nem működik a kapcsolás ).
Egyébként a 230-as oldal helyes bekötését ezen az oldalon is láthatod, kicsit lejjebb.. A hozzászólás módosítva: Márc 11, 2015
Basszus akkor lehet hogy amikor hirtelen ki akartam probálni akkor nem raktam rá korlátozó ellenálást és megsült? Akkor hétvégén csere és reteszt.
A led oldalra? Könnyen előfordulhat -dehát a rajzodon van.
![]() Ha azt szúrtad volna el, még letesztelheted így is, hogy esik-e a leden kb.1,1-1,2 volt. Ha semmi vagy 5 volt, akkor megsült vagy megszakadt. Ellenállás ott legyen! A hozzászólás módosítva: Márc 11, 2015
Sziasztok
Program hiján egy paint-el mutatnám a kapcsolásomat amit tervezgetek és érdekelne hogy ez így megfelel e. Amire használnám: 230V kb 80-100W szivattyú ki be kapcsolása. Jelenleg relés megoldás van de a szikraoltást nem sikerült kivitelezni megfelően, szlárdtestrelé meg nagy költség lenne. Az R-C tag egy forumista ajánlása alapján lett méretezve.
Szia!
Az optotriak áramkorlátozó ellenállása kicsi. Nézd meg az adatalapokat, 300 ohmnál nagyobbat ajánlanak. Hiányzik a gate köri ellenállás, az is kb. 330-470 ohmos legyen. A MOC3041 nem a legjobb választás, 400V-os csak, ami igazából a 110V-os hálózatokon biztonságos. Vegyél inkább MOC3061-t, ez 600V-os. Biztosító se maradjon ki az áramkörből, és lehet még erősebb triakot is betenni, a szivattyú indulása alatt ki tudja pontosan hányszoros túláram alakul ki. A hozzászólás módosítva: Jún 29, 2015
Esetleg erről a modosításról valami skiccet mert vizuális tipus vagyok, a szivattyuk szerencsére könnyen szint maguktól indulnak, mértem annakidején és 0,5-0,8A a tejes áramfelvétel. A MOC a jelenlegi opto még csak fejlesztés és szárnybontogatás, amint egy biztos áramkör kialakul akkor biztosan túl fogom biztosítani. Sajnos sokat keresgéltem de ahány rajz annyi féle és nekem valami biztos kell. Jlenlegi panelon van biztosíték ami 6 szivattyut szolgál ki és 4A-es üvegcsöves de még nem volt baj, persze eddig csak relés kapcsolás volt. Minden műanag dobozban van és földelt még a gyengeáram is.
Az adatlapban benne van. Például az alábbiban a 6. oldal alján a 10. ábra.
Bővebben: Link
Átterveztem a panelomat az ajánlásod alapján, felteszem az eredményt.
Ha esetleg valamilyen járatosabb kép formátumban tennéd fel, akkor tudnám megnézni.
Remélem a PDF már mefelelő.
Köszi, így már megtudtam nézni.
A tirakok közös pontja nem látszik hol csatlakozna a hálózati feszültségre, gondolom lemaradt valahonnan egy vonal. A nyák terv azt a kapcsolást valósítja meg, amit szeretnél, de a kivitelezés így nem jó szerintem: Az optotriaknak nem véletlenül vezetik ki a két szélső lábán a triakot, mert a kúszóutak biztosítása így oldható meg. Ezt a távolságot végig tartani kellene a vonalvezetéssel, tehát az nem jó, ha a triak lábait raszteres osztással forrasztod be. Legalább 2 raszterre azt is szét kellene húzni. Hasonlóan az optotriak munkaellenállásán és az RC tag R elemén is megjelenik a hálózati feszültség, ott is legalább 2 raszteres távolság kell. Az ellenállások sem lehetne sima 0,6W-os ellenállások, mert azok nem bírják ezt a feszültség igénybevételt. A kommersz ellenállások közül legalább 2W-osat (de inkább a 3W vagy 5W-os) kell használni, vagy többet sorba kötni a 0,6W-osból. Ennyi kapcsolónak elég sok lehet az áramfelvétele, lehetne vastagabb a vonalvezetés.
Köszönöm válaszod, idáig erröl a raszter dologról nem is hallottam, az ellenállások mind 2W-ak. A sávokkal nincs baj, fel szoktam onozni a jobb vezetés érdekébe de még idáig (kb 6-8vezérlés relés) nem volt belölle baj pedig mindet teszteltem bőven illetve 90%-ban nem dolgozik max 2-3 szivattyu illetve néha csak motor. Még akkor nekifutok az ellenállások átrajzolásának, amint van siker, jezem.
Már modosítottam is sajnos a helyem adott de bizom benne hogy íg már megfelelően működik is. Az utolsó önálló kapcsoláson önálló feszültség fog csorogni de abból is egy 230V-os relé tekercsáramja így attol nem félek hogy bajt okozna. A hiányzó betápot javítottam.
Még végrehajtttam néhány modosítást. Így az áram se tud eltévedni.
Még egy nagyon kezdö kérdés, ezeknek az optoknak (MOC 3041) van jelentösége hogy melyik lábat kötöm a gate-re illetve a fix áramra?
Pár tanács...
-Rajzold meg a kapcsolási rajzot is, az alapján jobban/szebben tudsz tervezni, és a hibázási lehetőség is sokkal kisebb. -Ne a felső oldalra vezetékezz a nyák-on, mert nem tudod majd beforrasztani az alkatrészeket. Rajzolj az alsó oldalon, és oda tedd az SMD alkatrészeket is. -V alakba ne találkozzon két vezető sáv. -Tegyél jelzéseket a nyák-ra, hogy melyik bekötés micsoda, 2 év múlva nem fogod tudni mi-micsoda mikor valami miatt meg kell bontani. -Ne nyúljon át 230V-os alkatrész a törpefeszültségű oldalra, még akkor se ha megvan a szabványos szigetelési táv. Az optotriak kimenetének mindegy hogy melyik irányba áll. 1/2W szénréteg ellenállások már tudják a 350V-ot, felesleges túl nagyot beleépíteni. Esetleg varisztor a kimenetekre, a motorok miatt.
Sajnos van valami dis.... dolgom így elég sokszor eltévedek a rajzolgatás közben illetve a nyákterven számomra átláthatóbb a dolog. Tisztában vagyok az alsó és felső oldallal de jobban látszik a piros és csak egy tükrözés és kész is, és ami még fontos hogy új alkatrészeknél látom a pontos lábkiosztást.. Mindig kinyomtatom egy sima lapra és ellenörzöm mielött vasalom. Inkább teszek néhány áthidalást minthogy kétoldalas panellal küzdjek. Utolag teszek jelzéseket mert eladásra megy a dolog és nem mindig én kötöm be de az ügyfél már annak örül hogyha filcel vagy egy külön papirra rajzolom a fontos dolgokat amit mindig mellékelek a vezérlőelektronika softververziójának nevével.
Az átnyulás sajnos nem megszüntethető mert fix és modosíthatatttlan a panelméret (régen relével oldottam meg ezt az egészet. A szénréteg ellenállás nem probléma inkább tulméretezek minthogy baj legyen. A varisztor még kétséges de én is gondoltam rá de gondoltam az R-C tag megoldja a bajt illetve a relénél is beépítettem de nem sokat javított. Köszönöm észrevételeidet. A hozzászólás módosítva: Jún 30, 2015
|
Bejelentkezés
Hirdetés |













