Fórum témák
» Több friss téma |
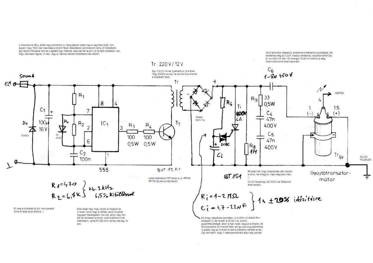
Sziasztok. Megépítettem ismét a kapcsolást (már 4-jére) de csak a Greatz hídig egyenlőre a mérés miatt.
Kapcs. rajz Gyönyörű szépen kijön a négyszögjel de utána (én mosfetel építem,nem tranzisztorral) teljesen eltorzul. Mi okozhatja? Több Mosfettel is megpróbáltam,mind ezt produkálta. Képet mellékeltem.
Szia!
Hol jön ki szépen a négyszögjel és hol lesz torz? Bejelölhetted volna ( 555 kimenet, gate, drain, stb..). A képekhez a V/div értéket is írd be. A rajzodon be van írva 6,5 %-os kitöltés, az se igaz az 1. kép szerint. A hozzászólás módosítva: Aug 5, 2015
Nem az én rajzom de ez lapján csináltam. Az enyém 60% kitöltéssel van. Az 555-ön a 3 as lábon van a négyszög jel, a torz meg a mosfet Drain-jén van.
Mosfet Gate-re megy a jel,addig megvan. A Drainen van már a torzulás.
Én nem nevezném torznak.
Tekercset kapcsolgatsz, a Mosfet drain-jén a kapcsolási frekvenciának megfelelő gyakorisággal csillapodó jel sorozat látható.Szépen megfigyelhető a bekapcsolást, és a kikapcsolást követő impulzus.Frekvenciája a Mosfet+tekercs alkotta rezkőköré. Üdv:kila A hozzászólás módosítva: Aug 6, 2015
Az én rajzom.
A frekit, kitöltést trafótól függően kell variálni. Próbáltam én is FET-el, de sose lett igazán jó, nagyon kis Rds-on-al rendelkező fet kéne hozzá, és/vagy valami snubber áramkörrel a trafóhoz méretezni. Tranzisztorral jóval könnyebben megy, általában elsőre, a bázisáram vesztesége igazából elhanyagolható a fogyasztáshoz képest, szóval nem érdemes FET-el vesződni szerintem.
Tranzisztorral azonnal indult. Viszont, hosszú távon igényli a hűtőbordát?
60 % kitöltéssel az a drain jel nagyon nem okés. Köze nincs egy igazihoz.
Kicsit melegszik, szoktam rátenni egy 2x5 centis alu lemez darabot, annyi elég neki, attól is függ, mekkora kondit töltesz vele. 10-16µF-ra elég így.
Csináltam gyorsan két fotót.. olyan, amilyen.
. Puskás trafó szekundere van kapcsoltatva, 12 volton.A kb. 80 voltos ugrás terhelt, a kisebbik pedig üres szekunderrel van. A te 2. képed olyan, mintha a tápon ülő tüskéket látnád, nem a draint..
Hát igen.... Eddig mindig indult a mosfet-el,de most nem akart,úgyhogy maradt a Tranzisztor...
De akármilyent raktam,ezt produkálta,pedig vagy 5 félét próbáltam...
Valamit nagyon elszúrsz akkor.. érthetetlen. Mintha nem jól kötnéd be a fetet.
A Fet 555-tel való vezérlésnek van egy trükkje
![]() Bonyolultabb Egyszerűbb A kitöltési tényezőnek 50% kell lennie és "Logic fet" alkalmazása ajánlott.
Itt iss rajt van, amit mondtam, a C3, R3, D1-es kör, ami trafótól, frekitől függ. Ha már 10-12V-os impulzusokat ad az 555, akkor nem muszáj a logic level fet.
Nincs itt semmiféle trükk. Frekiben ilyen trafóhoz bőven elég az 1-2 kHz, aztán a tekercs induktivitásához be kell lőni azt az impulzusszélességet ( kitöltést ), amikor még nem nő a felvett áram jobban, mint az átvitt teljesítmény.
Az 50 % nem előírás és ebben a teljesítmény tartományban nem kell különleges fet sem.
Ezt neked felelősséggel senki nem fogja kijelenteni, szerintem. Legfeljebb kijelentéseket lehet tenni, hogy általában, egészséges emberen, statisztikailag.... De például nők érzékenyebbek, gyermekek méginkább, nedves cipő annálinkább, ésígytovább.
Az tény, hogy a szakirodalom szerint a fibrillációhoz kell valamennyi idejű behatás, ez azt hiszem 1 másodperc, de ne az én írásomra vegyél mérget. Az is tény, hogy a frekvencia ennyire kis mértékű emelése a legveszélyesebb tartományhoz képest olyan sokat nem csökkent a veszélyességen. Mondjuk, így fejből és kapásból, lecsökken 70%-ára. Ez szerintem nem egy nagy csökkenés... Az meg az ellentény, hogy az ijedtség okozta hirtelen érösszehúzódás, vérnyomásváltozás nyugodtan lehet infarktus vagy agyvérzés okozója, mert az érfalra ragadt csiriz leröpül, aztán a szűkületben meg keresztbeáll. Amellett vannak előírások, amik megakadályozzák azt, hogy normális esetben emberi érintésre kerüljön sor, figyelmeztető tábla, például. Idézet: Hmm...„Nincs itt semmiféle trükk.” ![]() Vegyük már észre, hogy C1 és a Mosfet gate kapacitása töltés és kisütésnél is kapcsolatban van egymással.
Furcsa párhuzamról írsz.. ha egyre gondolunk ( C1, frekibeállítás ), persze van egyfajta kapcsolat.. ha ezt csökkented, nő a freki, de a kitöltéshez ezen belül nincs köze.
A kitöltést a potival állítod pl., ott fog bejönni egyre jobban az, hogy keskenyebb impulzusok esetén növekednek azok a kapcsolási veszteségek, amik töltés kisütéskor jelentkeznek. Ezekkel tisztában vagyok. Ha jól megnéznéd a kérdést, egyáltalán nem erről volt szó, hanem egy furcsa drain-jelről, képről, amire válaszoltam, képet is betettem és tartom az ott leírtakat. Az 1-2 kHz-es üzemnél pedig nincs is túlzott jelentősége ebben a teljesítménytartományban a gatekapacitás miatti jel fel-és lefutásnak. Nem 100 kHz-ről van itt szó és 100 wattról. A "trükk" abban rejlik, hogy ismeri-e valaki az összefüggéseket vagy sem, de ez itt végülis nem olyan kategória.
ez tényleg szép munka gratulálok
![]() *mod* A hozzászólás módosítva: Aug 14, 2015
Szia
Ennek a panelnek nincs meg a kapcsolási rajza véletlen ?
Szia! Sajnos nincs! Ezeket én is úgy vettem! Vissza lehetne rajzolni de az iverter trafó több tekercsből áll így sok értelme nincs neki...
Köszöntem szépen , akkor marad a visszarajzolás ...
Sajnos a kis trafo nélkül nem sokra megyünk az az oszcillátor is. Nincs benne ic csak 1 fet pár ellenállás kondi és egy tranyo
Igen ez így van , az inverternél nem tudom mi van viszont a végén Triac kapcsol ...
föl is akadt a szemem Bta416008 A hozzászólás módosítva: Aug 16, 2015
Igen az! Közel 700V mértem a kondin 25Uf nél
Üdv!
Megépítettem egy villanypásztort, amit itt reklámoztak, de nekem az 555-nél lévő led nem villog , a kimeneten pedig 65 Volt főlé nem megy, indítókondit ugyan még nem tettem bele, se a gyújtótrafót (félek mert az előző verzió bizony fájt ), elronthattam valamit, vagy rossz a trafóm és azt kellene kicseréljem? Előre is köszönöm a segítséget!
Szia!
Ezt én készítettem el és már rengeteget készítettem belőle, íg garantált a siker. A LED nem is fog villogni soha, mivel az a bekapcsolást jelző LED. Villogni majd a glimm fog. A trafó a ludas nagy valószínűséggel, de azért a trafó 230-as kivezetéseit forraszd ki és mérj rá mennyi váltód van.
Szia!
Kicseréltem a trafót ez már sípol is, emlékeim szerint ez 230/9 V talán fél amper, de csak addig jutottam el hogy a trafó előtti részen ingadozik a feszültség attól függően hova állítom, de a kimeneten kondi és trafó nélkül stabil 147 voltot mérek, a glimm nekem csak ég nem villog,így már rátehetem a kondit és a gyújtótrafót vagy nem fog szikrázni így? Ha szikrázik is akkor a szikraköznek kutyaőrként 4 mm szikraköz lenne jobb vagy nagyobb? Köszi a segítséged! A hozzászólás módosítva: Szept 25, 2015
Üdv újra és remélem utoljára
![]() Azt hogyan lehetne elérni, hogy a szikrák sűrűbben csattogjanak, és mitől függ a kimenő feszültség, mert a készüléket elkészítettem, de a kedves tulajdonos szerint túl lassú, és elvileg gyenge is mert túl közel kell tenni a vezetékhez az ellenőrzésre használt szondát???(nem igazán szakember én sem értem mindig mit mond, de a sebességét kellene növelni). A pásztor jelenleg kb 7 másodpercenként egyet szikrázik, esetleg ha inverternek a 9 voltos trafó helyett 12 voltos rakok a szikra is erősebb lesz? Előre is köszönöm szépen !
A táp legyen 12V.Az inverterbe 230V/8-9V trafó legyen, a kondenzátor (Cx) 16µF/450V.Ezen a kondenzátoron feltöltve legalább 420V legyen.Az időzító ellenállás (a trimmer +1M) legyen 1,8-2M,ezzel is lehet a szikra gyakoriságát állítani aminek 1 másodpercnek kell lenni.A szikraköz 10mm.
Meg sem kérdeztem,milyen pásztorról van szó,a fentiek az itt is "népszerű" inverteresre vonatkoznak.
Szia!
A sebesség növeléséhez, csökkenteni kell a kondi értékét, ami az 1M-s trimmer potinál van. |
Bejelentkezés
Hirdetés |






A frekit, kitöltést trafótól függően kell variálni. Próbáltam én is FET-el, de sose lett igazán jó, nagyon kis Rds-on-al rendelkező fet kéne hozzá, és/vagy valami snubber áramkörrel a trafóhoz méretezni. Tranzisztorral jóval könnyebben megy, általában elsőre, a bázisáram vesztesége igazából elhanyagolható a fogyasztáshoz képest, szóval nem érdemes FET-el vesződni szerintem.
. Puskás trafó szekundere van kapcsoltatva, 12 volton.


