Fórum témák
» Több friss téma |
Fórum » Labortápegység készítése
Tudom, hogy tapasztalt szakember vagy és hiszek neked. Viszont a saját két szememmel láttam a tápot működni. Arra gondolok, hogy hibás rajzom van. Nekem volt itthon ez a rajzom a paneltervvel, alkatrészlistával. Egyszer amikor az ismerősnél voltam szóba jött a táp téma, mutatta az övét és felajánlotta, hogy ad rajzot, segít után építeni. Amikor elővette az Ő dokumentációját akkor felismertem a paneltervet és szóltam, hogy ez megvan itthon nekem is. Van egy olyan érzésem, hogy hibás a rajz.
A számításokat átnéztem, nagyjából értem, csak azt nem tudom, hogy hogyan jött ki a 2V referencia feszültség.
Az IC belső referenciája kb. 7,2V a 6-os lábon. Ezt ossza le az R2/R3 ellenállás.
Köszönöm. Így már világos.
Az ellenállásokat kicserélem. Megpróbálom megemelni a IC tápfeszültségét 35-36V-ra, ha 30V-ig lehet szabályozni az már nekem elég.
Ha nem akarsz sok IC-ét tönkretenni akkor külön tápról járasd! Találj egy kis trafót 18-20 V szekunder feszültséggel + grec+elkó . Ez nem nagyon komplikálja el a kapcsolást viszont nagyon sokat kísérletezhetsz úgy hogy legalább lesz egy megbízható ki indulási pontod. Még egy tanács az IC kimenetére tegyél egy kis BC tranzisztort ami biztosíték ként fog dolgozni olyan esetekben amikor a nagyáramú rész tranzisztorjai totál zárlatba mennek vagyis a bázisukon is nulla Ohm van minden felé. Ilyenkor persze hogy meghal a kis BC de annak a bázisa már nem tudja úgy beterhelni a 723 kimenetét hogy az is elszáljon ! Szerintem mindig könnyebb (meg olcsóbb is ) kicserélni a 3 lábút mint egy IC-ét.
Vesd össze ezzel, ez úgy működik ahogy kell. Mondjuk a body dióda hiányzik az áteresztőtranyóról, de ha fetet teszel oda abban benne van.
Tegnap este előkerestem Rózsa Sándor Amatőr mérőkészülékek építése című könyvét. Fellapoztam a IC-s tápegységek témakörnél és áttanulmányoztam az összes 723-al felépített táp leírását. Sok eddigi homályra fény derült, most már értem, hogy az IC melyik lába pontosan mire szolgál. Reggel rájöttem, hogy valahol zárlat volt a panelen, így a 723 a kimenetére is a teljes tápfeszültséget kapott. Miután ezt a zárlatot eltávolítottam, utána megszűnt az IC melegedése, de persze ebbe belehalt, így már semmi feszültség nincs a kimeneten. A tápot megemeltem 35V-ra, csak melegednek a zenerek, 31mA folyik át rajtuk, délután átszámolom az előtét ellenállás értékét (pár nappal ezelőtt rá jöttem, hogy azt is hogyan kell kiszámolni, hála Magyari Bélának).
Na látod! Így kell ezt csinálni!
2 db gyári 723-l épitett tápmodul eladó
Idézet: „Csak azt nem értem, hogy egy ismerősnek akkor hogy működhet ez a kapcsolás ezzel a paneltervvel 20 éve? Nem értem.” Úgy működhet ill. működik rendesen, hogy a 723 -nak van / volt 50V -os verziója. SG723
Elindult a tápegység! Most már működik. 2V-tól 32V-ig lehet két dekádban állítani a kimeneti feszültséget. Az áramkorlát is szépen működik, 23mA-től 3A-ig lehet állítani (lehetne feljebb is, csak kiakad a mutató
). De mindegy, mivel 2A-nél úgy sem lesz feljebb állítva (a kimenettel lesz sorba kötve egy 3A-es biztosíték, vésztartaléknak). Rövidrezárt kimenetnél le lehet olvasni az ampermérőről a beállított áramkorlát értékét is.Egy pici probléma van már csak vele, melegednek a zener diódák. Üresjáratban (IC nélkül) 31mA folyik rajtuk keresztül. Nem tudom, hogy lehet-e csökkenteni ezt az áramot még. Félek, hogy ha csökkentem akkor kiesnek a diódák a munkapontból. KZ260/12 diódákat használok. U.i.: Ha beteszem az IC-t akkor is melegszenek. Amúgy a rajzban feltüntetett értékű alkatrészek vannak benne. A hozzászólás módosítva: Aug 21, 2015
Ez a dióda 1,3W-os, a hő meg 372mW. Nyugodtan melegedhetnek. De egy záner hűtéséhez a nyomtatott áramkör vezetősávja is be van kalkulálva. Vagy is széles vezetősávhoz illik beforrasztani..
Rendben. Jó széles vezetősávon van, mert nem savval maratott, hanem mechanikailag maratott, jó nagy szögletes szigetek vannak kialakítva. A diódák amúgy el vannak emelve 0,5-1 cm-re a nyáklaptól.
Sziasztok!
Szeretnék pár dolgot kérdezni a mellékletben található labortápegységgel kapcsolatban. Megépítettem és szépen működik is, már csak a dobozolás és némi finomítás lenne hátra. - A kimeneti banán aljzatra szeretnék tenni egy diódát védelemnek (párhuzamosan). A linkelt dióda megfelelne erre a célra? Bővebben: Link - A következő problémám a labortáp árammérőjével kapcsolatban lenne. Árammérő állásban a leírtak alapján P6 trimmerrel (2,5k) lehet az árammérőt 0,000-ra kalibrálni, amit sikerül is de nagyon nehezen lehet eltalálni a 0,000-át. Az R30-at cserélnem kellett 47k-ról 33k-ra mert nagyobb áramnál 2-5A nem tudtam P9 heli trimmerrel pontos értékre kalibrálni a labortáp kijelzőjét, mindig 150-200mA-rel többet mutatott a labortáp műszere mint a külső műszer. (Három különböző külső műszert is próbáltam) De igazából ez nem is annyira lényeges mivel R30 cseréjével tág határok között pontosan beállítható lett a labortáp műszere. - 5-10 perc működés után, a labortáp árammérőjét 0,000-ra kalibrálom, majd áramtalanítom az egészet. 10-20 perc múlva bekapcsolom a labortápot és az árammérő 10-12 mA mutat majd 3-5 perc elteltével szépen visszaáll 0,000-ra. - A kérdésem a következő lenne: Érdemes a mellékelt rajzon a sárga körben lévő 2 darab 22k és az 1m-ohmot, precíziós ellenállásra cserélni, illetve a P6 2,5k trimmert (kalibrálásért felelős 0,000) cserélni 2k-ohmos helitrimmere mivel abból 2,5kohm nincsen csak 2kohm. Továbbá a kék körben lévő ellenállásokat is cserélni precíziós ellenállásra, mivel ezek az ellenállások is felelősek a pontos áram mérésével kapcsolatban. Vagy egyszerűen várjam ki azt a 3-5 percet és ne szőrözzek ezen? Üdvözlettel: Tóth Attila A hozzászólás módosítva: Aug 21, 2015
Hello! Nem szabad túlzásokba esni. A műszer méréshatára 10A. A 12mA hiba 0,12% pontatlanságot jelent. 10A mellett a a shunt ellenálláson 500mV feszültség esik. A műveleti erősítő offset feszültsége tipikusan 2..3mV ez, kb. 0,6% hibát is okozhat. Tehát ennél pontosabb mérést, már maga a műveleti erősítő sem enged meg. Árammérés Shunt ellenállása egy mezei huzalellenállás (R1 és R52) és annak terhelés alatti termikus elmászásról nem is beszéltünk.
De egy labortáp nem kalibrátor, itt a műszer nem pontos mérésre való, hanem "tájékoztató jellegű". Még akkor is ha a felbontás négy digites, mint jelen tápban. Ha pontosan szeretnénk mérni, ott a kézi műszer, amivel lehet méréshatárt váltani.
Hello!
Köszönöm a gyors választ! Valami hasonlóra számítottam. Ezek szerint nem érdemes a P6-ot sem cserélni helitrimmerre? Mellyel a nulla beállítást lehet elvégezni? Üdv: Attila
Ha nehezen lehet beállítani, akkor növeld a két 22kohm-ot, és csökkenni fog a beállítási tartomány. Számításom szerint ez jelenleg kijelzés szerint kb. 20mA mértékű. De lehet a trimmer is hibás, mert nem feltételezem, hogy Attila nem botlott volna bele ebbe.
Helló!
Köszönöm a tanácsodat, ki fogom próbálni. Üdv: Attila
Sziasztok! A PIONEER Féle 2.7.4- alkotós kapcsolás kéne egy működési elírás. Én keresgéltem de nem jártam sikerrel. A csatolt kép 2.7.1-es de működésben szerintem nem tér el.
A hozzászólás módosítva: Aug 21, 2015
Üdv!
Szeretnék egy labortápot építeni ami kezdő szintre bőven elég. Olyan 500mA-1A körüli és tudjon 0-24V-ot. Vannak bontott trafóim most pontosan nem tudom megmondani hogy milyenek. Milyen trafó kellene hozzá vagy egy hogy működik mert eléggé bele vagyok keveredve. Előre is köszönöm!
Köszönöm, még egy kérdés lenne. Hogy valósul meg az áramszabályozás ? És a sönt ellenállásnak az értéke menyire befolyásolja ?
Hello! A kapcsolási rajzból is jól látható az áramszabályozás működése.
- A vonatkoztatási pont a táp negatív kimenti pontja (ez a GND). Az Rx1..3 Shunt ellenálláson ehhez képest negatív feszültség esik, a referenciából pedig R10-P3-P1 útvonalon pozitív leosztott feszültség érkezik. - Az IC1/3 a GND-hez képest figyeli a kettő összegét. Ha a Shut ellenálláson eső feszültség nagyobb, mint a referencián beállított érték, akkor az IC1/3 D12 diódán keresztül lehúzza a feszültségszabályzó bementi feszültségét. Így a kimenti feszültség csökken, ezzel az áram is. - Így beáll egy egyensúlyi állapot, és az áram állandó értékű marad. - A Shunt értéke úgy befolyásolja, hogy azon átfolyó árammal arányos a rajta eső feszültség értéke. Így a maximum referencia feszültség értékét P1 tetején P3-al úgy kell beállítani, hogy UP1=Imax*Rs teljesüljön. - Ha a Shunt értéke magas, a rajta eső feszültség is magas lesz, így jobban fog fűteni, több a veszteség. - Ha a Shunt értéke csökken, akkor kis beállított áramoknál a feszültsége már összevethető az IC offset feszültségével. Így romlik a beállítás pontossága, stabilitása. Jelenleg az RS értéke 0,226ohm. Ha az IC offset feszültsége 5mV, akkor ez, minimum áramon 5mV/0,226ohm=22mA hibát jelenthet. Egyébként más "hibák " is vannak, mert az R12-R22 árama is átfolyik a Shunt ellenálláson, ami ráadásul kimenti feszültségtől is függ. - De igazából nem tudom pontosan mire vonatkozik a kérdés. Ha a Shunt pontos értékére, az nem számít P3-al korrigálható, inkább a stabilitása és hőfokfüggése számít. A hozzászólás módosítva: Aug 22, 2015
Idézet: „..akkor az IC1/3 D12 diódán..” Proli bacsi, az nem D1 szeretne lenni? D12-t nem lattam
Helló! Köszönöm válaszod. Még nem foglalkoztam eleget elektronikával hogy észre vegyem és inkább egy tapasztaltabbtól kértem segítséget. A kérdést azért tettem fel mert a napokban építés közben kimaradt egy szigetelő papucs. És a házra kikerült a egyenirányított nyers tápfeszültség. Valamely módon rövid zár keletkezet és 2 csatornából az egyik azonnal tönkre ment.
15 perc méricskélés után minden vezető és félvezető rendben volt. Csak a sönt ellenállásokat nem tudtam meg mérni, nincs hozzá megfelelő műszerem. Később egy asztali multival rámértem 35-k Ohm-ot mértem eredő ellenállásnak.
Üdv. A transzformátoromban végre sikerült megtalálni az AC 26 voltot. Pontosan 26.6V ez terheletlenül DC 36.2V-ot jelent +-0.2 V. A 2.7.4-es táphoz használhatom ezt a transzformátort? Sajnos pontosabb értéket nem tudtam szétszedés nélkül "találni" a tekercsen.
Akkor azok megszakadtak, hiszen három 0,68ohm van párhuzamosan..
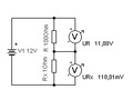
De ha arra gondolsz, hogy kis értékű ellenállás méréséhez nincs műszered, akkor használd helyette az OHM törvényét. Ismert értékű ellenállással sorba kötve és tápfeszültségre téve, megmérheted mind kettőn a feszültséget. Az áram közös, az ellenállások aránya a mért feszültségek arányával azonos. R/Rx=UR/URx |
Bejelentkezés
Hirdetés |





). De mindegy, mivel 2A-nél úgy sem lesz feljebb állítva (a kimenettel lesz sorba kötve egy 3A-es biztosíték, vésztartaléknak). Rövidrezárt kimenetnél le lehet olvasni az ampermérőről a beállított áramkorlát értékét is.








