Fórum témák
» Több friss téma |
- Ez a felület kizárólag, az elektronikában kezdők kérdéseinek van fenntartva és nem elfelejtve, hogy hobbielektronika a fórumunk!
- Ami tehát azt jelenti, hogy a nagymama bevásárlását nem itt beszéljük meg, ill. ez nem üzenőfal! - Kerülendő az olyan kérdés, amit egy másik meglévő (több mint 17000 van), témában kellene kitárgyalni! - És végül büntetés terhe mellett kerülendő az MSN és egyéb szleng, a magyar helyesírás mellőzése, beleértve a mondateleji nagybetűket is!
Nem ismerem a monitort, de valószínüleg: + / - táp, test, be bal, be jobb.
Pár fotó sokat tudna segíteni.
Mind az alkatrészoldalról, mind a "hátsójáról"...
sziasztok!
Sürgősen kellene segítség! Van egy vezérlő modul, ami a kimenetén a GND-t kapcsolja trigger jelként. A vezérlő 24V-tal működik. A GND jelet kéne valahogy 24V-ra alakítani, mert a másik eszköz, amit triggerelünk 24V-ra kapcsol. A leírás szerint PNP tranzisztorral kell valahogy megoldani, de nem tudom pontosan mit kell csinálni, az ellenállásokat hogy kell kiszámolni stb? Köszönöm
Akkor BC212 (de azért lehet BC303 is
), emittere a 24 V-ra, kollektora megy a "terhelésre". Bázis emitter között egy 4k7, bázis és a modul közé egy 22k. Bolondbiztosnak tűnik...
A bontott trafó adatai ismeretlenek voltak. Műszerrel 12V-ot mértem. Áramerősséget egy darab diódából és 1 ohmos 2 wattos ellenállással sorba kötve 1,23 ampert mértem. Egyszerű technika és úgy tűnik működik. Nincs kérdés, csupán tapasztalati anyag azoknak akik mérni akarnak.
Hello! Jó hozzászólás, de ki tudja mire vonatkozik?
Ha nem tudod mire használd mert semmit nem tudsz róla. Egy 4-5-szörözővel már tudom használni arra amire nekem kell.
Szerintem a trafó paramétereire gondol a voltra meg az amperra hogyan kell meg mérni ha nem tudod.
Kiszámolja vasmagból, és huzalkeresztmetszetből...
Hameg nem arra, csak terhelésre - akkormeg ottvan Norton.
Helló. Hogyan van bekötve 4db 4ohmos hangsugárzó, ha az eredő ellenállásuk 2,7ohm? Legalábbis ennyit mutat a multiméter. Én meg nem értem, mert sehogy sem jön ki. Nem látom a kábelezést, mert a mennyezetben van.
A hangszóró egyenáramú ellenállása alacsonyabb a ráírt impedanciánál, ami a jelen esetben 4 ohm.
Feltételezhetően 2 van sorbakötve, és két ilyen párhuzamosan. A hozzászólás módosítva: Szept 3, 2015
Kösz. És ha így hagyom a kábelezést, lehet hozzá építeni olyan végfokot, ami bírja a 2ohm körüli terhelést? Mert a mostani nagyon melegszik.
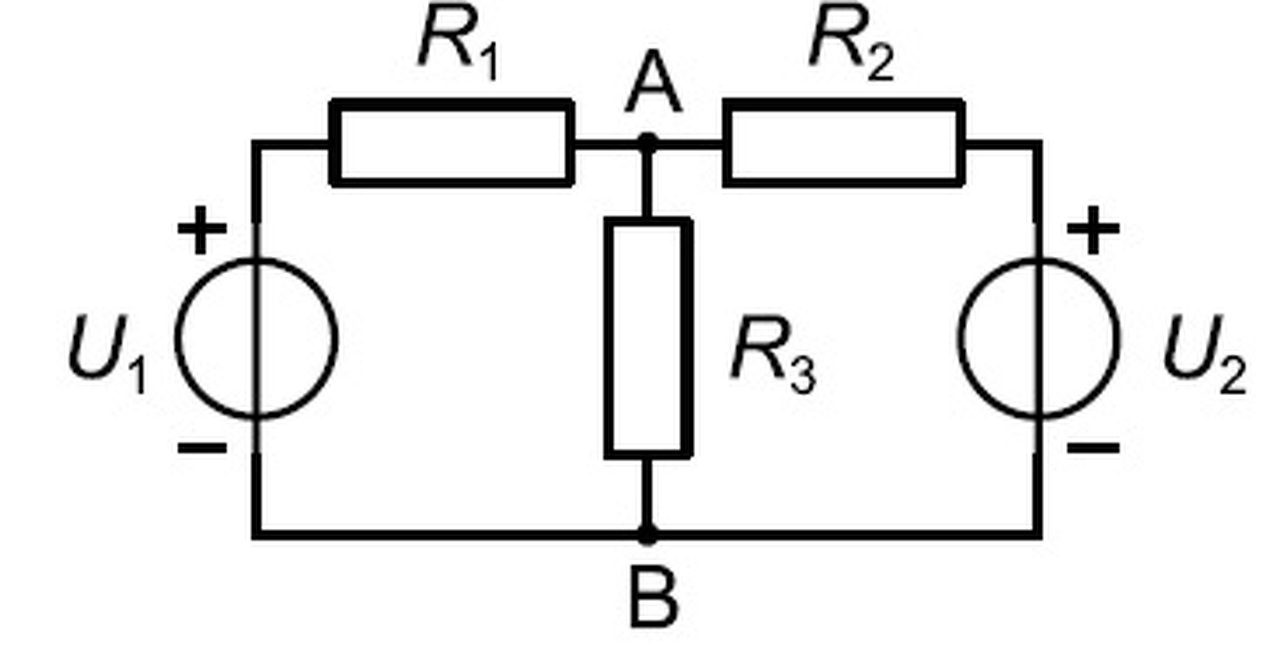
Ebben az áramkörben mekkora az ágakban folyó áram?
A két csomópont között eső feszültséget hogy kell a csomóponti potenciálok majd a hurokáramok módszerével meghatározni?
A bal hurokban vedd fel az óramutató járásával azonos irányban az áramirányt (I1), a jobb hurokban pedig azzal ellentétesen (I2). Ekkor ezt a két hurokegyenletet tudod felírni:
R1I1+R3(I1+I2)-U1=0 R2I2+R3(I1+I2)-U2=0 Ebből az egyenletrendszerből ki tudod fejezni I1-et és I2-t. A csomóponti potenciálokhoz jelöld ki a B pont potenciálját nullának. Ekkor az A pontra ezt az egyenletet írhatod fel: (UA-U1)/R1+(UA-U2)/R2+UA/R3=0 Ebből könnyen ki tudod fejezni UA-t. Egyébként mivel lineáris hálózatról van szó, lehetne még a szuperpozíció módszerével is dolgozni. Ez úgy működik, hogy kiszámolod a feszültségeket és áramokat úgy, hogy kiiktatod (rövidzárral helyettesíted) az egyik feszültségforrást, aztán kiszámolod úgy is, hogy a másikat iktatod ki. Majd a kapott eredményeket összeadod. A hozzászólás módosítva: Szept 4, 2015
Még annyit tennék hozzá, hogy a hurokegyenleteket csak azért írtam fel, mert kérted, de a csomóponti potenciálok módszere jelen esetben sokkal praktikusabb, és UA ismeretében az áramok is rögtön kiszámolhatók.
Üdv!
Szeretnék építeni egy egyszerű audió elosztót. Úgy gondoltam hogy egy jack be megy a pcbe és 2 kimenet van és egy kapcsolóval tudom váltani. Valaki egy kapcsolást vagy valamit tudna adni? Előre is köszönöm!
Ha úgy vesszük már megválaszoltad.
Bemenet választó
Helló!
http://oldradio.tesla.hu/szetszedtem/403dcf77ora/1600/16-30/027pacaic.jpg Mi az angol szakmegnevezése a képen látható öcsipanelen lévő tokozatlan IC-nek? Illetve mit lehetne látni ha lekerülne róla a műgyanta (vagy micsoda)? A hozzászólás módosítva: Szept 5, 2015
Magát a csipet látnád: Bővebben: Link. Úgy hívják, hogy "Chip on Board" (COB): Bővebben: Link.
Vagy így... köszi!
Nekem olyan elektronikára lenne szükségem ami 150Ah akkumulátort helyettesít és bírja a terhelést míg izzítok és beindítom a traktort.
Gondolom 24 V-os rendszer, milyen teljesítményű az indítómotor ?
Gondolom 2-3kW. A legegyszerűbb megoldás egy bazi nagy trafó diódával.
Igen nagynak kell lenni a trafónak, a motor 100 A körüli áramot igényelne, télen hidegben még a dupláját is. Egy öszvér megoldás lenne jó, 50 Ah körüli akku és egy kisebb 1 KVA trafó + 4 dióda hídba.
Az akku minek? Szerintem jó a konnektor is.
Helló!
Van egy PIR modul melyen a BISS0001-es IC adatlapjának a 3. oldalán látható a belső blokk diagramja: Link Az opcionális fényellenállás helyett jelenleg egy plusz áramkör kapcsolja be a modult (konkrétan tápellátást ad neki) mely két okból is előnyös: ezáltal tudom állítani a hiszterézist hogy jóval nagyobb környezeti megvilágításban kapcsolja ki a modult mint be. Meg úgy egyáltalán a fényérzékelésre használt napelem nagy felülete is előnyösebb a célra. Ezt az 'alkonyati' áramkört én eliminálni szeretném és LDR-re cserélni már csak a plusz fogyasztás miatt is, a hiszterézis már nem is lenne annyira lényeges ha megoldható lenne hogy tudjam mikor aktív a triggerelhetőség. Lényegében csak egy LED-nek kéne világítania akkortól fogva amikortól már érzékeli a mozgást a szenzorával a modul. A kérdés az lenne hogy bárhol találhatnék-e olyan lábat az IC-n amely hirtelen állapotot vált ilyen esetben, amikortól ún. beaktiválódik, tehát engedélyezi a triggerelhetőséget, vagy ez az IC belső lelkivilágában történne meg, és semmilyen külső feszültségváltozást nem mutatna? Az ellenállás mely feszültségosztót alkot a LDR-rel és így 0,2V-nál van a hátár, azzal ugyebár nem megyek semmire, mert a pontatlanság miatt csak becsülten lehetne meghatározni hogy éppen aktív-e, nem lenne megbízható. Egyelőre csak elméleti a kérdés, most sajnos nincsen szabad modulom amelyen méricskélhetnék. |
Bejelentkezés
Hirdetés |










