Fórum témák
» Több friss téma |
Fórum » Labortápegység készítése
Ha a panelmérő úgy van beállítva, hogy .1 Ohm sönt kell neki, akkor annyi kell. Az SMPS2-ben nem annyi van, azért kell erősíteni.
Hello tudom hogy régi hozzászólás de a link nem jó ellenben ha lerajzolnád nekem a kapcsolást az alkatrészekkel és a bemeneti feszültséggel ebben az esetben megköszönném neked. Ha megtennéd akkor privátban jelezd és átküldöm az email címem.
Hello!
Nem kell azt lerajzolni, egyszerű alapkapcsolása az LM317-nek. Viszont az árama nem szabályozható. Persze megoldható lenne egyébként, csak úgy tűnik nem nagyon volt még rá igény? Bővebben: Link
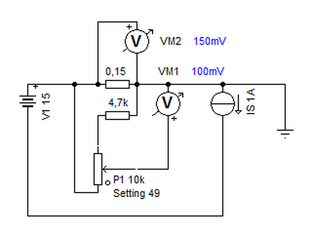
Nem a sönt változtatása lesz a megoldás akkor sem. A műszer méréshatárát szokás ilyen esetben kiterjeszteni. 0,1 helyett 0,15Ohm a sönt, ami azt jelenti, hogy 1Amperen nem 100, hanem 150mV fog esni rajta. Mivel van a söntön még egy osztó ha megnézed: 10K trimmer, vele sorba egy 4,7K-s ellenállás, ezzel még simán be lehet állítani azt a 100mV-ot. Itt már nem a sönt értékével lesz probléma, sokkal inkább a műszerrel, vagy annak megépítésévvel.
A hozzászólás módosítva: Nov 28, 2015
És mely módon lehetne ezt megoldani? Vagy egy kezdőknek való egyszerű labortáp kapcsolás esetleg?
Szia!
Nézz körül itt a fórumon. Vannak kapcsolások, nyáktervek és beültetési rajzok dögivel. ![]() Én javaslom, hogy az Alkotó-féle terveket nézegesd első sorban, mert azok többszörösen bizonyítottak már. Szerintem azok nem túl bonyolultak, és első labortápnak több mint tökéletesek! De ha mindenképpen egyszerűt akarsz, akkor ez: Bővebben: Link Előnye, hogy PWM, tehát nem fog drasztikusan melegedni, viszont zajos lesz a kimenete, amit bizonyos áramkörök lehet, hogy nem fognak túlságosan kedvelni.
Mit jelent az egyszerű? Ha a funkcionalitást nézzük, tehát szabályozott és állítható fesz és áram akkor az a 723-al épült a legegyszerűbb aminek feltettem a rajzát régebben.
Az egyszerűt arrafelé irányoztam mint kezdő aki még nem épített egy tda 7265-s végfoknál komolyabbat (utánaépítés)
Azt javaslom, próbáld átfogóbban közelíteni a kérdést. Attól mert egy áramkörben esetleg 2 IC-vel vagy 10 ellenállással több van, még nem bonyolultabb megépíteni. Sokkal fontosabb szempont lehet, mire vagy felkészülve, milyen megoldásokat tudsz megvalósítani. Itt elsősorban a panelgyártási készségre és a mechanikai jellegű feladatokra gondolok.
A labortápegység egészén belül, a szabályozó panel csak egy összetevő. A trafó, a hűtési megoldás és esetleg annak ventilátoros változata a vezérléssel együtt, valamint a mérés általában nagyobb része a projektnek mint a szabályzó panel. Arra ne is gondolj, hogy a kimeneti áramot és feszültséget nem jelzed ki valamilyen módon, mert ez nélkülözhetetlen. Tehát egészében vizsgáld a kérdést, mert ha egy részt kiragadsz, akkor rossz irányba tévedhetsz. Idézet: „Arra ne is gondolj, hogy a kimeneti áramot és feszültséget nem jelzed ki valamilyen módon, mert ez nélkülözhetetlen” ![]() Beállítom és annyi. Erre találtuk ki... Talán egy tényleges áramvételt mutató analóg műszernek van létjogosultsága.
Az urbán féle, komplementer tranyós labortápról valakinek van esetleg rajza nekem? Régi sulimból kaptam 2 ilyen tápot, mert megszűnt az iskola, és mivel ezek ,,csak panelek" (trafó nem volt hozzá) így elkunyeráltam őket, mert úgyis kihajításra kerültek volna, de leírás nem volt hozzá, mert azt régen kidobták már... Előre is köszönöm a segítséget!
A hozzászólás módosítva: Nov 29, 2015
Nem osztom a véleményed!
Honnan tudod mire állítottad? Főleg ha tized pontosan akarsz valamit beállítani. Ha egyetlen 270-300 fokos potival van a megoldva az állítás, azzal szinte lehetetlen tizedeket állítani. Persze ha akinek nem kell tized pontosság, annak jó, de annak nem is kell labortáp se.
Nem csak a tizedek miatt kell a kijelzés. Élesztéskor látni kell, hogy mi mennyi, mindegy, hogy mit állítottál be előzőleg, az áramnak is egy maximumot állítasz be, de érdekel, hogy valójában mennyit kíván.
A hozzászólás módosítva: Nov 29, 2015
Komplementer tranyókat nem látok ott, nem is nagyon lehet hacsak nem szimmetrikus a táp (biztos hogy nem). Nem látni hogy milyen IC van rajta, de az elrendezése alapján nagyon hasonlít a 723-as tápra.
Messze nem ilyen komplikált ez. Sokkal jobban hasonlít ehhez a kapcsoláshoz..
Ebben csak két tranyó van, de sajnos ez a ,,fűtős" kategória, de ,,kezdésnek" jobb mint a semmi. Ha minden jól megy, ünnepek után talán lesz pénzem egy Attila86 félére. De addig be kell érnem ezzel.
Szerintem semmi baj nincs vele attól, hogy fűt
Nekem jobban tetszik az ami előszabályzott, az kevesebb felesleges hőt termel.
"Van két Trabantom, de a BMW jobban tetszik.."
Akkor vedd azt figyelembe, hogy a ,,trabant" ingyen volt, a "bmw" ára meg még nincs meg. Amint lesz rá pénzem, meg fogom venni a ,,bmw"-t.
Egyébiránt mind a kettő gurul és oda megy ahova irányítják
Valóban, csak nem mindegy hogy egy adott labortáp elfűti a felesleget, vagy előszabályzással minimalizálja a felesleges pazarlást.
Nem árt ha van "fűtős", meg nem fűtős is. A fűtőset eleve olyan dolgokhoz használja az ember ahova nem kell nagy áram (max. 1A, azt 1db tranyó is elfűti), viszont jó ha minél simább, zavarmentesebb a kimenete. A nem fűtőset meg olyan dolgokhoz ahol nagy teljesítményfelvétel van feszültségtől függetlenül (pl. egy 100W-os LED vagy egy DC motor), de nem számít ha van némi zavarfeszültség.
Utóbbiból olyat érdemes inkább építeni amihez nem kell még egy nagy méretű drága trafót is venni, tehát teljesen kapcsolóüzemű. Vagy ha már az Attila féle, akkor egy rezonáns konverter elé.
Ajánlom figyelmedbe!
Nem csak folyamatos, illetve kapcsolóüzemű előszabályzás létezik, a mai gyártók leginkább ezt a megoldást használják, eddig még nem nagyon volt vele probléma. Illetve van ennek ez egyszerűbbik változata, ami áll egy komparátorból, ami a kimeneti feszültség függvényében (mondjuk fél tápnál) átkapcsol egy relét. Ehhez persze kell a középleágazás, de már azzal is kevesebbet fűt el a táp, a fent linkelt verzióval pedig még kevesebbet. Szerk: Egyébként nekem is épült Attila86 féle táp, ettől függetlenül építek még egy szimplát, ami megmarad az analóg működésnél, csak megkapja a fent linkelt előszabályzót. A hozzászólás módosítva: Nov 30, 2015
A melóhelyen is ilyen a Matrix táp, hogy x fesznél/áramnál rákapcsol egy relével. De elég gyanús, hogy meg fogok válni isteni gyorsan a panelektől, és haveromnál landolnak, mert ha minden igaz, akkor lesz egy(pontosabban két) HIKI-s labortápom.
Sziasztok!
Szeretnék egy kis segítséget kérni. Megépítettem proli007 LPSU3A50V labortápegységét és ma félsikerrel élesztettem is. Az egyik gond az, hogy a feszültséget nem tudom 11V alatt szabályozni. A C10-es kondenzátoron a feszültség viszont normálisan változik 0 és 5V között. Az U3b 7-es lábán maxra kitekert poti mellett megjelenik az 50V és a kimeneten is szépen változik a feszültség amíg le nem megyek kb.12V alá ahol hirtelen lemegy két-három lépésben nullára. A másik gond, hogy abszolút nem működik az áramszabályzás. Amikor teljesen lecsavarom a potit akkor leesik a feszültség nullára és az áramkorlát LED-je világít. Amikor lassan elkezdem felcsavarni majd kialszik a LED akkor a kimeneten hirtelen több mint 3A jelenik meg holott még csak a negyedéig sincs feltekerve a poti. Gondolom a hiba valahol az U3a körül lesz. A 2-es és 3-as bemeneteken még nem mértem mert nem volt időm csak gyorsan letesztelni. Egyenlőre csak ez a két hiba van amit nem tudok mire vélni és minden tanácsot és segítséget előre is köszönök.
Ja tegnap elfelejtettem még egy két infót hozzátenni a mondókámhoz.
Feszültség állító potinak egy sokfordulatú potit használok és a 250 OHM-os dupla potit nem tettem bele. Esetleg kössek a potimmal sorba egy 250 OHM-os ellenállást? A Q1-es BC557-es helyett BC556-osat tettem mivel nem volt 557-esem. De az adatlapját megnéztem és csak az erősítési tényezőben tértek el tehát szerintem ebből nem lehet gond.
Szia!
Segédtáp feszültsége (7912 után) -12V megvan? Ilyen szabályozási problémák nekem leginkább ilyenekből szoktak eredni. Melyik poti 250Ohm? A finomszabályzó? Ma én is összeraktam, 99%-ig kész a panel, még az áteresztőfokozat hiányzik belőle, az előszabályzója már működik.
Szia!
A 7912 után -11,7V van. Ma én is a másodikat élesztettem ami elsőre tökéletesen működött is. Csak ezzel az eggyel van problémám. A finomszabályzó potiról beszéltem de ma bebizonyosodott hogy nem az okozza a gondot mivel a másik tápegységem simán megy anélkül is. Sokfordulatú potival a feszültség 20mV-onként szépen szabályozható ha nagyon óvatosan tekerek. |
Bejelentkezés
Hirdetés |














