Fórum témák
» Több friss téma |
Van egy elméletem ami helyes lehet, mégpedig hogy van 7 csatlakozó ezen a "vezérlő kapcsolón" (bal oldali) ebbe ugye kéne hogy menjen be + meg - ez már elvesz 2 érintkezőt ebből ki kell menjen 2 a motorhoz a bal motorhoz persze marad 3 érintkező ez pont át tud menni a jobb oldali kapcsolóhoz ahol le is foglal 3 érintkezőt majd ami maradt 2 érintkező azt a jobb oldali motor lefoglalja ez lenne az elméletem matematikailag kijön már csak az lenne a kérdés hogy mi mi? melyik hova megy?
Mellékeltem a képet ez a vezérlő kapcsoló tehát ami a vezetőnél van, ezek az írások vannak a kapcsolónál. (2db bal oldalit adtak hozzá amit elküldtem az a törött , ezt mertem szétszedni, de ugyan az a 2.)
Nagyjából így működik a kapcsoló. Gyakran csinálják így, hogy a testnek kettő kivezetés van, a +12V-nak csak egy. Viszont a gyártók a kóbor apácák megtévesztésére millió fajta kivezetést találtak ki. Meg nem mondom, hogy a tied, hogy kell bekötni, vannak jelölések, talán azokból kiderül valami, ha nem tudod kimérni. Valamint lehet benne világítás is, akár külön kivezetéssel. Azt sem tudtuk meg, hogy ez most Suzuki Alto gyári, vagy valami másé...a mechanikai dolgokon nem is aggódsz?
Ez egy sima bekötés, nem lehet vezérelni a vezető felől a másik ablakot.. Itt már lehet! Látható a rajzon, hogy kettő vezeték megy át a másik oldalra, ezeken nyugalmi állapotban test van, mint a bal oldalin, gyakorlatilag már mehetne közvetlenül rá a motor. Ahhoz, hogy a jobb oldalról is lehessen kapcsolni, átvezetik ez a két szálat a NC érintkezőkön. A NO-ekre +12V kerül. Így alapból testen van a motor két szála, de ha megnyomják a gombot, akkor az egyik kivezetésre +12V kerül. Vannak még olyan vezérlések, ahol tiltható is balról a jobb oldali kapcsolás lehetősége. A hozzászólás módosítva: Márc 15, 2016
Ez oké de ez valami nyomtatott áramkörön van rajta pár kondenzátor meg valami sok lábú nem is icnek néz ki ,meg valami kisdoboz. Fu reméltem hogy az a PU meg PD meg B ezek a betük segítenek valamit.
ilyen az egész a vezető oldali kapcsoló hiányzik azért adtak egy vadi újat hozzá.
Ez gyári az biztos, ezt tették bele a gyárba, illetve interneten is ezt kapni hozzá. a mechanikai dolgokon? úgy tudom a GL meg a GLX ugyan az , mármint karosszériailag minden elő van készítve már csak be kellett volna tenniük ,amikor meg a kp zárat szereltem akkor ott voltak a furatai a motor tartó konzolának is(mármint az el ablaké, a kp zár, az a gyári más lett volna. remélem tényleg azok.
Lámpa az nincsen, mármint a GLX verzióban sincs meg ahogy néztem ezen sincs, ez csak fel teker és leteker ennyit tud de ezt is bonyolultul csinálták meg. A hozzászólás módosítva: Márc 15, 2016
Az anyósét már kezdem sejteni az ábrájának hála kezdem sejteni mindjárt kipróbálom 4,5v al nehogy elégjen a kapcsoló remélem jó lesz már csak keresnem kell egy kis motort. az lesz a teszt alany
Nem azért de nem lehet az hogy a 2 kapcsoló függ egymástól? ,mármint az anyósé függ a sofőrkapcsolójától?
Ez egy automata ablakvezérlő. Ott a sönt és a relé, meghúzod, vagy tolod és magától fel. ill lemegy.
A gyári ablak együtt szokott lenni az ablakmechanikával, ki kell venni az egészet és átrakni ezt...legalábbis amikre én emlékszem.
Ha van a vezető felől lehetőség kapcsolni az anyós ülés felőlit, akkor függ. Ezt ne kezd el próbálgatni csak úgy, mert meghal az elektronika...
Aha, de nem tom az anyós ülésnél lévő kapcsolót sikeresen leteszteltem a teszt motor mindig ellenkező irányba kezdett el forogni ha lenyomtam balra ha felhúztam jobbra meg is jelöltem a kábeleket már csak a vezető oldali kell. na nekem már ez is eredmény
Azt nem akarom ebben nem volt elektronika mármint ami az anyódé a vezető felölibe van elég keményen.
De az anyósé már fel s letekerődik
Nem tudom megpróbálom leírni felvázolni a helyzetet, Ezt az autót amikor anyám megvette, akkor már csak ez volt mármint ezzel a felszereltségi szintel GL fapados a GLXeket amik "full" extrásak azokat már elvitték, én most hogy már én használom az autót kicsit értek a mechanikához vagyis elég jol megtudom oldani fizikailag ezeket a problémákat legalábbis még mindig sikerültek a mechanikai dolgok amikhez hozzáláttam azért szerettem volna kp zárat bele, bele is tettem, csak nem tudtam azok a jelölések mik, de itt segítettek ezt nagyon köszönöm! aztán a csomagtartóhoz tettem be a motort na az megdolgoztatta a logikámat első körben meg kellett ismernem a működését így kiszedtem felhoztam és nézegettem kulcsal hogy mi kattanik mi nem, így rájöttem hogyan lehetne vagyis kitaláltam némi barkácsolással végül jó lett igaz 4 napon keresztól csináltam, most vagyis nem most már marha rég óta akartam bele elektromos ablakokat így némi félre tett pénzel és némi internetes kutakodással ráakadtam pár napja arra ami tulajdonképpen itt van 6 utcányira, el is mentem meg is néztem minden stimmelt, 2db ajtókárpit amin van hely a kapcsolónak fizikailag ugyan olyan mint a másik csak van rajta egy doboz amire a kapcsolót kell tenni, oké van 2 pont jó még a kárpiton a minta is stimmelt az ülés mintázatával na hogy ez is összejött nem sok esély volt rá, a motor is jó a bibi hogy szereznem kell még egy motort mert csak 1 van de 2 emelő a motorok felcserélhetőek megnéztem így mindegy milyen motort veszek, na de most kikisérleteztem az anyós ülésen lévő kapcsoló bekötését felfedeztem
hála az ön ábrájának hogy van egy közös nem tudom miért nem a kapcsoló belsejében van a közös de mindegy megvan végül is 4,5 V al kipróbáltam leteszteltem jó ha lenyomom akkor balra forog a motor ha felhúzom akkor jobbra végül is ez mindegy merre csak ellenkezőleg. , ebben ugye nincs elektronika. A vezető oldalin azon lehet vezérelni a magát a bal oldalit és az anyós oldalit ezen van 7 kimenet, a bibi ezzel az hogy elektronika is van benne illetve egy kapcsoló úgymond főkapcsoló ekkor a teljes "rendszer" kikapcsolva tehát az anyós ülés kapcsolóval se lehet azt kapcsolni az anyós nem tekergetheti az ablakot ezt nem tudom hogyan kell bekötni az a gond. Az eladó adott mint már említettem 2 db vezetőoldali 2 kapcsolós vezérlő nem is tudom minek nevezzem kapcsolót egy teljesen újat az biztos sokba került neki, és a régit mit szét is szedtem hátha jutok valamire gondolom az új is ugyan olyan belül. ezek gyári alkatrészek úgy lett kiszedve az ő GLX Altojából ezért gondolom hogy akkor az enyémbe is passzolnia kell ugyan úgy 2006-os verzió, és mint kiderítettem a GL és a GLX karosszériában ugyan az vagyis szerkezetileg ,előre le lettek gyártva és utána döntötte el a gyártó vagyis a felszereltségi szintöl függően hogy mit szerel be de a többinek is ott van a hely. Az enyémben pl gyárilag nincsen szervo egyelőre a GLX ben meg alapfelszereltség ugyan úgy lehetett klímát rendelni mindegyikhez a hely megvan bennük szerkezetileg ugyan olyanok.Elnézést hogy kicsit hosszúra sikeredett.
Lehet hogy valami nem stimmel vagy én kattintok rosszra de nem írja ki hogy én hozzászoltam a ön hozzászolására vagyis nem látom lehet , igazából még új vagyok a fórumon így nem tudom még mire klikkelek rámegyek alul a hozzászolásra ,de úgy látszik nem ugy müködik ahogy én gondolom.
Itt már sikerült. Tegeződhetünk?
Az a tiltó gomb lehet, hogy csak megszakítja a +12V-ot, így aztán nincs tovább. A képen levő panelból hiányzik a kapcsoló, akkor az van meg pluszban? A sönt úgy néz ki a test ágban van az elektrolit kondik alapján. A relé érintkezőit is ki lehet mérni, hogy mit ad át és hova. Az IC-t kikeresve szintén lenne támpont a +12V és test bekötésre. A hozzászólás módosítva: Márc 15, 2016
Igen, amit a képen látsz az az, azért azt szedtem szét( a töröttet) mert nem tudtam hogy nem e esik szét vagy valami rugó ki nem hullik belőle, de van egy vadonat új tényleg nem csapott be látszik rajta hogy új még meg sincs kopva mármint a természetes karcok sincsenek rajta még az érintkezőkön sem, azt nem szerettem volna szét szedni de az ugyan az, elnézést hogy ilyen későn írok de éppen lecsapott ami elromolhat el is romlik így a nyomtatót kellett megszerelnem hála isten sikerült bár szegényt jól szétszedtem mint kiderült egyel több csavar volt benne mint kéne így kivettem azt ami nem kellett és megjavult. visszatérve az autóhoz, ha a multiméterem jó lenne erre a feladatra (Kaito BM8320) és megmondja mire állítsam ellenállásmérésre vagy folytonosság mérésre vagy valamire és hova biggyesszem a piros és fekete bökőket én nagyon szívesen kiméregetem. Tulajdonképpen a kép amit feltettem bár ez egy ilyen online piactérről van, ez az mert ettől az eladótól vettem így néz ki ez a szerkezet. Az az első gomb ami ilyen négyzetes az kapcsolja ki az egészet amit szétszedtem az csak 2 érintkezős(enek a kapcsolónak az alja) akkor igazad lehet hogy a +12Vot nyitja és zárja. Illetve az autó használati útmutatója is írja hogy mire való, de azt már bezzeg nem írja hogy hogyan van bekötve, mindent olyan részletesen leír pl hogy hogyan kell légteleníteni a féket meg miegymást ,de azt nem. engem az zavar hogy elektronika van benne mármint nyák meg kondik meg ic szerűségek, és az a rengeteg érintkező. attól félek hogy ha meg is lesz a bemenet akkor felcserélem a polaritását és elfüstöl az egész kicsit drága az többe kerülne mint amit most az egészre költöttem cakli pakli. Neked meg nagyon köszi a segítséget, bár nem értek annyira az elektronikához ,de érdekel mert már mozdulni se tudnánk nélküle mindenhol ott van... bár már fiatalabb koromban is a fali konnektort cserélgettem ha úgy volt, meg hosszabítós konnektorokkal járkáltam mániám volt
A hozzászólás módosítva: Márc 15, 2016
Nem kellett volna szétszedni, főleg azt a tiltó kapcsolót, látszik a NYÁK felől, hogy 2 lába van. Sima 1 érintkezős kapcsoló, vagy zár, vagy nem. Nagyon úgy néz ki, hogy testet kapcsol.
Az elektrolit kondenzátorok polaritásfüggők. A csíkkal jelzett lábuk van negatív feszültségen. A multimétert sípolós állásba kapcsolva végig lehet menni, ha mindnél sípol, akkor az lesz a test, vastag fóliának néz ki. Hasonló vastag a +12V, ez lehet legalább egy elektrolit kondi nem jelzett lába. Valamint kellene az IC (fekete soklábú) típusa, abból is meg lehet mondani a tápokat. A sönt mindkét lába sípolni fog, hiszen nagyon kis ellenállás. Valamint az elektrolit kondikból a nagyobbak is sípolhatnak egyet, de nem folyamatosan, mert töltődik a méréstől és közben kicsi az ellenállása. Kellene a relé típusa is, abból meg vannak a kimenetek. A kapcsolókat pedig lehet mérni, le kell írni, hogy melyik láb melyikkel, milyen állásban. Tehát alaphelyzetben ez és ez, ezzel. Ha felfelé húzod, akkor melyik, ha lefelé, akkor melyik... Sokat segítene, ha valakinek lenne egy Suzuki Alto rajza az ablakról... A hozzászólás módosítva: Márc 16, 2016
erre a sok lábú ic szerűségre az vagyon írva hogy: 609105 0700 kis betükkel: 34KA
arra a dobozra : NEC Philippines ET22-N16 3L3154 remélem segít valamit.
Hát igazából nem tudom most akkor mi lehet ezzel, a jó vagyis az új vezető kapcsoló csatlakozóira feltűzdeltem a kábeleket hogy a multiméteremmel könnyebb dolgom legyen, megtaláltam azt a kábelt amire a multiméter egyik kábelét ráteszem majd az anyós gombját felhúzom akkor a multiméter másik csatlakozóját oda érintem egy másik kábelhez sípol, ha elengedem elcsendesedik majd ezt a csatlakozót egy másik kábelhez, és ha lenyomom akkor sípol ha elengedem akkor megáll, a vezetőoldalinál sose sípolt csak számlált mintha ellenálna. lehet hogy az elektronika főképp az automatikus vezetőoldali ablakhoz kell?
Lefényképeztem hátha így jobban kivehető hogy mik vannak rájuk írva.
Nem arra gondoltál hogy a csatlakozón méricskéljek?
ott találtam olyat hogy ha egyiket rákötöm a multiméter pirosára az fix lesz a a fekete kábelét meg 1 és 2 re az egy az akkor sípol ha lenyomom a 2 meg akkor ha felhúzom ha alapállásban van akkor nyitott. Végül is ilyen csöves csatlakozós kábelt tettem rá hogy könnyebb legyen mert azok az érintkezők igen hát hogy is mondjam, sz*ok nem marad rajta a multiméter pálcája. Pénteken ha minden jól megy elmegyek a bontóba remélem, csak adná isten hogy GLX legyen az az Alto akkor megveszem a motort meg a kábelt is remélem egyik se lesz drága de nem fűzök hozzá sok reményt kívülről fekete lökhárító csak GL lehet a színe meg piros. Az az ablakemelő szerkezet meg oly drága hogy az autós boltban az ipse meg se akarta mondani "inkább nem mondom meg" 86.000ft jézusom!
Egyébként az a doboz egy relé, nem is tudtam.
Ha nem él az elektronika, akkor hiába mérsz a csatlakozón változást, esetleg a jobb oldali kimenet, ha tényleg nem automata az a rész. A hiányzó kapcsoló be van már forrasztva?
A reléről már írtam ezelőtt is. Most akkor mit is vettél? Ezt a kapcsolós panelt a vezető oldalra, meg egy sima kapcsolót a másikra? Kábelek? Csatlakozók? Motorok? Mechanika? Jó lenne tudni: - A kikapcsolóhoz közelebbi, nagyjából középen levő kapcsoló a vezető oldali? - A törött eredeti kapcsolón volt auto felirat? A hozzászólás módosítva: Márc 16, 2016
Leírom, Igazából 2 db ablak emelő mechanikát a bal oldalin nincs motor a jobb oldalin van, ugyan az mert át tudom cserélni tehát a balra teszek motort akkor ugye a jobbon nincs egyelőre , még vettem 2 db kárpitot egyet jobbra egyet balra. adott az ipse 1db jobb oldali kapcsolót az anyós üléshez. illetve 2 db kapcsolót a bal oldalra az egyik egy teljesen új még dobozban volt a méréseket azon végeztem, amiket írtam az előbb, a fényképeket arról küldtem ami az autó régije vagyis amin nincs kapcsoló mert eltört az eladó azért vett újat de be már nem tette origináltan dobozzal adta oda még le is volt ragasztva látszik hogy az teljesen új. a baj a kapcsoló a vezetőoldali kapcsoló bekötésével van nekem , mechanikailag simán beteszem , igazából az a lényeg hogy legyen meg a bekötés utána ráérek a motorral bibelődni mert csak 2 kábel megy bele. végülis minden megvan a motoron kívül az a motor igen feladja nekem a leckét motort külön nem lehet venni csak szerkezettel az méreg drága vagy csak szerkezetet motor nélkül.
A kábelek nem voltak meg neki érdekes módon és a bal oldalra a motor sem. Azért megyek a bontóba mert kell az a motor illetve ha van motor akkor kell lennie kábelnek is azt meg csak oda adják nem hinném hogy mindenki azért a kábelért akar menni. De ha már ott vagyok megnézzük a lökhárítót is mert az enyém már beteg kicsit hála a csúszós utaknak és annak aki belém jött a pirosnál.
Ilyenkor bánom hogy nem a Pattantyúsba mentem villamos mérnöknek, hanem más mérnöknek
Ugyan az a két bal gyári gyári asszem volt auto gomb rajta mert gyárilag van, a kikapcsolóhoz közelebb lévő az a vezető oldali kapcsoló az az auto feliratos
Ezaz a kapcsoló amiről most szó van.
Akkor csak az lesz automata. Swift elektromos rajz van a neten, de Alto nincs...Volt egy Alto-s forumon, ahol tettél fel szintén kérdést, de már nem elérhető. Pedig sokat segítene. Írtam az embernek, aki anno feltette, hátha...türelem.
Jajj de rendes vagy!
Nagyon hálásan köszi, ráérünk végül is ,mert motor után kutakodok. Nagyon köszi! (mosolygós szmájlik akarnak lenni xd) A hozzászólás módosítva: Márc 17, 2016
Vannak még rendes emberek.
Az elektromos ablak bekötése valami "ilyesmi" lehet.Sajnos a csatlakozónál a betűs jelzések vannak, az elvi rajznál meg ezek épp nincsenek jelölve, csak a vezeték színek. Na neked meg épp azok nincsenek. Ha kapnál a bontóban elektromos csatlakozót levágva, akkor már gondolkozni sem kellene. De ki tudjuk silabizálni a bekötést.
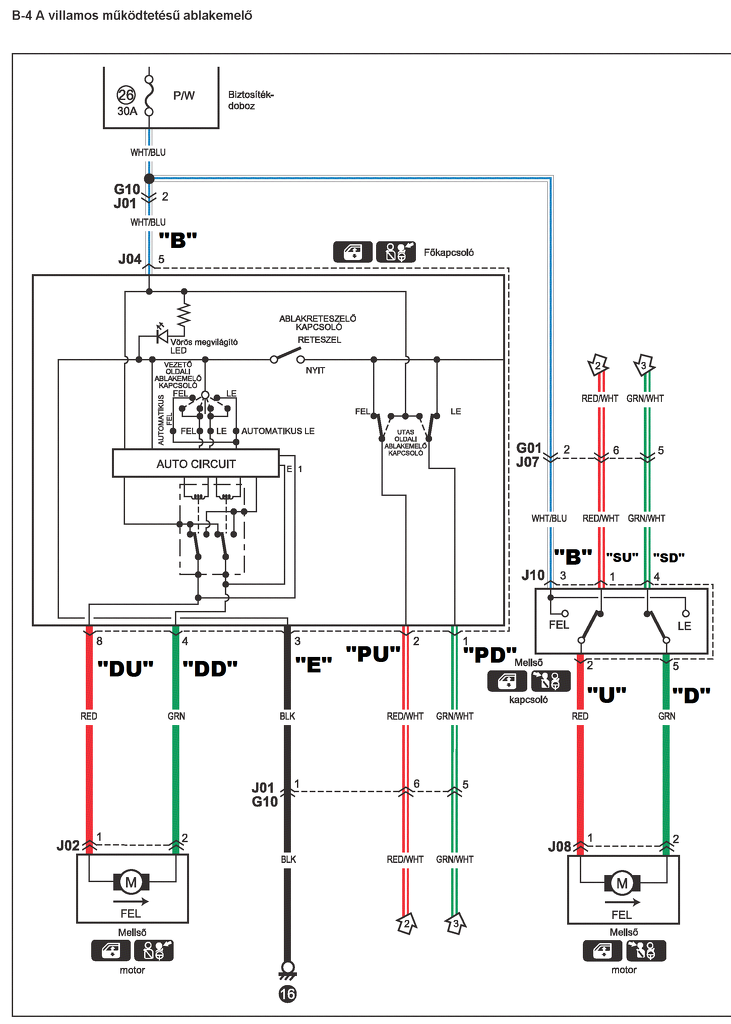
A betű jelölések amúgy így utólag teljesen logikusak. A'lá Suzuki Alto elektromos ablak bekötés...
A vezető felőlinél: (a betűk a csatlakozók jelölései, a számok a rajzon a kivezetések) B - 5 - Battery, +12V E - 3 - Earth, test DD - 4 - Drive (side) down, vezető felőli motor le DU - 8 - Drive (side) up, vezető felőli motor fel PD - 1 - Passenger (side) down, utasoldali le PU - 2 - Passenger (side) up, utasoldali fel Utasoldalinál: B - 3 - Battery, +12V SD - 4 - Slave down, szolga le SU - 1 - Slave up, szolga fel D - 5 - Down, motor le U - 2 - Up, motor fel Tehát a rajz és a leírás alapján megkeresed a jelölt lábakat a panelen levő csatlakozóban (nem a kapcsolókon!). A B jelű megy a +12V-ra, ha állandóra rakod, akkor gyújtás nélkül is fog menni. Mindenképpen kellő keresztmetszetű vezetéket kell megcsapolni, akár az akkutól is jöhet egy szál. Kell a csapoláshoz minél közelebb egy biztosíték, 30A. Lehet kapni késes biztosíték foglalatot. Aztán a vezető felőli motorra megy a DD és a DU, ha nem jó irányba megy, akkor megcseréled a kettőt, így fordul az irány. Ha a motoron rajta van a vezeték, akkor a színből látszik, hogy melyik melyik. A PD és a PU megy az utasoldal felőli kapcsolóhoz, az SD és SU kivezetésekre. Az utasoldalnál pedig a B-re szintén a biztosíték utáni +12V, tehát a vezető felőli B gyakorlatilag. A D és az U a motorra, ugyanúgy a polaritás, mint a másik oldalon. A hozzászólás módosítva: Márc 17, 2016
|
Bejelentkezés
Hirdetés |







De az anyósé már fel s letekerődik 




