Fórum témák
» Több friss téma |
- Ez a felület kizárólag, az elektronikában kezdők kérdéseinek van fenntartva és nem elfelejtve, hogy hobbielektronika a fórumunk!
- Ami tehát azt jelenti, hogy a nagymama bevásárlását nem itt beszéljük meg, ill. ez nem üzenőfal! - Kerülendő az olyan kérdés, amit egy másik meglévő (több mint 17000 van), témában kellene kitárgyalni! - És végül büntetés terhe mellett kerülendő az MSN és egyéb szleng, a magyar helyesírás mellőzése, beleértve a mondateleji nagybetűket is!
akkor 14 Voltot kell ráakasztani. Nem tudom mekkora feszültséget akasz rólla levenni. Illetve ha kisebb feszültséget akarsz levenni rólla akkor kisebb is lehet a gejesztőáram! Ez attól függ hogy egy adott fordulatszám mellet (PL3000ford/perc) és 14 V mellett mekkora feszültséget lehet levenni a tekercsen. Ezt egy próba élesztés mellett, és az értékek állítgatása mellett lehetne beállítani potosan.
Dehogy. A 14V-35A a generátor névleges feszültsége,illetve a maximális árama. Mivel ez autógenerátor,a csúszógyűrűre az akkufeszültséget kell adni szabályzón keresztül. A gerjesztőáram max 2-3A.
Látom közben módósitottad a hsz-odat....
Pontosabban milyen szabályzót építsek majd hozzá? Olyanról hallottam hogy 5 wattos izzón kap előgerjesztést. Amikor felgerjed akkor kapcsolja össze az akumlátorral a szabályzó. Ja és nem autóba építem henem szélkerékre.
azt nem tudtam hogy egyautóból való generátor. Kösz hogy kijavítottál.
Bontóból szerezz be egy 12V-os autógenerátor szabályzót. Ez a legegyszerűbb,és olcsóbb mint az sk épitett.
A generátor házába nincsenek bepréselt diódák?
Volt csak kiszedtem mert: apum traktorba akarta tenni de állítólag nem volt jó és vett másikat. Szétszedtem, a tekercseket kimértem és jó mind. Akkor azt gondoltam az a diódás valami a rosz és kiszedtem. Szerencsére még megvan.
Sziasztok!
Lenne egy buta kérdésem: Hogyan tudom azt megoldani, hogy van egy "A" kapcsolás, ami alapból folyamatosan működik, de ha én feszültséget kapcsolok bárhova, akkor a kapcsolás idejére ne működjön "A" kapcsolás? Remélem érthető ... A legegyszerűbb megoldás váltóérintkezős relével lenne megoldható, csak ilyet nem tudok szerezni kb.4voltra... (meg nagyobbra sem). Tranzisztorral hagyon lehetne ezt megoldani? Köszi szépen!
váltóérintkezős relét lehet kapni 4.5-5-6-9-12 és efölött talán 24-48, illetve 230 voltra...villamosági boltban érdeklődj.
Köszi szépen.
A probléma az, hogy inkább tranzisztorral szeretném megcsinálni. Ilyen relét én biztosan nem tudok beszerezni! 5V-os a legkisebb a boltban, és még nem is biztos, hogy van váltóérintkezős fajta... a lényeg, hogy az 5voltos relé sajnos nem jó. Úristen...tudtam, hogy buta kérdés... Ilyen egyszerűen megoldható... :fejétcsapkodó_smile: :bummafejbe:
Sziasztok,van egy kérdésem,vannak ugyebár ilyen árnyékolt kábelek,és megszokták adni,hogy hány ohmosak.Gondolom,ha megmérem a kábelt,akkor nem lesz annyi ohmos amennyit megadtak
,nem tudtam jobban megfogalmazni,de mit jelent itt pontosan az ohm,mire van vonatkoztatva?Ez már régóta érdekel,lehet hogy fontos adat is.Kösz előre is
Azok nem "árnyékolt kábelek" hanem koaxiális kábelek vagy tápvonalak. A megadott érték a hullámellenállása. Ezt Te otthon nem tudod lemérni. ( letudod, ha tudod, hogyan kell )
Nagyjából fogd úgy fel, hogy ha a tápvonalat a hullámellenállásával megegyező értékű ellenállással zárod le és a meghajtó generátor kimeneti ellenállása is illesztett a tápvonalhoz, akkor az ideális tápvonal úgy viselkedik, mintha ott sem lenne, tehát a végfokozat csak a lezáró (terhelő) ellenállást látja. Nagyfrekvenciás alkalmazásokban van nagy jelentősége, ahol igyekszünk az antennára a lehető legnagyobb teljesítményt eljuttatni úgy, hogy a lehető legkisebb reflektált teljesítmény verődjön vissza az antennáról állóhullámot kialakítva a rendszerben és terhelve a végfokot. - ez sokszáz oldalas post lenne, ha mindenre kitérnénk, de nagyjából ez a lényege - szerintem!
Ide nem kell nagy telljesítményű tranzisztor, de mivel ez TV adó, ez a kapcsolás elég nagy frekvencián dolgozik, és nem mindegy, hogy milyen alkatrészeket teszel bele, a tranzisztor szinte össze paramétere fontos, hogy olyan legyen, amilyennel megtervezték a kapcsolást, sok esetben még az alkatrészek elhelyezése sem mindegy, megpróbálhatod a bc547, de nem biztos, hogy tökéletes lesz, de működni fog, csak nem úgy ahogy kéne, a normális működéshez az alkatrészlistából kell egyet választanod, vagy a 2n2222, vagy a bc108, amúgy meg nem olyan megfizethetetlenek ezek a tranzisztorok, még a 100Ft-ot sem éri el az áruk, szóval nem nagy költség.
Itt nem a megfizethetetlenségről van szó, hanem arrl, hogy most éppen ilyen nincs az I-SHOP-ban. De van 2N2222A. Az egy kicsit gyengébb. de az is jó bele nem?
nem tudok bele keriteni sehonnan 4,7ľF-os bipoláris kondit. ezt hogy tudnám kiküszöbölni? esetleg egy kisebb értékű, vagy egy ELKO nem felelne meg oda?
4,7uF. elirtam. szóvan 4,7µF-os bipoláris kondi. Egyébként ha más is tudjaaválaszt akkor irhat. Ez pár hozzászólásom ellőtt töltöttem fel egy képet, és abba van az a kondi
ELKO nem jó bele, oda bipoláris kell, de azt tudsz úgy csinálni, hogy két elkot összekötsz úgy, hogy két megegyező polaritást köss össze, az ábrázolt módon, és elméletileg egy bipoláris kondenzátort kapsz, de számolni kell azzal, hogy kondenzátorok soros kapcsolásánál lecsökken a kapacitás, a kapacitást a következő módon tudod kiszámolni: 1/Ce=1/C1+1/C2
Nem értem, hogymi az a 1/CE.
Egy példa. 1/10µF + 1/10µF = 0,1 + 0,1 = 0,2uF. igy valahogy?
A Ce az az eredő kapacitás, és az egyenleted úgy helyes, hogy 1/10mikroF+1/10mikroF=1/Ce. 1-et el kell osztanod 0,2-vel, és a végeredmény 5, tehát, ha két azanos kapacitású kondenzátort sorosan összekötsz, akkor a kapacitás a felére csökken.
Lehet ez egyszerűbb képlet: Ce=(C1*C2)/(C1+C2)
Hát ezt tudom!
ebből kapok állandóan jó jegyeket. ezaIdézet: nem? Az ellenállásnál is ezt kell használni, ha párhzamosan van kötve. „replussz”
Szerintem igen, ha veszel egy 4,7µF 5%-os tűrésű kondenzátort, akkor az lehet akár 5µF is, szóval, ha beleteszel egy 5µF-os kondenzátort -az előző ábra alpján- működnie kéne.
mármint 2 10µF-os kondit gondoltál nem? mert annak az értéke 5uF
Azt nemtudom, hogy ez-e a replussz, de igen, ezt kell haszálni az ellenállások párhuzamos kapcsoásánál, csak az ellenállásoknál párhuzamosan kapcsolva csökken az eredő, a kondenzátornál sorosan kapcsolva.
igen, 2db 10µF kondira gondoltam, azt összekötöd két azonos paolritásnál, és a szabad lábakat kötöd be az áramkörbe, és az nagyjából 5µF lesz.
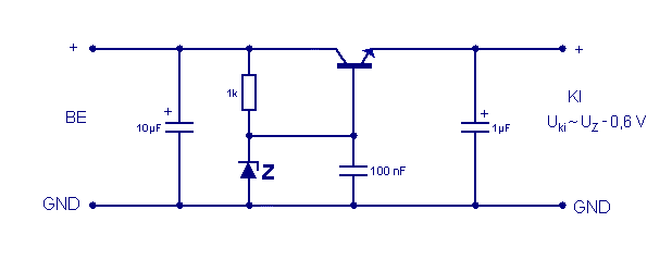
Sziasztok!
Ha stabil 12V-ot szeretnék a kimeneten, akkor a következő kapcsolásban a zéner-diódának és a tranzisztornak milyennek kell lennie? Köszi
Miért nem használsz stab. IC-t? Sokkal egyszerűbb, és csak néhány kondenzátor kell elé, meg utánna, párhuzamosan.
|
Bejelentkezés
Hirdetés |




...
,nem tudtam jobban megfogalmazni,de mit jelent itt pontosan az ohm,mire van vonatkoztatva?Ez már régóta érdekel,lehet hogy fontos adat is.

ebből kapok állandóan jó jegyeket. eza





