Fórum témák
» Több friss téma |
10-50kR nagyságrendű potméterből készíts egy feszültségosztót.
Vagy szakosabb megoldást kínál Reloop (itt). A hozzászólás módosítva: Ápr 17, 2016
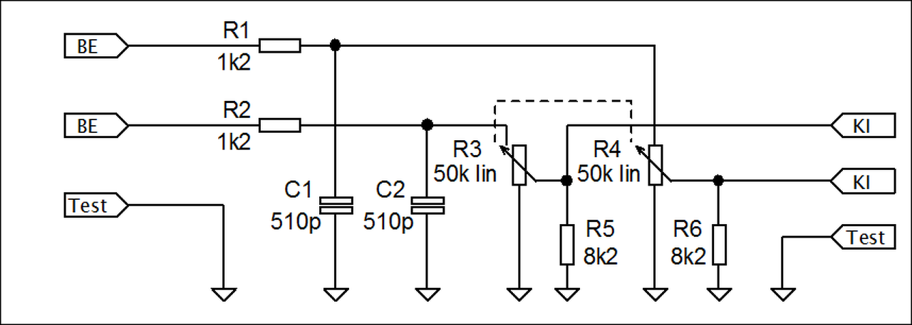
Ide feltettem egy saját rajzot, mert nem talátam olyat, amit már más lerajzolt (pedig sokat kerestem).
A hozzászólás módosítva: Ápr 19, 2016
A fotó alapján úgy tűnik, egyáltalán nem szorítja semmi az erősítő IC-ket a hűtőfelülethez. Célszerű lenne valamilyen módon felfogatni őket. A kengyeles megoldást én a legjobbnak tartom, javaslom ezt kialakítani.
Idézet: De szorítja, le vannak csavarozva. „...egyáltalán nem szorítja semmi az erősítő IC-ket a hűtőfelülethez.”
Sziasztok!
Egy db nyák-ra lenne szükségem a hidalt kapcsoláshoz, van-e valakinek pluszban, melytől megválna? Még a fúrás sem fontos. Esetleg komplett kapcsolás is jöhet, ha nincs más megoldás. A lényeg hogy ne lyukacsos nyákon kelljem összerondítanom. Árban megegyezünk. Kösz mindenkinek!
Sziasztok !
Sikerült ilyen kis erősítőkhöz jutnom szeretnék 2.1 et építeni lenne valami elképzelés miként lehetne megvalósitani? 4 db modulom van
Egyenként van M3 csavarokkal rögzítve, a fotón valóban nem látszik, de köszi hogy figyeltek!
![]() Hamarosan felteszem a kész teljes projektet.
Egy ilyen aplikációban több kihívás is van. Ha le tudsz mondani a legkritikusabb részről, ami a hangszínszabályozó, akkor 2 komplett építés tapasztalatai alapján inkább ezt a komplett tervet ajánlom.
Ebben minden benne van, ami kell, és minden össze is van huzalozva, tehát a hibázás lehetősége minimális. Reloop kimondottan ehhez az egységhez hangolta a komponenseket, és ha jól tudom nála is kifogástalan eredménnyel működik az összeállítás. Minden várakozásomat meghaladóan zajmentes, és elképesztő hangnyomás produkálására képes.
2x11V 0.4A trafóval mennyi teljesítményt lehet ki sajtolni a tda7294-ből?
A hozzászólás módosítva: Ápr 21, 2016
Semennyit
Én ma azzal hallgattam.
Nem sok teljesítmény jön ki belőle felesleges ilyen drága végfokot építeni rá.
Ez valami gyönyörű panel terv! Kb milyen árban mozog a komplett elkészítése trafó nélkül csak az alkatrészek
Fogalmam sincs, csak tippelni tudok.
A panel kb. 7.500Ft 4 IC kb. 4.000Ft 4 puffer kb. 2.000 Ft 2 relé kb. 1.600 Ft potik kb. 500 Ft Aprólékok kb. 2.500Ft Ez összesen bő 18.000 Ft, de ebben nincs trafó, csatlakozók, hűtőborda, ventilátor, illetve doboz és pláne nincs benne a munka.
Nem építettem ez volt itthon. Venni akarok hozzá való trafó. Fél hang erőtől feljebb nem lehetett venni mert torzított. Milyen erősítő passzolna a kis trafóhoz?
Szerintem tda2030-at lenne a legérdemesebb összerakni hozzá.
Hidat kibírná a trafó?
Nem, de a simát igen, van neki topikja oda írj mert innen törölni fogják
Van összesen 9VA trafó teljesítményed, a hatásfok miatt a 2/3-át tudod a hangszóróba juttatni.
Mért torzított ha hangerőt felétől feljebb veszem? Telefon volt a hang forrás.
Mert elfogyott a táp.
Megrogyott a tápod,va ben és feszültségben is nagyon kevés. 24v ac feszültségű trafó ideális a szimpla tda hoz és a hídhoz is.
Szép munka! De csak egy ecceri gépész vagyok, nincs lehetőségem ilyen szintű áramkör építésére, meg szerintem nem is lennék képes. Így maradnak az ebay-es modulok, tudom lutri a minőség, viszont olcsó és egyszerű. Túl sok szabadidőm sincs, de még is van egy kis barkács hangulata az összerakásnak. Egyébként már összeraktam élesztgettem a cuccokat, egyenlőre semmi para, zaj nincs, szépen szól.
Sziasztok! Igazad volt Alkotó! Az LM1036-os előerősítőről "lemondtam", így nem koppan a hangfal, plusz felesleges a hangszínszabályozás (szép hangszínű az alapjel, jó a háromutas hangfal, felesleges babrálni vele). Így marad a mély rész, mint probléma.
Már korábban írtam ezt egy NE5532-al épített mélyszűrő előerősítővel oldanám meg, mely egy mono végfokot lát el jellel. Kell e tudnom valamit erről? Illetve a bemeneti jelet simán kössem rá? Tehát egy sztereo-potin keresztül a főerősítőre, valamint párhuzamosan a mélyszűrő bemenetére, vagy el kell valahogy választani a két bemenetet? ui.: Elvileg 12V-os táp kell a mélyszűrőnek, egy kis toroid trafót vettem hozzá, hogy lehet egyszerűen, de jó tápot készíteni?
Ha jól értem a kérdéseid, akkor éppen ezeket a funkciókat öleli fel Reloop SUB4 elnevezésű kapcsolása, illetve megoldást is kínál minden funkcióra. Éppen ezért ajánlottam korábban is, hiszen ez van az én paneltervemen is.
Sziasztok.
TDA7294 híd-hoz milyen előerősítőt ajánlotok? Nincs szükségem magas,mély, balance csak egy sima előerősítő kellene. És ami +12V menne.
Szia! Mekkora erősítésre van szükséged? Mi a jelforrásod?
Számítógép,laptop,esetleg mp3/mp4.
Hogy hány mV-ra van szükség azt nem tudom megmondani annyira nem értek hozzá
Ezekhez elegendő a végfok érzékenysége. Ha mégsem, látogass el az előerősítő témába Bővebben: Link
|
Bejelentkezés
Hirdetés |











