Fórum témák
» Több friss téma |
Azzal tudsz mérni frekvenciát? Az érdekelne, hogy hány kHz-n ketyeg az IC.
Oszcilloszkóppal nem sikerült nagyon ugrált, de frekvencia mérővel mérve, beterhelve 40-43kHz közötti értékeket mutatott az Ic 2-es lábán.
Köszi, meg tudod mutatni, hogy hogyan néz ki pontosan a panelod?
Pont úgy, mint amit belinkeltél párral feljebb.
Sziasztok! Kerestem, de nem találtam olyan DC-DC konvertert, ami 5V-ból +/-12V-ot állít elő. Egy kis (tranzisztoros) fejhallgató erősítőt és hangszínszabályzót (LM1036-tal megépítve) kéne meghajtanom egy notebook USB portjából (vagy akár 2 USB portból). Tud valaki ajánlani valami megoldást? Köszönöm: Pepe
Szia! Köszönöm szépen a gyors segítséged! Venni fogom szerintem (sajnos), időhiány miatt.
Ha megis epitesz javaslom inkabb az MC34167-et. Combosabb es a doksijaban egybol van +/- 12V kapcsolas is.
Google a barátod: "step up converter 5v 24v" Bár nem árt számolgatni - elbírja-e a port. Én külső tápellátásra szavaznék inkább.
Üdv!
MP1584 adatlapján az abszolút maximum értékeknél az van írva, hogy minden egyéb lábnak ami nincs felsorolva 6V lehet a maximum feszültsége. A 4-es ábrán 59k + 100k feszültségosztó szerepel. Ha kiszámolom akkor a GND és EN láb között 28V bemenő feszültség esetén több mint 10V lesz, ami több mint az előbb leírt 6V. Ez nem gond? Vagy ekkora értékű feszültségosztónál ez már nem okozhat problémát? Egyébként azt írja az adatlap, hogy ha lógva van hagyva akkor belsőleg engedélyezi saját magát. Akkor miért tesz be feszültségosztót?
Üdvözletem!
Engem az érdekelne az adatlapján (13.-ik oldal, 25-ös ábrán) található DC-DC -t hogy lehetne megépíteni +- 7.5V és 2*2A -el, valamint a segéd +5V helyett +6.2V 2A rel? És ha már itt tartunk, a pozitív ág miért terhelhető jobban mint a negatív? MC34167 adatlap... Ja és lehetőleg 1 cellás Li-ionról kéne mennie a Vin -nek, magyarul 2,8V-4,2V -ig... A hozzászólás módosítva: Aug 20, 2016
Ez a tipus az altalad megadott celra szerintem nem jo, mivel magasabb minimalis bemeno feszultseg kell neki 4.2V-nal.
A szekunderek szamitasahoz ott a keplet kozvetlenul a kapcsolasi rajz alatti tablazat utan. A +5V -ot az R1/R2 oszto allitja be, aminek az R1 tagja nem szerepel az adott kapcsolasban, mivel az alapertelmezett 5V-hoz nem kell. Ez az R1, az R2 es RF koze csatlakozik es a foldre megy. (R2 = 6.8k, RF = 68k a rajzon) Keplet kicsivel feljebb az adatlapon.
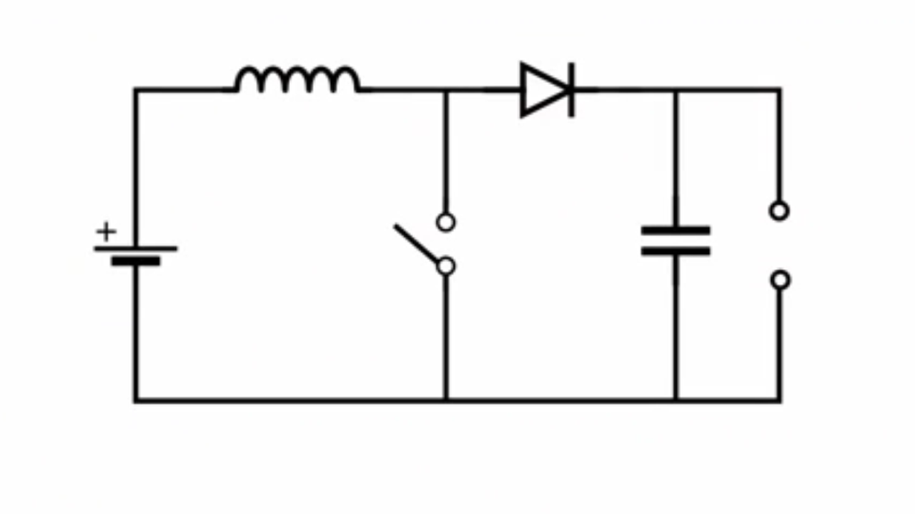
Sziasztok! Egy DC-DC konvertert szeretnék építeni, ami képes 300-350 Voltra, de ha több lesz a végeredmény, az még jobb. A kapcsolási rajzon szereplő áramkört raktam össze és szembesültem vele, hogy az én tekercsemmel elég nagy szenvedés 100V is, nem hogy 350, ha gomb van az áramkörben. Van itthon egy jópár NPN tranzisztorom, azt szeretném használni hozzá, illetve egy 555-ös IC-t. A gond csak az, hogy milliónyi kapcsolási rajz van a neten, nem tudom eldönteni hogy melyik lenne jó nekem. A gombon szerintem nem halad nagyobb feszültség 12-15 voltnál, a tápfesz is ennyi. Ebben tévedek? Hogy tudnám ezt a tranzisztoros dolgot összehozni? Mi kellene ehhez az 555-ös IC-hez?
A kondenzátor 1000V 680uF, a dióda 1N4007, a tekercsről sajnos fogalmam sincs, úgy lett leszedve egy tápegységről. A válaszokat előre is köszönöm!
Ne nyomógombbal akarj konvertert építeni. A rajz amit csatoltál az a működési elv, az alapkapcsolás. Erről egy kis olvasnivalót találsz itt, a 81. oldaltól kezdődik a feszültségnövelő kapcsolás.
Nem tudni mihez kell, mert az áramkört annak függvényében kell megtervezni, megépíteni. Ha nem kell nagy áram akkor megfelel egy néhány száz Ft-os céláramkör is, ha nagy áram kell ahhoz ez a kapcsolás nem a legjobb, oda inkább transzformátoros kapcsolóüzemű tápegység kell.
Elég nagy áram kell nekem sajnos, 30A, vagy felette. De a lényeg igazából a kondenzátor feltöltése lenne csak. A booster töltheti akár 1-2 percig a kondit, azzal nincs baj. Aztán a kondenzátornak kéne leadnia ezt a nagy áramot, egy pillanat alatt. Így is túl kell bonyolítanom a dolgokat?
Idézet: „A gombon szerintem nem halad nagyobb feszültség 12-15 voltnál, a tápfesz is ennyi.” A feszültség az nem halad, az az áram, bár jobb szóhasználat a folyik. Először is amikor a kapcsoló zárt állapotban van, akkor töltöd fel az induktivitást energiával. Ilyenkor a kapcsolóelemen gyakorlatilag nem esik feszültség, ilyenkor azt kell nézni, hogy elbírja azt a maximális áramot, amit áthajtasz a tekercsen. Viszont amikor nyit a kapcsoló, akkor az induktivitás igyekszik fenntartani a rajta átfolyó áramot, az nem szűnhet meg hirtelen(olyan mint egy felgyorsított vonat, azt sem lehet lefékezni egyik pillanatról a másikra). Ezért olyan feszültségre fog beállni, ami fenntartja ezt az áramot. Tehát a kapcsolóelemnek bírnia kell ezt a feszültséget, nehogy átüssön(maximális záróirányú feszültség). Idézet: „Elég nagy áram kell nekem sajnos, 30A, vagy felette.” Az nem kevés. Jobb lenne ha inkább leírnád mihez kellene, ha a kondit teljesen kisütöd, akkor ott exponenciálisan fog csökkenni az áram(és a kimeneti feszültség is) ohmos terhelést feltételezve.
300V 30A????????
Az 9KW Csak úgy megjegyzem (és még lehet ez is kevés neki... )
A megfogalmazásért bocsánat, nem igazán figyeltem erre a munka nagy hevében
egy erősebb NPN IGBT tranzisztor megoldás lehet? Mert olyanból van egy pár itthon, ami 20-30 amperes és elvileg ezeknek el kéne bírni párszáz voltot.Elektromágneshez kellene, ami hirtelen képes nagy erőt kifejteni. Ha századmásodpercről beszélünk, az sem probléma. Lényeg a minél nagyobb és erősebb mágneses tér.
Yepp, annyi
ezért akarok biztosra menni, nehogy valami apró dolgot szúrjak el
Gondoltam, hogy valami mágneses fegyver lesz...
Lottó ötösöm lett volna ilyen biztos.
Jól sejtem, hogy ennek nem kell üzem közben nagy terhelésen mennie, csak annyi a lényeg, hogy feltöltsön egy kondenzátort?
Nem lehetetlen szerintem, csak egy megfelelő kondi kellene, akár többet párhuzamos kapcsolva, hogy csökkenjen a soros ellenállásuk. A kapcsolóelem méretezéséhez mint mondtam kell a maximális átfolyó áram, maximális záróirányú feszültség és hogy kellően gyors legyen(bírja a kapcsolgatási frekvenciát). Ezenkívül figyelembe lehet még venni, hogy minél kevesebb legyen rajta a veszteség(vezetési és kapcsolási veszteség). Ha ezeket tudja a tranzisztorod, akkor jó, ha nem akkor nem. Általában MOSFET-et szoktak ilyen helyeken alkalmazni.
Másik kérdés, hogy mit működtetne ez a mágnes, mi értelme ennek az egésznek?
És megvan a győztesünk!
igen, az akart lenni. Nem akartam elárulni, mert hátha én vagyok az első aki erre vetemedik és csinálhattam volna erről egy leírást ide. (Vagy van már?) Meg hát az embert nehogymár terroristának nézzék... ![]() Buvarruha: Így van. mate_x: Nos, ha jól tudom, az IGBT nem áll távol a MOSFET-től, szóval ezek szerint az is jó lenne bele sok ilyen 1kV-os kondim nincs. 2 darab konkrétan. De akkor ezek szerint nem tudna ekkora áramot szolgáltatni a kondi egy pillanatra sem? az utolsó kérdésedre pedig kicsit feljebb megtalálod a választ, szerintem holnap lottózni megy a kolléga aki kitalálta a hiányos infóimból
Kösd párhuzamosan a két kondenzátort. A tekercs energiáját kiszámíthatod E=0,5*L*i^2 képlettel. Ezt az energiát minden átkapcsolás során átviszed a kondenzátorba, ha van elég idő az összes energia átáramlásához(0-ra csökken az áram, a dióda miatt nem tud rezgőkör kialakulni.) A kondenzátor feszültségét pedig U=gyök(2*E/C) képlettel tudod számolni. Persze a veszteségeket is figyelembe kell venni.
Ha úgy érzed eléggé feltöltődött, akkor a kondit rásütheted az elektromágnesre. A hozzászólás módosítva: Aug 27, 2016
Ha csak feltöltenie kell, akkor nem kell hozzá semmi extra, egy PC táp aktív PFC elemeit kibontva meg is volna minden alkatrész én is ezeket használom, bár más célból. Viszont a 15V-ból 300V-hoz nagyon nagy kitöltési tényező kell. Bővebben: Link Gondolom nem kell nagyon gyorsan feltöltenie a kondit, így lehet áramkorlátozó ellenállást használni és akkor nem kell annyira brutális FET és dióda hozzá.
Azt a nagyon nagy kitöltési tényező csak állandósult állapotban érvényes CCM üzemmódban. Mivel amíg tölti a kondenzátort addig nincs semmi terhelés, így elméletileg bármekkora feszültségre fel lehetne tölteni a kondenzátort.
Hibába nincs terhelés, a megfelelő feszhez kell akkor is elég energia a tekercsbe, legfeljebb az áram nem lesz olyan magas. Ezen az alapon terhelés nélkül végtelen feszültség jönne létre, ami lehetetlen.
Pedig így van. DCM üzemmódban a kimeneti állandósult feszültségre az összefüggés:
Uki=Ube+D^2*Ube/(2*L*f*Iki) Ha Iki=0, akkor Uki=végtelen. Persze ez csak elméletileg van így, gyakorlatilag bizonyos feszültség felett átütne a kapcsolóelem, stb...
Üdv! Szerintem nézz szét a villanypásztor topicban. Ez inverter (trafós) jobb lenne neked, mint egy step-up konverter. Pl.itt A végén a graetz után csak a kondit hagy meg. Esetleg soros ellenállás kellhet akkora kondihoz.
A hozzászólás módosítva: Aug 27, 2016
|
Bejelentkezés
Hirdetés |






Jobb lenne ha inkább leírnád mihez kellene, ha a kondit teljesen kisütöd, akkor ott exponenciálisan fog csökkenni az áram(és a kimeneti feszültség is) ohmos terhelést feltételezve.
Csak úgy megjegyzem (és még lehet ez is kevés neki...
)





