Fórum témák
» Több friss téma |
Sziasztok!
Nekem egy olyan egyszerű áramkörre volt szükségem aminek a kimenete egy bizonyos jel hatására egyszer a tápfeszültségen van, egyszer pedig nincs rajta feszültség (egy bistabil áramkör). És az interneten találtam egy kapcsolást és azt módosítottam kissé. Szerintetek működne ez az áramkör így körülbelül 100kHz-es frekvencián? Csak annyit csináltam, hogy a kapcsolókat kicseréltem ugyanolyan MPSA42-es tranzisztorokra.
Ahogy megrajzoltad Proteus-ban, biztos, hogy nem fog működni, ugyanis a két bázis egyszerre kap jelet. Amit szeretnél, ahhoz kell két ellenállás és egy tranzisztor.
És tudtam!
![]() Mind a két elektronika tanárom azt mondta, hogy ez így működni fog amit mondtam. És akkor meg tudnád mutatni, hogy pontosan milyen kapcsolást kellene készítenem?
Ahhoz a feltételeidet kellene ismerni, mert a "kimenete egy bizonyos jel hatására egyszer a tápfeszültségen van, egyszer pedig nincs rajta" messze nem egyértelmű. Nem írtál tápfeszültséget sem, sem azt, hogy milyen a vezérlőjel, illetve milyen terhelés várható a kimeneten.
Egy invertáló megoldás a mellékletben. Az értékek csak hasraütésszerűek, a fentiek ismerete nélkül. A hozzászólás módosítva: Júl 28, 2016
Nem ilyen inverterre gondoltam. Elnézést ha nem volt egyértelmű. Másképp szólva egy memória elemre lenne szükségem ami ha a bemenetére kap egy impulzust akkor átbillen a másik állapotba. (12V vagy 0). Terhelés pedig nem lenne nagy mert ezt a feszültséget egy MOSFET gátjára kellene csak rákötni.
Pontosabban ezt úgy szeretném, hogy a komparátor "figyeli" egy kondenzátor feszültségét és ha az eléri a referencia értéket akkor akimenete átvált 1-re (12V) ami ezt a bistabil memória elemet átbillenti a másik állapotba és le nullázza a kondenzátort. Tulajdonképpen egy feszültség vezérelt oszcillátoról lenne szó. És itt egy kép egy nagyobb részletről.
Csak rápillantottam az áramkörre és azt kell mondjam, ez vagy füstölni fog első pillanatra, vagy semmit sem csinálni, de hogy működni nem fog semennyire, az tuti. Tele van hibával. Nem túl nagy falat ez neked? Már csak abból gondolom, hogy egy tárolónál elakadsz...
Hát nagy falat az biztos. De akkor is meg akarom csinálni
De egyébként nem igazán értem, hogy kapásból mik azok amik miatt ez nem működhet mert úgy csináltam a dolgokat ahogyan az adatlapjában le van írva az eszközöknek meg már nagyon sokat gondolkodtam a működésén is meg az egész folyamamton.
Mondjuk ez nem a végleges megoldás mert kisebb módosításokat még nem szerkesztettem ezen. Például a túláram védelemnél (jobb alsó sarok) az egyenirányító hídnak nincs semmi értelme mert csak egy kondenzátor kellene oda.
TR6: A szekunder össze van kötve a primerrel, párhuzamosan van kötve a TR5-tel, mindenféle vezérlés nélkül. BR1 negatív kimenete megy a TR6 primer oldalára, pozitív kimenete a műv. erősítő invertáló bemenetére. Az U7:A negatív tápja a TR6 szekunderére van kötve közvetlen, a pozitív tápja valahova, a nem invertáló bemente össze van kötve a pozitív tápfeszültséggel. C10 a BR1 váltó bemenetére és a BR1 pozitív kimenetére van kötve. És ez csak egy kis részlete az egésznek.
Mielőtt kipróbálod, hívd fel a tűzoltókat, hogy kezdjenek öltözni. Nem akarom elvenni a kedved, de nem egy reaktor építésével kellene kezdeni a dolgot, különben csak csalódást fogsz tapasztalni.
Rendben
Köszönöm a segítséget!
Egyébként ezt a sok rövidrezárt trafós kapcsolást innen vettem.
Bal oldalon van az 2 trafó középen. És az egy DRSSTC túláram-védelmme lenne azzal a különbséggel, hogy ott tényleg oda-vissza folyik az áram de itt csak "szaggatva" van a jel szóval nem kell a BR1. A hozzászólás módosítva: Júl 28, 2016
Itt nézz szét: Bővebben: Link.
Jártam már ott egy párszor...
Addig kérdezősködtem ott amíg fel nem idegesítettem kissé az egyik felhasználót mivel ez előtt az összes tesla-tekercs variáns működését át tanulmányoztam oda meg vissza a forgó szikraközös teslától a QCW-DRSSTC-ig.
Sziasztok.
Érdekelne egy atom biztos bistabil multivibrátor 555-el. Ha kap egy jelet akkor úgy marad "végtelen" ideig amíg nem kap egy újabb jelet akkor visszaáll alap állapotba. Valaki kapcsolási tud ajánlani én hiába kerestem nem találtam. üdv A hozzászólás módosítva: Szept 8, 2016
Astabil/bistabil/monostabil/atomstabil
Ha nem ragaszkodsz az 555-ös IC-hez, találhatsz bőven. Az ilyenek többnyire annyira stabilak, mint a tápfeszültségük.
Hello! Mondjuk ködös amit írsz. Mert egy "bistabilnak" általában két bemenete van, egyikkel bebillen, a másikkal ki. Te pedig mintha egy bemenetel szeretnéd vezérelni. Arra viszont van külön topik, a ki-be kapcsolás egy nyomógombbal címmel. (Vagy ilyesmi..)
Nekem egy bemenetel kell mert a 433 MHz TX-RX Adó vevőnek kellene egy nyomógombos relés vezérlőnek.
Akkor milyen kellene? Üdv. A hozzászólás módosítva: Szept 8, 2016
Köszi.
Amúgy melyik az egyszerűbb 555-sel vagy tranzisztorral? Mert nekem a legegyszerűbb megoldás kellene. És a linken szereplő képeken hol a jelbemenet? Üdv. A hozzászólás módosítva: Szept 8, 2016
Tőlem kérdezed, neked melyik az egyszerűbb?
Hol atombiztos kell, hol egyszerűbb? Inkább azon gondolkozz el, hogy miképpen illeszted a az adó-vevődhöz. Vagy is milyen kimenete-jelszintje van, és azzal mit lehet kapcsolni. stb..
A vevő csak egy jelet ad és a képen látható IN bemenetre szeretném rá tenni a multivibrátort.
És a másik felére pedig egy 5 vagy 12 voltos relét. Inkább legyen egyszerű és kevés alkatrészes. Üdv. A hozzászólás módosítva: Szept 8, 2016
De akkor ezek a rajzok közül valamelyik használható?
Csak át kellene alakítani, hogy a következő jelre állítsa magát alapértelmezettre. De melyik alkatrészen kellene változtatni? És valahogy a 3-ik ábra alapján nézne ki nem? Üdv. A hozzászólás módosítva: Szept 9, 2016
Idézet: „De akkor ezek a rajzok közül valamelyik használható?” Nem. (Legalábbis szerintem az általad akart módon.)
Oké akkor tudnál adni egy jó kapcsolási rajzot?
Üdv.
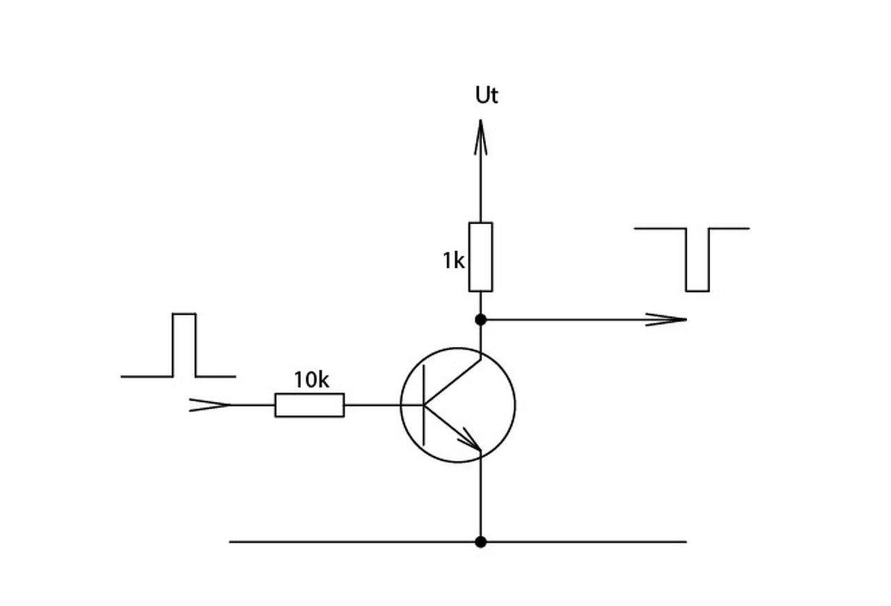
Hello! Számtalan kapcsolás megfelelhet. Csak tudni kéne, hogy a vevőd feszültséget ad ki, vagy nyitott kollektoros kimenetű. (Tehát GND-re húzza le a kimenti vonalat. Mert csak az áramkörhöz illesztés a kérdés. De pld. itt talász egy kapcsolást. Ha feszültséget ad ki akkor az R1 nem kell. Ha nyitott kollektoros, akkor kell. És az általad "IN" pontnak nevezett kimentet az R2-R1 közös pontjára kötöd.
Ott is probléma van, hogy az RX/TX áramkörökkel nem lehet egyenszintet, vagy egy szem impulzust átvinni. Olvasgatni kellene a távirányítós, távvezérlős topikokat.
Ebből következik, hogy nem lehet egy 433 vevő kimenetére bistabilt, az adó bemenetére nyomógombot tenni.
Ha az IN-re és a DC- -ra egy voltmerőt teszek akkor mutat 4 és 1 volt közötti értéket.
Nekem csak adjatok egy tervet ami működik és kevés alkatrészes, ennyi. üdv.
Megcsináltam a képen látható kapcsolásokat és u az IN-re és DC mínusz- ra tettem egy 12 V-s Relét.
Amikor megnyomom az adó részén a gombot akkor egy pillanatra behúzz a relé. Szóval szerintem ide kellene egy olyan kis kapcsolás ami "végtelen" ideig behúzva tartja aztán a következő jelre elengedi a relét. Esetleg ha tudtok ilyen kis kapcsolást akkor jó lenne ha megosztanátok velem, előre is köszönöm szépen. Üdv. |
Bejelentkezés
Hirdetés |










Hol atombiztos kell, hol egyszerűbb? Inkább azon gondolkozz el, hogy miképpen illeszted a az adó-vevődhöz. Vagy is milyen kimenete-jelszintje van, és azzal mit lehet kapcsolni. stb.. 









