Fórum témák
» Több friss téma |
Hello! Az 555 (monostabil) elé kell egy "erősítő fokozat", mert az csak maximum 1/3-ad tápra tud billenni. Ha a jeladód képes leadni 600mV-nál nagyobb feszültséget, akkor elég lehet akár egy tranyó is. Ha nem, akkor komparátor kell elé.
Üdv.Köszi a gyors választ.Ami gond az hogy nincs jelado...Az is kellene és jolenne házilag megvalositani (ha lehet).Simán fogjak egy mezei mágnest és tekerjek rá pár menetet?Hogy kellene kivitelezni?Nekem foalmam sincs..
Akkor itt kb. semmi sem biztos. De ha volt eredetileg, akkor azt kellene reprodukálni. DE lehet sokkal jobban jársz egy Hall érzékelő beépítésével.
Erre gondoltam már én-is..Csak nemtudom hogy a hall-hoz mennyi mágnes kellene hogy aránylag pontos legyen a mérés 2-300-as fordulaton is...Mármint a forgo tárcsára(hengere) elég lenne egyet rátenni vagy kellene több?Hogy kellene ezt kivitelezni?
Analóg műszernél és lassú fordulatnál a műszer tehetetlensége a gond, mert az fog átlagolni. Vagy is ha lassú a jel, lehet hogy csapkodni fog. De azt írtad, hogy a tárcsán van több szegmens, azt kellene kihasználni és nem egy-két mágnest. De ez sok mindentől függ, főtengelyen van-e a tárcsa, vagy valami áttételen. Egyáltalán milyen motor ez, ahol 1400 a fordulat. De az érzékelő célszerű elhelyezését látatlanban elég nehéz megmondani. Azt leginkább ki kellene kísérletezni. De egy hall érzékelőnél egy elemmel és egy Led+ellenállással elég látványosan ki lehet próbálni.
Cséplögép dobfordulatmérö.Errre kellene.Volt rajta már csak lelett szedve és az már a múlté...Tehát ide kellene egy fordultamérö.A jelado helye is megvan és azt is kideritettem hogy induktiv jelado volt benne...Meg ugye nem tárcsa van rajta hanem henger és ennek a hengernek az egyik vége kapcsolodik a tengelyhez, a másik vége pedig szabadon van.Ez a henger van bevagdosva kb 3-5 mm-enként.
Nem véletlenül van bevagdosva, hogy több pólus legyen. Úgy kell kialakítani a Hall érzékelőt, hogy egy egy szegmens hol zárja a mágnesteret, hol pedig nem.
A mellékelt kapcsolásnak az 555-ös része megfelelne hall-hoz?A 10k-s trimmerrel mit lehet állitani?A bementi frekvenciára adott kimeneti jelet?Mert jolenne a kapcsolásra egy ilyen jellegü beállithatosági lehetöség,hogy a helyszinen felszerelve betudjam kalibrálni,mivel nem itthon lenne felszerelve a készülék.
Van itthon auto gyujtáshoz használatos hall jeladom,olyan ami a mágnesel együtt van és a szenzor meg a mágnes között van némi rés.Ezt majd kitalálom hogy lehetne felszerelni és ha ez igy müködik akkor meg is van a megoldás... A hozzászólás módosítva: Szept 16, 2016
Természetesen megfelel, de a monostabil időzítését ki kell számolni, majd a kapott impulzusszámhoz, amit el tudsz érni. Beállítani is az időt kell/lehet.
Szuper.Viszont kicsit gondban vagyok a számolással...Ebben tudsz segiteni?Mit kellene pontosan kiszámolnom megmérnem?A max fordulatszámhoz amin forog a dob ahhoz kell kiszámolnom,az idözitést hogy a müszer végkitérésben legyen amikor maximumon forog a dob?Erröl lenne szo?
Nemtudom megtudod-e érteni amit irok. A hozzászólás módosítva: Szept 17, 2016
- Elsőként azt kell megtudni, hogy egy körülfordulásra hány impulzust ad a Hall. Tegyük fel hogy 10-et. Akkor 1400-as fordulaton percenként 14000 impulzus jön.
- Frekvenciában ez a 60-ad része, tehát 14000/60=233,3Hz. Periódus ideje ennek t=1/f 1/233,3Hz=4,28ms. Tehát 1400-as fordulat mellett 4,28ms-onként érkezik egy impulzus. - A monostabil időzítése ezt az időt nem érheti el, mert akkor maximális fordulat felett újraindítás jönne létre két impulzus között. Vagy is pld. legyen akkor a monostabil ideje 4ms. - A monostabil időzítésének számítása Tw=1,1*R*C. Ha a kondit egy fix értékre választjuk, akkor az ellenállás értékét számolva, R=Tw/(1,1*C). - Ha a kondi pld. 100nF és a Tw 4ms akkor R=4ms/(1,1*100nF)= 36,36kohm (Természetesen mindet alapegységben kel számolni.) Nilván a pontatlanságok miatt az ellenállást változtatható értékre kell alakítani. Ha egy fix 33k-t választunk, akkor marad 3,36k. Hogy ez egy potinál kb. középállásban legyen, ennek kétszeresét célszerű venni. Az 6,7k lenne, de ekkor ugye egy 10kohm-os trimmert célszerű választani. Ekkor az ellenállás változtatható 33k..43k között. - Tehát visszaszámolva a szabályozási tartományt. Tw=1,1*R*C képlettel, az idő 3,63ms..4,73ms között változtatható. Ez -10% és +18% szabályozhatóságot jelent. - A műszer, a jel átlagértékét fogja mutatni. Ez az impulzus területe. Ha az impulzus szélessége 4ms és a periódus ideje 4,28ms, akkor a kitöltési tényező 93,4%. De az átlagértéket, nem csak az idők befolyásolják, hanem a feszültség nagysága is. - Az 555-nél ez nem túl korrekt, mert a kimenet mags szint esetén nem tud a tápfeszültségig felmenni. 6V tápfesz mellett, kb. 4,8V-ra tud a kimenet felmenni. Ha ezt megszorozzuk a maximális fordulat kitöltésével, akkor U=4,8*0,934=4,48V lesz maximális fordulaton az átlagérték. - Erre a feszültségre kell a műszernek maximális értékre kitérnie. Ha a műszer érzékenysége pld. 1mA és belsőellenállása 1kohm, akkor az előtét ellenállás és a belsőellenállás összege, R=4,48V/1mA=4,48kohm. Az előtét ellenállásból levonódik a belsőellenállás, akkor Re=R-Rb=4,48k-1k=3,48k kell előtét ellenállásnak. Tehát a szabványos 3,3k előtét ellenállás mellett kisebb a monostabilnál a trimmerrel 5%-al kisebb időt kell beállítani, mert a műszer nem 4,48V-ra tér ki végértékre, hanem már 4,3V-ra.. Remélem így már érthető, mit mikor kell figyelembe venni.
Üdv.Nagyon hálás vagyok a segitségért!Igy már szinte értem mit hogy kell számolni.Ami még nem világos hogy én 5voltra szeretném a tápfeszt az 555-nek és igy nemtudom mekkora lessz a kimeneti feszültség magas szinten...?
Valamint amit mellékeltem kapcsolás azt igy megépitve jo tud lenni nekem?A kimeneten a diferenciálo rész az ezekkel az értékekkel megfelelö?A bemeneten lévö alkatrészek is megfelelnek számomra vagy kell változtatni valamit még az idözitö tagokon kivül..?
- 5V tápfesz mellett, kb. 4V lesz az 555 szintje.
- Nálad ha Hall lesz, nem kell ennyi hókuszpókusz. A Hall nyitott kollektoros kimenetű és tulajdonképpen így az első tranyó helyére mehet. - A kollektor komplexumra (RCR) sincs szükség, elég egy 2,2kohm-os kollektor ellenállás a Hall-hoz. A 47nF inkább 100nF legyen. A két dióda is szükségtelen. Inkább a GND-re menő dióda helyett is tegyél egy 10kohm-ot. - A kimeneten nem differenciáló tag van, hanem integráló. (Differenciáló tag a tranyó és 555 közötti 47nF/10k.) De az is felesleges, egy előtét ellenállással kötheted a műszert a kimenet és a GND közé. (Integráló tagok azért vannak, mert azok képzik a jel átlagértékét. A Led-es kijelzőnek nincs tehetetlensége, így mutatott érték helyett csak kalimpálna. Analóg műszernél a műszer tehetetlensége fog átlagolni. Feltéve, hogy elég sűrű jelet tudsz előállítani a fordulatból. Ha nem, akkor szükség lesz az integráló tagra, de egy meghajtó fokozatra is utána, mert úgy már nem lesz meg a műszerhez szükséges áram. Vagy melák kondikat kellene használni.) A hozzászólás módosítva: Szept 18, 2016
Rendben akkor 4volttal számolok.Bocsi összekevertem az integrálot a diferenciáloval..
![]() Elkészitettem a tárcsát a hall számára 12 "juk" lett rajta.Remélem elég lessz... Összerakom a kapcsolást és jelentkezek ha gond vagy kérdés merülne fel addig is köszönöm!
Üdv.Összeraktam a kapcsolást és a jelado részt is(igaz a 12"jukas" tárcsábol csak 4"jukas" lett a végén).Remélem elég impulzust tud adni igy is...Müködik minden viszont van egy kis gondom..Tesztelni ugy tesztelem hogy megpörgetem a tárcsát egy kis motorral-vagy furogéppel és nézem a mutatot.Itt jön a bibi..A furo is és a kismotor is "bezavar" az elektronikának...Ha csak közelteszem a furot vagy a mototrt a hall-hoz,már akkor is elkezd menni felfelé a mutato,holott a tárcsa még nem is forog..Ezt hogyan tudnám kiküszöbölni?A gépben amibe belessz épitve,elvileg ilyen zavar nemfog keletkezni,de ha véletlen mégis akkor jolenne ha az elektronikát ez nem zavarná meg...
Mit tudnák tenni ez ellen?
Hello! Maximum árnyékolni tudod. Ezek kefés motorok, amik tekintélyes zajt termelnek. Még az is előfordulhat, hogy mágneseset is. Burkold le a jeladó környékét, árnyékolt kábellel vezesd a Hall három vezetékét. Kéteres árnyékolt is segíthet, ha a GND-t az árnyékoláson, a plusz tápot és a jelet belül vezeted. Tegyél kondit a Hall tápjára a jeladó mellé. És földeld a rendszert a táp GND pontján. Máshol viszont ne.
Üdv ujra itt.Sikerült amit irtál,árnyékolt huzallal és a hall dobozának teljes leárnyékolásával megoldodott a gerjedés-zavarás probléma,viszont elöjött egy uj gond.Nemtudom hogy gond e vagy én számoltam el valamit.
A következö történik: Elkezdem forgatni a tárcsát(4 impulzus egy fordulatra) és megy is szépen felfelé a mutato igaz kicsit vibrálva.. ezer fodulattol fejjebb viszont nem megy ami az jelenti hogy a müszer kb háromnegyedétöl egy picit fejjebb megáll,és ha még növelem a fordulatot,akkor visszaesik a mutato tehát nem fejjebb megy hanem lejjebb.Elszámolhattam az RC tagot?(én erre gyanakszom) Valamint a mutato alacsony fordulaton nemigazán stabil...Kicsit libeg fel és le.Ezt a kimenetre rakott integrálo taggal lehetne "simitani"?Az hogy nézne ki?Irtad hogy kellene oda egy erösitö fokozat is az integrátor után.Tudnál rajzolni nekem egy kapcsolást ehez? Itt jegyzem meg ujra hogy nagyon hálás vagyok a segitségedért! A hozzászólás módosítva: Szept 19, 2016
De az elején 0-1400 fordulatot írtál, akkor minek a 10ezer?
"A monostabil időzítése ezt az időt nem érheti el, mert akkor maximális fordulat felett újraindítás jönne létre két impulzus között. "
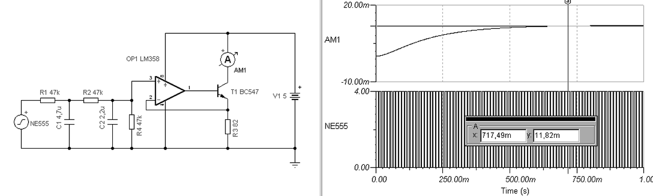
Előre írtam ezt a hibát. Vagy is ha nem emelkedik tovább, akkor a fordulatimpulzusokhoz képest nagy a monostabil időzítési ideje. Ha 1400 a fordulat és négy pöcök van, akkor 5600imp/perc, vagy is az 93,3Hz és 10,7ms. Ekkor jó, ha a monostabil idejét 8ms-ra választod meg. Ekkor 75% lesz a kitöltés, 4V kimenet mellett az 3V átlagérték. Arra kell a műszer előtétet méretezni. De nem tudom még most sem, hogy milyen érzékenységű is a műszer.
A müszer 16ohm és 12mA.Akkor ott toltam el hogy nem 8ms-ot számoltam hanem 10-et...
Nem szabad nagyon megközelíteni a maximális kitöltést. De lerajzoltam hogyan lehet integrálni és a műszert meghajtani. De az integrálás egyben késleltetést is jelent. Így ezért, kb. 0,7sec mire beáll a fordulatnak megfelelő érték.
Szuper!A kondik gondolom elkok a bemeneten...?Az lm358 kimenetére is bekell tenni az elötétet a müszernek?
Természetesen elkó, és a negatív a GND-n. Az LM358 másik felét vagy hatástalanítani kell, vagy feladatot csinálni neki. Nem kell előtét, mert ez áramgenerátoros kimenetű. A bementi feszültségre (C2) az R3-al lehet a kimenti áramot állítani. De így kb. megfelelő lesz. A 8ms impulzus, és 10,7ms periódusidővel, 1V/R4 a kimeneti áram.
Hmm minden ok de a mutato megsem moccan..Mit ronthattam el?5ször leellenöriztem és semmi...A lm 358 mmásik felén a két bemenetet lehuztam a földre az ugy jo?A többi ugynaz mint a rajzodon de a mutato moccanni sem akar...
Hogy válaszoljak saját magnak,sikerült èletre kelteni.Valamit fèlrekötöttem az este(biztos azèrt mert már èjfèlre járt..).Mostmár müködik igaz kicsit ingadozik a mutato nem áll meg egy helyben de lehet a furo elektromágnesessège miatt.Ma kiprobálom èlesben a gèpben ès kiváncsian várom a fejlemènyeket.
Proli007-nek pedik mègegyszer ezer köszönet a szájbarágos magyarázatèrt ès a sok önzetlen segitsègèrt! ![]() Üdv.Hát korai volt az öröm...Minden jolett volna csak a jelado rèsz nemfèr el ott ahova felkellene szerelni..Van e mod átalakitani a kapcsolát mágneses induktiv jeladosra?A jeladòt hogyan tudnám elkésziteni hozzá? Tudsz ebben segiteni?
Mivel én sem a gépet, sem a méreteket nem ismerem.. De ha előzőleg volt ott valami, akkor ki kellene deríteni mi volt az és hogy volt és most is oda lehetne tenni valamit.
A maradék 358 OPA-ból meg meg lehet csinálni a komparátort hozzá. De egy szkóp nem árt ilyenkor, hogy lehessen tudni mekkora és milyen is a jel.
Induktiv jelado volt ott.A heje is megvan.Itt egy kép rolla.Ez többet elmond.Szkopom is van,csak a jelado tekercset kellene összehozni valahogy meg az elektronikát...
Én minden estre nem kínlódnék vele, ebben a környezetben, ha méretileg megfelel, egy ilyen induktív közelítéskapcsolót használnék. Igaz, hogy ez kétvezetékes és illeszteni kell, de azt úgy is mindenképpen meg kell tenni.
|
Bejelentkezés
Hirdetés |














