Fórum témák
» Több friss téma |
Ez a topikot azért nyitottam hogy szeretnék egy számomra bonyolult automatát építeni.
A fő feladat hogy a gép tudja szabályozni a hőmérsékletet keverjen és jelezzen ha elérte a kívánt hőfokokat vagy hibát érzékel. Ezen felül még a gázt is vezérelni kellene amivel a fűtés történne. pontokba szedve ezt kell a gépnek tudni. 1. Keverés (manuális leállítás és inditás. Időzítő nem megoldás) 2. Hőmérséklet mérés és kijelzés. 3. Fűtés és hőtartás. ( A két hőfok külön lehessen beállítani) 4. Esetleges hibajelzés és hőfok tartásba lépés jelzése. 5. Gázégő szabályzás. (Bekapcsolás és lekapcsolás. Gyújtás őrlángról történne. Palackból jön a gáz.) A fenti pontokat sajnos nincs ötletem hogy lehetne megvalósítani. Esetleg van valakinek egy épkézláb ötlete amivel lehetne dolgozni? Előre is köszönöm.
Első ránézésre pl. egy Siemens Logo8-al megoldható a feladat,bár egy-két dolgot pontosítani kell. Milyen pontos hőszabályzás kell? A gáz ki/be kapcsolása nem egyszerű (biztonsági kérdések), bár egy gázkazán szelep talán jó lehet.
A keverés egyértelmű, motor, közegtől függő mechanikával.
Mekkora hőmérsékletről van szó, milyen közegben? Egy DS18B20, jó lehet, ha -20-100°C-ig kell, ha melegebb, akkor valami PT1000 vagy hasonló. A hőmérő jelét egy mikrokontrollerrel dolgoznám fel, pár gomb, LCD kijelző, amin beállítható minden, az üzemmód is ott választható. Szelepnek egy gázkonvektorét használnám, abban van hőérzékelő lehetőség, ha elalszik az őrláng, nem engedi begyújtani. Lehet kapni elektromosan vezérelt szelepeket, azt kötném rá. Szabályozni is kell, vagy elég a ki-be kapcsolás? Szerintem az egész egy sima fég gázkonvektorból átalakítható.
A közeg az tej lenne. ÉS a hőfok az a 2 és max 80°C lenne. A hőfok pontosság +-3°C elegendő. A gázláng az 3 fokozatben kellene. 0-50 és 100%
Sziasztok!A képen szereplő eszközt szeretném megépíteni .Konkrétan íjak ragasztásának edzéséhez szeretném használni.(üvegszálas ragasztóhoz) Úgy szeretném megoldani,hogy 24 órán keresztül állandó 80 celsius fok legyen a megvalósitani.dobozban .Kérdésem ,megoldható e ez ?Illetve milyen hőfokszabályozót ajánlanátok hozzá? Izzókkal szeretném ezt.Bővebben: http://backyardbowyer.blogspot.hu/2014/02/pvc-bow-hot-box...t.html
Válaszotokat előre is köszönöm.Bocs ,hogy ide írtam A hozzászólás módosítva: Szept 28, 2015
Hello! Nem reklám képen.. De ha így kérdezel, célravezetőbb ezt megvenni és már célba is értél, akarom mondani "lőhetsz".
Ezt ,hogy kell bekötni?
A hozzászólás módosítva: Szept 28, 2015
Gondolom van hozzá, használati utasítás, de várhatóan nem egy nagy ördöngösség lesz.
De megkérheted Csupaszt, programozza be neked a 80 fokra és rajzolja le mit hova kell bekötni. Biztos megteszi..
Köszi szépen.
Szervusztok!
Vásároltam egy 65W-os fűtőfóliát a horgászcsónakom ülőpadjának fűtéséhez és szeretnék egy hőfokszabályzót építeni hozzá ebben kérném a segítségeteket! Tudnátok megbízható kapcsolást ajánlani? Köszi előre is.
A fő kérdés, hogy milyen szabályzásra gondoltál. Ha csak sima potis, ugymond érzésre szabályzót szeretnél az egyszerűbb, viszont, ha höfokra akarsz szabályozni az már bonyolultabb lesz. Milyen hőfoktartományt szeretnél? Akkuról menne (gondolom kis csónakban nem sok más lehetőség lenne)? Ajánlott lenne bele építeni egy akkufesz figyelőt is az akku mélytkisütésének elkerülésére.
Üdv Nektek!
Kérdésem volt-e már valakinek dolga a w1209 kínai szabályzóval? A gondom vele, hogy nem reagál a beprogramozott értékekre, kivéve a P0 alatti C/H váltást. Az értékeket veszi, tárolja, de nem úgy működik, hanem tartja a gyári(?) kb 28 fok be, 30fok kikapcsolási értéket, értelemszerűen C alatt. A leírás szerint a + - gombok egyidejű nyomásával visszaáll gyári beállításra. Na azt sem műveli. Valakinek tippje mit lehetne tenni? A jobb váll feletti erősen hátra megoldást egyelőre mellőzném, ha van más megoldás.
Én már használtam sok ilyen hőfokszabályzót, egyikkel sem volt gondom. Ilyen jelenség akkor volt (egy panelnál) amikor az időzítőprogramja is aktiválva lett! A menüjébe meg kellene nézni, hogy véletlenül nem aktiválódott-e ez a rész. Más ötletem nincs, esetleg még annyi, hogy a gyerekzára aktív, bár ezt még nem próbáltam.
Az időzítés melyik menüpontban van? Gyerekzár ?!
Ennyit tudok róla: P0 - hűtés / fűtés C / H P1 - Hiszterézis : 0.5 - 15C P2 - Hőm max. limit : 110C P3 - Hőm. min limit : -50C P4 - Hőmérséklet korrekció (kalibrálás) P5 - bekapcsolás késleletetés : 0-10min P6 - max hőmérséklet riasztás +- egyszerre -> gyári beállítások visszaállítása
Az enyémekben 8 menüpont van, de a kb P5-ösre gondoltam. de ha kell jobban utánanézek az enyémekben lévő menünek.
Köszönöm a segítséged, időközben kiderült, az, ami sehol sem volt róla leírva.
![]() Hátha jó lesz még valakinek ( W1209 hőfokszabályzó) ![]() A hőfok beállítása a következő az enyémnél: A tápfesz ráadása után, a set megnyom, hőérték villog. Ekkor a + - gombokkal lehet beállítani a hőmérsékletet, ami a beállításoknak megfelelően fogja működtetni a relét. Köszi még egyszer.
Igen alapból ebben így kell állítani a hőfokot. Akkor ezek szerint nem így állítottátok. De a lényeg, hogy már jó lett!
Sziasztok,segitséget kérnék tőletek, olajradiátor hőfokszabályzója elromlott,/Klixon/ Nincs semmi adatom, mely hőtartományba valót kellene hogy vegyek.Gondoltam a 80 C a felső érték az alsó 65 C fok lenne ekközött kapcsolgatna.Fevetődik a kérdés hogy olajra nem-e lessz magas,nincs támpontom. Ha valaki találkozott vele segítsen. Köszönöm.
Szerintem 80 fok, az kissé túlzás. esetleg még égési sérülést is okoz. Van alacsonyabb értékű is, gondolom 50 foknál nem kell melegebb.
Bővebben: Link
Sziasztok. Segítségre és ötletre lenne szükségem! Egy fűtőbilincs hőfokszabályzását szeretném megoldani. A bilincsbe belefognék egy saválló felül nyitott edényt, amelynek nem szabadna 160°C-170°C fölé mennie.
Az ötletem a következő lenne. NTC-s ledes hőmérő (A ledre azért gondoltam mert szeretném látni hogy hol áll a hőmérséklet), a 170°C-os led-re rákötni egy relét, ami kapcsolja a bilincs áramát. Szal ha eléri a 170-et, relé old, fűtés kikapcsol. Az NTC termisztort odaszorítanám a melegítendő edényhez mint ugye jelvevő. 230V, durván 300W teljesítményt kellene kapcsolni A bökkenő az hogy nem találtam sehol olyan ledes hőmérőt ami tudna ekkora hőmérsékletet. Az NTC azért lenne lényeges mert kicsi. Nagy kapilláriscsövet sajna nem tudok odaszorítani a fűtőbilincshez. Valakinek bármilyen ötlet?
Szia!
PTC-t használj, ne NTC-t a hőfok miatt. Van LM3914-gyel foglalkozó topik, ott biztos találsz kapcsolást.
Szerintem vegyél Kínából egy REX-C100-as hőfokszabályzót a hozzá tartozó hőelemmel együtt, annál olcsóbban úgy sem nagyon lehet megoldani korrektebben. Igaz az épíés öröme-szépsége elmarad, de ennél a szabályzónál a PID-es vezérlés segít a pontosabb szabályzásban.
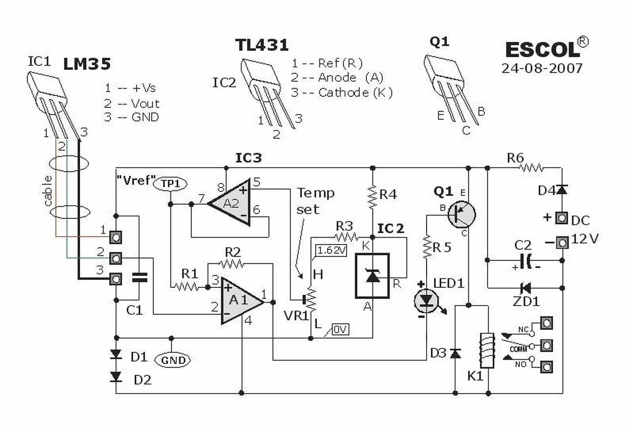
Sziasztok!
Az alábbi hőfok szabályzóval (csatolmány) kapcsolatban volna szükségem segítségre. Egészen pontosan a hiszterézis beállításával van problémám.A leírás szerint alacsonyabb értékű R2 ellenállással nő a hiszterézis. Jelenleg a rajz szerint van 4,7M de így nagyon kicsi a hiszterézis kb 1fok-ra saccolom.Ki lehet valahogyan számolni? Amire szükségem lenne 5fok és 10fok hiszterézishez tartozó ellenállásértékek. A segítséget előre is köszönöm. A hozzászólás módosítva: Jan 30, 2017
Szia!
Én nem számolgatnék, hanem próbálgatnék. A legegyszerűbb, ha szerzel egy 4,7 Mohm-os potmétert, sorba kötsz vele egy 470 kohmos ellenállást és ezt a kötöd kötöd be az R2 helyére.
Szia!
Ezt a megoldást már próbálgatom de nem sok sikerrel, ezért gondolkoztam a számoláson de fogalmam sincs hogyan kezdjek hozzá. A hozzászólás módosítva: Jan 30, 2017
Segítség a számolásban:
Bővebben: Link
Mit tapasztaltál, nem változott a ki-bekapcsolás közötti különbség?
Most ott tartok hogy 1Mohm ellenállás és 500k poti bekötve r2 helyére. Az áramkör 600mV-ra (60fok) állítva. poti 300K értékre van tekerve, szenzor a kazánom oldalára fogatva, most még csak üresen semmit nem kapcsol csak a relét. 70fokos a víz a kazánban nagyon minimális eltérésekkel ezt tartja itt kapcsolgat. Hőfokmérőn szemmel ellenőrizve.
Ami még fontos lehet hogy a szenzor a tűztérrel egy vonalban van a vízhőfokmérő kb 60 cm-re felette a kazán tetején csőhüvelyben. A hozzászólás módosítva: Jan 30, 2017
Tehát 1,3 Mohm mellett is még sűrűn kapcsol. Azt hogy kell érteni, hogy semmit sem kapcsol? Nem a keringetőt kellene ki-bekapcsolnia?
|
Bejelentkezés
Hirdetés |















