Fórum témák
» Több friss téma |
Nyugodtan használhatod a fantom tápot, dinamikus mikrofonon nincsen bekotve a +48V.
nincsen bekötve?
Ha bekapcsolt fantom táp mellett dinamikus mikrofonon a 2 és 3as lábon megy a +48v a mikrofon mindkét pontjának.Ebben az esetben ugyanaz a potenciál van mindkét ponton így akkor nincs gond. ?
Vagy olvasod, vagy nem, de egy kis összefoglaló a témáról. Ha dinamikus mikrofont csatlakoztatsz az erősítőhöz, kétféle bekötése lehet: szimmetrikus vagy aszimmetrikus. Szimmetrikus bekötésnél semmi gond nincs, a két tekercsvég a 2-3. lábon van úgy, hogy a 2a +, 3 a -. De ez nem a feszültség polaritását jelzi!!!! a földhöz (1. láb) mért feszültség mindkét lábi - így a tekercsvégeken is - ugyanaz a +48V, tehát nincs feszültségkülönbség, így hát áram sem folyik, nincs, ami bármit tönkretenne. Hangnyomás hatására a tekercsben váltakozó feszültség indukálódik, ez megy át az erősítőbe. A + és - jelzésnek itt van értelme: a+ a nem invertáló, a - az invertáló bemenetre kapcsolódik. Ennek a fázishelyesség miatt van jelentősége.
Aszimmetrikus kapcsolásnál általában az 1-3 (föld és egyik tekercsvég) láb összekötött, a 2. láb a "meleg" pont. Itt már baj van. A fantomtáp ugye a +48V-ot 6,8k-s ellenállásokon át kapja. Itt a - tápoldal rögtön a földre kerül. Ez legyen a keverő problémája. A + ág pedig a +48V-6,8k-tekercs úton záródik a földre. Az itt folyó max. 7mA áram a tekercset nem égeti le, minden rémhírrel ellentétben. Viszont a mikrofon tekercsében permanens mágneses teret hoz létre, ami vagy a légrés mágneses tere ellen dolgozik, vagy vele együtt. Ez bizony okozhat mechanikai sérüléseket. A hangnyomás az előfeszített mágnesen tér ellen kénytelen dolgozni, amiből csak kicsi és torz jel keletkezik. Gondolj bele: a 7 mA árammal szemben van a max. 20uA, amit a mikrofon le tud adni (10mV/500 ohm). Nem egy játéktér, csak torz valami jön ki belőle. Remélem, tudtam segíteni.
Több mint egy év eltelt... Szerintem megoldotta már...
Ne is neki szólt, hanem mindenkinek, akinek ilyen gondja van. Sok mindet írtak itt, okosságokat is, kevésbé okosat is. Összefoglaltam, ami szerintem ebben a témában fontos lehet. Különben is: egy újszülöttnek minden dinamikus mikrofon új....
Sziasztok!
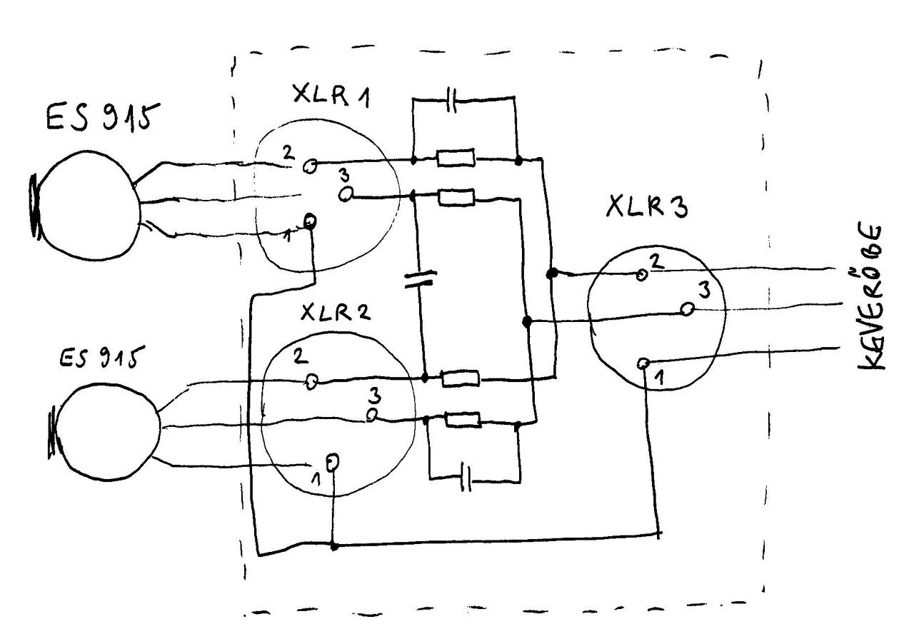
Egy templom hangosításával kapcsolatban lenne kérdésem. A szószéken 2db mikrofon van, Audio-technika ES915 típusok. Eddig mind a kettő mikrofon egy-egy csatornát fogalt el a keverő pulton, most viszont több okból is jobb lenne, ha egybe lehetne őket "tenni". A régi dinamikus szimmetrikus mikrofonokkal ez egyszerű volt, simán sorba lehetett kötni őket. Ezek azonban kondenzátor mikrofonok, amik a keverőről kapják a fantom tápon keresztül a megtáplálást. A kérdésem az, hogyan lehetne egyszerűen összekötni őket? Rajzoltam egy általam kigondolt passzív áramkört, ami a fantom tápot megosztja, de a mikrofon AC jelét elvileg sorba kötné. Működő képes lehet ez? Értékeket nem írtam a rajzra, de kb. 5kohmos válogatott azonos értékű ellenállásokra (a mikrofon specifikációja szerint 11...52V, 4mA fantomtápot igényel, a keverő 48V-t ad), illetve 10µF-os fólia kondenzátorra gondoltam. A szaggatott vonalon belüli részt egy dobozba megépíteném, és a mikrofonok közelében lenne elhelyezve. Ha ez így nem jó, mi lehetne az egyszerű megoldás?
Próbáld ki, akár jó is lehet...
Nem lehet még egy kábelt kihúzni? Vagy mi a trükközés oka?
Jelenleg van kettő kábel, és a keverőpulton is van kettő csatorna. De ha lehetne egy csatornára tenni, egyszerűsítené a kezelést, és a felszabaduló csatornára és vezetékre lehetne mást tenni. Persze, csak ha ésszerűen megoldható. Ha nem, akkor marad úgy, ahogy eddig volt.
|
Bejelentkezés
Hirdetés |





