Fórum témák

» Több friss téma
Fórum » Riasztószerelés tapasztalatok, ötletek (kizárólag haladóknak)
Lapozás: OK   54 / 85
(#) levaitamas válasza symbolic hozzászólására (») Okt 26, 2016 /
 
Azt gondolom tudod, melyik zóna micsoda, gondolok itt külön összevont szabotázs zónára. Ha nincsenek összevonva és szabotázs/vezeték hiba felismerős a rendszer és kikapcsolt állapotban csak hibát jelez akkor nem kell vele foglalkoznod.
Ha hatástalan állapotban hangos hibára a zóna, akkor amennyiben engedélyezett a gyors élesítés egyszerűen a BYP gombot hosszan nyomva tartva be kell ütni a sziréna zónáját és ENTER. Ha nem, akkor BYP és kód majd zónaszám és ENTER.
Vagy kikötöd a központból a sziréna indító szálját és úgy szeded szét.
Vagy ha a központ doboz kinyitására megszólal, egyszerűen kikapcsolod kóddal és nem zárod vissza a dobozt.
Elég sok a lehetőség, de kevés részedről az információ.
(#) symbolic hozzászólása Okt 27, 2016 /
 
Köszi a terjedelmes választ. Sajnos a szerelő fogalmam sincs hogyan kötötte be évekkel ezelőtt. A sziréna egy PS-128AK, és biztos van szabotázs védelme, mert ezt említette bekötéskor. De hogy milyen, és hogyan, azt nem tudom. Azt hittem ez egyszerűbb lesz. Akkor jobbnak látom ha kihívok egy szerelőt, hogy iktassa ki a rendszert...
(#) symbolic hozzászólása Okt 27, 2016 /
 
Egyúttal keresek egy embert Csepelre, aki december közepe környékén el tudna vállalni egy vezeték bekötést és felprogramozást! Előcsövezés és kábelbehúzás meglesz addigra.
(#) symbolic válasza levaitamas hozzászólására (») Okt 27, 2016 /
 
Beszéltem a szerelővel aki korábban programozta, és azt mondja tegyek be füldugót és kapjam szét a szirénát! Magamra maradtam, azt hiszem a sziréna indító szálát kikötöm, már csak azt mond meg kérlek, hogy melyiknek kell lennie annak? Illetve ha ki is kötöttem, és elkezdem lekapni a szirénát, akkor a külső burkolatának megbontásakor megint meg fog szólalni? Csakhogy mire készüljek.
(#) levaitamas válasza symbolic hozzászólására (») Okt 27, 2016 /
 
SP5500-ál elég valószínű a negatív indítása a szirénának. A BELL- pontból kell kikötni. Ha korrekt a telepítés, kell lennie egy szervíz vezetéknek is, amit ha testre kötsz egy (nemröhög!) "tü-tí" hangjelzést hallat a sziréna. Ekkor biztosan nem fog megszólalni. De ahogy már írtam iktasd ki a szabotázs zónát.
(#) genai hozzászólása Okt 29, 2016 /
 
Üdv mindenkinek!

Rokonok megkértek, hogy kössek be nekik egy paradox rendszert.
Mondtam, hogy hívjanak szakembert, de hétfőig senki nem vállalta és ők mennek ki kedden reggel Németországba.
A rendszer egy sp4000-es központ, egy ps-128-7 külső sziréna és 4 db NV5 érzékelő.

Valaki eltudna navigálni ennek a bekötésében telefonon keresztül?
Természetesen nem kérem ingyen!
A lényeg az lenne, hogy ez Hétfő délután üzemképes legyen.

Előre is köszönöm válaszokat.
(#) bajoros hozzászólása Okt 31, 2016 /
 
Üdv Nektek.

IP150 modul elérésében vagyok meglőve.
Belső hálózaton hiba nélkül üzemel.
Paradox oldalon beregisztrálva.
Routerben port átirányítások beállítva.
Események alkalmával küldi az emailokat, tehát kilát a hálózatból.

Külső hálózaton levő gépről azonban az istenért sem tudom elérni a rendszeremet.

Tehát a kérdésem: Van e köztetek bárki akinek sikerült beállítani a külső elérését IP150 modulnak?
(#) Syn7h37ic válasza bajoros hozzászólására (») Okt 31, 2016 /
 
Igen.
Az IP fix, legyen, és az átjárót be kell ilyenkor állítani, (a router ip-je) és természetesen Port forward Milyen router?
(#) bajoros válasza Syn7h37ic hozzászólására (») Okt 31, 2016 /
 
Asus ac68u a router
Ip150 modul természetesen fix-ipn
(#) Syn7h37ic válasza bajoros hozzászólására (») Okt 31, 2016 /
 
Az iParadox-al is próbáltad?
(#) bajoros válasza Syn7h37ic hozzászólására (») Okt 31, 2016 /
 
Azzal nem.
Azért csak akkor fogok fizetni ha már mindenhonnan elérem a risztót
(#) Syn7h37ic válasza bajoros hozzászólására (») Okt 31, 2016 /
 
Nézd meg, hogy a paradoxmyhome milyen porton akar vele kommunikálni, nekem pl a 81-es portot dobja. end user-nél tudod ellenőrizni.
Továbbá, ha Babyware-el programoztad, akkor azzal is be kell tudni lépni a riasztóba távolról is, csak a kapcsolatot be kell állítani IP/DNS-re, és meg kell adni a paradoxmyhome nevet és az IP150 azonosítót. Ha itt be tudsz lépni távolról, akkor nincs engedve valamelyik port, mert ez a 10000-t használja, a web port használja a 80-ast alapból, ha jól rémlik. Az iParadox is csak a 10000-t használja, nem kell neki a web port.
itt pedig az iparadox free
A hozzászólás módosítva: Okt 31, 2016
(#) bajoros válasza Syn7h37ic hozzászólására (») Okt 31, 2016 /
 
Nagyon köszönöm az apk-t

Egyenlőre ugy néz ki hogy a szolgáltatóm áttett NAT-olt hálózatba és ezért nem tudom elérni az IP150-et
Az lett gyanús hogy a routerembe sem tudok belépni távolról.
Amint hazaérek munkából hívom a digit hogy mánezerrel tegyenedk vissza publikus IP-re.

Addig is köszönöm segítségedet.
Amint lesz fejlemény jelzem

Üdv
(#) Syn7h37ic válasza bajoros hozzászólására (») Okt 31, 2016 /
 
A NAT a halála a távoli hozzáféréseknek. Kameráknál ugyanúgy, mint az IP moduloknál. Bár kameráknál már néhány gyártó megoldotta a felhőalapú hozzáférést, így NAT-olt rendszeren is megy, jóval nagyobb késleltetéssel.
(#) genai hozzászólása Nov 1, 2016 /
 
Üdv!

Az sp4000-es rendszert sikerült bekötnöm és felprogramoznom, ami működik is rendesen az első riasztásig. A riasztás kikapcsolása után a ps128-7 sziréna viszont nem áll vissza alap állapotba, elkezd a piros led villogni rajta. A következő riasztásnál is csak a piros ledek villognak és csak a deaktiválás után kezd normálisan villogni.
A szirénából 3 ágat kötöttem be: START - BELL+, DC pluszt és minuszt az AUX-ra, és a bell rész lezártam 1kohm-os ellenállással.

Ha leáramtalanítom az egész rendszert, akkor jó minden az első riasztásig.

Mi lehet a probléma?
A hozzászólás módosítva: Nov 1, 2016
(#) Barni87 válasza genai hozzászólására (») Nov 1, 2016 /
 
Szia! A sziréna negativ tápágát kösd az aux- -ra. A pozitív táp agát Bell+ -ra. A start bemenetet pedig Bell- -ra. Az ellenállás maradjon a Bell pontok között. Első körben ennyi. Ha nem javul a dolog akkor el lehet játszadozni a szirena beállításaival is, mert ez egy programozható 7 hangú. A B C Jumperek a hangnak megfelelelően legyenek felhelyezve és Negativ triggerre legyen állítva a Start jel típusa.
(#) genai válasza Barni87 hozzászólására (») Nov 1, 2016 /
 
Köszi a választ! Sajnos ugyan azt csinálja. A riasztás után 4 percig megy a sárga fény, utána elkezdenek a piros ledek villogni, majd mintha öntesztet csinálna és újra csak villognak a piros ledek.
(#) Barni87 válasza genai hozzászólására (») Nov 1, 2016 /
 
Szerviz, report pontokon nincsen semmi?
Jó akksi van belerakva (polaritáshelyesen)?
Simán testre húzod a start bemenetet, mit produkál?
(#) bajoros válasza Syn7h37ic hozzászólására (») Nov 1, 2016 /
 
Minden O.K.
Szolgáltató visszatett publikus IP-re és már szalad is a távelérése a rendszernek.
Köszönöm a segítséget.
(#) genai válasza Barni87 hozzászólására (») Nov 1, 2016 /
 
Azokon nincs semmi, csak ez a 3 vezeték van bekötve + az ellenállás.
Az aksi jól van benne.
HA testre húzom, akkor nem csinál semmit.
Átraktam a triggert, hogy start2 induljon, azzal se ment és azóta riasztáskor a hangszóró nem csinál semmit .
Van még valami tipped, hogy mi lehet a gond?
(#) genai hozzászólása Nov 1, 2016 /
 
A következő lett a felállás: DC + Aksiról, DC - Bell -,ról Start1 pedig bell +-ra kötve, bell ellenállással ellátva. Így a következőt csinálja: Riasztásnál felvillan a lámpa 2 szer, majd átvált a piros villogásra. Amint kikapcsolom a riasztást, akkor elkezd üvölteni és a lámpa is normálisan villog. Ezt 4 percig csinálja, majd: egyszer villog a piros, utána egyszer a sárga, majd megint egyszer a piros és háromszor a sárga, ezek után már csak a piros villog, amíg újra le nem áramtalanítom a rendszert.
A hozzászólás módosítva: Nov 1, 2016
(#) Barni87 válasza genai hozzászólására (») Nov 1, 2016 /
 
Nem igazán jó ez így. Az sp4000 csak negativ indítást tud. Bell+ állandó rövidzárlat védett +12v-ot ad és a Bell- -t kapcsolja riasztáskor. Tehát a helyes bekötés az amit előzőleg leírtam. Akksiról nem célszerű biztosíték nélkül így tápot venni, mert ha zárlat lesz valahol, akkor pillanatok alatt felizzik a 0.22-es huzal.
(#) Syn7h37ic válasza Barni87 hozzászólására (») Nov 1, 2016 / 1
 
Nem. Az SP4000 az egyetlen, Paradox panel, ami pozitív szirénaindítással működik. az állandó pont a bell- , és a figyelt kimenet a Bell+
A helyes sziréna bekötés enné a módszernél pedig: sziréna állandó tápellátáson, az Aux+ aux- pontról. A szirénát pozitív jellel való indításra kell állítani. A bell+ megy a sziréna startra. a legfontosabb SP4000-nél, hogy a Bell+ és a Bell- le legyen zárva egy 1k Ohm ellenállással.
Ha a sziréna csak negatív indítást tud, akkor két megoldás maradt. Első, kell egy relé, ami a negatívot kapcsolja a sziréna startra. A második a PGM kimenetet kell használni, mert ez viszont negatívot kapcsol. A PGM-et fel kell programozni sziréna követő módra.
(#) Norbicsek hozzászólása Nov 2, 2016 /
 
Sziasztok,
Segitsegeteket kernem egy infra bekotesehez. Mellekelt kepeken lathato a kozpont illetve az infra. Hogyan tudom a legegyszerubben osszekotni? Nagyon koszonom a valaszt elore is.
(#) Danpet8380 hozzászólása Nov 3, 2016 /
 
Üdv.

Egy paradox MG5050-es központtal van egy kis problémám. Egy ideig jól működött, aztán X idő elteltével a kürt "elcsendesedett". Akksi keresztcserével kiderült, hogy a kürt akkujával gond van, mert ahogy a központ akksiját beépítettem, lett fény, hangjelzés, stb. Kezdtem örülni, aztán jött a probléma. A sziréna meghatározott időközönként ( kb. 10 mp riasztás - pár perc szünet) beindul és ezt ismétli. A rendszer nincs beélesítve. A sziréna zónabemenete nem hoz hibát. IP150 van a rendszerhez, a felületen "Bell absent" hibát hoz. Mi lehet ami szabályos időközönként beindítja a szirénát? A másik akksi sem jó? Új akksik voltak, néhány hétig működött megfelelően a rendszer.
Nem tudom a sziréna bekötésnek lehet-e köze hozzá.... Egyáltalán maga a sziréna generálja a riasztást, vagy a központ.... Egyébként PGM-el indítom a riasztás (Bell követés), és tápelvételre indul. Egy segédrelé van a PGM kimeneten, mely riasztáskor elveszi a tápot a szirénától.

Előre is köszönöm a segítséget és ötleteket.
(#) Syn7h37ic válasza Danpet8380 hozzászólására (») Nov 3, 2016 /
 
Szirénát indítani nem jó ötlet tápelvétellel. A segédrelén van védődióda? Ha nincs jó eséllyel kinyírtad a PGM kimenetét. Továbbá nem indítunk szirénát tápelvételes módszerrel, mert nem tesz jót az elektronikájának. Azért van a start szál, a tápot folyamatosan kell adni, hogy a szirénában lévő akku mindig rendesen feltöltött állapotban legyen. Az szintén nem biztos módszer, hogy kicserélsz egy rossz akkut egy használtra, mert a központ akku sem biztos, hogy jó. Nem drága az akku, érdemes újat venni, amúgy is egy akkumulátor élettartama max 3 év.
A hozzászólás módosítva: Nov 3, 2016
(#) Danpet8380 válasza Syn7h37ic hozzászólására (») Nov 3, 2016 /
 
Az akksit keresztcseréztem a bentit és kintit, hogy kiderüljön azzal van-e probléma. Pár hetet ment az akksi, újonnan vettem. Lehet az az ok, hogy kinyírtam a pgm kimenetet ezért időközönként elveszi a tápot, úgy hogy nincs beélesítve a rendszer? Nem akartam tápelvétellel indítani, szükség megoldás volt, mert valamiért nem akart indulni starttal.... A sziréna bekötési sémájában benne van a tápelvételes bekötés is, de ezek szerint ez nem preferált megoldás, elgondolkozok a starttal történő indításra, én is jobb megoldásnak tartom, csak valamiért nem bírtam így életre kelteni. A nem megfelelően működő pgm kimenet akkor is működteti a szirénát, ha nincs beélesítve? És meghatározott időközönként?

Köszönöm,
(#) Danpet8380 hozzászólása Nov 3, 2016 /
 
Üdv.

MG5050 Paradox központot szeretnék programozni Babyware-el, mivel tudok kommunikálni vele, milyen kommunikációs csatorna létezik? A központban van egy IP150, esetleg ezen keresztül is el tudom érni? Vagy kell soros/USB átalakító és direkt-be kell csatlakoznom?

Köszönöm,
(#) levaitamas válasza Danpet8380 hozzászólására (») Nov 3, 2016 /
 
Szia!
Tudod programozni IP150-el is, mindössze a bébiverben a csatlakozási beállításoknál kell megadni az IP150 IP címét és a portját, ami gyárilag a 10000-es. Majd egy modul jelszót, ami gyárilag: paradox.
A tápelvétel elég balkáni módszer, persze ha nincs más...
Nem tudjuk a szirénád típusát, de általánosan van neki plusz táp-BELL+ , mínusz táp-AUX-, start ami BELL mínusz. Ha nem állítható a sziréna indító triggere, akkor relézd meg, de sok sziréna alapból negatívra indul és az MG is negatívval indít a BELL-en.
Ne felejtsd el egy kiloOhm-al lezárni a szirénában! a start és a BELL+ pontot.
Tápelvételes indítást mint opciót szerintem azért alkalmazzák a gyártók, hogy ha elvágják a sziréna kábelt akkor azonnal indul. A Signal-nál ez funkció tiltható.
A hozzászólás módosítva: Nov 3, 2016
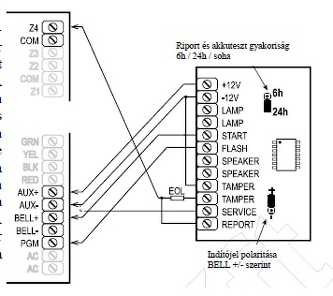
(#) Danpet8380 válasza levaitamas hozzászólására (») Nov 3, 2016 /
 
PS128A a sziréna típusa, 6 vezetékesen akartam bekötni, csak a központ Bell- kimenete, ami indítaná a szirénát, nem indított, bármit csináltam..... Ezért maradt a tápelvétel.

Egyébként a csatolt bekötés akkor nem működik MG5050 és PS128A-val? Ott nincs az 1 kohm a start és bell- között...

Köszi a segítséget.
Következő: »»   54 / 85
Bejelentkezés

Belépés

Hirdetés
XDT.hu
Az oldalon sütiket használunk a helyes működéshez. Bővebb információt az adatvédelmi szabályzatban olvashatsz. Megértettem