Fórum témák
» Több friss téma |
Vagy a tirisztor hibás vagy a vezérlő köre,ott keress hibát.
Van ez a kis tranzisztor .2N 6027 E49 ez mire szolgálhat? Már ahogy nézem volt cserélve talán ez lehet a hiba most is .Ahogy nézem az előző szerelő is tud forrasztani
PUT
Ez az alkatrész gyújtja be a tirisztort.
Üdv!
A villámhárítót ha kell, melyik szakaszra kell beépíteni és hova kell kötni? Földre? Meg lehet oldani házilag is a kivitelezést, hogy ne kelljen gyárit venni? Köszi!
Jó estét
Ismeri valaki az AHV 2005-típusú magyar gyártmányú villanypásztort mert nem tudom mi a gond nem ad ki feszültséget és nem tudom hol kezdjem a hiba keresését ?
Szia
tegyél fel egy-két fotót a belsejéről mert ha emlékem nem csal, inverteres is van belőle, meg hálózati is. A hozzászólás módosítva: Máj 28, 2017
Szia!
Ő lesz az,igaz? Bővebben: Link . Alatta a 6.-ik hozzászólásban ott a kapcsolási rajza. Hozzám is már most hozták a sokadikat, abban a fazék vasmagos tekercs ment zárlatba, a 230/12v-os trafó primerje megszakadt és az egész trafó szó szerint felpúposodott.
Kérdés,hogy hallod e működni az inverter részt,hallhatóan sípol.Én most javítottam kettőt az egyikben nem nem ment az inverter,a 25K trimmer volt szakadt és mindkettőben szakadt volt a puthoz menő 2,2M és 47K ellenállás (szó szerint elrothadtak).Ezek mellett lehet más hiba is ahogy Remci is írta.A linkelt kép alapján ellenőrizd a trimmer bal oldalánál látható kék és fekete vezetékeket,elvileg itt kell mérned 4-500 voltot.
Az inverter rész működik mert halszik,hogy sípol,az igazság hogy nem vagyok igazán otthon az elektronikában egy barátom hozta nézzem meg ha sikerül megjavítani jó hanem dobjam a kukába én meg próbálom azért kérdezek szakembereket én villanyszereléssel foglalkozom.
Köszi minden segitséget
Multival mérd meg, hogy mennyi az egyenirányítás után a feszültség ( inverter után ) Egyszerűen mérj az indító kondi két pólusán.. ha ott megvan a kellő feszültség ( kb 400 V ) akkor a tirisztort cseréld ki. Ha nincs feszültség, akkor lehet zárlatos kondi - szakadt gyújtótrafó - hibás egyenirányító dióda -vagy inverter trafó ( fazékmagos tekercs szekunder menetzárlat ) így ebben a sorrendben
Holnap meg mérem amiket mondtál és majd írok.
Meg mértem a kondi két pólusán de nincs feszültség ahogy írod abban a sorrendben kezdjem cserélni az alkatrészeket? Van egy rajz esetleg amelyiken az alkatrészek adatai is fel vannak tüntetve?
Szia!
Mellékelem a rajzot,mérd végig az alkatrészeket.
Ha a kondin nincs feszültég, először kösd ki a trafót ( egyszerűen hidald át egy darab dróttal a 15 -1 -es pontot ) és akkor mérj a kondin. Ha így van feszültség, akkor a gyújtótrafó szakadt, ha nincs akkor lehet továbblépni..
A mellékelt rajz alapján kövesd le.. ha nem megy kérdezz vagyunk páran akik építettünk ilyet vagy hasonlót.. nem ördöngösség a távjavítás sem A hozzászólás módosítva: Máj 30, 2017
Nem látom 15-1-es pontokat a rajzon?
Az autó gyújtótrafó két réz saruja
Áthidaltam a rajz szerint de igy sincs feszültség a kondin mi következik hol mérjek tovább a rajzon jelöljétek meg legyertek szívesek. Köszönöm
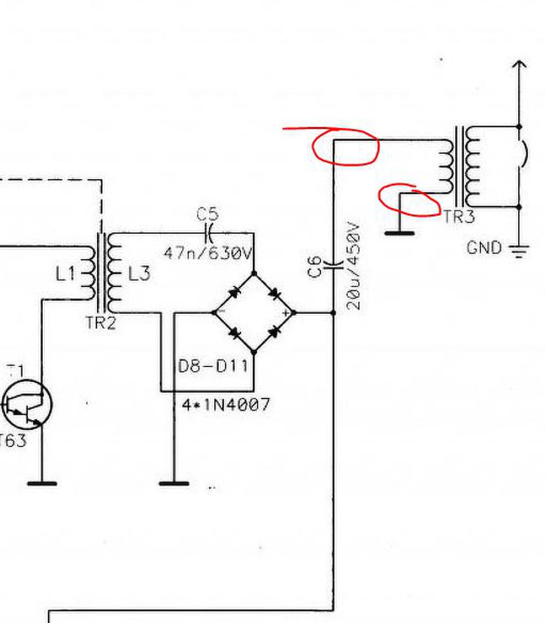
A piros x el jelzett pontokon mérj váltófeszültséget, de előtte forraszd ki a C5 egyik lábát. Ha van 2-300V. akkor a bekarikázott tirisztort cseréld ki, mert zárlatos. Ha nincs feszültség az x el jelzett pontokon, akkor az inverter trafó szekundere szakadt. De az inverter trafó utáni diódákat is ( D8 -D11 ) mérd ki természetesen.
A kijelölt pontokon nincs feszültség,a diódákat kimértem jók, karikázd be légyszíves mit kell kicserélni és az értékét. Köszönöm
Ha nincs feszültség, de az inverter sípol, akkor az inverter trafó szekundere szakadt. Újra kell tekerni sajnos. A fazékvasmagos tekercs.. annak a szekunderén kell lennie legalább 250-350 V-nak.. az volt x-el jelölve.
A sípolás az halszik, nem lehet ilyent üzletben vásárolni?
Nem nagyon..
Azt sajna meg kell tekerni.
Lehet a nagy kondi is zárlatos, akkor is megy az inverter, de nem fog felmenni a feszültség.
A nagy kondit lekötöttem és betápláltam 220Voltal majd kisütöttem gondolom akkor jó.
Sziasztok!
Valaki csinált már csigák ellen elemes villanypásztort? Próbáltam már mindent, de így is lelegelik a veteményt... Arra gondoltam, hogy egy 9v-os elemből készítenék nekik villanypászort. Viszont szeretnék valami elemtöltöttség visszajelzést is, mondjuk egy leddel. De gondolom így hamar lemerülne az elem. Ezt inkább ki kellene hagynom? Valaki készített már ehhez hasonló dolgot? Tudnátok adni tippet ehhez az ötlethez? Nagyon kezdő vagyok az elektronikában, ezért is kérek segítséget tőletek. Előre is köszönöm szépen! A hozzászólás módosítva: Jún 6, 2017
Csak akkor van értelme, ha a talajtól 4-6 mm magasságban kifeszítesz párhuzamosan két szál csupasz rézdrótot, és az egyik a föld, a másik a nagyfesz.. De előtte szőrteleníteni kell alatta a talajt
![]() Egyszerűbb ha veszel 4 Indiai futókacsát.. Nálunk az összes csigát megették, de még a petéket is.. Ha viszont nincs biztosítva a kellő csigapopuláció, akkor feleszik a salátát, és mindent ami finom.. Bővebben: Link
Sziasztok! GSM-riasztót szeretnék építeni a villanypásztorom (gyári, napelemes) mellé, ugyanis a területünkön vadul terepjáróznak és néha elszakítják/kidöntik a vezetéket, elszabadulnak a tehenek.
A GSM és mikrovezérlős rész nem probléma, a nagyfeszültséget érzékelő fokozat ami kérdéses. Nagyon fontos hogy az érzékelő ne terhelje le a vezetéket, és nem árt ha a bemeneti fokozatot sem égetné le a nagyfeszültségű áram. Több száz MOhm-os ellenállással azért kicsit macera...
Pár megaohm elég, de akár a glimmlámpa+fototranzisztor is működik és akkor le is van választva.
Pont a nagyságrendek érdekeltek, köszönöm. A glimm lámpára és leválasztásra nem is gondoltam, csak képeken láttam hogy az "érintésmentes", off-line tesztereken ilyen van.
Én on-line tesztert akarok építeni ami folyamatosan figyel, és a villanypásztor impulzusait elektronikus egységgel (pl. komparátor) feldolgozható jelekké alakítja át. Kicsit azért még csodálkozom a "pár megaohm" dolgon. Lehet hogy én vagyok kicsit "kezdő" ebben a témában, de egy 10 kV-os cuccnál pár MOhm már 10W vagy afölötti teljesítményt feltételez. Persze csak impulzusszerűen, de attól tartok, ez már leterheli a vezetéket. A glimm lámpa ezen a feszültségen kb. mintha ott se lenne (zárlat). A hozzászólás módosítva: Jún 8, 2017
|
Bejelentkezés
Hirdetés |












