Fórum témák
» Több friss téma |
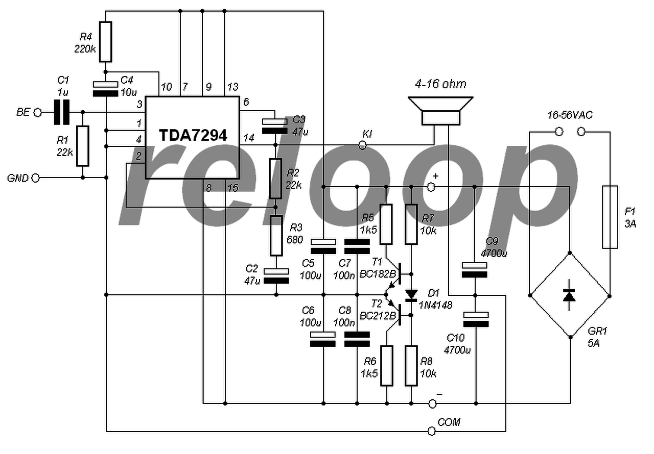
Üdv! Mielőtt megépíteném ezt a nyákot, szeretném a szakértő urak tanácsát kérni a topológiával kapcsolatban. Nem saját terv.
Szia! Ez KIT árusítók számára fejlesztett panelnek néz ki. A TDA7294-esek működni fognak benne. A GND eljutása néhol aggályos. A T6 környéke az, ahol nem jövök rá mire gondolhatott a költő
![]() Normál építésnél azért nem a hangerő poti szomszédságában visszük be az AC feszültséget.
Köszönöm! Azt hiszem inkább hanyagolom.
Van itt az oldalon használható kapcsolás is, ami kevesebb fejtörést okozhat.
Sziastok.Egy tda7294-es hidnak +/-35-36v-on keves a 8ohmos hangszoro?Marmint ugy ertem hogy nagyon fog tole melegedni?
Szia! Az IC bírni fogja, de jól gondolod, erős melegedésre számíthatsz.
Van meg egy ventilatorom is a doboz tetejen amiben csucsul a hid ami szivja be a levegot a bordak kozott.Az ugy elegendo lessz remelem.Egy Sublada meghajtasara akarom hasznalni ami 2x4ohm sorba kotve.
Kedves Reloop!
Az egytápos megoldásodnál, a virtuális föld előállításához használt PNP NPN párnál, mi alapján határozod meg az ellenállás értékeket? A kialakítás mind két mellékletnél ugyan az, de 7294-es ICnél az értékek dupla akkorák. Miért? Előre is köszi. B.
Szia! Az eltérést a tápfeszültség indokolja, a mintául szolgáló Quad kapcsolás áramviszonyait igyekeztem fenntartani.
helló szeretnék építeni egy erősítőt egy pioneer a 103 tápja egyenirányító felhasználásával,
De jó hangzása lenne milyen tda ic ajánlatok ki néztem egyet jó lenne .? A tda7292 élőfok is 15v tol indulna és a házban levő hótóborda ideális lenne egy 2 db szigetelt TDA-7292-nek ? hídban kötve vagy építsek 2 végfokot ? Érdemes venni egy kit ett ? előre is köszönöm A hozzászólás módosítva: Jún 22, 2017
Miért nem javítod inkább meg?Magas lesz a tápfeszültség a tda7294 hîdnak.
A hozzászólás módosítva: Jún 22, 2017
Jogos de azért mert már nem lehet javítatlan a nyák munka után neki álltam és láttam hogy a véfok panel eltört. Inkább törött ezért akarnám helyettesíteni egy végfok-all
![]() És ezzel a táp feszültségel milyen végfok lenne jó vagy le kellene fojtani a tápot a TDA7294V A hozzászólás módosítva: Jún 23, 2017
Sziasztok! Igy belenezve a topicba, mas is kuzdott mar azzal hogy 7294-et hidba kotott a gyartoi ajanlas szerint. En is megtettem, de lm3886-al. A helyzet a kovetkezo: ha a vegfokpanel bemenetere nincs kotve semmi, az erosito nem bug. Ha akar egy 100k ohm potmetert rakotok, bug, ha le van nemitva. Max hangero fele tekerve csokken, szinte eltunik a bugas. Milyen megoldasok leteznek a bugas megszuntetesere? Olvastam hogy a panelen mar ne legyen "tap" kondi. Ezen sajna van 220uf taponkent. Ez okozhat bugast? Vagy milyen egyeb otletek vannak? Koszi elore is! Udv. Tomi
A potmétert hogyan kötöd be (rajzold le)?
Szia! Igy:
A hozzászólás módosítva: Jún 26, 2017
Ha a valóságban is így van kötve, akkor az jó.
Szia! Mutasd be a nyomtatott áramköröd és add meg, mely pont a jelföld.
Szia! Kapcsolasi rajz sajnos nincs, de visszafejtve kb a tda7294 datasheet-ben levo hidkapcsolasnak felel meg. 2 oldali nyak, ezekrol probalok fenykepet es kepet csatolni:
http://m.ebay.com/itm/LM3886-65W-65W-Stereo-Audio-Power-Amplifier-B...253A23 http://m.ebay.com/itm/LM3886-65W-65W-Stereo-Audio-Power-Amplifier-B...253A23
Az e-bay linken van 7 fenykep, az egyik az alkatreszoldalon a nyak fotoja.
A visszacsatoló ág 47µF kondi testet használd jelföldnek. Ha ide zárod a bemenetet és néma marad a kimenet akkor jó helyen járunk.
Koszi, ezt holnap megprobalom! Ami feltunt mint elteres meg a 7294 datasheethez kepest hogy ott a visszacsatolo agak a hid mindket oldalan kondi nelkul mennek a foldre, valamint a fazisfordito ic + bemeneten a kondi masik vege is a foldre van kotve. Nekem a masodik ic + bemeneten a kondi nincs a foldre zarva, szabadon van. A visszacsatolo kondik maradjanak? ( az eredeti 47µF elkok helyett 2db wima 4.7µF-t hasznalok oldalankent. Mindekt oldalnal ezek a kondik parba vannak valogatva: 9.018µF az osszeguk.) A 2. Ic + bemenetet zarjam a foldre? Van jelentosege?
A TDA híd visszacsatoló ágában mindig használok kondenzátort, hogy kisebb legyen a kimeneti DC hiba.
A 47µF szerencsésebb érték, bár 9µF-dal sincs számottevő vágás a mélyekből. Ezen alkatrészt felesleges pontosra válogatnod. Az invertáló erősítő bemeneti csatolóját kösd a jelföldre, mert zavart szed össze.
Pár szó előzmény: jelenleg egy kész erősítőmet építem át, amiben CSAK a végfokpanelek kerülnek cserére. Eddig single end TDA 7294-ek voltak mindenféle brumm nélkül.
Az erősítő felépítése: hangerőpoti, ez ment egy BB OPA 2134-be(ami feszültségkövetőként van bekötve), utána a végfokpanelek. Eddig sehogy sem brummolt: hangerő max, hangerő min, jel rajta, jel nem rajta stb, mindig csöndbe volt. Na ebben az erősítődobozban csináltam amit javasoltál. Kipróbáltam amit tanácsoltál: a 47µF-tól zártam rövidre a jel bemenetet. Az incertáló IC bemenetét is rövidre zártam. Ha a hidalt kimenetekre kötöttem a hangszórót. (1. Ic kimenet és 2. IC kimenet) Nagyon sokat javult!Mondhatni tökéletes a csend. Rakhattam rá hangerőszabályozót is, akkor is megmaradt a jó tulajdonsága! VISZONT: ha rákötöttem arra a feszültségkövető előfokozatra(OPA 2134) amit eddig is használtam, megint brummolt. Úgyhogy ismét lekötöttem és csak a végfokpanelhez kötöttem a hangerő potit, aminek a földjét a 47uf visszacsatoló ágról szedtem. Ekkor megint csönd volt. Ezután jött a következő vizsgálatom: ha az egyik IC és a föld közzé raktam a hangszórót, akkor búgott, és akkor is búgott ha a második Ic és a föld közzé raktam. Ha a két híd kimenetre, megint csönd. Ebből arra merek következtetni, hogy a panelen kell lennie földhuroknak, csak szerencsésen a híd mindkét oldalán azonos fázisban jelenik meg a brumm és kioltja egymást(lehet rosszul gondolom.) Csatolok 2db rajzot, 1. - berajzoltam a földelését a panelnak. 2- - brajzoltam azt a részt, ami szerintem hurokgyanús. Hát így állok.
Illetve ha mar foldeles, ha valaki esetleg nezte a fenti kepeket hogy okozhat-e gondot a foldhurok.
Egesz erositot tekintve trafoval tappal csatlakozokkal, van-e itt a forumon altalanosan elfogadott foldelesi strategia sztereo erositok eseten?
Az en foldelesi modszerem. Athallas szempontjabol nem a legjobb de brumm mentes. Biztos feltunik hogy nincs eros aramu fold a vegfokpanelen. Azert nincs mert ott nem folyik eros aram a foldon ha minden jo.
TDA 7294 V Végfokozat IC, 100W paszta fólia ?
Szia az lenne a kérdésem hogy az a kis fóliát hogy hívják ? szakszavakkal előre is köszönöm !
Azt feltételezem a csillámra gondolsz. Az nem egy hajlékony fólia, inkább egy merev lapocska. Sajnos a TDA7294-hez illeszkedőt nem árulnak itthon ezért azt más forrásból lehet beszerezni. Nekem ilyesmi van. Ameddig nem vettem ebből, addig hibamentesen használtam a TO3 tokozás csillámját. Itt írok róla.
A vékony csillám csak az egyik eleme a hűtésnek (a 0,09 mm bevált nálam). A felfogás kulcskérdés, és ennek nem a gyári lyuk a megoldása. Pl. ezt javaslom. DE!! Akármilyen jól is sikerül felfogni, az a 100 V és 100 W nagyon durva szélsőség. Reloop készített egy modellt, amivel meghatározhatóak a teljesítmény viszonyok a terhelő impedancia, és a tápfeszültség függvényében. Ebből egy részletet itt látsz. Ha a 100W-ot látod jó célnak, akkor +-35 V-nál ez közel megvalósul, de iszonyatos 75W körüli hőtermelődésre kell számítani, amit úgy képzelj el mint 1,5 db páka hője. Ezt értelmesen alig lehet kezelni. Nem mellékes körülmény, hogy mondjuk 50 W és 100 W közt éppen csak az érzékelésed határa a különbség. Az azt jelenti, éppen hogy meg tudod különböztetni fülre a két teljesítményt, tehát szó sincs jelentős eltérésről és pláne szó sincs dupla hangosság érzésről.
1 ic ről 75w ot tudsz levenni biztonságosan +- 35v esetén. A TO3 csillámlemez elegendő alá mást úgysem fogsz kapni.. 75 w és 100w között semmi különbség nincs decibelben mérhető biztosan nem. 200w a következő+3 dB növekedés aztán 400w 800w stb stb..
De nem érdemes a wattokkal dobálózni elsősorban a hangszóró érzékenysége többet számít.. Kevesebb energiabevitellel eléred ugyanazt...
Megvan a megfejtes: a nyakrol le kellett forrasztani a 220µF kondikat. Rangattak a tapot. Mostmar nagyjabol megszunt a bugas, bar elegge erzekeny. Ennek oka lehet a nagy, 100x erosites(visszacsatolo ag 100k es 1k) es ez is 2x mert hidba van kotve: 200-as a vegso erosites, ha jol szamolok.
Üdv! A végfok kapjon testet a ±40V tápról! A ±18V-ot ne kösd össze közvetlen a másik táp testtel, az végfok jelkábel árnyékolásán keresztül csatlakozzon!
|
Bejelentkezés
Hirdetés |
























