Fórum témák

» Több friss téma
Fórum » Erősítő mindig és mindig
Mielőtt kérdezel, a következő két dolgot ellenőrizd! I. A helyes tápfeszültségek megléte. II. A kimeneten van-e egyenfeszültség. Élesztés.
Lapozás: OK   2011 / 2570
(#) Imi18 hozzászólása Júl 9, 2017 /
 
Sziasztok! Hozzám jutott egy toroid trafó, ami 2x24V-ot és oldalanként 3-3,5Ampert tud. Eből szeretnék egy erősítőtt építeni, esetleg tudnátok e kapcsolási rajzban segíteni? Már több kapcsolást is szemügyre vettem a neten, de nem igazán tudom eldönteni melyiket érdemes megépíteni.
(#) (Felhasználó 122012) válasza Imi18 hozzászólására (») Júl 9, 2017 1 /
 
Szia! Ebből nem tudsz erősítőt építeni! Max. a tápellátás alapvető elemeként tudod felhasználni ...
(#) Gafly válasza Imi18 hozzászólására (») Júl 9, 2017 /
 
Szia,
önként adja magát a klasszikus TDA7294.
Vagy bármi más. Ez a trafó az erősítő építés lehetőségeinek tárháza
Üdv,
G.
(#) Imi18 válasza (Felhasználó 122012) hozzászólására (») Júl 9, 2017 /
 
Egy videoton erősítőben volt ez a toroid, csak elszált. Akkor most nem értem, miért nem tudok ebből erősítött építeni. Az tudott 4 ohm-on 2x30 W-ot.
(#) Gafly válasza Imi18 hozzászólására (») Júl 9, 2017 / 2
 
Ne higgy el mindent gondolkodás nélkül, amit "Mesterek" bekommentelnek...
(#) Imi18 válasza Gafly hozzászólására (») Júl 9, 2017 /
 
Találtam egy kapcsolási rajzott. Nekem ez bőven megfelelne. Viszont ha pufferrelem, megszűröm a feszültséget, akkor 35V lesz. Ezt mivel lenne célszerű 24V-ra csökenteni?
(#) Gafly válasza Imi18 hozzászólására (») Júl 9, 2017 /
 
Nem, ez így nagyon nem lészen jó.

Nyugodtan használhatsz nagyobb IC-t. Attól hogy nem hajtod túl, baja nem történik. Sőt hosszabb élettartammal hálálja meg...
(#) reloop válasza Imi18 hozzászólására (») Júl 9, 2017 /
 
Szia! Itt egy bevált TDA7294 panel. Terhelésnek inkább 8 Ω-ot ajánlok, azzal jön ki a 30W.
(#) szamóca válasza Imi18 hozzászólására (») Júl 9, 2017 /
 
LM 1876-ossal próbálkozz.
(#) reloop válasza szamóca hozzászólására (») Júl 9, 2017 /
 
Az LM1876 kimenő árama 3 A-nél korlátoz, kicsit necces. 2xLM3875, az már döfi
(#) szamóca válasza reloop hozzászólására (») Júl 9, 2017 /
 
Benéztem a kettős tápfesz adatot. Bocs. A 3875 az meg már túl jó.
(#) Imi18 válasza reloop hozzászólására (») Júl 9, 2017 /
 
Köszönöm! Ez nagyon tutti lesz! Lenne két kérdésem. A potik mi célt szolgálnak? Illetve a szimetrikus tápp előállításos panelen a diódák azok milyen értéküek?
(#) reloop válasza Imi18 hozzászólására (») Júl 9, 2017 /
 
A potis panel hangerőszabályzó, lineáris potenciométerrel, a fül érzékenységéhez igazodó karakterisztikával.
Tegyél bele masszív egyenirányítót kockát!
(#) Imi18 válasza reloop hozzászólására (») Júl 9, 2017 /
 
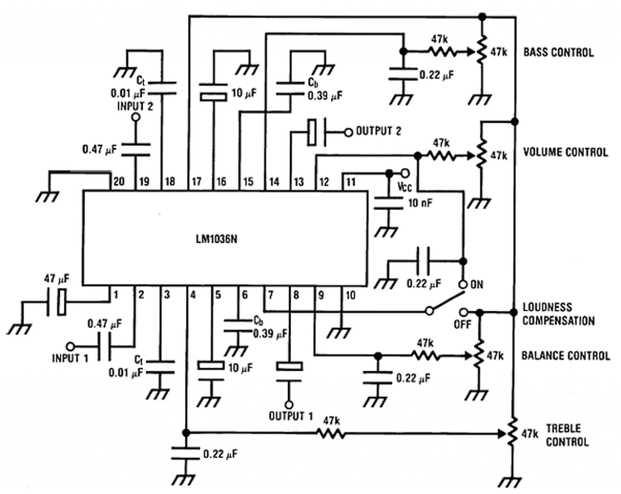
Ha a csatolt kapcsolást (hangszínszabályzó) hozzá akarom építeni, akkor a Te általad közétett potis részt elhagyhatom?
(#) reloop válasza Imi18 hozzászólására (») Júl 9, 2017 /
 
Az LM1036 valóban elvégzi a hangerő szabályzását, nem kell további poti hozzá. A megvalósításhoz a témájában keress NYÁK-tervet!
(#) (Felhasználó 122012) válasza Imi18 hozzászólására (») Júl 9, 2017 /
 
Ebből tápegységet tudsz építeni ... és nem erősítőt elsősorban.
(#) Gafly válasza Imi18 hozzászólására (») Júl 9, 2017 /
 
Szerintem igen, de haladj lépésenként.
Azaz szóljon (és ne füstöljön) elsőként a vége.
(#) Imi18 válasza Gafly hozzászólására (») Júl 9, 2017 /
 
Rendben. Még annyi, hogy a TDA7294 adatlapja szerint akár a 40V-ot is elviseli.Ez igaz? Mert az én toroidom pufferelés után 35V lesz, viszont reloop által közétett kapcsolásban csak 30V van feltüntetve.
(#) Gafly válasza Imi18 hozzászólására (») Júl 9, 2017 /
 
Az adatlapnak lehet hinni.
Szerintem keversz Reloop-al (neki is lehet hinni, csak olvasd el alaposan ki mit írt, és mire).
Ne álmodj túl sokat.
Ne hajtsd túl.
Én fele tápfeszültséggel is megelégednék, első körben.
Ha nem füstöl, akkor lépjünk tovább...
(#) Imi18 válasza Gafly hozzászólására (») Júl 9, 2017 /
 
Rendben és köszönöm a segítséget! Első körben akkor kisebb feszültséggel fogom kiprobálni.
(#) Gafly válasza Imi18 hozzászólására (») Júl 9, 2017 /
 
Ez nagyon bölcs terv
(#) Csupasz hozzászólása Júl 9, 2017 /
 
Sziasztok. A végfokhoz AC24V trafót használok, viszont a bluetooth egységnek DC12V kellene. Használhatok itt step down konvertert, vagy külön tápot inkább?
Köszönöm a segítséget.
(#) Gafly válasza Csupasz hozzászólására (») Júl 9, 2017 /
 
Az szerintem nem fogyaszt annyit, hogy nagyon csicsázni kellene....
(#) Bakman válasza Csupasz hozzászólására (») Júl 9, 2017 /
 
Használhatsz, persze a step-down bemenetére ne AC-t köss.
(#) reloop válasza Imi18 hozzászólására (») Júl 9, 2017 /
 
A TDA7294 széles feszültségtartományban üzemeltethető, de a hőelvezető képessége véges. Ezért nem mindegy mekkora tápfeszültségnél, hány ohm-os hangsugárzót kötünk rá. Bővebben: Link
(#) gabor801216 hozzászólása Júl 9, 2017 /
 
Sziasztok,azt szeretném kérdezni HK sub ts2 a tipus,a Tip31c ,Tip32c tranzisztort kicseréltem,de a hiba tovább maradt ezért tovább kerestem.ahogy a képen latszik a panelen szakadás van,meg a Q5-nél a fele le van törve.
(#) gabor801216 válasza gabor801216 hozzászólására (») Júl 9, 2017 /
 
Ja igen valami Tipp hogy ez milyen tranzisztor a képen,mert valaki lekaparta a számot róla.
A hozzászólás módosítva: Júl 9, 2017
(#) zotya1983 válasza gabor801216 hozzászólására (») Júl 9, 2017 / 1
 
Most tip, vagy tipp31c?
(#) tothbela hozzászólása Júl 9, 2017 /
 
Erőt vetem magamon, Gondoltam csinálok valamit. Már egy fél éve csak javítottam. Építeni semmit. Vagyis erősítőt nem. Úgy is kellett egy szub erősítő, ami akár hálózatról, akár akkuról elmegy. A tápellátás adott. Egy darab 33V szekunderű traffancs. Bár van középmegcsapolása, nem akarom árammal terhelni azt. A hangsugárzó 250W/4 ohm.

Mosfet van egy rakat, adta magát, hogy abból építkezzek. De az a bajom velük, hogy a stabilan működő audiófetek nagy maradék ellenállást képviselnek, ezért 4 ohmon híd üzemben nem a legjobb választás. Kapcsolófetekkel meg oda kell figyelni, hogy ne hogy megszaladjon az áram. Szub erősítő lévén nem támasztok akkora követelményt, így mindössze az egyszerű építés mellett tettem le a voksot.

A rajzon a fél híd látható. Azért 2 ohm a terhelés, mert ezt fogja látni a fél hangszóró miatt.

Adott volt két hűtőborda is, ez határozta meg a panel méretét. Még csak szimulációban üzemelt, mivel most forrasztom. Kis eltérés van a nyákon, mert a visszacsatolás kapott egy kondit. Tehát nem DC. A nyákon egy két alkatrész be- vagy nem beforrasztásával lehet a híd módot variálni. Szimmetrikus, vagy aszimmetrikus bemenet alakítható ki.

Az az egy árva 4700 µF kondi a panelon elég vékonyka, viszont kap még egy csavaros 33000µF/50V-os elkót két vezetékkel.

A hűtés nem ventilátoros lesz, de azt sem mondanám hogy passzív. A reflex cső légáramlata csapkodja a levegőt rá. Nem én találtam ki, egy gyári basszuskombóban ugyanezt alkalmazták. Gondolom én is kipróbálom. Van még egy 70 fokos hőkapcsolóm, azt még talán rárakom a bordára.

Majd még írok hogy hogyan haladtam vele.
(#) Ge Lee válasza tothbela hozzászólására (») Júl 9, 2017 /
 
Ha teszel még bele pluszban 1db ellenállást hogy folyjon némi nyugalmi áram a feteken, akkor csökkenni fog a torzítása.
Következő: »»   2011 / 2570
Bejelentkezés

Belépés

Hirdetés
XDT.hu
Az oldalon sütiket használunk a helyes működéshez. Bővebb információt az adatvédelmi szabályzatban olvashatsz. Megértettem