Fórum témák

» Több friss téma
Fórum » Rádió építés a kezdetektől a világvevőig
Lapozás: OK   112 / 278
(#) pucuka válasza tnl hozzászólására (») Aug 7, 2017 / 1
 
Ami túl van bonyolítva, csak azért, hogy ne legyen egyszerű.
Lehet nem emlékszel olyanra, hogy volt újító mozgalom, az újításokért lehetett plusz pénzekhez jutni, már ha bevetted a főnököt is.
(#) hobbyjani hozzászólása Aug 8, 2017 /
 
3 dolláros kinai AM,FM rádióépitőkészlet,ezt ismeri e valaki ?
Bővebben: Link
(#) fecameca válasza tnl hozzászólására (») Aug 8, 2017 /
 
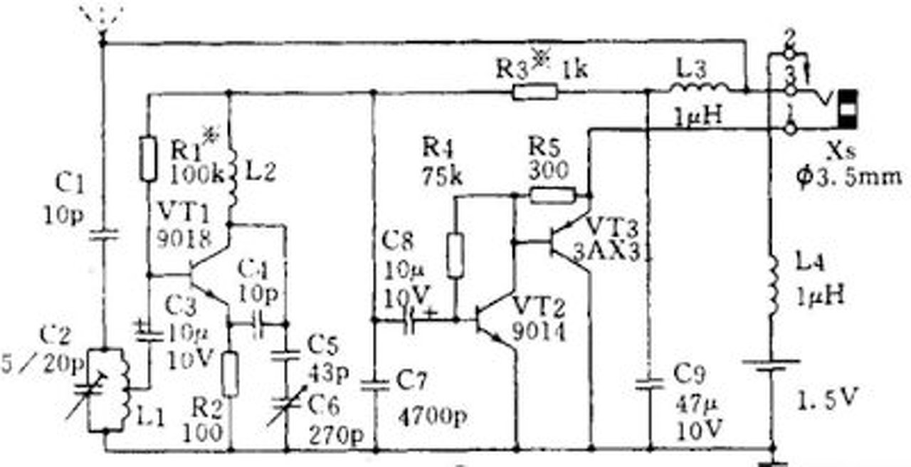
Ezt építettem az elmúlt 2 napban. 1 elemmel működik, és barátságos a 3 mA körüli áramfelvétele. Az orosz szinkrodin rádió kínai átdolgozott változata. Elláttam egy földelt bázisú előerősítő fokozattal, és +1 hangfrekvenciás tranzisztorral. Ettől kissé torz lett,de 10 Kohm ellenállás került a HF bemenettel sorba, és megszűnt a torzítás. A *csillaggal jelölt 1 Kohm-mal sorba +1 Kohm trimmer potméter van. A fojtók azért vannak a rajzon, mert ő fülhallgató antennával használja, nálam nem vált be, inkább külön antennát készítettem neki, amit megfelelő irányba ki lehet feszíteni, ezért el is hagytam a fojtókat. Hangoló eszköz nálam egy 5-20 pF trimmer, gombot ragasztottam rá. L1 6 menet 5mm fúróra, L2 8 menet, 8mm átmérőn, előbbi 0,8 másik 1 mm huzalból.
A hozzászólás módosítva: Aug 8, 2017

FM_pll.jpg
    
(#) fecameca válasza hobbyjani hozzászólására (») Aug 8, 2017 /
 
Jó neve van: Paeansonic. Jónak néz ki, full IC-s TDA 2822 véggel. 91% pozitív visszajelzés. CD 9088 benne az FM. Az AM nem tudom, mivel megy, csak azt látom, ferrit is van, biztos valami egyenesvevő.
A hozzászólás módosítva: Aug 8, 2017
(#) fecameca válasza fecameca hozzászólására (») Aug 8, 2017 /
 
Ahogy itt ülök, az van a fülemben, most már kellemes hangja van. A gerjedések, és torzítások kiirtása után jól hozza Petőfit, mérsékelten lehet vele mozogni is. Azért nem fényképezem, a körben teljesen leforrasztott bádogdobozon kívül nem sok látszik. egy 2 gyufásdoboznyi fém dobozt képzeljetek, 1 nyílással az 1 darab AAA elemnek. Kapcsolója nincs, ha nem használom, ki kell venni az elemet. Előnye, hogy üres járásban nincs zaj, hátrányos viszont, hogy elég nehéz jól beállítani, viszont vesz mindent, amit a többi, még a teljesen zárt fémdoboz ellenére is észreveszi, hogy leveszem róla a kezem. A nem antennaként kötött, viszont földelt fülhallgató az ellensúly. Ezeknél az se mindegy, merre áll.
(#) ronin75 válasza fecameca hozzászólására (») Aug 8, 2017 /
 
C3 tényleg 10uF?
(#) fecameca válasza ronin75 hozzászólására (») Aug 8, 2017 /
 
Azon már régen túl vagyok. Még amikor az oroszt építettem, megpróbáltam kerámia nF-osra cserélni, és csodák csodája, úgy egyáltalán nem szólt. Csak ha 10µF ott van, akkor jön létre a vétel. Valószínűleg a szinkrodin vevőnél tudnia kell átvinnie a hangfrekvenciát a nagyfrekis becsatolónak is, máskülönben nem demodulál.. Egyébként egy olyan rádió, ami megépítés után azonnal működik, csak azon kell kínlódni hetekig utána, hogyha elmégy mellette ne hangolódjon el, ne kezdjen el torzítani, ha csak leveszed róla a kezed, és ne ugráljon le az adóról, ha megmozdítod.
A hozzászólás módosítva: Aug 8, 2017
(#) fecameca válasza ronin75 hozzászólására (») Aug 8, 2017 /
 
Az orosz változatába azért fulladtam bele, mert egy Sokol házba akartam varicap diódás hangolással megépíteni, és még kínódtam bele különféle Fet-es , hangolt előerősítőkkel, azért nem jött össze. Ennél bonyolultabbra nem érdemes megépíteni, ha varicap van, annak külön telep kell, sehogyan nem lehet leszűrni, de a hang végfoktól sem lehet semmilyen stabilizátorokkal függetleníteni, mindig gerjedni fog, annyira érzékeny a hangolásra, hogy csak forgókondenzátorral lehet, esetleg variométerrel lehet azt megoldani. És csak ilyen egyszerű, kis teljesítményű erősítőkkel nem gerjed össze, maximum néhány tíz mW, vagy külön telep kell mindennek.
A hozzászólás módosítva: Aug 8, 2017
(#) Feri007 válasza fecameca hozzászólására (») Aug 9, 2017 /
 
Csak a pontosság kedvéért, a rajzon lévő vevő szuperregeneratív Bővebben: Link rendszerű.
(Nem szinkrodin: Bővebben: Link )
(#) fecameca válasza Feri007 hozzászólására (») Aug 9, 2017 /
 
Ez amit állítasz, egyáltalán nem igaz. A szupreg vevő erősen suhog, ennek pedig semmi zaja nincs. 2. Az állomás egy kattanás kíséretében szinkronizálódik, az oszcillátor frekvenciája pont fele a vételi frekvenciának. Szóval ez egy érdekes megoldású egyszerű szinkrodin. PLL vevőnek is írja mindenhol. Próbáld ki, és észreveszed majd a különbséget.
A hozzászólás módosítva: Aug 9, 2017
(#) fecameca válasza Feri007 hozzászólására (») Aug 9, 2017 /
 
Idézet:
„A rádióerősítő érzékenysége nem rosszabb, mint egy szuperregeneratív rádióvevő érzékenysége, és ez a vevőegység nem rendelkezik "zaj" hanggal, ha nincs rádióadó jel.”
Te meg ezeket olvasd el légy szíves, mielőtt meggondolatlanul hozzászólsz:FM-synchrodyne és az eredeti orosz:FM-PLL
A hozzászólás módosítva: Aug 9, 2017
(#) fecameca válasza Feri007 hozzászólására (») Aug 9, 2017 / 1
 
Íme a bizonyíték, hogy én valóban megépítettem ezt a rádiót. Szuperregeneratív rádiót is építettem már. Annak sokkal rosszabb a hangja. Az állomások közt az erősen suhog. Ez csendben van. Még ha a kapcsolások hasonlítanak is egymásra, a működési elvük teljesen más. Most látom, maradt benne egy kis fém reszelék.
A hozzászólás módosítva: Aug 9, 2017
(#) Feri007 válasza fecameca hozzászólására (») Aug 9, 2017 /
 
Igazad van.
(#) fecameca válasza fecameca hozzászólására (») Aug 9, 2017 /
 
Egy kis komment a képekhez: Egy fóliás lemez hordozza a fő alkatrészeket, valami rajzolat volt rajta (Egy bontott darab valamiből), ahol kellett, én tovább alakítottam szikével. Lényeg, a trimmerek, és a tekercsek stabil alapon vannak. az apróbb alkatrészeknél előszeretettel alkalmazok légszerelést. Középen a nagy elkó nem szerepel a rajzon. Én a telepre párhuzamosan mindig teszek elkót 220µF/10V. A tekercsek jól látszanak. A nagyobbikban vasmag van méhviasszal rögzítve, a kínai 8 menetet ír, az orosz 20-at, de az átmérőik is különbözőek. Az elemre tekerni a huzalt, nekem az már túl nagy átmérő, vasmaggal különben is be lehet hangolni kevesebb menettel is. A 6 menetesben réz van, ez a képeken látszik. A nagyfrekis tranzisztor középen, a 100 ohm alatt fekszik, a 10 pF nálam éppen 14-re sikerült, van ahol 12, máshol 10, ez annyira nem kényes. Az a sárga kis trimmer poti 2K2, az R3 1 Kohm-mal sorba kell annyi, azt jól beállítva kevésbé gerjedékeny, tisztább, hangosabb a hangja. Antenna helyett egy PNP tranzisztor S8550 kollektora megy az antenna tekercsre, az emittere és a + telep közti 470 ohm jól látszik, oda megy a láb nélküli antenna becsatoló kondenzátor (az takarja a tranzisztort, amely alatta van). Az az egyetlen stiroflex kondenzátor, 150 pF hidegíti a bázist, a B-C között talán egy 47 Kohm állítja be a munkapontot, ha jól emlékszem. Gyári készülékek zömében is gyakrabb a földelt bázisú előerősítő, a földelt emitteressel sokszor meggyűlt már a bajom, mert sokkal gerjedékenyebb. Hangfrekvenciára a rajzon szereplő 2 tranzisztorral már lehet hallani a hangját, akinek nem elég (A fülhallgatók nagyon különbözőek lehetnek), az esetleg +1 tranzisztorral tovább bővítheti, ezt nem részletezem. Megfelelő térerejű közeli adók esetén lehet ennek néhol tisztább is a hangja, mint a CD9088 IC-s scan rádióé, mivel az is gyakran leugrál az adóról hirtelen térerő változásra, illetve közeli másik adó megzavarhatja az AFC áramkörét, olyankor kissé torzítva szól. Egy előnye az IC-s nek, hogy azon külföldi adók is bejönnek, a kis szinkrodin készülékhez már nemigen lehet több előerősítőt ragasztani, tud, amit tud, de a helyi adókat nagyon tisztán lehet vele venni.
(#) sany válasza sany hozzászólására (») Aug 11, 2017 /
 
Sajnos a TAA691-es IC -vel rendelkező FM vevőt elkészítését nagyon nehéznek találom. Így egy másikat szeretnék megépíteni.
Esetleg tudnátok valamit ajánlani számomra? Aminek az elkészítése nem is annyira egyszerű, de nem is annyira nehéz.
(#) Doky586 válasza sany hozzászólására (») Aug 11, 2017 / 1
 
(#) sany válasza Doky586 hozzászólására (») Aug 11, 2017 /
 
Ilyet már készítettem.
(#) fecameca válasza sany hozzászólására (») Aug 11, 2017 /
 
Milyen design akar ez lenni?(Asztali készülék, zsebrádió?) Már sokan emlegették itt a TBA120-at. Nekem tele is van a fiókom TV hangmodulokkal, amikben az van. De én nem építek olyat, mert tele vagyok autórádió roncsokkal is, azokban meg benne van a kész KF, sőt van, amelyik még nincs belezve, abban minden van. Különben is a 9 rádióm közül nem is tudom, melyiket hallgassam, azért nem is építek szuper vevőt. Csak ez a "szinkrodin" elv felcsigázta az érdeklődésemet, ilyen kevés alkatrészből ez a legjobb FM rádió. Bár vitatják, hogy micsoda, nem szuperregeneratív, az biztos. Ha korrektek akarunk lenni, nevezzük akkor szinkronoszcillátoros rádiónak. Még valamiféle keretantennát, vagy "loop" antennát szeretnék alkotni hozzá, mert ez a hajlékony huzal nagyon nehezen állítható be az adó irányába.
(#) sany válasza fecameca hozzászólására (») Aug 11, 2017 /
 
Meg fogom csinálni.
Csak sajnos nekem ezek a tekercsek, milyet hova, mekkora átmérő huzal, típus , stb. Még kicsit bizonytalanná tesz. Azért is gondoltam FM-re. De nem muszáj a 88...108 MHz sáv között maradni.
A hozzászólás módosítva: Aug 11, 2017
(#) fecameca válasza sany hozzászólására (») Aug 11, 2017 /
 
Ennek a hangolása a legnagyobb baj. Ha az antennával arrább megyek, akkor meg újra kell beállítani, nem értem, miért? Különben, ha nem mozgok vele, a legtisztább hangú rádió, amit valaha is hallottam, és érdekes, milyen erősek a basszusai, pedig semmi mély-hang kiemelő áramkör. Valami precíziós variométert kellene hozzá összehozni, mert így állomást keresni rosszabb, mint a Szabad Európát volt megtalálni nem nyújtott rövidhullámú sávos rádión, már aki még emlékszik rá, az tudja. Ez tényleg nem szupreg, semmi sávszélesség, 50 MHz-en (A vett frekvencia felén) kellene beállítani az oszcillátort szinte Hertz pontossággal. Viszont érzékenyebb, és hangosabb is még a szupregnél is.
(#) sany válasza fecameca hozzászólására (») Aug 11, 2017 /
 
Ami IC rendelkezésemre áll, TBA1220, NE612,SO42, TDA440, TAA691.

Egyébként ezt a rádiót, néztem ki magamnak következőnek.

De ez olyan kis egyszerű.
A hozzászólás módosítva: Aug 11, 2017
(#) _BiG_ válasza fecameca hozzászólására (») Aug 11, 2017 /
 
Idézet:
„Ha az antennával arrább megyek, akkor meg újra kell beállítani, nem értem, miért?”

Mert az antenna kapacitása párhuzamosan kapcsolódik a rezgőkörrel, ami persze a mozgatással változik. Semmi csoda nincs benne. Ezeken a nagy frekvenciákon már egy kis kapacitásváltozás is nagy elhangolódást okoz.
Esetleg egy szélessávú, vagy aperiodikus, földelt bázisú előkörrel kéne kiegészíteni, hogy az antenna hatását ki lehessen védeni.
(#) Qju válasza fecameca hozzászólására (») Aug 11, 2017 /
 
Szép jóestét!
Az AM-rész TA7642 ic-vel van kivitelezve.
(#) fecameca válasza _BiG_ hozzászólására (») Aug 12, 2017 /
 
Az a baj, hogy az előerősítő semmit nem segít. Antenna 10 centivel arrébb tolva, nagyon torz lesz, az oszcillátor állításával tisztázható, pont ezért hagytam fel ezzel a készülékkel máskor. Most már azt is érzi, ha mellette mozgok, erősítő nélkül ennyire kényes nem volt. Az volt a tapasztalatom már máskor is, minél több fokozatot építettem eléje, annál rosszabb lett a végeredmény. Előerősítővel a Petőfi kissé erősebb lett, de már a Kossuth helyén is csak a Petőfi jön, és mellette a Bartók is, pont ellenkező sorrendben, mintha tükrözve lenne a skála felső része. Végül is most az egyetlen elemes táplálás miatt építettem újból és eleve azzal, hogy megelégszem csak a Petőfivel. Egy ilyen "elalvós" rádió kell nekem, ami nem baj, ha úgy marad akár egész éjjel. A rendesek, azok lemerítik olyankor a telepet. Egy sztereo rádióban a dekóder csak 35 mA, ha az illetőben van egy hang végfokozat, ez még hozzá adódik. Ez a kis rádió az egyetlen cellával, és a 3 mA-rel, akármeddig úgy hagyható. Nem is baj, ha nem sztereó, amelyik fülemen fekszek, abból jobb néha kihúzni, mert nyomja, akármelyik fülhallgatómmal próbálkozom.
(#) fecameca válasza sany hozzászólására (») Aug 12, 2017 /
 
Gyakorlásnak jó lesz. NE612 és TBA120 segítségével építhetsz utána már FM-et is.
(#) hobbyjani válasza fecameca hozzászólására (») Aug 12, 2017 /
 
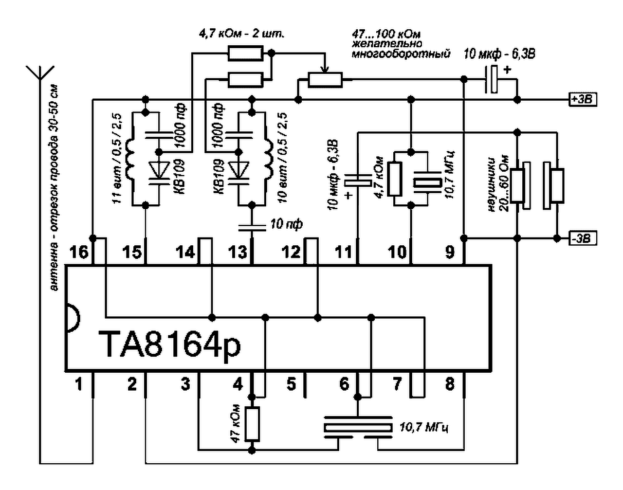
Próbálkozzál a TA2003-al,vagy a lábkompatibilis TA8164-el,ha hozzá tudsz jutni ,sem bonyolult rajz,sem nehéz hangolás,majdnem egyből működik mint az egyenes,nem hangolódik el mikor sétálsz vele és 3V táp kell neki,van valami KA féle Samsung változata is,én szereztem ilyesmit Romániából egy zacskóval ,valami 1,50 lej darabja ,ami kb 100 forintnak felel meg.
A hozzászólás módosítva: Aug 12, 2017
(#) fecameca válasza hobbyjani hozzászólására (») Aug 12, 2017 /
 
Tényleg, ennél egyszerűbbet még nem láttam. Kérdés: minálunk mennyiért lehet hozzájutni?

image089.png
    
(#) hobbyjani válasza fecameca hozzászólására (») Aug 13, 2017 /
 
Egy FM szuper hangolásához kell egy FM szignál és az meg méreg drága,annak hiányában megteszi ezt egy gyári rádió,amiből ki tudod venni a KF jelt,amikor a KF működik jól,az után szoktam megépiteni a tunert,azt már egyszerűbb behangolni a tekercsek széthúzásával,vagy összenyomásával. A TA ic-nél nem kell végigmenni ezen a bonyolult folyamaton.
(#) szendi001 válasza hobbyjani hozzászólására (») Aug 13, 2017 /
 
Hasonlót éptettem. Jó élmény. Én a sima AM et csináltam.
(#) tnl hozzászólása Aug 14, 2017 /
 
Sziasztok!

Régebben errőlBővebben: Link azt hittem, hogy egy sima erősítő,
de azt írják, hogy regeneratív !

Itt írják hogy miért! http://www.petervis.com/Radios/regeneration-of-radio-signal/regener...l.html
Következő: »»   112 / 278
Bejelentkezés

Belépés

Hirdetés
XDT.hu
Az oldalon sütiket használunk a helyes működéshez. Bővebb információt az adatvédelmi szabályzatban olvashatsz. Megértettem