Fórum témák
» Több friss téma |
Azt mondanám, hogy azt elbírja (különösen ha nem egyedül (értsd kétutas egyenirányítás) van), de nem értek hozzá
![]() Bár ráfektetheted a nyákra, tehetsz rá kis "U" vagy "L" lemezt, stb... A hozzászólás módosítva: Aug 20, 2017
Ha a DO27-esekre 5A van írva akkor a TO220-nak lazán bírnia kellene. Csak tényleg hiányoltam egy grafikont az adatlapról, amin szemléletesebb lett volna.
Tokhőmérséklet van megadva. Ezt (mármint hogy ne menjen e fölé) neked kell biztosítanod megfelelő hűtőbordával.
A 3 fok/W a chip és a tok közt mérhető (Junction to Case) hőellenállás, nem pedig a borda hőellenállása, amire a kérdezőnek szüksége lenne.
Szintén az adatlap: ott van mekkora löket, mennyi ideig. A hűtés, -már csak a "design" kedvéért is-, nem felesleges; legfeljebb nem asztalnyi, csak néhány cm2 (felület). Esetleg az indulási áramlökés korlátozása némileg.
Rendben, felteszem egy hűtőfelületre.
![]() A kérdés, milyen képlet alapján határozható meg a kondenzátor max. indulási árama, (s vele a dióda áramlökete) ha Usz=43VAC Cp=27000uF? A dióda típusa továbbra is MBR 10200. Elbírja-e? Mert ha pill. rövidzárlattal kell számolni, akkor nincs az a dióda amit erre méreteznek. A hozzászólás módosítva: Aug 28, 2017
Én még mindig nem tudom mit építesz.
![]() Az például fontos lehet, hogy egy, vagy kettő dióda viszi azt az áramot...
Képletet nem tudok rá. Ami alapján össze kell állítani.: A hálózat ellenállása, a tápláló trafó rövidrezárási ellenállása, DC csúcsfesz, -a diódák nyitófeszültsége a várható áramon. A kondi értéke mellékes, az nem a csúcsáramot, hanem az áram lecsengési idejét befolyásolja.
Sziasztok, valaki tudna segíteni, hogy ez (kép) milyen dióda?
A segítséget előre is köszönöm.
Valamilyen túlfeszültség levezető (illetve annak használt), a graetz híd kimenetén van.
Igen, valamiért E7 hibát ír és próbálok rájönni, hogy mi lehet az oka.
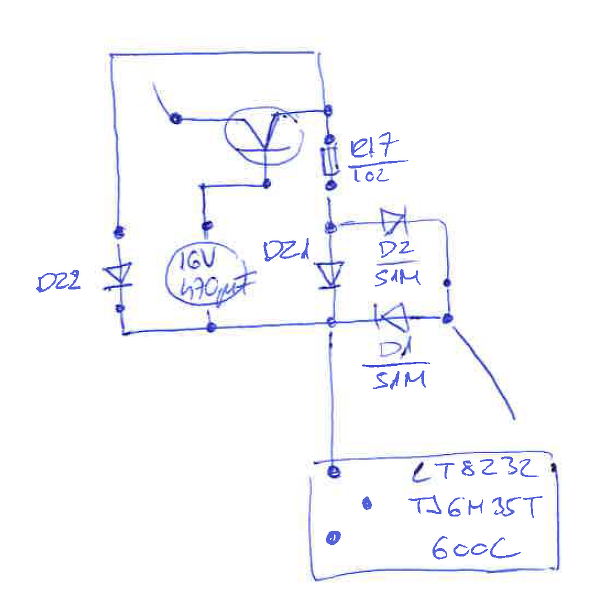
Tisztelt Fórumozók! A csatolt képen pirosan karikázott helyre keresném a megfelelő diódát.(Ez egy Extol AP 180 polírozógép, fordulatszám- és lágyindításszabályozó NYÁK-ja). A keresett alkatrészt leforrasztottam, mert azt véltem hibás alkatrésznek, mivel szét volt nyilva. Sajnos már nincs meg, de arra biztosan emlékszem, hogy SMD típusú dióda volt, és talán "1N" ,vag "IN" jelölés volt rajta. Mivel talán ez az utolsó esélye, hogy a gépet ne kelljen kidobnom, van esetleg valaki, aki tudná javasolni a megfelelő alkatrészt? Előre is köszönet!
A hozzászólás módosítva: Okt 15, 2018
Szia! Arra esetleg emlékszel, hogy hogy nézett ki az alkatrész? A külseje pl olyan volt-e mint a panelen lévő D21-es üvegtokos belül barnás színű diódának, vagy esetleg fekete sima műanyagtokos volt(pl mint a panelon D1 és D2, esetleg olyasmi de nagyobb méretű?)? 1N kezdettel létezik többféle típusú dióda, kisjelű 100mA körüli áramra, meg 1A körülire is, Schottky is... De nem reménytelen a dolog, a konkrét készüléket nem ismerem, a tokozás fajtája talán adhat több támpontot...
A hozzászólás módosítva: Okt 15, 2018
Szia!
A probléma az ( lehet ), hogy a neve DZ2, azaz zener és akkor nehéz dió.. Az anód oldali fólia elég vékony, tehát valószínű, hogy kis teljesítményű. Próbálj direkt a gépre kérdezni, talán van valakinek ilyen és megnézi neked, mi az konkrétan.
Nézd meg, légy szíves azt a fekete hengeres alkatrészt, hogy mi van ráírva. Mekkora a kapacitása, mekkora feszültségig lehet használni?
Ha ez megvan, akkor ettől csak kisebb feszültségű lehet a hiányzó Z-dióda, amit már könnyebb megtalálni, hogy mekkora feszültségű lehetett ott. Sok sikert! Üdv!
Szia! Tehát mint írtam SMD(remélem ez azt takarja amit a keresőn találtam), tehát a D1,d2-höz hasonló kialakítású.Az nem tudom segítene-e, ha lefényképezném a NYÁK másik oldalát, és a rajta lévő elemeket?
Szia! Most nincs nálam ez az alkatrész, de amint tudom megadom, és megadom annak, a kondenzátornak is az adatait, ami a másik oldalon van, és a két lába a "DZ2" feliratot közbezárja.
Szia! Csatoltam egy fotót,a NYÁK-ot átvilágítva.Ez szerint a keresett diódánknak, legközvetlenebb kapcsolata, a másik oldalon lévő 16 V-os, 400 microF-dos kondenzátorral van. Nem tudom ezzel közelebb vagyunk-e?
Ha csak annyi volt rajta, hogy "1N", akkor az eszerint:
Bővebben: Link 5,1V-os Zener dióda (pdf 19. oldala) típusa: MM3Z5V1 tokozása SOD-323 Ugyaneszerint, az "IN" jelölés viszont: TVS dióda, P4SMAJ16 típusú Ez nem Zener, ami a rajzjel alapján várható... A másik üvegtokos Zenerdiódára DZ1-re látsz valamit írva? De kerestem egy adatlapot a fentiről és úgy látszik, hogy nem üvegtokos, hanem műanyag, ahogy írtad is... MM3Z5V1: 300 mW 5.1 V ±5% Zener Diode Voltage Regulator A hozzászólás módosítva: Okt 15, 2018
Szia! Köszönet az eddigi erőfeszítéseidért!
-az "1N" csak annyi, hogy remélem, hogy jól emlékszem...(kb. 1 éve történt) -az üvegtokos "DZ1", csak annyi, ami látszik. Jelölés, kód nincs, kivéve a körbefutó szürkés vonalat. -lerajzoltam a "DZ2" közvetlen környezetét. (Elnézést a pontatlanságok miatt!) A tranzisztor "Y2", többet nem tudok róla. A triacon található összes feliratot lejegyeztem. A kondenzátor kapacitása helyesen: 470 microF. Ezek után az lenne a kérdésem, hogy az általad javasolt MM3Z5V1, mekkora biztonsággal illeszthető be? És ha megpróbálom beszerezni, akkor milyen fő paraméterek alapján kell kiválasztani?
Szia! Ezt neked kell eldöntened, hogy kipróbálod-e.
Nem ismerem a készüléket, össz-vissz a hozzászólásomban is linkelt, kereső által talált smd jelölés-katalógus alapján írtam amit írtam. Talán ha valaki idetalál erre az oldalra ugyanilyen készülékkel és megnézi neked mi van ráírva, vagy kereshetsz esetleg még hasonló SMD jelölés katalógusokat, mint amit linkeltem, hogy azok ilyen feliratra mondanak-e mást esetleg... Ha van multimétered, akkor viszont a többi alkatrészt is ellenőrizheted, pl a többi diódát zárlatra, szakadásra, kondit zárlatra, meg a tranzisztorokat... mert esetleg más baja is van a panelnak, de szintén olcsó alkatrészek amúgy ezek, amiket most felsoroltam. Pont ugyanilyen Zenert is lehet venni pl itt: Bővebben: Link de kísérletezni lehet akár hasonlóval is, ahol az elviselt maximális feszültség legalább annyi, mint ami ennek az adatlapján van, és természetesen a Zener-feszültsége ugyanígy 5,1V. A készülék ismerete nélkül csak feltételezésekbe lehet bocsátkozni, hogy működne-e, de amúgy meg akár könnyen elképzelhető, hogy másfajta hasonló Zenerrel is jó. (Ami viszont még érdekesség, most megnézve a fenti onsemi katalóguslapot, amit linkeltem, ott a tokon lévő jelölések között nem írják, az 1N-t lehetőségként, talán más gyártónál attól még lehet) A hozzászólás módosítva: Okt 16, 2018
Szia! Szeretnék rövid lenni. Mint írtam korábban, a kockázat fekete-fehér. Az 1N-es egy általam talált táblázatban, nem csak 5.1 voltosban létezik. Azt próbáltam megtudni, hogy valószínűsíthetően csak ez illik ebbe az áramkörbe, és ha nincs más probléma akkor el kell indulnia. Továbbá ha tévesen emlékszem a típusára, akkor visszafelé indulva a következtetésben, milyen paraméterekkel rendelkező dióda lehet szükséges a környezetében, vele közvetlen kapcsolatban lévő elemek tulajdonságai alapján. Én tisztában vagyok vele, hogy ez lehet naiv kérdés, de én nem vagyok hozzáértő. Előre is köszönöm!
Tisztelt Fórumozók !
Mivel a kérdés diódához illetve annak választásához kötődik, igy remélem jó helyre írok. Adva van egy 5,6V táp és róla egy 5,5V / 1F memória kondenzátort kellene feltölteni egy diódán keresztül. Természetesen egy memória IC miatt kell, hogy a táp sokáig megmaradjon neki. Jelenleg egy 1N4004 diódával megy a "töltés" ami beáll 5V-ra. Viszont pár anomália van, ami miatt megkérdőjeleződik a dióda tipusa : 1. A kondi feszültsége a kikapcsolás után el kezd csökkenni. Szépen, lassan, de 1 nap után 3,6V körül "megáll". Szivárog a dióda ? Ha igen - miért csak ennyire megy le ? 2. A memória kondit nem lehet feltölteni 5V-ra ? Ha szivárog - miért csak eddig megy le ? 3. Rossz a memória ? Ő is csak 3,6V-ig meríti le a kondit ? Ez nem valószinű ugye ... Mi a véleményetek vagy melyik tipust ajánlanátok ? Köszönöm a segitő válaszokat !
Az normális, hogy a kondenzátor feszültsége folyamatosan csökken, ez nem akkumulátor, ahol viszonylag állandó a kapocsfeszültség töltés/merítés közben.
Hasraütésszerűen megnéztem egy szuperkondenzátor adatlapot, abban éppen az áll, amit tapasztalsz. A feltöltés után 24-30 óráig nagyobb az önkisülése, lásd melléklet. Remélhetőleg nem csak egy soros diódán keresztül töltöd a kondenzátort, ezek a típusok nem bírják a nagyobb áramot, kell korlátozó ellenállás is. Hol találtál 5 V--os szuperkondenzátort? Sokkal gyakoribb az 5.5 V-os. 1000 + 1 megoldás van arra, hogyan lehet megőrizni adatokat áramtalanítás esetére. 1000 + 1 paraméter alapján lehet is választani, ahol az első kérdés az adatok mennyisége.
Köszi a választ. Írtam, hogy a memória kondi 5,5V / 1F értékű.
De a "töltő"-feszültség "csak" 5V lesz, mert a diódán kb. 0,6V esik. Tehetek be egy 100 Ohmos ellenállást, ha kell.
Valóban, elnéztem valahogy a feszültséget.
Igen, mindenképpen legyen soros ellenállás. Mennyi adatot kell a memóriában tárolni?
Ezt így nem tudnám megmondani.
Egy régi 5101 SRAM-ról van szó. Ahogy elnéztem a készenléti áram felvétele gyártónként más és más, de 2-3 hónap a minimum amit tudni kellene.
2-3 hónapra inkább válassz elemet, pl. AA méretűt.
Kizárt. A savkifolyás panelek százait, ha nem ezreit tette tönkre az évek alatt.
Tudom - van külső elemtartó, de macerás. És az is kifolyik, csak "odébb". |
Bejelentkezés
Hirdetés |


















