Fórum témák
» Több friss téma |
Fórum » TV hiba, mi a megoldás?
ORION nagyképernyős TV. Model: T2835 STX SILVER
Egy ideje már, hogy a képernyőn a kép csak középen kb. 2/3 részt kitöltve jelent meg, néhány perc után a teljes képernyőt kitöltötte. Most azonban állandósúlt a hiba. Lehet még ezzel valamit kezdeni? A hozzászólás módosítva: Aug 31, 2017
Szia!
A függőleges eltérítő áramköre hibásodott meg. Az IC környékén található kis elkókat ellenőrizd le,továbbá az IC tápfeszültségeit is meg kellene vizsgálni.
Már csak holnap kerűl rá sor, előbb azonban majd a belsejéről is mellékelek egy képet, hogy mégis mit hol keressek. Nem vagyok egy nagy szakember. A kondikat szemrevételeztem, de az alaplapot nem húztam /szereltem / ki mert már nem láttam rendesen. Na és olyankor kell buherálnom, amikor az asszony nincs itthon, mert nagyon ellenére van a sok vezeték meg egyéb alkatrész szétdobálva. Szerencsére van még két üzemképes TV, most az egyik van neki beüzemelve. Egyébként kösz a gyors választ.
Tegyél fel képet,bejelöljük a megnézendőket. Egyébként meg.."Asszonybeszéd pipafüst..."
Szia!
Elkezdtem ablakokat festeni, aztán aludtam egyet, az asszony elment dolgozni, én meg csodálatosan elfelejtkeztem a TV-ről. De azért még használhatóak a képek, remélem. Érdekességképpen jegyzem meg, hogy volt itt a lomosban vagy nyolc darab TV /ORION is/ aztán a télen szétberheltem az összeset mert időlegesen nem volt tűzrevalónk, a kávákat elégettem, a múlt héten meg erre jártak a vasgyűjtők és az egész doboz elektronikát- paneleket odaadtam ne fogja itt nekem a helyet alapon.Én hülye. Van amelyik kép kétszer is szerepel, mert kiírta hogy "hiba a feltöltéskor".
Üdv. Egy Toshiba 21V53E vizszintes csíkot mutat. Hibás volt az eltérítő IC, TDA8174AW volt benne, tettem helyette ami volt itthon, TDA8474A. Gondolom csak a tokozásban eltérő. Most már mutat képet, de nagyon sötét. Screen trimert tekerve fel,a kép előjön, de csak abban a pillanatban hogy tekerem, aztán ujra elhalványul, elsötétül. Már adddig feltekerem hogy a visszafutási csíkok látszanak, de a kép még mindig nem. (Ahogy hirtelen feltekerem, előjön a kép, és el is halványul) Mi lehet a gond?
Hello!
Bejelöltem a képen,hogy hol kellene kutakodni rossz elektrolit kondi után.Az IC lábait is nézd át,nem-e kitörtek a forrasztások.
Szia!
Kösz a segítséget. Délután nekilátok, aztán majd jelzem hogy mire jutottam.
Most nézem, rosszul írtam.. Ami volt benne, az TDA8174AW, én meg tettem bele TDA8174A. Tokozás más csak.
Az eredeti IC szükséges a cserénél, más csak akkor lehet, ha az tökéletesen kompatibilis az eredetivel.
Az eltérítő IC áramkörében lévő ELKO-kat is ki kellene cserélni, ha az IC tönkrement, mert azok is lehettek a hiba okozói. Táp-kondenzátor, utánhúzó-kondenzátora, előfok-vagy visszacsatolás és a kimenőjel csatoló kondenzátora. Az alacsony fényerőnek nincs köze ehhez az áramköri részhez, kivéve, ha túl nagy a képméret és ezért nincs megfelelő kép. Mérni kell a tápfeszültségeket, ha durva eltérés van, akkor ott keresendő még hibás alkatrész és azt cserélni kell. Üdv!
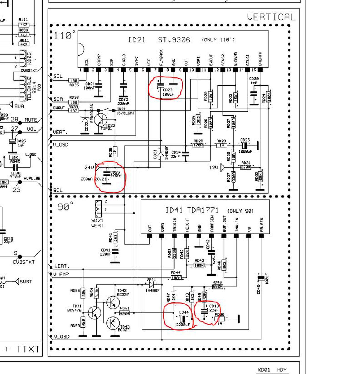
sSziasztok...! nNemprofi! Rremelem forrasztani tudsz.
![]() Aa csatolt pdf a teljes sch-ja a Tv-nek. aA jpg a segitseg! aAzonnal csereld ki a bekarikazott kondikat kulonben az IC-k is megbanhatjak. eEgyszeruen kiszaradnak az ido soran. 500 Ft-bol meguszod. mMenni fog, sok sikert...!_ Bundzsy bacsi A hozzászólás módosítva: Szept 4, 2017
Szia!
Tegnap nekiálltam és megműtöttem a tévét. Az elkót kicseréltem, találtam egy ugyanolyan kondit, de csak annyit értem e vele hogy most már kétharmad részen van kép. Próbáltam az IC lábait átforrasztani de valami ezüsttel van beforrasztva mert a pákám nem olvasztja fel. Egyelőre hagyom a francba. Előbb-utóbb venni kell valami normális tévét mert ezeken a régi típusokon a kép két széle lemarad, ha érted mire gondolok. Szerelőhöz elvitetni már nem éri meg. Azért köszönöm a segítséget.
Most látom hogy te is reagálsz a témára, ha az időm engedi nekilátok. Csak hát annyi más dolgom is lenne, hogy csak győzzem csinálni. Aztán olyan problémák is vannak, hogy egy év múlva hetven éves leszek -ha megérem- és egyre kévésbé van kedvem mindenféle munkához, ha meleg van az a bajom, ha hideg van az a bajom. És ami a legszomorúbb, egyre jobban elfelejtek dolgokat. Na de ez már az én nyűgöm. Bácsinak nevezed magad, akkor én mit szóljak. Egyébként tudok forrasztani. Mivel bácsi vagy, feltöltök neked egy anyagot, talán hasznát veszed.
Hát nem sikerűlt feltölteni, gondolom azért mert nagyobb mint 2 MB. De az adatlapodra küldtem egy üzenetet. A hozzászólás módosítva: Szept 4, 2017
A képcsövön mérve, a G2nél mekkora feszültségnek kell lennie, hogy legyen kép?
Ez változó,de olyan 300-600 V között kell lennie. A mérőműszer kicsit le is húzza,ezt látni a képen is,kicsit sötétebb lesz.
Nem szakadt meg valamilyen vezeték ott?
Előfordul, hogy a panel forgatása, javítása közben akaratlanul is elnyírunk vezetéket, ezt ellenőrizni kell. Főleg a test(negatív tápfeszültség) vezetékével fordulhat elő és akkor szétmegy a képméret, valamint a fényerő erősen lecsökkenhet. A képcső panelon is ellenőrizni kell a vezetékezést, a forrasztásokat. A sorkimenő transzformátoron lehet a fényerőt és hozzá a képélességet, fókuszt állítani, próbálkozni kell más beállítással. Ha a képméret túl nagy, liheg, hullámzik, akkor valahol szakadás van a vezetékezésben, ez sajnos lehet a sorkimenőn belül is, vagy a képcsőben is. Ki kell zárni minden külső alkatrész és vezeték hibát, ami marad, abból el lehet dönteni, hogy merre tovább. Üdv!
Mondtak nekem eeprom újraírásos lehetőséget is, de azt sem tudhatom, hogy az IC halhatott e le, vagy firmware hibás (Egy firmware problémával kezdődött) vagy mi lehet a baja
A rajz szerint kevés.De ez a rendszerfeszültség,ez változhat a képcső méretének megfelelően.
Nem kevés, hiszen egy 160 V-os elkón a 128 V elfogadható érték. Sokkal magasabb nem is lehet.
Táp feszültségek ezáltal lemérve jók.
Még egy olyan hibajelenség, ha áram alá helyezem, bekapcsolom, a visszajelző zöldet mutat, relé kattan, sorvég nem indul, 3másodperc mulva a visszajelző piros, relé kattan, tehát kikapcsol a TV. Második indításra már jó. Mi lehet ez? Lehet köze a sötét képhez?
Sziasztok megszeretném kérdezni mi a hiba akkor a tv-ben ha a hang elmegy és visszajön percenként! Ez egy grundig t 70-740/4 top! A hangoz menő kondikat kicseréltem újra és még így sem jó kérlek segítsetek! Köszönöm3
Üdvözlet!
Keress kontakt hibát, grundigoknál gyakori különösen ha ez egy idősebb példány, ha 100Hz a TV lehet elég lessz csak a Digit panelnál keresgélni. A hiba jól megmutatja magát ha az érintett terükleteket pl. egy sziegtelt végü csavarhúzóval óvatosan kocogtatod(mozgatod). A hozzászólás módosítva: Szept 15, 2017
Sziasztok. Van itthon egy CW-29M066V típusú Samsung 100Hz-es TV. Egy ideje a hangszórókból búgó hang hallatszik, hasonló az 50Hz-es brumm-hoz, de nem az. A hangereje függ a képtartalomtól: világos képen nagyon hangos, viszont sötét vagy fekete képen teljesen néma. Van valakinek tapasztalata, ötlete hogy mi okozza ezt? Köszi. Zoli
Kiszáradt kondenzátor a hiba okozója (a sortáp feszültsségeit ellenőrizd).
Sziasztok!
Kaptam egy hibás Sony TV-t, KDL-40BX450. A tulaj azt mondta, hogy pukkant egy nagyot és többé nem kapcsolt be. Standby LED sem világít. Szétszedve látható hiba nincs a nyákon, se egy megpörkölődött ellenállás, se egy kidurrant kondenzátor. Mivel erősen kezdő hobbiszerelő vagyok, így a neten fellelhető infók alapján indultam el, de elég hamar elakadtam. 240V-ot kimértem a nyák csatlakozóján, tehát a kábel jó. Biztosíték szintén megvizsgálva, szakadásmentes. Nagy kondinál megvan a DC 330V. Megmértem a Standby csatlakozónál, hogy megvan-e a 3.3V, de azt már nem találtam. És itt el is akadtam. A képen bekarikázott diódák gyanúsak, a nagy mindkét irányban vezet, bár az ellenállása jelentősen megnő a "rossz" irány felé. A 3 lábú szintén nem mutat szakadást egyik pár lábon mérve sem. De félek nincs elég szakértelmem, hogy bármit is rossznak kiáltsak ki. Van valakinek valami ötlete, hogy hogyan tudom feléleszteni ezt a TV-t? Szívesen elvinném szakihoz, de másik kontinensről nem olyan egyszerű hazacipelni, itt meg a "vegyél újat" elv miatt már rég kihaltak a tv szerelők.
Tisztelt szakértők!
Adott egy Changhong tipusú 28"-os tv, melynek elment a hangja. Szerelő megnézte, új szoftwar-et tett rá, a hang rendben is lenne, de azóta nem működik a scart csatlakozó,és az oldal-menűben sem szerepel, minden más ok. Viszont ahol használom csak scart -al tudom,nem akarom az egész rendszert hdm-is re cserélni.Most rca-val dugtam össze, de így a képminőség gyengébb, mint ha rgb-t is kapna. A kérdésem hogy szoftverezésbe tudna e valaki segíteni, hogy visszakerülne rá a gyári szoft? Köszönettel: Peti
Sziasztok! Hozzám került egy Panasonic TX-29PS11P tv. Bekapcsoláskor csak villog a piros led és ilyen nyüsszögő hangot ad ki. Le vettem a hátulját és egy íc felöl jön a hang. STR W6754. Az előző gazdája mondta hogy, a gyerekek ki be kapcsolgaták és azóta ezt csinálja. Szerintetek mi lehet a baj ?
|
Bejelentkezés
Hirdetés |






















