Fórum témák
» Több friss téma |
Ssiastok kéne nekem egy kis segitség nem találok a profi CAD -ban tanzisztort meg tudnátok mondani mejik csoportba van
Sziasztok! Én egy olyan olcsó, kicsi, és egyszerű kapcsolást szeretnék, amivel meg tudom csinálni azt, hogy 3 LED-et villogtatok folyamatosan úgy, hogy a másik 2 is világít közben halványan. A lényeg az lenne, hogy folyamatosan a következő villanjon fel: 1-2-3-1-2-3-1
Remélem tudtok segíteni!
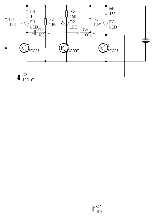
Itt van 2 rajz, ebből már megoldható a reset lábbal beállítható hogy hány lépést csináljon igy most mind a 10 kimenetet haszálja (10lépés)
Helo nekem va egy night raider {kitt} futófény rajzom 9 ledes hármasával indítja a ledeket nemtudom hogy jólenne e ha gondolod akkor megpróbálom eljuttatni a rajzot azdtán majd meglátod hogy milyen ha érdekel.
Szia!
Próbáld ki ezt a kapcsolást... A Px-el tudod az alapfényerőt beállítani. Ha különbözöszinű LED-eket használsz, akkor előfordulhat, hogy minden LED-nek külön kell beállítani az alapfényerejét. Természetesen ekkor a potis szabályzást is függetleníteni kell egymástól.
Szerintem a tranzisztorokkal párhuzamos ellenállásokkal/potméterekkel is egyszerűen lehet halvány világításra kényszeríteni a ledeket.ekkor nem kell hozzá egy dióda sem. Vagy ha csak egy led füzér kell kimenetenként (max annyi terhellés amit az ic kibír ) akkor ez a kimenet.
Rajzoltam 2 verziót, sokban nem különbözik az előzőktől... talán könnyebben eligazodsz.
A felső tranyókkal van kibővítve, hogy gyengébb fényerejű ledek is jók legyenek hozzá (nagyobb mA). Ott a 4k7...10k-s ellenállásokkal beállíthatod az alapfényerőt - ledektől , tápfesztől és tőled függ az érték. Az alsón inkább nagy fényerejű ledeket használj, hogy kevés mA-rel is nagy fény legyen. Ha berakod a szürkével jelölt diódákat, akkor IC nélkül beállítod az alapfényerőt, ha mégsem, akkor IC nélkül, de testre kötött kimenetekkel csinálhatod meg ugyanezt, ebben az esetben kisebb ellenállások kellenek a (+) felől. Ez szintén a fentiektől függ.
Szia gyulank!
Én tudok neked egy tényleg egyszerű kapcsolást mutatni, én megépítettem légszerelésben és műküdik. A kondik 10-47µF/6V a tranyók bármilyen npn tranzisztorok lehetnek ez ellenállások kivételnélkül 22kOhm-osak a tápfesz 4,5- 5V legyen Jó tanács:ha nem indul el egyből, akkor valamelyik tranyó emiterét és bázisát érintsd össze egy pillanatra, akkor mennie kell ha mindent jól csináltál Szerintem sokkal egyszerűbb mint IC-vel megoldani, és olcsóbb is. Üdv!
Szerintem nem kell ennyire túl bonyolítani, 3 db tranzisztor, pár elko, pár ellenállás, pár dióda és mehet.
Ha érdekel, megrajzolom és berakom ide.(Dobj egy privát üzit.)
helósztok a 3 ledes villógót nem igy kéne meg csinálni mert igy nem mennek tönkre a tranzisztorok
Pont ez a kapcsolás jutott eszembe nekem is!! De jó, nem kell rajzolni Eaglelel. C1, C4 FORDÍTVA! Amúgy jó.
Mi lenne,ha a tranyók kollektorait és emittereit átkötnénk egy-egy 10kOhm-os ellenállással?
Nyertél... nem szavazás kérdése...
( a kollektorok oldala közelebb van a +Ut-hez....). Jó másolást a többieknek...
Nekem úgy rémlik ez "lyukat" futtat tehát mindíg egy led sötét a többi meg világít.
Tiéd a hangszóró.... jól rémlik.
Egyre bonyolultabb lesz dolog, még pár apróság hátravan a témanyitó kérdés megválaszolásáig.
Szerintem az elején lévő 4017... 555 a nyerő ,de ha valaki tud egyszerűbbet hátha....
Valaki szimulálta már ezt a rajzot? A páratlan számú tranzisztor miatt a hurokban invertálás az eredő, én egyáltalán nem vagyok benne biztos, hogy ez képes egyáltalán oszcillálni így.
Én úgy emlékszem annó megépítettem de mivel "lyukat futtatott nem tetszett.Ahogy nézegetem bárhány fokozattal működnie kellene neki. Bár hosszabb láncoknál lehet hogy több led is fut egyszerre.(indulásnál nem tiltják ki egymást a tranzisztorok ha több van 3 nál).
A gyűrűs lánc működik, csak ki kell egészíteni 1-1 tranyóval, hogy ne lyuk vándoroljon, hanem fény
(így kérte szerintem gyulank).
SziasztoK!
Sokféle kapcsolás lett, de sok nem az, ami kéne. De attól jók. Én tranzisztoros megoldáson gondolkoztam, de miután eldöntöttem, hogy kipróbálom a 3 tranzisztoros kapcsolást, mire újra felmentem már azt írtátok, hogy az nem azt csinálja, amit kéne, ezért várok tovább. Én köszönöm mindenkinek hogy próbál segíteni! Nem tudom, hogy a 6 tranzisztoros kapcsolás azt csinálja-e, de én valami kissebb kivitelbe gondolkozok. Én ezt majd egy mobilhívásjelzőre akarom rátenni, piros, fehér, zöld LED-ekkel, úgy hogy mikor jelez, halványan mind világítson, és p-f-z-p-f-z felvillanjon világosabban 1ikről, a másikra.
1., a fehér led miatt a 4,5 volt kell mindenhogyan és cca. 50 ohm is elég neki - magasabb tápnál át kell méretezni;
2., az smd kivitelt nem ismered? minden alkatrész beszerezhető; 3., rendeld meg a Nokiától...
A 6 tranzisztoros szinte biztosan azt csinálja amit kérsz.Azon gondolkodtam valami kerékpár villogó ,ami eleve futófénnyel jön be,vagy az első variációja a futófény (ekkor a bekapcsológombra kell egy kondi) meg lehetne próbálni .A ledeket a kedvenc szineidre kicserélni, és szerintem elviseli a párhuzamos ellenállásokat az IC vel.
Csak úgy szórakozásból Sprint-Layoutban "skicceltem" egy kétoldalas nyáktervet, 35 x 21 x 5 mm-ben minden elférne. Persze ezt még lehet kicsinyíteni profibb melóval, 1206-nál kisebb ellenállással, stb....
A képét teszem csak fel...
Köszönöm! Az smd drágább? A Nokiától hogy kell rendelni, és mennyiért küldik? Az a baj hogy amúgy nem tudok normálisan nyákot maratni mert hiába rajzolom be maratásálló filccel, jukasra marja alatta.
Amúgy múltkor találtam 1 szintén LED-es oldalt, nekem tetszett! Gondoltam megmutatom, hátha érdekel valakit. http://www.motorcyclephilippines.com/forums/showthread.php?t=122189 :eek2:
Légyszi a linket inkább az
Idézet: -gombal tedd ki! „URL” Sokkal jobb és könyeb elérni a mellékelt linket, mint (állandóan) KIOLLÓZNI a szövegből... Ez nem személyszerint csak neked szól! :no: S hogy egy példával is szemlétessem: Motorcycle Philippines - egy nagyon KOOL oldal! Köszönöm! _jani_
Jó! Igazad van.
Visszatérve a LED-es cuccra, kiegészítettem a 6 tranzisztoros megoldást úgy, ahogy bennevan a hívásjelző is. Szerintetek működik így? :yes: :no:
Úgy gondolod, hogy a jobb oldali tranyó valahogyan GND-t rak a villogó alá?
A jobb felső ellenállás minek? A tranyó c,b közötti ellenállása miatt igy biztos nem oké. A bázisra DC-nek kell menni, persze megfelelő ellenálláson keresztül. A Nokia vicc volt, hi...
Nen tudom az L jelű alkatrész mit takar,de szerintem valami tároló félével kellene meghajtani. Nem hiszem hogy dijjazza a szaggatott tápot.Régi ledes hívásjelzőben egy egy tranzisztoros erősítő volt meg egy antenna és a led az antennajeltől villogott.De szerintem a te fogyasztásodhoz ez kevés (és főképp nem folyamatos).
|
Bejelentkezés
Hirdetés |













a szövegből...

