Fórum témák

» Több friss téma
Fórum » Rádióamatőrök topikja
Lapozás: OK   161 / 258
(#) szikorapéter válasza Kera_Will hozzászólására (») Nov 7, 2017 /
 
Igen ,csak pont a gépeket szerettem volna kihagyni a dologból,de azért köszönöm.
(#) Kera_Will válasza szikorapéter hozzászólására (») Nov 7, 2017 /
 
OK akkor kell egy analóg WBFM rádióvevőt építeni , meg lévőt áthangolni, konvertálni stb ...
A dongle ezt elkerüli, gyors és egyszerű , na jó kell egy vmilyen számítógép szerű is hozzá.
(#) szikorapéter válasza Kera_Will hozzászólására (») Nov 7, 2017 /
 
Az a baj hogy ha asztalon lenne a keverő még jó is lenne, viszont rack tetején van és nincs se mellette se alatta hely,ezért valami olyanra gondoltam ami 1U magasságban rackben elfér, de stabilan veszi a mikrofon jelét. Mivel ez nem nagyon oldható meg egyszerűen PC nélkül,így inkább maradnék egy gyári készlet beszerzése mellet.
(#) Feri007 válasza szikorapéter hozzászólására (») Nov 7, 2017 / 1
 
Az említett keverő jár a legkisebb vesződséggel.
De: tetszik nekem a 36,7MHz!
Ha keverőt 26Mhz-es oszcillátorral készitenéd- kapható 26Mhz-es kvarc- akkor a kikevert freki
10,7Mhz. Tehát egy szokásos FM KF értéke. Mehet egyből a KF fokozatra, és igy egy fixen hangolt vevőd lenne. Szerintem ilyesmire gondoltál, mint egyenes vevő.
Keverő IC-nek jó a "szokásos" S042.
Vagy/és: pl. Videoton FM rádió modul fellelhető még, annak a front-endjét át lehet alakítani a fenti módon, tartalmaz FM demodulátort is, és kész a vevőd, kis méretben.
Vidi FM modul kapcs .rajz

(A téma amúgy inkább rádióépítés, mint amatőr, javaslom a moderátoroknak, rakják át a témát.)
A hozzászólás módosítva: Nov 7, 2017
(#) Doky586 válasza szikorapéter hozzászólására (») Nov 7, 2017 /
 
Van kábele is, használd azzal, vagy bluetooth toldóval..
(#) sziszipuszi hozzászólása Nov 15, 2017 /
 
Üdv ,sziasztok.
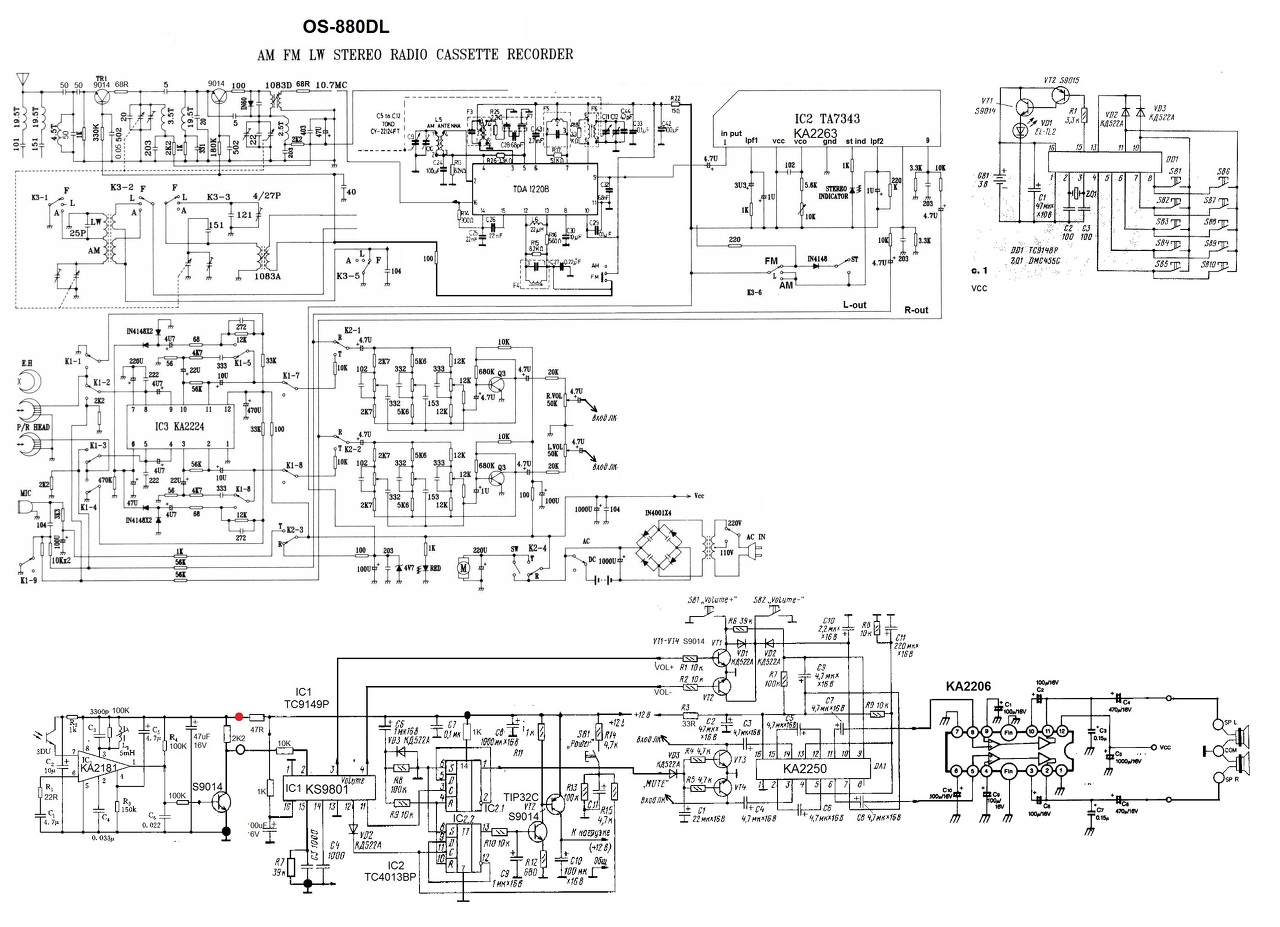
Rá ismer-e valaki más készülékből , ennek a csodának rajzára, jó lenne eredeti kinézetű.
osaka , shiki os-880DL
A mellékelt képen nagyjából látható.
A hozzászólás módosítva: Nov 15, 2017
(#) pucuka válasza sziszipuszi hozzászólására (») Nov 15, 2017 /
 
Jó, jó, de ennek mi köze a rádió amatőrséghez, azon kívül, hogy itt azért eléggé hozzáértők vannak. Inkább egy másik rádiós topikba illett volna feltenned, mert itt eléggé OFF.
(#) Doky586 válasza sziszipuszi hozzászólására (») Nov 15, 2017 / 1
 
Mi a probléma vele ???
Mostanában vannak a lomtalanítások, ott ingyen leadhatod..
(#) panther2000 hozzászólása Nov 16, 2017 /
 
Kedves kollégák!
Szükségem lenne egy digitális skálára, aminek a következőket kellene tudni:9138-9038 kHZ közötti hangolhatóság, 10Hz felbontással. Eközben a kijelzett értéknek 0,0000- 99999 között kellene változni. Természetesen TCXO stabilitású jellel.
Várom, és megköszönöm a segítségeteket!
(#) pucuka válasza panther2000 hozzászólására (») Nov 16, 2017 /
 
Több járható út is van.
Az egyik, hogy egy pontos frekvencia mérővel méred a helyi oszcillátor frekvenciáját, és hozzáadod/kivonod a kijelzett értékből a KF frekvenciáját.
A második, hogy a helyi oszcillátor frekvenciáját pll -el stabilizálod, és a osztó beállított értékét átkódolod.
A második megoldás nagyobb stabilitást eredményez, és ha az osztót mikrovezérlővel állítod, akkor a frekvencia kijelzést is átkódolhatod.
Harmadik, DDS -t használsz.
A hozzászólás módosítva: Nov 16, 2017
(#) Kera_Will válasza panther2000 hozzászólására (») Nov 16, 2017 /
 
Használd ezt a pl VFO-nak
si5351 vfo1
vfo / generator
ocxo-s hő stabil vfo / generator
A hozzászólás módosítva: Nov 16, 2017
(#) panther2000 hozzászólása Nov 16, 2017 /
 
Köszönöm a gyors reakciót, de ezt el kellene készíteni, egy vállalkozó kedvű kollégának! Na ilyet keresek!
(#) Kera_Will válasza panther2000 hozzászólására (») Nov 16, 2017 /
 
Készen is megkaphatod ... de lehet arra várni kell ... out of stock
A hozzászólás módosítva: Nov 16, 2017
(#) elektroncso hozzászólása Nov 17, 2017 /
 
Sziasztok.
Rádió adó-vevő építésében gondolkodom, jelenleg a lehetőségek átnézése folyik, megtetszett ez a DSB adó-vevő: The VK3YE Micro 40 DSB Transceiver.
Elsőre semmiképp nem akarok valamilyen bonyolult többsávos készüléket építeni, ez meg egyszerű, ráadásul semmilyen beszerezhetetlen alkatrészt nem tartalmaz, a félvezetőket mondjuk helyettesítenem kell, mert a BD139 kivételével a többi nincs itthon. Mit szóltok hozzá? Érdekel a véleményetek, nehogy elsőre valami rossz konstrukciót építsek meg. Tudom, hogy ez QRP készülék, de nem célom a DX összeköttetés, Magyarországon szándékozok forgalmazni. Viszont nekem 80 méterre kell megépítenem, mert itthonról nem forgalmazhatok 40 méteren.
U.i.: Azt viszont nem tudom, hogy Magyarországon DSB-ben forgalmazhatok-e.
A hozzászólás módosítva: Nov 17, 2017
(#) pucuka válasza elektroncso hozzászólására (») Nov 17, 2017 /
 
Hogy mit szólnak a többiek, azt nem tudom, de a megengedett legnagyobb sávszélesség a 40, és a 80 m -es sávban is 2700 Hz. Ez pedig csak SSB adásmódot tesz lehetővé.
A rajzon látható adóvevő egyszerű, és nagyszerű, olyan 1 W kimenő teljesítményt produkálhat. A tranzisztorokat helyettesítheted BC tranzisztorokkal, a FET lehet BF244, 245.
Ha csak egy frekvencián működik a rádiód, akkor nem lehetetlen a DSB -t SSB vé alakítani, csak egy marék kristályból kell válogatással, frekvencia elhúzásokkal, csatolási tényezők változtatásával egy jó létraszűrőt előállítani az egyik oldalsáv elnyomására. Ha több frekvenciás, vagy több sávos adóvevőt szeretnél, akkor sajnos kevergetni kell.
A hozzászólás módosítva: Nov 17, 2017
(#) ha9pi.feri válasza elektroncso hozzászólására (») Nov 17, 2017 /
 
Szia! Először is gratulálok a sikeres vizsgához! Remélem hamarosan megkapod a hívójelet is.
A DSB adás már elég rég kiment a divatból, még a 70-es években se nagyon örültek az amatőr társak ennek az üzemmódnak. Lehet találni hasonló egyszerűségű SSB tcvr leírást is.
Vannak nagyon egyszerű SDR tcvr leírások is (még szűrő sem szükséges hozzá), egy közepes, vagy jobb minőségű hangkártyára és néhány filléres IC-re van szükség és működik.
Ha nem találsz leírást, majd segítek keresni.
73&DX! HA9PI Feri.
(#) elektroncso válasza pucuka hozzászólására (») Nov 17, 2017 /
 
Köszönöm. Közben kutakodtam a neten a témában, rájöttem miért találtam annyi DSB adó-vevőt. A IARU REGION 2 illetve a REGION 3-ban engedélyezett, nagyobb a megengedett sávszélesség mint itt nálunk a REGION 1-ben.
U.I.: Pl. a REGION 2 80 méteres sávtervének lábjegyzetében benne van,
Idézet:
„DSB AM phone is allowed with maximum 6 kHz BW as exception.”
A hozzászólás módosítva: Nov 17, 2017
(#) elektroncso válasza pucuka hozzászólására (») Nov 17, 2017 /
 
Először csak 1 frekire építeném meg, valahol el kell kezdeni. Mégpedig a 3 650 – 3 700kHz közötti sávszegmensre, mivel az IARU Region1 sávtervben ez van QRP SSB szegmensnek feltüntetve.
Műszerezettség van, itthon még egy évig kölcsönben egy 1,3GHz-es spektrum analizátor képében. Oszcilloszkóp (HMO1024 100MHz-es négy csatornás), zajgenerátor (házibarkács), profi multiméter is van.
A létraszűrővel gondolom a végfok meghajtó tranyóra jutó jelből gondolod a felső oldalsávot kiszűrni. A kevergetést meghagyom későbbre.
(#) elektroncso válasza ha9pi.feri hozzászólására (») Nov 17, 2017 /
 
Köszönöm. A hívójel odébb van, még be sem adtam a kérvény, most fogom a héten postára adni.
Ettől féltem én is, ha esetleg tudsz hasonló egyszerűségű (de ha bonyolultabb az sem gond) adó-vevőt akkor szívesen fogadom. Olyat amihez számítógép kell nem szeretnék, elsősorban kitelepülős QRP üzemmódban leszek, akkor pedig kényelmetlen számítógépet cipelni magammal, főleg, hogy nincs laptopom. A rádióval együtt hetente vagy 200km-t fogok ingázni, Gútán lakom (Szlovákia) viszont ha minden jól megy 1 év múlva a Kandón leszek Pesten. Utána kezdődik az ingázás. Másrészt meg szeretek túrázni, így később a SOTA is elképzelhető, bár akkor már nagy eséllyel nem az első adó-vevőmmel fogok dolgozni. Aztán ki tudja mindig jó érzés visszatérni a kezdetekhez a tábortűz mellé.
(#) pucuka válasza elektroncso hozzászólására (») Nov 17, 2017 /
 
Így van, a végfok meghajtása elé kell tenni. A vevőágban nem annyira lényeges. Ha a spektrum analizátorban van tracking oszcillátor, és megy is 3 MHz körül (nem nagyon szokott) akkor nyert ügyed van a szűrő beállításához is. (vagy összeütsz egy wobblert a szkópodhoz)
Érdemes megfontolni ha9pi.feri javaslatát is, lehet egyszerűbben jutsz célhoz.
(#) Gafly hozzászólása Nov 17, 2017 /
 
Közben megjött a 2018-as RT évkönyv, jó sokat kellett sorba állni a postán (fene sok már most a kínai postai csomag, tömegjelenetek vannak, volt aki már beszólt a postás csajnak, miután nem jött meg a csomagja amit reklamált, hogy akasszák fel magukat ).
Belelapozva van egy cikk, valami "Máté" írta, a "kétsávos vobbulátor"-ról.
Szerintem ezzel fogom kezdeni az olvasást, és a párnám alá teszem
(#) pucuka válasza elektroncso hozzászólására (») Nov 17, 2017 /
 
Ma már nem érdemes számítógépet cipelni, lehetséges, hogy androidos telefonra van alkalmazás.
(#) elektroncso válasza pucuka hozzászólására (») Nov 17, 2017 /
 
Szélessávú vobler van saját építésű, de még nincs befejezve, de azért indikálni már lehet vele. Idén vittem el az OKV-re ahol első lettem vele, a HMO szkópot a suli kapta érte én meg egy profi DMM-et.
A spektrum analizátorban tracking generátor tudtommal nincs, egy TTI PSA1302 típusról van szó.

U.i.: A cél az, hogy megtanuljak minél több dolgot, a végső célt elérni úgy sem fogom soha. Mindig lesz jobb, másabb ami miatt folytatni fogom.
A hozzászólás módosítva: Nov 17, 2017
(#) sany válasza Gafly hozzászólására (») Nov 17, 2017 /
 
Én digitális formában veszem meg így nem kell sorba állni a postán érte. Ja nem az internet sötét oldalára gondoltam.
A hozzászólás módosítva: Nov 17, 2017
(#) Gafly válasza sany hozzászólására (») Nov 18, 2017 /
 
@sany: Mivel nekem sok-sok év megvan papír alapon, ezért nem szívesen váltok (már csak hagyománytiszteletből sem).
Persze tudom hogy ez a jövő, annyira vaskalapos nem vagyok. Arra azért kíváncsi leszek, hogy 30 év múlva hogyan fogod olvasni a digitális formátumot?
@elektroncső: Azt hogyan döntöttétek el, hogy mennyi "b"-vel fogjátok írni?
(#) elektroncso válasza Gafly hozzászólására (») Nov 18, 2017 /
 
Nekem van egy könyvem, Csepregi H. Kázmér A frekvencia függvényében változó jellemzők mérése címmel amiben mindenhol vobbulátornak van nevezve, maradtam én is ennél a kifejezésnél.
(#) gkari válasza elektroncso hozzászólására (») Nov 18, 2017 /
 
Egyszerűen gratulálok!!!!
'73!
Ex HG5ACV
(#) sany válasza Gafly hozzászólására (») Nov 18, 2017 /
 
Nekem is megvan néhány évad Rádiótechika, Hobby Elektronika és néhány RT Évkönyvem is. Én is jobban szeretem, ha fogom a kezemben az újságot és könyvet. Csak hát a hely kevés ahova raknom őket. )
(#) Lénárth János válasza panther2000 hozzászólására (») Nov 18, 2017 /
 
Szervusz! Én frekvenciamérők építésével (is) foglalkozom.
Az a kérdésem, hogy csak valamilyen meglévő készülék frekvenciájának a mérésére szolgáló skálát szeretnél, vagy olyan VFO-t, amelyhez kapcsolódik egy frekvenciamérő?

frc1.JPG
    
(#) Peter_S válasza elektroncso hozzászólására (») Nov 19, 2017 /
 
Idézet:
„Viszont nekem 80 méterre kell megépítenem, mert itthonról nem forgalmazhatok 40 méteren.
...
Azt viszont nem tudom, hogy Magyarországon DSB-ben forgalmazhatok-e.”

Igen, de nem 80m-en.
A 10m-es, 2m-es és a 70cm sávon mehet az A3E üzemmód, amennyiben alap fokozatú (CEPT Novice) vizsgát tettél. Ha HAREC-et, akkor máshol is.
7/2015. (XI. 13.) NMHH rendelet
Lásd 9.2. Frekvenciagazdálkodási követelmények.


Gratula a vizsgához, üdv a klubban!
A hozzászólás módosítva: Nov 19, 2017
Következő: »»   161 / 258
Bejelentkezés

Belépés

Hirdetés
XDT.hu
Az oldalon sütiket használunk a helyes működéshez. Bővebb információt az adatvédelmi szabályzatban olvashatsz. Megértettem