Fórum témák
» Több friss téma |
Hááát, én szégyenemben el ásom magam. Több mint valószinü megvan a probléma a rendes nyákon is. A két kimenetről itt van a kép. Köszönöm szépen, mostmár estére beinditom a rendes nyákot.
Inkább áss elő egy nagyítót legközelebb..
![]() Lesz még jobb melód is biztos.. A hozzászólás módosítva: Nov 27, 2017
Szerintem az RC tagos kérdésedet inkább egy erősítős topikban tedd fel, mert itt nincs ilyen alkalmazás..- elég sok oldalról semmi sem mindegy.
Még mindíg nem bírtam rájönni, hogy a P6KE200CA dióda miért melegszik. A táp működik, de a dióda mégis fűt. Valami ötlet?
A 12V kimeneten 16V jön ki, a 3V3 kimeneten meg 4,99V ez is fura. A hozzászólás módosítva: Nov 27, 2017
Az adatlap ilyen snubber-t ajánl, lásd kép. Ha a feszek nem jók, a visszacsatolásod rossz. Szkóppal kell ránézni, mert sosem fog kiderülni a baja. Valószínű ennek a hibának az okán melegszik az a dióda.
1., A P6KE200CA adatlapján megadják egy kis rajzon, mekkora rézlapocska szükséges a hűtéséhez és milyen lábhosszal. Ezt a valóságban nehéz kivitelezni..
2., nem keresem vissza, melyik rajzot csináltad, de elképzelhető, hogy elég lenne 50-100 volttal nagyobb példány is, ami kevésbbé melegedne. 3., átmenetileg tegyél vele sorba 1 ohm 5W ellenállást és szkóppal néz meg, mekkora áramtüskét látsz, amit ugye "folyamatos" üzemben kap. A hozzászólás módosítva: Nov 28, 2017
1. A vele sorban lévő diódának gyors diódának kell lennie. A rajzon az van, de az egyik hozzászólásodban egy normál hálózati diódát mutató linket adtál meg. Milyen van benne valójában? A lassú dióda is oka lehet a melegedésnek.
2. Ha jó a szabályzókör, legalább a 12V-nak rendben kellene lennie, mert arról van a visszavezetett jel. Terhelés nélkül lehetnek anomáliák, de egy kis terheléssel helyre kellene állnia a rendnek. Ha ez nem történik meg, előfordulhat, hogy a 200V-os szupresszor fogja meg a feszültséget. Bár ez nem valószínű, mert korábban magasabb feszültség szintek is kialakultak, de elvilg ezért is melegedhet. 3. Jó lenne tudni a trafó menetszámait, vagy egy szkóp felvétel is informatív lenne a primer feszültségről. A szupresszor feszültségének kellő távolságban kell lenne a szekunder feszültség és a menetszám arányok által meghatározott szinttől (mennyivel magasabb feszültségre áll kikapcsoláskor mint a +DC pont). Szerintem nagyjából a kétszeresének kellene lennie. 4. A szupresszoron disszipálódik el a trafó szórásába tárolt energia jelentős része. Ha nagyon laza a csatolás, akkor bizony nem a szekunderbe, hanem a szupresszorba megy a betöltött energia jó része. Ha a trafóval nem tudsz mit csinálni, akkor esetleg emelni lehet a szupresszor feszültségszintjét, és így a 3. pontban említett kétszeres viszony tovább nőhet. Persze nem lehet akármeddig növelni, biztosítani kell a kapcsoló elem védelmét.
Suf 4007 van benne, lehet hogy az a lassú?
Amit benéztem, hogy 15V zéner van a visszacsatolásban. Lehet ezért nőtt meg a feszültség. Keritek 12V zénert.
A SUF diódád nem lassú, azzal semmi baj. Viszont a snubber kör inkább álljon a vele soros RC tag alkalmazásával, lásd eSDi beírását. A P6...... -ot hanyagold.
A SUF4007 ultrafast dióda, annak jónak kell lennie.
Igen, a nagyobb zénerrel nagyobb kimeneti feszre szabályoz. A rajzon 10V-os zéner van, és elvileg annak is kéne lennie. Persze ez a zéneres megoldás nem egy patika pontosságú, 1-2 volt eltérés az alkatrészek szórásából, a munkaponti áram változásából könnyen összejön.
Sziasztok!
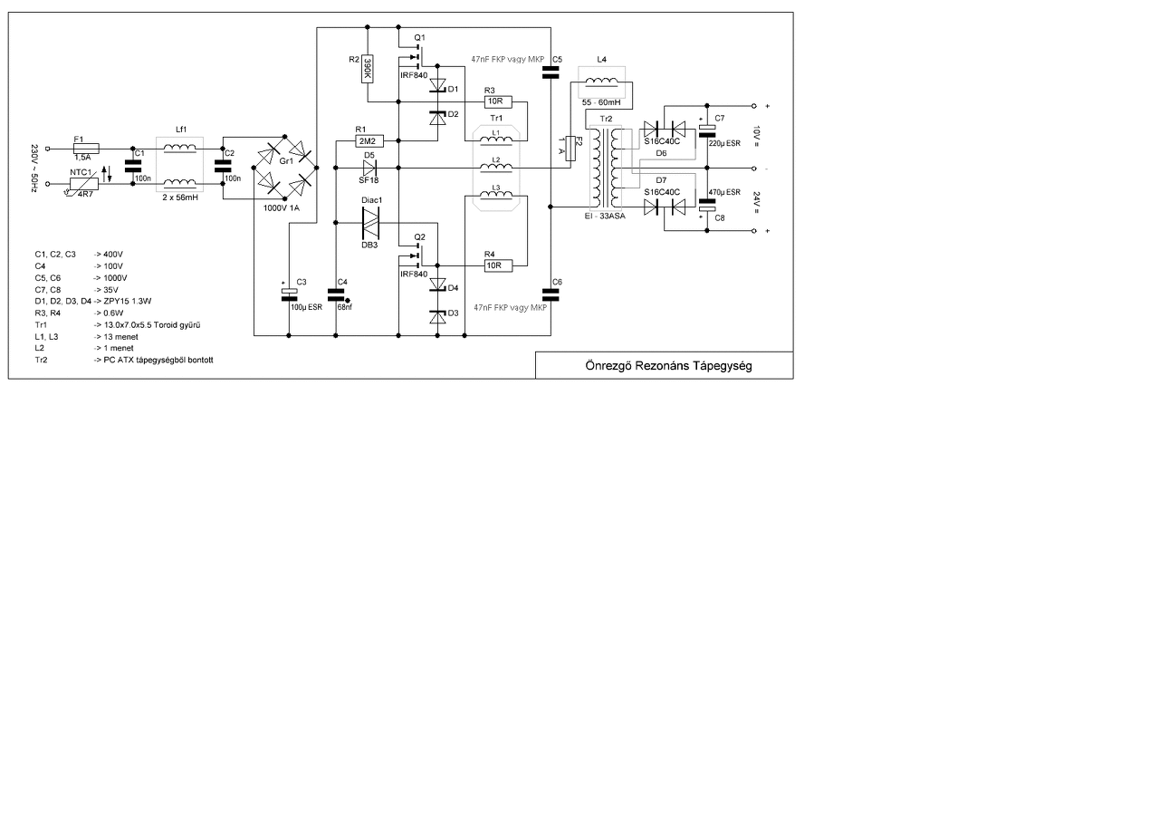
Utan epitettem a Skori fele rezonans tapegyseget, viszont a szekunderen nem jon ki feszultseg (gondolom nem indul be a rezges, ra mertem freki merovel semmi, volt merovel semmi) DE, ha barmelyik 2 szekundert rovidre zarom, elviszi a biztositekot, sikerult megolnom a hidat es egy FET et. Abban szeretnek segitseget kerni merre induljak el, mivel meg kezdo vagyok a rezonans tapokkal kapcsolatban. A "TR1"-et 13+1+13 ra tekertem, FET nek pedig P10NK80ZFP-t hasznalok. (Zennernek pedig 12 voltosokat, nem tudom mennyire befolyasolja a mukodest). Valaszokat elore is koszonom.
Nem kellene neki egy minimális terhelés hogy elinduljon? Rövidzár helyett; vagy lehet még egy visszacsatolótekercs a főtrafóról is.
Szia!
Valami infót írj a Tr1-ről is, AL mekkora pl. Legalább az egyik kimenetet terheld le egy, a kimenetnek megfelelő feszültségű 15-20 wattos izzóval, mert üresen csak megindul és nincs tovább. A hozzászólás módosítva: Nov 30, 2017
A meret kb akkora mint amit a csatolt kapcsolason ker, talan 1 mm-el keskenyebb (ketto darab ossze ragasztott ferrit gyuru szinten tapbol bontva)
Ha pc-táposak ( sárga..), akkor eléggé kevés lehet az AL érték úgy is.
A leírásban olvashatod, milyen a megfelelő. Mindenesetre a terhelt tesztet csináld meg. A hozzászólás módosítva: Nov 30, 2017
Szép estét!
Segéd tápfeszültséget szeretnék szimulálni, de nem az igazi. Van otthon egy 230V/18V-os hálózati trafóm, 10VA-es, és LM7815-ös és LM7915-ös IC-m. A trafónak egy szekunder tekercse van. Próbálgatok kihozni valahogy egy olyan kapcsolást, ami lehetővé teszi a kimeneten a +-15VDC-t. Itt egy elképzelés. Fogjuk rá, működik. Igaz, 8V-ot ot és nem 15-öt csinál. Jó lehet ez? Valaki, aki rutinosabb a témában, rá tudna nézni nekem? Vezérlő IC-nek, a félhíd meghajtónak és a műveleti erősítőknek kellene a +-15V. Köszönöm! Üdv, Bence!
Szia!
Ez így nem helyes. Nincsen a testpontod dc csatolva sehová, lóg a levegőben. Középkivezetés nélkül ez nemhinném, hogy menni fog.
Igen, de nyilván így sem lesz +-15 voltod egy 18V-os trafóból. Amúgy ez offtopic.
Azért kapsz 8V-ot, mert a 2 x 15V-hoz kell 25V AC, mert a 2 x 15V DC az 30V DC, ennyire kell kerülnie legalább egymástól a két kimenetnek - ezt a betápnak fedeznie kell, és ugye a stabokon is esik 2-2V.
Van egy trükk, de neked ez már nem lesz jó, mert ehhez valószínűleg kevés a műveleti erősítő maximális tápfeszültsége.
Szia!
Két diódát megspórolva, egyutas egyenirányítással meg tudod oldani. Üdv.: István
Köszönöm szépen a gyors segítséget! Sikerült megoldani. Még a végén készen leszek a tápegységemmel is
Hááát, az eszembe se jutott, hogy két forr-pont biztosan kell.....
Na, mindegy. Lényeg, hogy segíteni akartál. Azért nem köszönöm meg, mert az ilyen gúnyolódó válasz szóra sem érdemes.
Szia, olyan kérdéssel fordulok hozzád egy másik tápból ollóztam ki a rajzot.
Ezt a meghajtást használhatom a teljes hidas tápodnál a tl494 helyett? Akkor az opto helyett áramváltó védené a tápot.
Helló! Használhatod, de a 494-hez is ugyanúgy tehetsz áramváltót az optó helyett. A 3525-tel nem dolgoztam, nem ismerem, nem tudom hogy pl. a shutdown lábon ha le van állítva akkor az meddig áll, de mintha az rémlene hogy a következő indító impulzusig, tehát előrébb nem leszel vele.
Nem az elsősorban a probléma hogy lassú az optó, hanem az, hogy ha mondjuk rövidzár van a kimeneten, akkor hiába van lekapcsolgatva a vezérlés, hogyha 1-2 vagy néhány periódus múlva újra visszakapcsolgat, mert ilyenkor nagyon nagy csúcsáramok folynak, amit nem fognak bírni a fetek. Ez ugyanúgy probléma lesz a 3525 esetén is, mivel az sem árammódú vezérlő, tehát nem tud folyamatosan az áramcsúcsok elérésekor lekapcsolgatni. A 3525-ben az a jó, hogy a kimenete egy az egyben meg tud hajtani fetet, vagy akár a gate trafót is, hacsak nem túl kicsi annak a mágnesezési induktivitása. De az meg nem jó benne hogy az egyik hibaerősítőt kispórolták belőle, ami a 3524-ben meg benne van, de annak meg nem komplementer emitterkövetős a kimenete. ![]() Szóval teljesen mindegy hogy melyikkel csinálod, tegyél az áramváltó vagy az optó jele után egy monostabil 555-öt amivel mondjuk 200-300ms időre leállítod az IC-t. Tehát ne közvetlenül az IC-t kapcsolgasd le, hanem az 555-öt, az meg majd lekapcsolja az IC-t. Az időt most csak sacc/kb mondtam, nem próbáltam ki. Ha kevés az sem jó, mert nem pihen elég ideig a FET az áramsokk után, ha túl sok, akkor meg el sem indul a táp, mert a bekapcsolás árama (töltődő szekunder pufferek) miatt is folyton le fog kapcsolgatni, és nem tud emelkedni a kimeneten a feszültség.
Megrajzoltam amit mondtál, ha jól értelmeztem.
Az 555 lelkivilágában nem vagyok annyira otthon, szerintem oda kéne még egy RC tag a trigger lábra is, ahogy a végfokos cikkemben van. Az optó tranyójának emitterét meg nem a DTC lábra hanem a földre kell kötni. Az meg majd a működés során derül ki, hogy esetleg szükség van-e valami gyenge jelformálásra az 555 bemenetén, szerintem igen. Igazából én az optót úgy ahogy van el is hagynám, és a cikkemben lévő áramkört tenném be oda egy az egyben, nyilván az időzítő tagot módosítva.
Nem kell oda az optó, kell az RC tag ami simít valamit az áramjel tüskéin, a tranyó, meg az 555, hasonlóan mint itt.
Sziasztok!
Van valami használható megoldás arra, hogy egy egyszerű fix feszültségű, aszimmetrikus kimenetű kapcs.üzemű tápot valahogy szimmetrikusként lehessen használni (egy erősítő tápjaként), a kimeneti feszültség jelentős változása nélkül? Bár szinte biztos vagyok benne, hogy nem... Ez lenne a táp: Bővebben: Link Köszönöm
A belsejét kellene látni mert a kép semmit nem mond. Ha félhíd van benne akkor minden további nélkül lehet szimmetrikusat csinálni belőle, bár ott ír túláram meg rövidzár védelmet, nem tudom hogy az hogy van megoldva benne.
|
Bejelentkezés
Hirdetés |



















