Fórum témák
» Több friss téma |
Első ránézésre nem. Nagy valószínűséggel nem lesz olyan teljesítményű 12V-ra alkalmas kivezetése, ami kellene.
Ha tudod, hogy mihez való, esetleg odaírhatnád, hogy pl. ez egy Panasonic SA-HT75 házimozi trafója.
igen, a panasonic sa-ht75 trafója! (bocsi elfelejtettem)
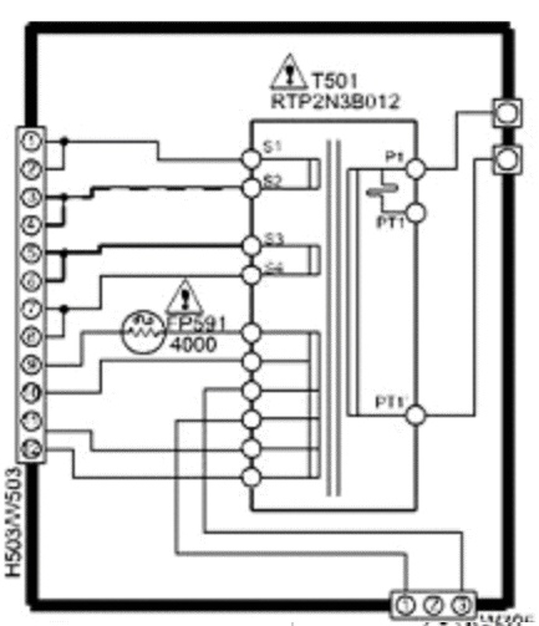
25v-os gondik is voltak az erősítőben.-nem lehet hogy van valahol rajta 12v-körüli? hogyan tudhatom meg? elég sok kivezetése van!
Ha van műszered, akkor az megkönnyíti a dolgod.
Itt van a trafó kimeneteinek a vázlata, ahogy kadarist is írja neked kell lemérned multiműszerrel.
Köszönöm!
A teljesítmény egy ilyen erősítőben a végfoknak kell, azt meg magasabb feszültségről ildomos járatni. Szerintem felejtős.
Sziasztok!
A második hsz. -ben lévő kapcsolást megcsináltam, egy Philips autórádióhoz. Ez az a rajz: Bővebben: Link Egy 20V 3,5A laptop tápegység kimenetére kötöttem. Gyönyörűen adja a 12V-ot és stabil is. De! A BD246-os nagyon melegszik. Uce=8V. Kis hűtőbordán van, ami éppen csak nagyobb a tranzisztornál és hőmérővel 45 foknál sem állt meg, pedig hangerőt még alig adtam. Ha hagynám, szerintem felrobbanna ![]() Ha a földelést lekötöm, vagyis ez a kapcsolás lóg a levegőben, de a rádió megkapja a laptop táptól úgy a kimenet 17V-ra áll és Uce=3V esetén már nincs melegedés. A 17V-tól nem döglött meg a rádió, stabilan tartja ráadásul. A hozzászólás módosítva: Dec 14, 2016
Idézet: „Miért melegedhet ennyire?” Mert nagy feszültség esik rajta, és jelentős áram is. Idézet: „A 17V-tól nem döglött meg a rádió,” Mos még. ![]() Szerintem jobban kellene hűteni (ezek szerint a nyugalmi árama is sok ehhez a stabilizátorhoz és hűtéshez). 14..15 V-nál nagyobb feszültséggel nem illik táplálni egy autórádiót.
Ne engedd azért 15V fölé a feszültséget. A soros áteresztős tápok melegednek, hiszen el kell disszipálnia a tranzisztornak 8V/XA-t, 1A-nál 8W, kettőnél 16W... Rakj nagyobb hűtést, akár PC ventilátorral is segítheted.
Most hogy belegondolok, ha kizárolag erre van használva a laptop táp, akkor lehet érdemesebb azt átalakitani. Kis szerencsével egy ellenállás cseréjével (vagy pluszban beforrasztásával) kis szerencsével meg lehet úszni a dolgot. Persze a külön stabilizátor egyben szűrést is végez. Lehet direktben megszórja a kapcsolótáp a rádiót és külön szűrés kell hozzá.
Gondoltam erre is, csak nem akartam megbontani, illetve nem értek hozzá annyira. Pár éve ott porosodott már ez a kapcsolás az asztalomon. Szkóppal néztem, a kimenete egészen jó a tápnak, a 12V pedig eltüntette azt a kis hullámzását is, ami benne van. Áramfelvételt nem mértem, de érthető akkor, hogy az okozza a melegedést és nem valami hiba, köszi Inhouse.
A másik, hogy a kapcsolási rajzot, amit belinkeltem megtaláltam a BSS oldalán is Bővebben: Link és egészen más dimenziókat ír a kondenzátorokhoz. Mi a véleményetek? csatoltan a két kép.
Szerintem felesleges akkora kondi, gerjedésgátlás lenne a feladata.
Ha megis szetpattintod a tápot és megmondod milyen IC van benne, akkor lehet hogy meg tudjuk saccolni az átalakitast.
Ha mondjuk berakok egy 2,4V-os ZPD-t a 7812-es földjére, akkor a kimeneten 14,4V lenne, és a tranzisztor is kevésbé melegedne. Ez működhet?
Működhet, de lesz ott még melegedés rendesen. Olyan 5W 1A-enként. Próbálj meg megfogni egy 5W-os égőt, amikor világít...
Üdv!
Valaki próbálta már egy autórádiónak a tunerét hasznosítani? Van egy Sony autórádióm, benne egy sony SSIR-ex tuner, Google-n rákeresve sok találatot ad, de csinált itt valaha valaki is ilyet? Bevált? Hogyan lehet pl az állomásváltást megoldani? Van valakinek tapasztalata ezen téren? A válaszokat elölre is köszönöm!
Hagyd meg a tuner körül az autórádiót is, és akkor könnyedén tudod hangolni. Ráadásul ennek egyéb előnyei is vannak.
Üdv!
Egy autórádiót szeretnék megtáplálni, otthoni felhasználás céljából. Remélem ebben a topikban elfér, mert mást nem igen találtam. (vagy csak évek óta halott topikot) Van egy pioneer deh-p6700mp autórádióm. Ehhez kellene nekem tápegység. Jelenleg egy Asus laptop tápegységgel próbáltam ki. Működik, de sajnos ez 19V 4,74A és ha nem tévedek ennek max 12V 10A kellene. (10A-os biztosíték van a hátulján) Maga a fejegység már 12V 1,5A is bekapcsol, de hát hang is kellene. Egyszerűen nem találok megfelelő tápot a piacon. LED tápegységgel próbálkoztam, de az nem vált be. Tönkretette az FM vételt. Esetleg az ASUS táp 19V-ból lehet 12V-ot csinálni komolyabb elektronika nélkül? Köszönöm.
Sima Pc táp bírja. Enyém is erről megy. 5voltos ágra köss egy ventilátort.
Ennek külön témája van. A problémát nem az üzemszerű táplálás jelenti -de azért azt is meg kell oldani- hanem a memóriaőrzés. Nálam ez működik egy kis akkumulátorral kiegészítve, ami üzem közben természetesen töltődik is.
A PC táp viszont folyamatosan megy.
![]() Komolyabb áramköröket nem akarok tervezgetni, kivitelezni, mert bár érdekelne a dolog, de az égvilágon semmi eszközöm hozzá. (értsd. forrasztóm sincs, továbbá kedvem se az alkatrészek összevadászására) Még arra gondoltam, hogy 15V-os általában a Toshiba laptopok tápja, az azért nem lehet neki sok, tekintve, hogy egy autó generátora 14,4 V-ot is kell, hogy szolgáltasson menet közben.
Sziasztok,
kapcsolóüzemű tápra tettem 2 különböző autórádiót. Az egyiknél (névtelen kínai) jöttek komoly (táp) zavarok a hangszóróban, a másiknál (SAL) nem. Nem is csodálkozta rajta, nyliván minden szűrés "ki van spórolva" De mi az a minimális szűrőtag, amit betehetnék a kínai autórádió táplálásához? "Kapcs. rajzot" küldjetek, kérlek. Előre is köszi. A hozzászólás módosítva: Aug 7, 2017
Nem biztos, hogy a szürés hiánya a gond, hanem maga a konstrukcio (azon nem tzdsz váltiztatni). Amugy ez elöfordul bármilyen autorádioval. Söt a drágábbak szoktak rosszabbul teljesiteni. Van amikor maga a táp is gondot okoz, nem is kell, hogy az autorádio tápja legyen, de ha bekapcsolod már zavar. Mielött beleturkálnáĺ probálj meg más tápokat us. Kisebb szerencsével találsz megfelelöt. (Egy korábbi drága automban az egész rádiokábelezést kellett cserélni, mert még az index is zavarta
![]()
Sziasztok!
van nekem egy resonance WMS836 autós rádió és ezen van jack csatlakozó, de szeretnek rá plusz még egyet. Már tettem rá úgy, hogy a jack csatlakozóról kivezettem a 3 vezetéket és egy másik csatival összekötöttem... Csak így elég csúnya. Egy kicsit esztétikusabban nem lehetne megoldani valahogy? A hozzászólás módosítva: Okt 25, 2017
Moderátor által szerkesztve
Mit csinál rajta a jack csatlakozó? Távirányításra van a fenekén, esetleg AUX bemenet az előlapon?
A második képen tisztán látszik:
piros - gyújtás (+) barna - test (-) kék - kapcsolt kimenet (+) szürke - műszerfal világítás bemenet (+) sárga - állandó + A hozzászólás módosítva: Okt 26, 2017
Ez nekem túl bonyolult.
(Amúgy szintén egy autósrádiót használok a lakásban.) Egy sima, általában LED-es világításhoz használatos tápegységről működtetem (amely ugye a hálózatra, vagyis 220 V-ra csatlakozik és 12 V-ot szolgáltat). Minden nagyon jó, csak annyi a baj, hogy ha valami miatt kihúzom a tápegységet a konnektorból, az autórádió minden beállítása elvész. Mondjuk, nem nagy munka újraprogramozni, de ha egy kis gombelemmel (CR2032 pl.) meg lehetne oldani, hogy megőrizze a dolgait, nagyszerű lenne.
Van 12v os távirányító elem autós boltban kapható , egy diódával rákötöd a rádióra és örülsz
Csak azt a fránya drótot kell megtalálni, hogy melyikre kösse
![]() A hozzászólás módosítva: Dec 13, 2017
Mi az hogy dióda?
![]() Amúgy most látom, hogy van ilyen elemem, de hogy azt milyen diódával és hogyan kell beműteni oda, azt tényleg nem tudom. A hozzászólás módosítva: Dec 14, 2017
|
Bejelentkezés
Hirdetés |