Fórum témák
» Több friss téma |
Mielőtt kérdezel, a következő két dolgot ellenőrizd!
I. A helyes tápfeszültségek megléte.
II. A kimeneten van-e egyenfeszültség.
Élesztés.
Mindkettőről volt próba de mindkettőnél ugyan olyan volt a hang. Gondoltam én is hogy leszakadhatott a test a jack kábelnél,le ellenőrzöm.
Érdemes átvizsgálnod, mert úgy értesültem működőképes ez a megoldás.
A helyesírási szempontból nem megfelelő hozzászólások, valamint a rájuk adott válaszok törlésre kerülnek.
Sziasztok ! Valakinek nincs esetleg rajza PKN XD2500 végfokról? A mocskok lecsiszolták az ic-kről a feliratot így kissé érdekes a hibakeresés.
Felejtsd el, az nem az a kategóriájú végfok amihez rajzot fogsz találni. Ezeknél csak egy dolog működik, feltéve ha nem nagyon bonyolult a nyák, hogy visszarajzolod, a rajz alapján meg már van esély rá beazonosítani az IC-t. Csináltam már ilyet, mondjuk az egyszerűbb dolog volt. Nem lenne rossz ha visszarajzolnád, mert annak a rajzára én is kíváncsi lennék.
Visszarajzolnám , de ha nem tudom azonosítani az alkatrészt a tokozásban úgy elég nehéz sajnos.
A panelről képeket tudok feltenni. Annyira kezdetleges dolog ,hogy még az igazi szürkés színű nyákon fekszik az egész, mintha házi gyártmány volna.
Felejtsd el! Nem csak hogy lecsiszolták, deez egy Custom nem street (utcai) alkatrész. Míg le nem állt a gyártás, csak addig gyártották a félvezetőket a PKN számára egyedileg Kínában közepes tételben,,. Azóta maga a PKN sem tud segíteni az xd 1600 javításában, sem nem tud már rendelni, sem alkatrészpótlásuk sincs. Zsákutca a készülék
Ezt biztos közeli forrásból tudom.
Az varázslatos. Nekem mondták ,hogy küldjem vissza mert van néhány alkatrészük hozzá csak előttem valaki egy jaxley osztót belerakott a poti és a limiter közé így kérdéses lesz ,hogy javítják-e.
Milyen alkatrészt és milyen tokban? Ha általánosan használt, kapható áramkörről van szó, akkor az ha nem is egyszerűen és nem is minden esetben de beazonosítható a teljes áramkör alapján. Ha valami egyedi céláramkör akkor szívás van, mehet a kukába, a doboz meg jó lesz valamire. Ezért jár jobban az ember ha magának gyárt dolgokat (már ha tud).
Most nézem annyira már nem is érdekel, 8 ohmon kb. ugyanannyit tud mint a cikkemben szereplő végfok. Csak az enyém biztos hogy nem terhelhető 2 ohmmal.
Ránézésre nem tűnik olyan bonyolultnak ,csak így alkatrész típusok nélkül..
Most komolyan. Ha nem tudod a típusát akkor nem egy 14 lábú IC-nek rajzolod le hanem 13 vagy 15 lábúnak?
A kész rajz a lényeg, mert abból lehet következtetni az áramkör működésére, abból meg az IC típusra, már ha lehet. De mondjuk én azt sem látom hogy mi van a borda alatt. Mert ha mondjuk fetek, amiknek a gate-je az előttük lévő IC-kre megy, akkor nem nehéz kitalálni hogy azok fetmeghajtó IC-k. Azoknak meg van lábkiosztása mint pl. bemenet, kimenet, tápfesz, stb. Aztán lehet hogy már ennyiből is kiderül hogy mi az. A fetmeghajtót (ha éppen az) elég nehéz összekeverni egy komparátorral, logikai áramkörrel vagy egy műveleti erősítővel.
Sziasztok!
Ilyen táppal valakinek volt már dolga? Mik a tapsztalatok? Milyen lehet? A 40V-osat néztem ki.
Ebben igazad van.
Lehet ,hogy visszarajzolom ha lesz időm.
Sziasztok! Lassan egy éve vásároltam egy Denon PMA 860 erősítőt, az egyik fele már ki volt herélve. Salgótarján-Hatvan útvonalon lenne olyan lelkes ember aki be tudná vállalni a javítását? Sajnálom hogy a sarokba pihen...
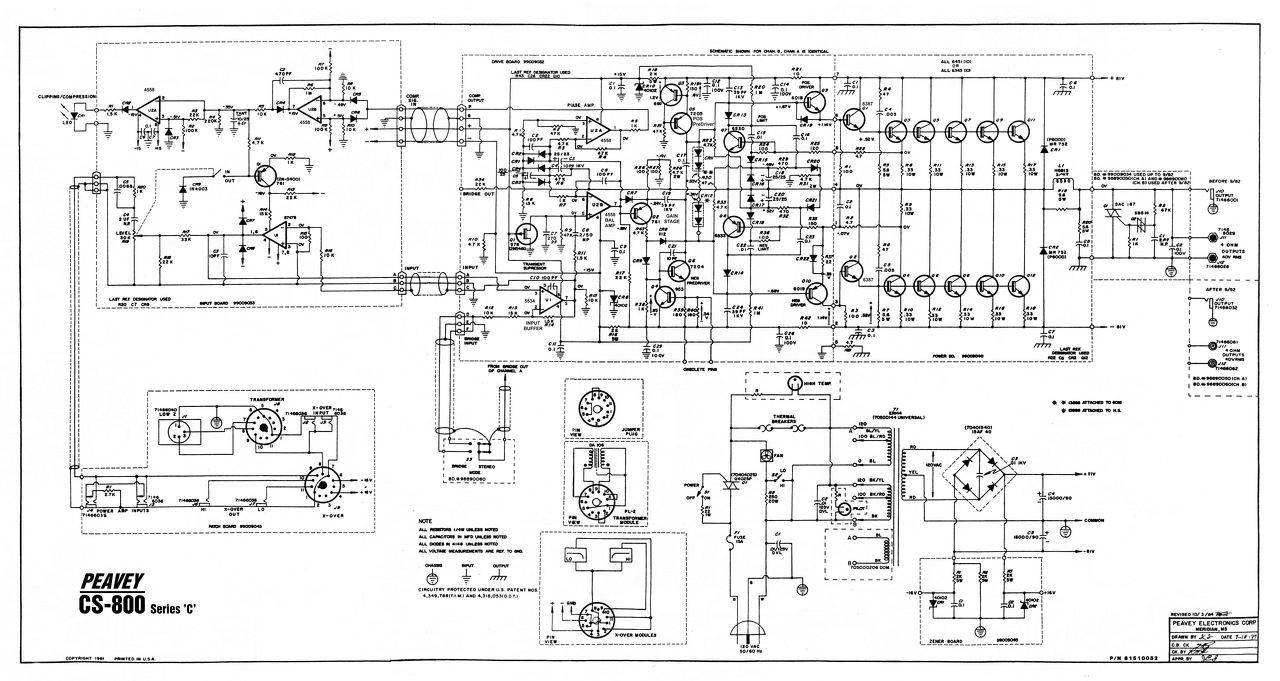
Sziasztok! Segitsegeteket szeretnem kérni. Kaptam egy peavey cs-800-as erősítőt aminek a fél oldala halott. Mellékelem a rajzot, ami után javitgatom. Az 5 par végtranzisztorbol mar csak 1 par jó, azzal probáltam eleszteni, de kezdjem az elejérol. Cserelnem kellett a q10-et, rovidbe volt menve. Csereltem egy darab 47 ohmos rezit, ez a "vezérlő panel" A végtranyoknal volt meg megszakadva emiter ellenallas, 5.6oohmos 5 w os-R7. és meg egy 4.7 ohmos R2. Egyenlore benthagytam csak a meghajtokat, igy a kimeneten -23V van, úgy hogy a primerben sorosan be van kötve, két egő parhuzamosan, és igen nagy fényerőn vilagitanak. Tudom referencia panelem van, es nezegetem is, de kérnék egy kis segitséget, hogy merre nézzek szét jobban. Természetesen mellékelem a kapcsolasi rajzot is.
Szia betartottad ezeket ?Bővebben: Link Ha tudnál küldeni esetleg egy jobb minőségű rajzot azt megköszönném.
Természetesen betartottam az élesztési szabályokat. Itt a kép lehet jobb minőségben van. Mellekeltem egy kepet jelenleg hogy nez ki az erosito. ( itt a meghajto tranyok meg nincsennek beteve.
A hozzászólás módosítva: Dec 18, 2017
Sziasztok. Erősítő építésben vagyok. A tápegység készen van + - 35V. Erről mennek majd a végfokok. Szeretnék bele kivezérlésjelzőt,és hangszínszabályzót is. Az lenne a kérdésem ezeknek a tápellátását meg tudo-e oldani egy ilyen kit-el? A +35V-os ágra kötve és beállítva a kívánt feszűltség?
Szia! Hibás linket adtál meg, erre gondoltál? Milyen hangszínszabályzót szeretnél? Lehetőleg szimmetrikus tápost válassz!
Igen az általad linkelt kit lenne. Ugyanezen oldalon van egy hangszínszabályzó azzal lesz szerintem megépítve.
Milyen tranzisztoros vagy FET-es erősítőt lenne érdemes építeni? Nem kell nagy teljesítmény 2x15-40W. A full csöves, majd a hibrid után. Lehetőleg ne legyen túl bonyorult, de jó hangú legyen.
Vedd ki a csövet és kész is a cső nélküli példàny...
A majd hibrid utàn màsik hibrid ! A hozzászólás módosítva: Dec 19, 2017
Akkor valami mást építenék, nem HTA-30-at.
Azt is elbírja az LM317-es, szereld rendes hűtőbordára!
Kedves Szili fórumtárs!
Én Király Tibor VF-4-ét ajánlom. Elek
Irtam még oda valamit.
A hozzászólás módosítva: Dec 20, 2017
Sziasztok
Egy elég komoly erősítőt akarok átkondizni de nem szeretném gagyi kínaival telerakni. A kérdésem az, hogy hol tudnék minőségi kondikat venni. Ha lehet akkor itthon. |
Bejelentkezés
Hirdetés |




Ezt biztos közeli forrásból tudom. 
A kész rajz a lényeg, mert abból lehet következtetni az áramkör működésére, abból meg az IC típusra, már ha lehet. De mondjuk én azt sem látom hogy mi van a borda alatt. Mert ha mondjuk fetek, amiknek a gate-je az előttük lévő IC-kre megy, akkor nem nehéz kitalálni hogy azok fetmeghajtó IC-k. Azoknak meg van lábkiosztása mint pl. bemenet, kimenet, tápfesz, stb. Aztán lehet hogy már ennyiből is kiderül hogy mi az. A fetmeghajtót (ha éppen az) elég nehéz összekeverni egy komparátorral, logikai áramkörrel vagy egy műveleti erősítővel. 







