Fórum témák
» Több friss téma |
Mielőtt kérdezel, a következő két dolgot ellenőrizd!
I. A helyes tápfeszültségek megléte.
II. A kimeneten van-e egyenfeszültség.
Élesztés.
Idézet: „....több klasszissal jobb kapcsolások hallgatásába is előbb fáradok bele mint ebbe...” Érdekes dolgot fogalmaztál meg. Az én nézőpontomból akkor azok valójában nem jobb kapcsolások (legalábbis hangminőségre). Néhány egyéb megfigyelés mellett, úgy szoktam füleléssel eldönteni egy erősítőről, hogy mennyire jó, hogy mennyi ideig tudom hallgatni anélkül, hogy elkezdene zavarni. Amelyiket nem tudnám napi szinten rendszeresen hallgatni, az kuka... Érdemes olyan zenékkel is meghallgatni amiben rengeteg hangszer szól. Ha sikerül fejben könnyen elkülöníteni, hogy melyik hangszer mit játszik akkor ok., ha koncentrálást, erős odafigyelést igényel ugyanez, akkor szerintem már valami nem ok. Az ember ilyen irányú hallása is fejlődik, ill. fejleszthető. Ezek után talán szokatlan, hogy egy kicsi D osztályú erősítőt hallgatok évek óta, (és még mindig tetszik), sőt éppen most is ez szól, miközben a hozzászólást írom. Az általad berakott kapcsolás "titka" szerintem részben az egyszerűségében rejlik, kevés alkatrészen megy keresztül a jel, és azok ügyesen vannak elrendezve.
Egyet ertek
azt gondolom hogy az agy kompenzal ha valami gond van a hanggal. Ha keves a gond a hanggal akkor keveset kompenzal. Es kesobb farad el. Szamomra olyan ez mint a 3D mozi. Elfaradok 20 perc utan. A hozzászólás módosítva: Dec 24, 2017
Egy pár feles után meg már bekompenzál és minden jól szól
Amúgy igazatok van.KELLEMES ÜNNEPEKET!
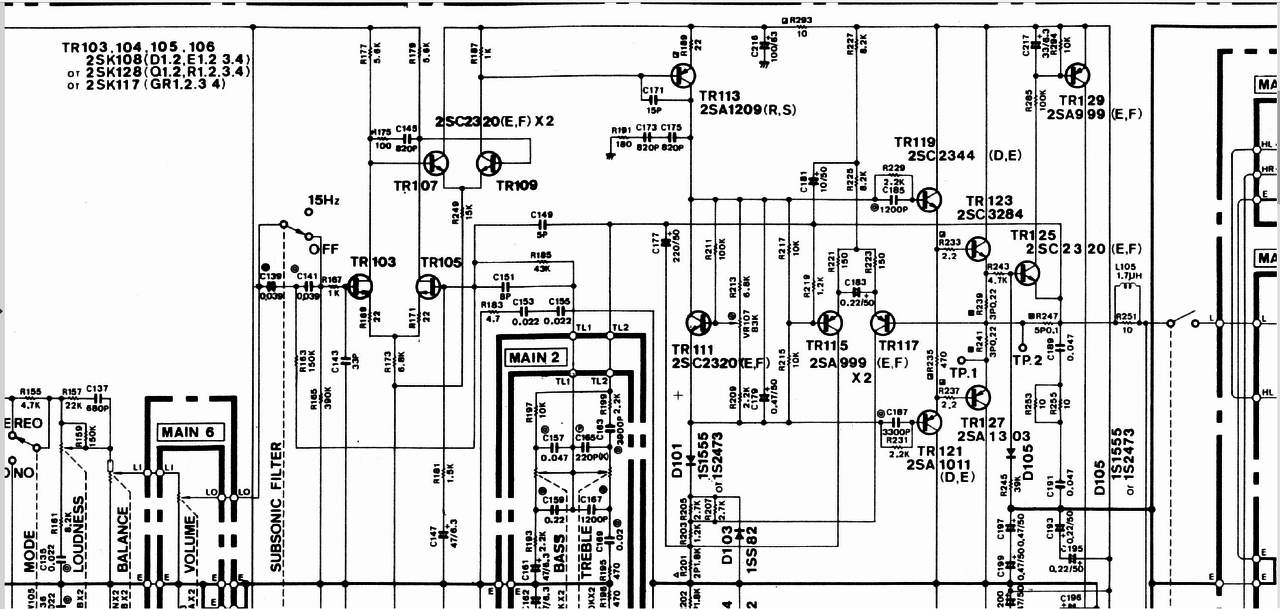
Sziasztok. Egy Fisher CA520 tipusu erositovel kuzdok, es kezdek belefaradni. A jelenseg az, hogy hangsugarzot rakotve az egyik csatorna torzit. Ha csak fulhallgatoval hallgatom, nincs torzitas. Eddig vegtranzisztor csere es most frissiben meghajto ic csere (upc1270h) volt, eredmeny nelkul. Nem tudok rajonni, mi a dolog nyitja, miert torzit alacsony impedancias terhelesen. Az erosito hozzam ugy erkezett, hogy a tapagakban levo biztik szakadtak voltak, mert a 4 vegtranyot valaki szigetelo gyuru nelkul szerelte fel a bordara. A hianyok potlasa utan az erosito elindult a fent nevezett hibaval. Minden otletet szivesen fogadok. Udv.
Szia! A végtranzisztor kollektor és a táp közötti vezetősáv a zárlat alkalmával átmehetett jelentősebb értékű ellenállásba. Terhelt állapotban mérve a feszültséget a kollektoron ez tettenérhető. Valósznűleg csak egyik tápoldalt érinti.
Nem kifejezetten erősítő, de itt ragadom meg az alkalmat, hogy jó kívánságaimat fejezzem ki RELOOP fórumtársunknak Névnapja alkalmából! (És természetesen a többi István nevű társunknak is szól.)
Köszönet a sok önzetlen és főleg hozzáértő segítségért, amit itt a fórumon végzel. Nagy köszönet, és kívánom, hogy még sokáig segíts, vezess, bennünket tudatlanokat. Üdv. A hozzászólás módosítva: Dec 26, 2017
Köszönöm Imrém, de zavarba hozol a méltatásoddal, messze nem szolgáltam rá.
A Jókívánságoknak van topicja, remélem Kadarist druszámhoz is eljut a névnapi üdvözleted, aki idestova négy hónapja írt utoljára.
Csak ne szerénykedjünk kedves István.Rászolgáltál az elismerésre,amit tudok az elektronikáról nagyban Neked köszönhetem.
Boldog ünnepeket,és névnapot. A Modiknak igérem holnap szakmait is irok kérdezek,és nekik is szép karácsonyt.
Csatlakozom! Bár én inkább csak csillogó szemekkel olvasgatom az írásaid és ámulok azon a mérhetetlen türelmen ami árad a soraidból kedves Reloop!
A hozzászólás módosítva: Dec 27, 2017
Üdv.Próba meg volt, a fejhallgatóban mind két oldal tökéletesen szól,bal hangfal néma,meg néztem pc 5.1 csatlakozással is,hangszórónként adtam a teszt hangot,a baloldaliban úgy akadozva ment a teszt hang.Olyan mintha hol érintkezne hol nem.Be dugtam a front bemenetre a CD lejátszót ott sem szólt a balos,elkezdtem felfele adni a hangerőt a jobbos hangfal már bömbölt mire megszólalt a balos is.A vezetékeket átnéztem tehát azok biztos,hogy jók.Az egyik relé ahol a 220V bemegy a hátuljánál az kattan először,utána pedig az előlap mögötti is kattan,de,hogy most jó-e vagy nem azt nem tudom.
Előre is köszi a választ
Az lehet relé pogárcsa érintkezési probléma.
Köszi a segítséget,van két relé benne,az egyik a 220V tápnál a másik az az előlap mögött van valahol mert onnan hallom kattanni,szerinted is ez lesz ami elől van?
A készülék rajza szerint van abban több relé is, DG2SU típus tartozik a hangszórókhoz. Neked a RL502 pozíciószámút kéne megkeresned.
Köszi értem,a neten nem találtam rajzót az erősítőről,hol nézzem meg ha abban tudnál segíteni.
Yamaha A-500 az alany.
A bal csatorna végfok áramköre pattogó hangot ad - körübelül olyan hangot mint egy AM állásba kapcsolt rádió vevő ami nincs csatornára hangolva. Nullára tekert hangerő potméter állás mellett is jelentkezik a pattogás. Sem a balance, sem magas-mély kiemelő pótméterekre, loudness kapcsolóra nem változik a viselkedése. Hideg forrasztásokat kerestem, de nem találtam, illetve ami gyanúsnak tűnt átmelegítettem. A nyákon elszineződés, vagy egyértelműen hibás alkatrészt, hibás elkót nem találtam eddig. A Bal végfok működik, hangja fakó a jobb csatornához képest. A sinus jelet is torzitás mentesen átviszi. A jobb csatornához képest a bal csatorna vég tranzisztainak nyugalmi árama viszonylag magas volt (22,9mV-t mértem a 0.22 ohm-n) ezért a jobb oldali csatornán mérhető 12-16mV közötti értékre vissza szabályoztam. Azóta a melegedés a két oldalon azonos mértékű, a pattogás maradt ![]() Munkapontokban összehasonlítva a jobb oldallal a balt, lényeges eltérést a mi a hiba okát jelezné nem találtam. Szkópon nézve DC munkapont változásnak tűnik a pattogás. Ki találkozott már hasonló hibával, mi volt a megoldás ?
Sziasztok!
Nem beleszólni szeretnék, de nekem is ilyen erősítőm van. Elvileg három kék színű van az alaplapon hátul a hangszóró csatlakozóknál. Egy pedig azon a panelen, amelyiknek a fólia oldala látszik ha ránézel az erősítő tetejére. Az is kék színű. A hozzászólás módosítva: Dec 28, 2017
Szia reloop!
Sikeres volt a javítás. A két végtranzisztor csere eredményre vezetett. Bekapcsoláskor az izzó felvillant egy pillanatra, majd szépen elhalványult. Nem is parázslott. DC nincs a kimeneten, de azt a védelem inaktív állapota is igazolta. Köszönöm a jó tanácsaidat!
Sziasztok!
Került hozzám egy Ágota 1200-as végfok. Megtaláltam a hibás (zárlatos) fetet, viszont van mindkét panelon egy két smd alkarész ami megpörkölődött. Tud-e valamelyikőtök abban segíteni, milyen értékű az alkatrész? A fettel kapcsolatban, kicserélhetem nyugodtt szívvel, vagy a vele szemben lévőt is ki kell cseréljem? (párba válogatás) Vagy a feteknél nem kell? Találtam rajoz a neten, de az nem jó.
Köszi az útba igazítást,hogy hol találom a reléket,amúgy már takarítottam ki a belsejét,ahogy elnézem a képet eléggé szét kell majd szednem,hogy hozzá férjek,bízom benne,hogy az RL502 lesz a rossz.
Nem veszélyes, kb 2 millió csavart kell csak kiszedni
![]() Relé ellenőrzéshez szerintem nem feltétlen kell leszedni a hűtőbordát és a dolby, valamint a tuner panelét sem kell kihúzni.
A relét szét tudom majd szedni,hogy megtudjam nézni?
A rajzot az Elektrotanyáról töltöttem le, olvasd el!
Köszi!
Ha jól látom ezek ellenállások.
Igen , ellenállások.
3.3kohm 1kohm 2.2kohm 0805 tokozásban A hozzászólás módosítva: Dec 28, 2017
Szia. Nos, meregettem egy kicsit, es a kollektorokon a feszultseg azonos. De egy erdekes jelensegre lettem figyelmes: a vezerlo ic ha nem kap jelet (mindegy miert: balansz poti allitas, hangero poti allitas vagy egyszeruen bemeneti jel hianya), a vegtranyok emiter ellenallasain eso fesz stabil, de ha novelem a hangerot, valtozik, raadasul nagyon szeles tartomanyban - a digit muszer meg 90mV-ot is mutatott, es a hangero nem volt a maximumon. Ezt a jelenseget nem tudom megmagyarazni.
A 0,22 Ω emitter-ellenálláson eső 90 mV 400 mA áramot jelent, ez egy kivezérelt erősítő kimenetén nem tűnik rendkívülinek.
Próbáld ki a hibás csatornát egy másik hangsugárzóval is!
Bocsánat elcsesztem nem 2.2kohm hanem 220ohm.
Szia. Nem hangsugarzok vannak rajta, hanem ellenallasok 5ohm 14watt.
|
Bejelentkezés
Hirdetés |





azt gondolom hogy az agy kompenzal ha valami gond van a hanggal. Ha keves a gond a hanggal akkor keveset kompenzal. Es kesobb farad el. Szamomra olyan ez mint a 3D mozi. Elfaradok 20 perc utan.
Amúgy igazatok van.






