Fórum témák
» Több friss téma |
Fórum » Digitális forrasztóállomás
"Ha a kollega pákája is 44 Ohm hidegen és kb. 160 Ohm forrón, akkor 50x-es gain-nel 1,1-3,94V közötti feszültséget kap, ami nagyon jól mérhető ADC-vel."
Hát sajnos nagyon nem jól mérhető ADC-vel. Utána számoltam, ha jól számolok kb. 0,17ohm a termisztor ellenállás változása fokonként, na most ez ugye 0,5mA-res áramnál: 0,17x0,0005=0,000085V=0,085mV feszültség változás fokonként. Ez 50-nel szorozva 4,25mV, ami kevés még mindig a PIC felbontásához: 5V/1024=4,88mV. Tehát ezért mondtam ez nem olyan egyszerű, mint egy analóg állomás. Ebben az esetben növelheted az erősítést, vagy az áramot. 60-szoros erősítéssel már jó lesz, ha ragaszkodtok a kicsi áramhoz. Firefighter1: a lényeg 0,0005A-es mérőáramhoz 60-szoros erősítés kell. A képlet: T=(Rt-R0)/(R0x0,00385), ahol Rt a szenzor ellenállása, R0 0 fokon ugyanez, számításom szerint kb.: 46ohm, ennyi, ezt kell beírni a programba. Innen számolgattam, ha ez helyes: Link. Jobb lenne valami biztosabb forrás. A hozzászólás módosítva: Dec 30, 2017
Mekkora felbontást akarsz elérni? 1fok? Amíg nem a páka hegyének a csúcsán van tökéletes kontaktban a termisztor, vagy akármi, a +-5fok felbontás is bőven elegendő. És akkor még nem is a pontosságról beszéltünk, hiszen a hegy hőmérséklete csak követni tudja a fűtőrészt, kalibrálni se nagyon tudod. Már az is gondot okoz, hogy hány fokos a hegy! Hiszen ahány pontban méred, annyi eredményt kapsz, a fűtőszálhoz közelebb több, távolabb kevesebb, ha már csak a lélegzeted a páka hegye felé sodródik, azonnal lehűl 5-10fokC-t. Nem kell ezt túlbonyolítani. Nálam jelenleg nincs is kalibrálva a pákám (LM358-at használok, ebayes hakko klónnal), és 0-tól 500-ig van skálázva, 200-on tartom készenléti állapotban, 370-440-en forrasztok, attól függően, mennyire hőelvonó a felületem. Hány fokos a hegy? Fogalmam sincs. Ha kevés, akkor feljebb tekerem kicsit. a lényeg, az azonos hőn tartás.
Én nem akarok a Hakkon semmit elérni, már elértem a Welleren, csak segítettem. Az egy fokos felbontás a kijelző miatt kell, már ha lesz neki, mert elég bénán néz ki, ha nem tud fokonként kijelezni. Valamint, akkor minek a PIC? Én leírtam csak hogyan kell megvalósítani. Persze lehet fogdosni is a hegyet, vagy ráköpni, és ha sistereg jó az. Azt csinál mindenki amit akar.
A hozzászólás módosítva: Dec 30, 2017
Lehet átlagolni is a mért értéket, és akkor tizedfokos felbontással is ki lehet írni a hőfokot, ha akarja a kérdező.
A hozzászólás módosítva: Dec 30, 2017
Ja ki lehet iratni azt is, amit látni szeretnénk.
![]() Nekem mindegy, de akkor felesleges a PIC is bele. Ha így csinálja így van értelme, ha nem akkor pont jó analóggal is.
Értem amit írsz, de teljesen fölöslegesnek tartom, hogy ilyen precizitásra törekedjünk. Ezt egyszer kiméred kalibráláskor, és kb. soha többet nem lesz annyi.
![]() De nem is kell, mert otthoni használatnál elképzelhetetlen olyan szituáció, hogy fokos pontosságra van szükséged. Ha 270 fokra állítod, akkor az semmilyen problémát nem okoz az, ha az a beállított 270 fok épp 265 vagy 275. A szabályozás se tökéletes, a hegynek is van hőkapacitása. Ha hozzáér a hegy bármihez, akár ha meló közben fújsz egyet, akkor máris változik a pákahegy hőmérséklete, amiről a szenzor csak idővel értesül. Széthúzod a csatlakozót majd összedugod, máris változik a mért érték. Hegyet cserélsz majd visszateszed, más lesz a termikus kontaktus, stb. Itt nem óriási változásokról van szó, de annyi simán benne van, hogy a fokos precizitásra történő törekvést fölöslegessé tegye. Terveim szerint az általam írt sw-ben is csak 5 fokos lépésközzel lenne állítható. Más: feltöltök egy rajzot, én a mérő részt így képzelem el. A bal oldala egy áramgenerátor, a jobb oldala a termisztoron eső feszültséget erősíti. Az áramgenerátor kb 0,5 mA (szimulátor szerint 412,5 uA) áramot ad a termisztor csatlakozójára (át lehet alakítani, nálam se kőbe vésett ez). A termisztor csatlakozóra szerintem még kerül egy kondi, ez jelenleg nincs berajzolva. Az R4 azért van, hogy ha megszakadna a kontaktus a termisztorral, akkor nem tudom mi történne az áramkörrel. Szimuláció szerint semmi, de hát akkor is. Mindenesetre 100k-n nem tud ennyi áramot áttolni 5 Voltról, szóval leesik az áram 40 uA környékére és 4V körüli feszültség esik. A mért ellenállást a párhuzamos 100k alig módosítja az általunk figyelt tartományban, 50 Ohm termisztor-ellenállás esetén 49,975 Ohm "marad", 150 Ohm esetén 149,775 Ohm, vagyis fél-másfél ezrelékkel rontottunk a mérésen. Az erősítő rész több módon is állítható. Két feedback ellenállás van, a 100k és a 220k is egy 2,54 mm-es pin header-en keresztül jumper-rel köthető rá az opamp kimenetre, mindkettőt bekötve 68,75k Rf is beállítható. Az Rg, azaz az invertáló bemenet és a föld között 1k ellenállás és egy 10k-s trimmer van sorbakötve, vagyis ez 1k és 11k között állítható. Szóval az opamp erősítése 7,25 (1+69/11) és 221 (1+220/1) között álllítható, ez utóbbival már a k típusú hőelem jelét is az értékelhető tartományba lehet erősíteni, a 8-16 mV-ból lesz 1,8-3,6 V a kimeneten. Épp ezért a hőmérő éprárra menő áram kapcsolható, szinén jumper-rel. Vélemény? A hozzászólás módosítva: Dec 30, 2017
Nekem jó lesz.
Csak azt nem értem, felmerült, hogy PIC-kel csinálja, na most azért tesz be az ember egy mikrokontrollert, hogy kihasználja, mérjen pontosan amennyire lehet, és azért elvárható, hogy a kijelzőn 234 fok után ne 239 következzen a mérésnél, elmondom hogyan tudja megcsinálni, kiszámolgatom neki, erre nekem mondjátok, hogy minek ez.... ![]() Hát nekem tök mindegy mit csinál, de akkor felesleges a PIC, egyszerűen analóggal meg kell csinálni, és rárakni egy LEDes hőmérőt. Ötletes, hogy univerzálisra tervezted, de szoftveresen nem lesz jó az egyik a másikhoz. A hozzászólás módosítva: Dec 30, 2017
Itt nem csak a mérésről szól a dolog hanem a szabályzásról is ! PID szabályzással megvalósítható az 1c pontosság ,de ahhoz meg is kell írni a pic programját és beállítani a pákához (viszont tényleg nincs értelme )
Persze, mérjen pontosan amennyire elvárható, és amennyire érdemes. De a pontos mérés nem azon múlik, hogy 234 fok után feltétlenül 233 következzen és ne 232, mert az csak csillivilli. Azt akár sw-ből is meg lehet oldani.
A uC vezérlésnek szerintem inkább ott van értelme, hogy tudsz az egyszerű on-off megoldáson kívül PWM-mel fűteni, tudsz PID szabályozást csinálni, már ha akarsz. Több hegy "profilját" is el tudod tárolni, nem kell minden csere után az adott hegyhez kalibrálnod a szabályozást, hanem menüben átállítod hogy most a "durung" helyett a vékony hegyest használod, és az ahhoz tartozó kompenzálást használja. Akár még több pákát is használhatsz, párhuzamosan, és csak átkapcsolod hogy most melyik van a kezedben, és akkor nem kell hegycserével sem bohóckodnod. Szerintem elsősorban ilyesmiért érdemes uC vezérlést csinálni.
A második felével egyetértek, de az elsőben nem fogunk látom. Az nem csilivili, hiszen azért van, mert tudja, ez olyan, mintha egy motoron lehúzol két gyertyakábelt, mert úgy is megy. Azért van a PIC, hogy akkor úgy működjön, ahogy az elvárható, és ez a kalibrálás dolog, meg hegy csere sem igaz, mindig ugyanannyinak fogja mérni, ez a lényege, a referencia fesz. meg a mérő áram holnap után is annyi lesz, így a termisztor ellenállását holnap után is ugyanannyinak fogja mérni, ha ráfujsz, akkor lejjebb megy méri azt is, azért van. Ha mondjuk 50ohm 22 fok, akkor azt mindig annyinak fogja mérni ha konstans a ref. fesz., és a mérőáram, Ohm törvénye nem változik, és a PIC-nek megadott egyenlet sem, meg a matematika sem.
Persze azt nem állítom, hogy pontos is, meg hogy a hegy hőmérséklete blablabla, a lényeg egy közel pontos érték az mindig annyi lesz. A hegynek hiába van profilja, csak az érzékelőt tudjuk mérni, és az valamennyire pontos, de azt mindig annyinak fogja mérni. A hozzászólás módosítva: Dec 30, 2017
A hegy hőmérséklete nem blabla, szerintem pont az lenne a cél, hogy azt tartsuk pontosan, és persze hogy azt mérjük. Én az analógot se úgy "kalibráltam", hogy a fűtőszálra tettem a multi hőmérő szenzorát, hanem FG100 klónnal mértem a hegy hőmérsékletét. És az egyik heggyel 150 fok volt a minimumra állított hőmérséklet, aztán lecseréltem és azzal pedig 160 fok fölötti eredmény jött ki.
Ebben igazad van, de ezzel nem tudunk mit tenni, csak az érzékelőt tudjuk mérni. Viszont bekalibrálható az állomás a hegy mérésével is, és akkor az ahhoz tartozó ellenállást mindig annyinak fogja mérni, valamivel pontosabb lesz.
Amúgy furcsa ez hogyan lehet egy hegy melegebb, mint a másik, hiszen csak az érzékelőt méri az állomás, és ahhoz fűt, persze egy vastagabb hegy gondolom lassabban hűl, lehet a túllövésnél mérted, annyival túl tud szaladni a fűtés.
Vagy épp az egyiknél jobb a termikus kontaktus mint a másiknál (kínai Hakko klónokról beszélünk, hegyben is), vagy épp a hegy másik részével sikerült a mérőpontot érinteni, vagy mittudomén.
És az állomás ugyanazt mérte, nyilván ugyanaz volt a hőmérséklet a fűtőszálnál. De mindez részletkérdés, mert forrasztás közben sokkal nagyobb kilengések is vannak, és azokról simán másodpercek műúlva értesül az állomás. És nyilván úgy kell a hőmérsékletet beállítani, hogy még ez is beleférjen, szóval ezért is mondom azt, hogy nem azon az 1-2 foknyi pontosságon fog múlni, pláne nem a kijelzésnél.
Nem a kijelzés a lényeg, ebből számol a PIC. Na mindegy majd eldönti hogyan szeretné megépíteni. Elhangzott itt sok minden, választhat mit szeretne. Jó építést mindenkinek, és BÚÉK!
Nem olyan rég rendeltem egy Aoyue Int 3210 forrasztó állomást. Most elhatároztam, hogy megpróbálom visszafejteni a kapcsolást tanulás célzattal. Van értelme szerintetek? Vagy ne vesződjek vele?
Kapcsolást visszafejteni tanulás céljából soha nem felesleges.
Azt hiszem sikerült visszafejtenem a kapcsolási rajzot. Remélem nem néztem be. Most bekalapálom valami szerkesztőbe, szerintem Eagle lesz. Esetleg később tud valaki segíteni? Hogy átláthatóbb legyen a rajz. Jópár kapcsolást átnéztem itt a fórumon, meg más oldalakon is, de ennek nem nagyon értem a működését.
Hello! Ha mikrokontroller van egy gyári áramkörben, akkor egy rajz maximum egyszerű hibakeresésnél lehet hasznos. Mert a program ki nem olvasható és a tudás java is abban van. Tehát anélkül nem másolható és nem érthető meg a működése sem.. Persze ettől még a kapcsolási rajz tartalmazhat gondolatébresztő szellemes megoldást, amit esetleg érdemes tanulságként megvizslatni.
Sziasztok! Vettem egy 80w-os vákumos kiforrasztópákát. Valaki tudna javasolni elektronikát amit megépíthetnék hozzá? Többnyire 48W pákákhoz találtam az oldalon. AVR atmega8 lenne a legjobb mert abból van több is itthon.
Egy kép vagy pontos típsmejelölés sokat segítene, milyen pákáról van szó, ugyanis ezekből is létezik pár típus.
Egy fotó és egy típus valóban sokat segíteni. Ha jól emlékszem a ki mit épített rovatban volt aki csinált ilyen vákumos kiforrasztót házilag.
Atmega8 programozással hogy állsz? Pár hozzászólással fentebb írtam, hogy visszafejtem az Aoyue Int3210-es állomás rajzát (98%-ban elkészült). Ebben egy Atmega8 az agy. Nem tudom, hogy a gyári programot vissza lehet-e fejteni. Ha esetleg nem lehetne, akkor sem lehet túl bonyolult a kapcsolási rajz ismeretében, gondolom ki tudjuk találni, hogy működik. Én meg vagyok vele elégedve, 70W teljesítményű az adatlapja szerint, de ez gondolom csak a betáp és a teljesítmény elem függvénye.
Így néz ki, de több gyártmány is létezik ugyanezen paraméterekkel(ZD915) 24V 80W 480 C
A vákum részt már összeraktam, csak valami elektronika kéne még a fűtéshez.
Mondjuk egyszer megnézném, hogy az a 80W tényleg annyi-e. Az enyémre is rá van írva 70W de szerintem annyit biztos nem tud.
Áramfelvételből megállapítható a teljesítménye . A tiéd is ilyesmi? A hozzávaló gyári állomás belseje nagyon kínainak tűnik képről. Te miről használod, vagy még most készül?
Én vettem egy Aoyue Int3210-et, de ez csak sima, nem vákuumos kiforrasztó. Szétszedtem, most éppen fejtem vissza a kapcsolást és próbálom megérteni a működését. Ma meló után szerintem be is fejezem és felteszem ide, aztán lehet "agyviharozni" vele. Az Atmega8-ban lévő programot nem tudom, hogy le lehet-e tölteni belőle. Az elég kínai erre is érvényes, a NYÁK kutyául fest, a forrasztások elég gyatrák, szerintem valami ovisokkal rakatták össze.
Elképzelhető, hogy az avr csak a kijelzést végzi. Közben találtam egy orosz fejlesztést is, talán hasznát veszed.
Üdv,
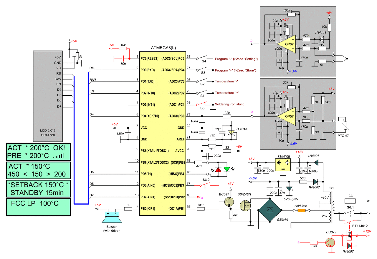
a szóban forgó kapcsolásnál (orosz) az AVR végzi a fűtés vezérlést is. 15-ös láb, PB1. ballada
Bővebb magyarázat nélkül pár link:
Bővebben: Link Bővebben: Link Bővebben: Link Nekem ez még egy nagyon jövőbeli project, még nagyon utána se olvastam, csak kerestem. A hozzászólás módosítva: Jan 26, 2018
|
Bejelentkezés
Hirdetés |

















