Fórum témák

» Több friss téma
Fórum » Kapcsolóüzemű táp 230V-ról
 
Témaindító: cimopata, idő: Szept 13, 2006
Témakörök:
Lapozás: OK   705 / 789
(#) latyakosa válasza dbalazs hozzászólására (») Jan 20, 2018 /
 
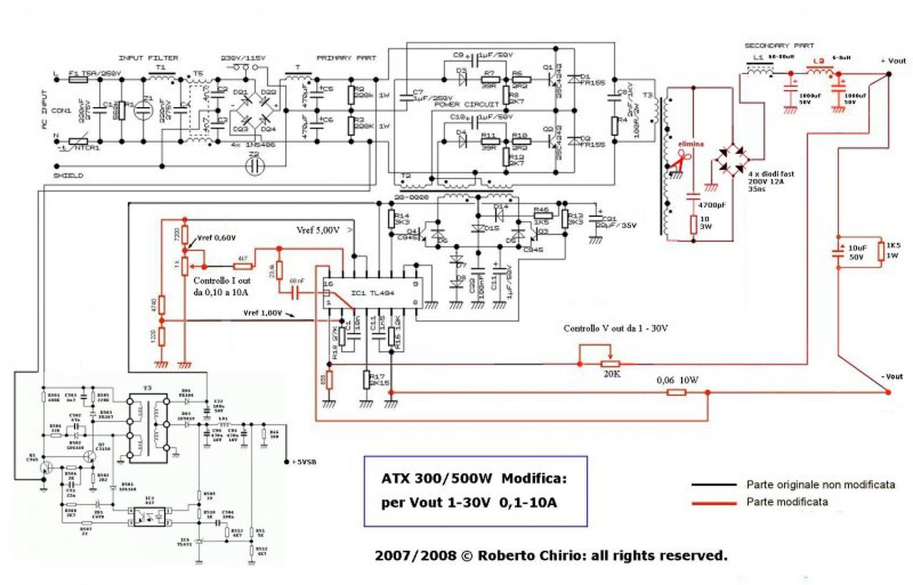
A szekunder oldalra a csatolt ábra bemenetét rákötöd, a led helyére optocsatoló diódát, az opto tranzisztor kollektorát a primer oldali +12V, az emitterét a tl494 1-s lábára kötöd. Optónak pc817 jó lehet. R1=10K, R2=2.7K, R4=1k, R3=680ohm

A kimeneti feszültség ezzel közel 12 V lesz, R1/R2 aránya határozza meg a pontos értéket.

Viszont a kimeneted nem lesz zárlat védett!

A második képen látható PC t-áp átalakítós rajzon a 15 és 16-s lábra menő barnával rajzolt részeket illetve a 0.06 ohmos ellenállást kellene bekötni a rövidzárlati áram korlátozásához.
A hozzászólás módosítva: Jan 20, 2018
(#) dbalazs válasza latyakosa hozzászólására (») Jan 20, 2018 /
 
Szia!

Köszönöm az eddigieket.
Apránként próbálkozom majd az ajánlásaiddal!

De a lényeg!!!!!!
Az normális, hogy TERHELÉS NÉLKÜL langyosodik a fő trafó????!!!!!
+ A 70KHz megfelelő lehet?
A hozzászólás módosítva: Jan 20, 2018
(#) Ge Lee válasza dbalazs hozzászólására (») Jan 20, 2018 /
 
Sehova sem kell TL431. Olvasd el ezt a hozzászólást, meg még azt a néhányat amit azután írtam. Lesz állítható feszültséged és áramod is, ami persze nem jelenti azt hogy azokat muszáj lenne állítgatni ha neked elég belőlük egy fix érték.
(#) Ge Lee válasza dbalazs hozzászólására (») Jan 20, 2018 /
 
A trafó nem hiszem hogy langyosodna ha nincs rajta terhelés. A magja az langyosodhat ha nagyobb a trafó gerjesztése, sőt akár 80 fokos is lehet, nem fogja zokon venni.
(#) frissadam hozzászólása Jan 21, 2018 /
 
Sziasztok.

Szeretnék segítséget kérni a következőkben. Bővebben: Link Bővebben: Link
A linken szereplő táppal rendelkezem. A benne lévő transzformátor légrésmentes toroid és az induktivitásai nem egyeznek a cikkben szereplővel. A tápegység hatásfoka rossz és folyamatosan esik a feszültsége terhelés hatására. A kérdésem az lenne, hogy jelenleg 2*100n rezo kondi van primer oldalon. Ez elegendő e a ZVS üzemhez? Honnan tudhatom , hogy egyáltalán ZVS üzemben működik e a tápegységem.
A cikk említ " Czvs: 2x3 sorbakötött PC tápból bontott 4,7nF/400V" ezek a kondik hol helyezkednek el a panelon vagy a kapcsolásban? Ezek nélkül a kondenzátorok nélkül milyen üzemben működik a kapcsolás?

Köszi a segítséget!
A hozzászólás módosítva: Jan 21, 2018
(#) frissadam hozzászólása Jan 21, 2018 /
 
"lorylaci" fórumtárs jóvoltából átfogó segítséget kaptam a cikkén keresztül a rezonáns tápok lelki világáról. Az után érdeklődnék, hogy gyakorlatban , hogyan lenne érdemes megválasztani a táblázatban szereplő 2 értéket?

Fr1 135 kHz Kívánt rezonancia frekvencia névleges terhelésnél, névleges bemeneti feszre
Fmax 280 kHz Maximális kapcsolófrekvencia (üresjáratban)

???

Köszönöm!
(#) tothbela válasza Ge Lee hozzászólására (») Jan 22, 2018 /
 
Ha jól értelmezem, akkor mind a soros, mind a párhuzamos induktivitás egy-egy diszkrét alkatrész is lehet. Én is gyűrűmaggal szenvedek, vagyis csak a szórási induktivitást sikerült megoldani. A ZVS üzemhez szükséges mágnesező induktivitást csak párhuzamosan kötött másik tekercs segítségével tudom megoldani. Arra gondoltam, mi lenne, ha ez utóbbi tekercset nem a primerrel, hanem a szekunderrel kötném párhuzamosan. Ebben az esetben is áttranszformálódna a primer felé, de nem lenne más problémám vele? A gyűrűmagot nem akarom eltörni.
(#) Ge Lee válasza tothbela hozzászólására (») Jan 22, 2018 /
 
Biztos hogy áttranszformálódik mert csökkenni fog tőle a mágnesező induktivitás, de azt meg nem mondom hogy ez mennyire lenne jó vagy sem a gyakorlatban mert nem próbáltam ki. Igazából a ZVS-sel sosem szórakoztam mert szerintem nem éri meg. Tény hogy valamivel jobb mint a ZCS, csak van vele egy csomó szívás is mint az induktivitás variálása, ZVS kondik, felkúszik a szekunder fesz meg hasonlók. Itt is készültek régebben ilyenek, aztán amit megspóroltak vele a kapcsolási veszteségben annak a többszörösét fűtötték utána el a szekunder előterhelésén. A ZCS meg annyi hogy beteszel egy megfelelő értékű kondit és kész is vagy.
Van egy vacak 2kW-os ZCS tápom aminek itt van a topikban a rajza, azon a feszültség nem kúszik sehova üresen, meg terhelve sem esik. Egy 2x400W-os végfokot hajtok vele, a klippelés határán leng kb. 1,5-2V-ot a tápfesz.
(#) tothbela válasza Ge Lee hozzászólására (») Jan 22, 2018 /
 
Lehet hogy meggyőztél, mert most szépen megy a táp ZVS üzem nélkül is. Volt kísérletem légréses vassal is, de azt hittem csak én rontottam el valamit, mert ez a felszökő terheletlen szekunder oldali feszültség mindig előjött. Nekem is erősítőt látna el, ott pedig gyakran van csend. Most egy ipari tápból bontott 1cm² magkeresztmetszetű 4,5 cm külső átmérőjű gyűrű az alany. 40 menetes primer félhidas üzem, 50 kHz kapcsolófreki. 42 kHz alatt kezd emelkedni az áramfelvétel, vagyis most még van tartalék. Terhelés nélkül semmi nem melegszik. 100W folyamatos terhelés hatására még a szülinapos paraffingyertya sem olvad meg sem a trafón, sem a félvezetők kis hűtőjén.
Nem is tudom miért erőltettem eddig ezt a ZVS üzemet, mikor már jó ideje üzemelhetne a tápom.
(#) frissadam válasza Ge Lee hozzászólására (») Jan 22, 2018 /
 
Helló! Légy szíves kutasd fel nekünk ezt a rajzot.
(#) Ge Lee válasza frissadam hozzászólására (») Jan 23, 2018 /
 
Használni kell a keresőt, működik. Ez a prototípus volt, ami aztán nem is lett továbbfejlesztve mert már nem volt rá szükség. A söntös-optós primitív áramkorlát ebben a formájában nem jó csak ha keménykapcsol a táp, rezonáns módban csak akkor védi meg a tápot rövidzárban ha ki van egészítve egy 555-ös vagy akármilyen időzítővel. Erről is írtam pár éve, de ha visszalapozol néhány oldalt ott is segítettem valakinek. Hogy hol tart vele azt nem tudom.
(#) p_kowa válasza Ge Lee hozzászólására (») Jan 23, 2018 /
 
Durva, és ezt mennyivel terheled? Illetve mennyire melegszik kb a névleges terhelés környékén?
(#) zolee1209 hozzászólása Jan 23, 2018 /
 
Sziasztok!

Rezonáns tápegységgel kapcsolatban lenne kérdésem. Névleges 24V 450W tápot építek, igyekszem minél jobb hatásfokúra elkészíteni, mert passzív hűtésű dobozba kerül. Jelenleg 92% körül járok szinkron egyenirányítással. Eddig skori önrezgőjeként tesztelgettem, de váltottam lorilacy cikkében található IRS vezérlőre. Jelenleg két helyen van túlzott melegedés, a trafó primer huzalja, illetve a kimeneti puffer. Előbbit már orvosoltam, csak még nem teszteltem, szereztem rendes litze huzalt. Eddig 2x0,65-ös huzal volt a primer 100kHz környékére. (Szekunderre tudtam bontani litzét.) A kimeneti puffer 20x 470µF/35V lowESR kínából, sanyo márkával illetve. 10-12A terhelés hatására a kondibank 60°C-ra felmelegszik. Ezután szereztem ESR mérőt. A kondik 40-150mohm között szórnak. Hogyan tudom kiszámolni, hogy a jelentkezett melegedés reális-e, és csak a gyér (?). ESR miatt van-e?
(#) Ge Lee válasza p_kowa hozzászólására (») Jan 23, 2018 /
 
Hogy ott éppen mekkora terhelés volt azt meg nem mondom, elfelejtettem felírni. Csak a diódák melegszenek a fetek azok szerintem langyosak vagy hidegek. Egy végfokot hajt, a teszteken 1,8kW terhelés volt rajta fűtőszálak formájában, akkora terheléssel már ennek a feszültsége is esett, mert a primer pufferfeszültség is csökkent vagy 25-30V-ot.
(#) frissadam válasza Ge Lee hozzászólására (») Jan 23, 2018 /
 
Köszi. Ügyes kis táp. Esetleg az én problémámhoz hozzá tudnál szólni?
(#) Ge Lee válasza frissadam hozzászólására (») Jan 23, 2018 /
 
Ahhoz már hozzászóltam de nem reagáltál rá, rajzot sem csatoltál. Én biztos hogy nem szórakoznék vele, hanem beállítanék egy normál ZCS működést (olyasmi primer áramforma mint amit csatoltam a képen) és használnám.
(#) frissadam válasza Ge Lee hozzászólására (») Jan 23, 2018 /
 
Szeretnék segítséget kérni a következőkben. Bővebben: Link Bővebben: Link
A linken szereplő táppal rendelkezem. A benne lévő transzformátor légrésmentes toroid és az induktivitásai nem egyeznek a cikkben szereplővel. A tápegység hatásfoka rossz és folyamatosan esik a feszültsége terhelés hatására. A kérdésem az lenne, hogy jelenleg 2*100n rezo kondi van primer oldalon. Ez elegendő e a ZVS üzemhez? Honnan tudhatom , hogy egyáltalán ZVS üzemben működik e a tápegységem.
A cikk említ " Czvs: 2x3 sorbakötött PC tápból bontott 4,7nF/400V" ezek a kondik hol helyezkednek el a panelon vagy a kapcsolásban? Ezek nélkül a kondenzátorok nélkül milyen üzemben működik a kapcsolás?

"lorylaci" fórumtárs jóvoltából átfogó segítséget kaptam a cikkén keresztül a rezonáns tápok lelki világáról. Az után érdeklődnék, hogy gyakorlatban , hogyan lenne érdemes megválasztani a táblázatban szereplő 2 értéket?

Fr1 135 kHz Kívánt rezonancia frekvencia névleges terhelésnél, névleges bemeneti feszre
Fmax 280 kHz Maximális kapcsolófrekvencia (üresjáratban)

???

Köszönöm!
Előre is!

sch12.jpg
    
(#) tothbela válasza zolee1209 hozzászólására (») Jan 23, 2018 /
 
Ez a szinkron egyenirányítás engem is érdekelne. Mármint hogy hogy néz ki a valóságban.
(#) Ge Lee válasza frissadam hozzászólására (») Jan 23, 2018 /
 
Kipróbálhatod hogy teszel egy nyitott magos (nagyobb légrésű) induktivitást párhuzamosan a primerrel. A rajzon 435uH van, tehát akkora érték kell amit ha rákötsz a primerre akkor a primer 435uH lesz. A ZVS-hez tartozó jelalakokat pedig meg tudod nézni a cikkben.
(#) zolee1209 válasza tothbela hozzászólására (») Jan 24, 2018 /
 
A kimeneti diódák helyett MOSFET van. Ott éri meg, ahol "nagyobb" áramok vannak. Én IRFP3206-ot használok. 10A esetén egy normálisabb schottky Vf-je 0,55V. Ekkor elfűt 5,5W-ot. Fenti FET Rdson-ja 3mohm. Ezen ideális esetben 0,3W veszteség keletkezik.

Kísérleteztem vezérlő nélküli kivitellel, de füst lett a vége. Most már cél IC-vel hajtom a FET-eket, így minden klappol. Apró hűtőlemez van a FET-eken, így 15A esetén is csak éppen meglangyosodnak.
IR11688-at használok.
(#) latyakosa válasza zolee1209 hozzászólására (») Jan 24, 2018 /
 
A 20x470µF/35V lowESR nem sok egy kicsit 100khz esetén vagy csak elírás és 2db ?
(#) zolee1209 válasza latyakosa hozzászólására (») Jan 25, 2018 /
 
Nem tudom megítélni, sok-e. Kínai hard-switch tápba raktak 15A-re 3x1000, vagy 2200µF kondit. A kondik 4x5-ös elrendezésben vannak. A 2x5-ös blokkot kevésnek tartottam. 3x5-tel a panel huzalozása nem tetszett, így került bele a 20 darab kondi. Illetve az is cél volt, hogy alacsony legyen az eredő ESR, ezáltal minél kevesebb hő fejlődjön, de ez még nem sikerült. Másik rezonáns táp tesztelésekor egy darab 680µF/100V volt csak a szekunderen, 8-10A esetén sem éreztem melegedést.

DSC_0757.JPG
    
(#) latyakosa válasza zolee1209 hozzászólására (») Jan 25, 2018 /
 
Lorylaci korábbi bejegyzéseit, cikkeit olvasgatva van egy olyan emlékképem - ha esetleg megtalálom, megpróbálom beidézni, hogy a túl sok kondenzátor egy ilyen magas frekvencián járó tápegységnél inkább felesleges mint hasznos. Bár lehet ez a primer oldali elko-ra vonatkozott inkább.

Pl az irs tervében (lásd cikkek is) a szekunder oldalon 1-1 nagy puffer és egy kissebb kapacitású, kis ESR értékű kondenzátor szerepel összesen.
Persze ennek a számodra elérhető minél jobb hatásfokhoz valószínűleg kevés köze lesz, csak meglepődtem rajta, számomra mint kezdőnek szokatlan mennyiség ez. Egy 50Hz trafós megoldásnál érthető lenne az alacsony frekvencia miatt.
Szép a nyákterv!
(#) Skori válasza latyakosa hozzászólására (») Jan 25, 2018 / 1
 
Nekem az a tapasztalatom, hogy sima nem szabályozott rezonáns táp esetében, nem szerencsés ha a szekunder oldali kondikban tárolt energia hozzámérhető, a primer oldali pufferben tárolt energiához. A szekunder oldali puffereknek elsősorban a kapcsolófrekvenciás szűrés a feladata, a primer oldali puffernek meg elsősorban az egyenirányításból eredő feszültség simítása (ha úgy tetszik 100Hz-es szűrés). A szekunder oldalon az alacsony ESR a lényeg, a kapacitásnak nem kell nagynak lennie. Kis feszültségek esetén optimális lehet a polimer kondik használata, de használtam már szekunder oldalon C-L-C szűrést is, elkó nélkül, fóliakondikkal...
A hozzászólás módosítva: Jan 25, 2018
(#) zolee1209 válasza latyakosa hozzászólására (») Jan 26, 2018 /
 
Nekem is rémlik valami a primer-szekunder pufferek arányáról, lehet skori oldalán olvastam, mint ahogy írta is. Cimopata cikkében nem egészen 3A-es terheléssel tesztelt, ott a +/- oldalon van 2x470uF. Lorylaci IRS tápjánál az 50V-os verziót nézve, a terhelőáram maximuma 2,5A alatt van, puffer 1000uF. Én 24V-on kívánom kivenni a maximum 450W-ot, ehhez 18,75A tartozik. A 10x 470µF-ot kevésnek tartottam, a többit meg a panel huzalozása hozta magával. Következőnek kipróbálom 5x680µF-dal, ezeknek alacsonyabb az ESR-jük a kínai kondiknál. Ha úgy alakul, akkor veszek minőségibb kondit, csak az ára...
Köszönöm!
(#) zolee1209 válasza Skori hozzászólására (») Jan 26, 2018 /
 
Köszönöm a tippet a polimer kondival kapcsolatban. TME-nél néztem, van 120µF/35V. ESR-re szinte egyezik az eddig vételezni kívánt 470µF/35V-dal. Olcsóbb, és kétszer nagyobb áramhullámosságot visel el.
(#) tothbela válasza zolee1209 hozzászólására (») Jan 26, 2018 /
 
Érdemes lenne szimulációban megnézni mekkora disszipáció keletkezik a kondenzátorok SR-jén. Egy C-L-C lánc esetén az első kondenzátor kapacitását csak addig érdemes növelni, amíg annak reaktanciája a szűrendő AC komponens frekvenciáján nem kisebb a ES értékétől. Nem mindegy ugyanis, hogy egy ellenállásnak, vagy egy kondenzátornak kell elnyelnie a váltakozó áramot. Tehát nálad kétutas egyenirányítást feltételezve 200 kHz frekvencián kell vizsgálódni. A folytótekercs után lévő kondenzátor maximális értéke pedig akkora legyen, hogy a primer oldali maradék búgófeszültség ellenére viszonylag folyamatosan töltődjenek a szekunder oldali kapacitások. Nem szerencsés, ha 10ms-onként egy egy rövid időre korlátozódik ezeknek a töltődése, mert akkor jóval nagyobb lesz ezeknek a kondenzátoroknak a terhelése. Ha nem C-L-C, hanem sima szűrés van, akkor is limitálni kell a maximális szekunder kapacitást. Stabilizált rezonáns táp esetében, megkérdőjelezhető a maximális szekunder oldali érték, de ott is felesleges a túl nagy érték.
(#) vede válasza Zsiroskenyer hozzászólására (») Jan 27, 2018 /
 
Szia! Skori kapcsolását az alábbiak szerint módosítanám, hasonlóan a tied is. Igy drasztikusan nőlhet a kijövő teljesítmény. Rt-t 47 és 220Ohm között próbálnám megtalálni. Ct nálad is 330p lehetne. A 4.7n-os kondit növelném.

Javitott.JPG
    
(#) frissadam hozzászólása Jan 28, 2018 /
 
Sziasztok.

Rezonáns kapcsoló üzemű táp esetén mennyivel térhet el a kapcsoló frekvencia + vagy - irányban a terhelés függvényében a névleges frekvenciától?
(#) frissadam hozzászólása Jan 30, 2018 /
 
Sziasztok!

230v-os kapcsoló üzemű tápegység biztonságos élesztéséhez milyen eszközökre lenne szükség és miért? Gondolok itt leválasztótrafóra, izzós indításra, stb. Cikkekben és az oldalon is van sok infó leírva a témában. Viszont aki ebben jártas nem lenn oly szíves és írná le ezeket a dolgokat konkrétan összefoglalva a köz biztonsága érdekében? Azért itt első sorban nem az alkatrészek épségét féltené az ember....

Köszönöm előre is!
Következő: »»   705 / 789
Bejelentkezés

Belépés

Hirdetés
XDT.hu
Az oldalon sütiket használunk a helyes működéshez. Bővebb információt az adatvédelmi szabályzatban olvashatsz. Megértettem