Fórum témák
» Több friss téma |
Fórum » Propeller Clock
Üdv mindenkinek!
Ha egy HDD motorral (4 kivezetéses) szeretném a rotort hajtani, jó lesz ez a panel? Fel kell futtatni a fordulatot, vagy egyből indulhat teljes tápról? És ha fel kell futtatni, akkor milyen áramkörrel lehet? Ha kapok válaszokat, azt megköszönöm.Bővebben: Link
Hello janigel!
Ezt javaslom: Bővebben: Link
Szia!
Az én motorom, mint ahogy írtam 4 kivezetésű tehát van egy közös pontja a három tekercsnek. Hogy csillagban, vagy deltában vannak azt nem tudom. A Te rajzodon hová kössem akkor a közöset. Aztán : a másik két kérdésre nincs válaszod? Egyébként ezt a panelt már holnap megkapom egy ismerősömtől. Köszi
Hello janigel!
teszek fel pár képet. Amúgy szerintem jó lesz az a modul is, csak drága. A közös kivezetést nem kötöttem sehova, a képeken látszik. Ezt a PWM-lábon lehet szabályozni, illetve ki-, bekapcsolni, amit mikrokontroller 1 porton tud kezelni. Ráadásul csak 2 db kondi kel hozzál! üdv!
Hali!
Nekem a 628 bázis verzió van. Ehhez át kell írni a bázis progit? Mert jelenleg a PIC csak egy indító jelet juttat az LM2941-re és nem PWM jelet . És még mindig nem tudom, hogy fel kell-e futtatni, vagy nem. Mert ha nem, akkor használhatom a modult is, egy relé érintkezőjén keresztül kapcsolva a tápját.
Nállam is ez az IC hajtja a videó fejet, van az a feszűltseg ahol szépen elindul, viszont van egy határ ami felett felpörgetéskor kiesik szinkronból. Sajnos nállam sincs pwm jellel felfutattva...
A hozzászólás módosítva: Feb 5, 2018
Üdv Mircsof!
Ezt akkor elég fontos lenne megoldani, mert ebbe még sokan belefuthatnak. Milyen szép lenne fokozatosan felfutna a fordulat, még a motor is hálás lenne érte. És mindig elindulna. Akkor át kéne írni a bázist? És ha igen ki lenne az.
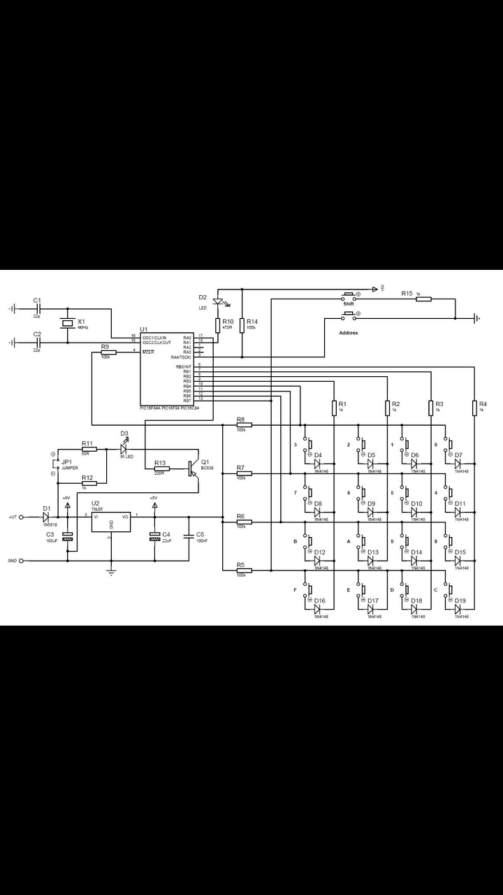
Nézd meg ezt!
A távirányítóról indítod a motort és állíthatod a fordulatszámot. Egy példány biztosan működik az enyém. A hozzászólás módosítva: Feb 5, 2018
Szia!
El tudod küldeni PDF-ben is! Ezt nem tudom beolvasni.
Nincs meg pdf ben. Tudok képet csinálni róla. Tudom javasolni a Sprint Layout Viewer .
De nem váltotta be a hozzá fűzött reményeket. Nekem nem volt hajlandó elindulni a motor terheléssel. A Kínai verzióval működik az órám. 800Ft EBAY A hozzászólás módosítva: Feb 5, 2018
Már látom a küldeményedet, ez a nyák terv, de jó volna a kapcsi rajz is.
Ha feljebb visszanézel a lap tetejére, ott indult a kérdésem.(link hivatkozás) Én is ilyennel szeretném megcsinálni. Vajon a poti PWM-et szabályoz? Mert ha feszültséget, akkor talán meg lehetne oldani a felfuttatást.
Nem a feszültséget állítod a potival. Ha az órát szeretnéd hajtani Hdd motorral akkor az nem mehet 3000pwm fölé nem bírják a forrasztások. Kijelzés csak akkor van a rotoron ha stabil a fordulat. Akkor minek felfuttatni?
Esetleg egy csillag delta kapcsolót ne tegyünk rá? A hozzászólás módosítva: Feb 5, 2018
Félreértettél.
Ahhoz, hogy állóképet kapjunk kell egy bizonyos fordulat, és ha a potival ez van beállítva, nem biztos hogy jó a HDD motornak, vagy ezen már el se indul. Ezért gondoltam arra, hogy a poti a bemeneti DC feszültséggel szabályozza a fordulatot. Mert ha így van, akkor meg lehetne oldani egy automatikus feszültség növelővel, hogy ne hirtelen érje el az üzemi fordulatot. Ez jó lenne a meghajtónak, és a motornak is. Feljebb Mircsof is ezt írja "Sajnos nálam sincs pwm jellel felfuttatva".
Nekem a 886 SMD rotor van: Bővebben: Link
Ennél van az, hogy ha a bázison állítom a potit, hogy több kakaót adjon az MTDxxxx-nek akkor van egy bizonyos határvonal, ahol nem hajlandó felpörgetni, mert a forgórészen lévő mágnesek nem érnek idöben a kellö helyre, majd végül kiesik szinkronból. Persze mindez azért van, mert a vezérlőnek halvány lila f.... sincs, hogy hol tart a forgórész. Ezt valóban orvosolni tudná a felfuttatás, persze csak akkor ha egyszerűen meg lehetne oldani (mindenféle hex átírás nélkül. Másik dolog az az, hogy a videófejeknél (legalább is az enyémeknél) az eredeti vezérlő IC amivel szerelve volt az simán fel tudta pörgetni.
Szia!
Akkor nem akadékoskodtam hülyeségen, csak lehet hogy nem érdemes ebbe több agymunkát beletenni? (PIC átírás) Azért kísérletezek, hátha jutok valamire, mert így lenne kerek. Köszi a választ.
Milyen jó lenne ha a sarokcsiszoló nem teljes fordulaton indulna. Igen de minek?
HDD motor beszerezhető bármelyik számítógépes boltba. Ahol nem adnak 3-4 darabot ingyen onnan pénzért sem kéne. Nincs jelentősége hogy hogyan indítod. Ha lenne valami előnye a fokozatos indításnak akkor az eredeti környezetében úgy indítanák. Te nem így gondolod? Itt akik az órát megépítették szinte mindenféle motorral próbálkoztak. Eddig senkinél sem okozott gondot, hogy hogyan indul a motor. A működés közbeni fordulatszám beállításának van jelentősége. A hozzászólás módosítva: Feb 6, 2018
HDD motort szeretné "lágyan" indítani. Ha készen lesz a rotor és rajta van minden szerintem az első indítások után rájön, hogy a terheléssel már nem fog ugrani hanem szépen felpörög.
Te hányszor állítottad a fordulatot?
Tisztában vagyok vele, hogy mit szeretne és igen csak jó dolognak tartom.
Idézet: „Te hányszor állítottad a fordulatot?” Sokszor, miután az eredeti vezérlő IC az örök vadászmezökre került. A mai napig nem tudom arra a fordulatra beállítani az órát amin tökéletesen egybefüggő lenne a kép, mivel ha ide állítom akkor bekapcsoláskor nem tudja felpörgetni a rotort. Jobb esetben tíz próbálkozásból 1* elindítja, így inkább kompromisszumot kötöttem, és lejjebb vettem a feszültséget annyira, hogy biztos el tudja indítani 1-2 próbálkozásra. Idézet: „Milyen jó lenne ha a sarokcsiszoló nem teljes fordulaton indulna. Igen de minek?” Az 1500W feletti nagy sarokcsiszolók többsége ilyen, méghozzá azért, hogy induláskor a motor nagy ereje ne csavarja ki a paraszt kezéből a gépet, ha épp nem fogja elég veszettül. A hozzászólás módosítva: Feb 6, 2018
Hello!
Nos kísérleteztem egy kicsit az MTD6501C-el. Az a tapasztalatom, hogy 2V-nál már stabilan indul a HDD motor. Úgy látom a probléma a tápfeszültség pufferelésével van ez mégiscsak egy villanymotor! 1800µF még kevésnek bizonyult, + 2200µF-ot kapott, mert nagyon leesett a feszültség, így a 4000uf-dal stabilan indul még 2V-nál is. Üdv: belagu
Még valami, az adatlap szerint ez a típus 800mA-rel terhelhető, így túl nagy feszūltségnél, lekapcsol. Valamint hővédelemmel is rendelkezik.
Azt vedd figyelembe,hogy a rotor ha rajta van nem fog elindulni ott hol üresen már megy..
Hi everybody,
You all guys are awesome. I have only basic knowlage of electronics. But when I watch pov clock on you tube, I make the first simple version wich is done by Mr.Henk soubry . I have no any knowlage of Programing,means i cant write or read the program. But i can use files to program in pic which will be written by you. At first when i use codes which were provided by Mr. Henk it works but like mirror image. Then Mr. Henk told me to remove ";" from that propeller asm file. But i have no any idea abut programin so i cant do that. Aftre searching more i found this fourm and Mr. Vicsys modifide code. I progrmed with modifying code. Now clock working ok . Also all 16 buttons working ok. But all buttons needs to press 3 to 4 times it works. Means when i trying to change 'Hour' and pressed the button it is not change quickly, when pressed 3 to 4 times then Hours changed. It happens for all buttons. But it looks good.I m happy that i did it. Now when i read this fourm i m very imperssed. Can anyone help me to build simple rtc version with smd . Remote with 18 buttons . In this fourm there are lots of file so i confused abut it. Can you provide me proper PCB LAYOUT and CODE files for PROPELLER, BASE AND REMOTE ? Is version 2.27 is simple to me ? If yes then please can you help me? THANKS. PRITAM.....
Hello!
It only works with this remote controller.
Hi Janigel,
Thanks for quick reply. It means i need universal remote to operate the clock. Ok.. If i make following remote then which version i could operat with it? Please help..
Hi Pritam!
These PIC remote controllers did not come to anyone. No medicines. This is a dead matter. What I sent was super. You will have much pleasure in it. Lay documentation can not be given.
Hi again,
Can I use any other Remote? Because I cant buying this remote urc 1. I m from India. One more thing. Please send pcb .lay files for propeller and base for pcb printing. Thanks again.. A hozzászólás módosítva: Feb 11, 2018
Hi Janigel,
I m trying to buy this remote from yesterday. But can't..
Now what can I do ?
I m very upset. Your watch is very nice. Please tell me another solution.. A hozzászólás módosítva: Feb 11, 2018
|
Bejelentkezés
Hirdetés |

















