Fórum témák
» Több friss téma |
Ha nem a hálózati feszültséget akkor mit ?
Most már talán működik a tr mérés (érintkezési probléma )
Mi értelme van a hálózati frekvencia mérésének? Annyi amennyi, változtatni nem tudsz rajta, de nem is kell. De például egy hanggenerátor kapcsolás kimenetén mérni már van értelme. A régebbi, inverterrel meghajtott monitorok inverterének működését még a vezeték galvanikus csatlakoztatása nélkül is elvégezheted. Lehetne sorolni a hangfrekvencia tartományba eső jeleket, ennek a mérésére való.
Telefonról kipróbáltam szinusz négyszög fűrész háromszög szkóp és a műszer egyidejű bekötésével a műszer semmit nem mért .
Mekkora frekvenciával és jelszinttel mértél? Rajzold le a bekötést is.
Telefon fülhalgató kimenet bele egy erősítőbe , erősítő kimenete műszerre és onnan párhuzamosan a szkópra . RMS 2,0V 440Hz,1500Hz , 9000Hz .
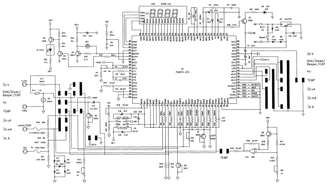
Akkor már csak egy kérdésem van, új a műszer vagy használtan került hozzád? Ezt a frekvenciát ezzel a jelszinttel mérnie kellene. A bemenetén van egy kondenzátor, C13, 1 µF 50 V, azt meg kellene vizsgálni ép-e. Ha "belemértek" a hálózati feszültségbe az tönkre tehette. Illetve vele együtt a Q2 tranzisztor is zárlatos lehet.
A hozzászólás módosítva: Jún 23, 2018
Használt . Javított . . . ? (biztosítékok helyén drót volt ,a kapcsolóból egy érintkező hiányzott)
A C13 nekem 2,2 µF 50 V 2 µF -ot mértem rajta mindkét irányban Q2 S9013 zárlatot nem mértem rajta . Ez a két alkatrész egymástól kb 6cm-re van egymástól . A hozzászólás módosítva: Jún 23, 2018
Az egyik vége az AGND analóg föld, a másik vége az IC ADP bemenetére megy. Ez egy ADC jelbemenet. Az IC 35. lába GND-re van kötve?
Nincs , R3 -ra van kötve .
De ez az ic csak 80 lábú
Akkor nem azonos az alkatrészkészlet, van több változat is, gyártótól függően. Egy jó felbontású fénykép a belsejéről segítene a beazonosításba.
Ez jobban hasonlít . Az icket megnéztem kb stimmel . kad 7001 nálam sc7001.
A kép felbontása nálam nem a legjobb nem nagyon tudom elolvasni . A hozzászólás módosítva: Jún 23, 2018
R60 kicsit meg van égve 1 gyűrűt látok ami barna 9,8k a (D7 -hez tartozik) mérek rajta a rajzon nem tudom elolvasni
Ez egy kicsit jobb. R60 10 kΩ.
A hozzászólás módosítva: Jún 23, 2018
555 -tel adtam neki négyszögjelet nem mutatott semmit de amikor a szkópot úgy kötöttem rá hogy az elem pozitív felére a szkóp negatív felét (úgy is mutatott hogy az elem negatív felén volt a szkóp)
a pozitív meg a műszer mérő bemenete akkor mutatott valamit ami kb stimmelt és változott amikor változtattam A hozzászólás módosítva: Jún 23, 2018
Elképzelhető hogy a 062-es kicsit tönkrement ?
Mert megy jel a 4011-hez R60-as valamiért megégett. R61-en nem azt az értéket mérem de nem vettem ki
Hello! Olvasd már el amit írsz!
Ha megy jel a 4011-hez, az a 062-őn keresztül megy.. De ott a szkóp a kezedben, mérni nem lehet? Ha az R60 megégett, akkor lehet túl nagy villanyra kapcsolták rá frekiméréskor. Meg kell nézni a jelet a 062 5-6-7 lábán. Ha nem jut el a jel az 5-re, akkor lehetnek a diódák is zárlatosak. Az R60-al soros kondit is érdemes megnézni, nem zárlatos-e. Valamint az R6 nem szakadt-e meg.
Üdv
A kicsit tönkrement alatt azt értem hogy nem teljesen (nem tudom minek kell pontosan megjelenni) a kondi és a diódák nem zárlatosak Gondolom az R6 az a R60 de azt már leírtam hogy 9,8k A hozzászólás módosítva: Jún 23, 2018
Ha a COM és a V pontra adod az 555 jelét, akkor a COM ponthoz képest akkor az 5-ös lábon a két dióda által határolt jel kb. +-600mV jelenik meg. Ezt fogja komparálni a 062.
(A 062 áramkörénél valami kis huncutság van, mert így a 6-os féltápon lenne a két 100kohm-al, ami helyes lenne, csak mivel a két dióda meg a Com ponton van, az meg a telep negatívja, így sosem érné el az 5-ös a féltápot. Szóval valami el van rajzolva. De lényegtelen, a valóságban úgy is helyesnek kell lenni a kapcsolásnak.) A 062 kimenetén, már négyszögjelnek kell lenni. (Mert negatív visszacsatolás nincs) Ez a jel megy a 4011 kapukba, ahol a 12-13-on bemegy, a 11-en kijön. Az 1-2-őn bemegy, a 3-on kijön. A 8-9-en bemegy és végül a 10-esen kijön a jel. Ez triggereli a 7555 monostabilt. Annak -as lábán már állandó szélességű de a frekvenciával változó periódus idejű jel jön ki. Ezt a "PWM" jelet integrálja a két RC tag és így ezt a már DC feszültséget méri a multiméter. Tehát a C14-en már a frekvenciával arányos egyenfeszültség van. Előtte meg impulzusok.
Sziasztok!
Van egy alig használt UNI-T UT61E típusú multiméterem a következő problémával. Valamelyik nap, amikor utoljára használtam, a képen is látható bekapcsolt állásban felejtettem a forgókapcsolóját. Ezt máskor is el szoktam követni, de max 1-2 órára. Most így marad napokig, az elem lemerült. Este használni akartam, akkor vettem észre. Gondoltam nincs semmi baj, elemcsere. A probléma itt jelentkezi, a forgókapcsoló minden állásában árammérésre kapcsol a multiméter. Amúgy áramot tudok vele mérni. De ha tekergetem a funkciógombot, akkor semmi nem változik. Javítható a probléma? Miért járt így egy sima elem lemerüléstől? Üdv: spgabor
Érdekes hiba.
Fura hogy nincs rajta sem Auto-Power-Off, sem Reset lehetőség. Garanciális még?
Nem sajnos. Este szét is szedtem, hogy nincs-e rajta valami rejtett reset gomb, de nem láttam sehol.
Az Auto-Power-Off nagyon hiányzott is róla, pont az említett kikapcsolás elfelejtések miatt. Mivel a korábbi gagyi kínai multimétereimen volt, így valószínűleg megszokásból szoktam elfelejteni.
Remélem hogy csak egyedi ez az eset és nem valami típushiba. Én is vettem egyet nemrégen, mert sikerült hozzájutni a vakerán a bolti nettó ára alatti áron (25+áfa helyett 18). Ebben az árkategóriában ez a legjobb ár/érték arányú 4,5 digites műszer amit láttam, plusz ott a true rms, és a kapacitásmérés. Nekem nagyon tetszik eddig, és annyiba sem került mint egy őskori használt asztali multiméter, amit majdnem megvettem nemrég...
Kimerült elem elvileg nem lehet gond, az új készülékben sokáig nincs, amíg vevő bele nem teszi. Nekem van ilyen, semmi gond elem kimerülésnél. Az auto kikapcsolás sajnos nincs, bóvlik is tudják.
Sajnos elég pontatlan az UT61E, nekem is van, onnan tudom. A 4.5 azaz plussz egy didit a 3.5-höz képest majdnem felesleges, az már nem a valóságot mutatja. A gyárilag megadott pontosság is csak a jobb 3.5 digites multikéval azonos. Amit majdnem megvettél nemrég őskori multiméter gondolom az általam árult Fluke viszont jóval pontosabb, teljesíti az UT61E-nél kb. egy nagyságrenddel jobb pontosságot.
Nekem csalódás az UT61E, előbbi pontatlanság, power off hiánya, háttérvilágítás hiánya miatt. Előnye viszont a villámgyors auto méréshatárváltás.
Szia!
Ha megy az angol, akkor a youtube-on az Uni-T UT61E javítása videókon pont hasonlót mutatnak. A lényeg az, hogy a funkció választó bemenetei az IC-nek mindig logikai alacsony jelet kapnak, így mindig árammérést akar végezni. Gondolom az elem behelyezésekor néhány alkatrész megadta magát ezen a területen. Üdv: Péter |
Bejelentkezés
Hirdetés |















