Fórum témák
» Több friss téma |
Üdv!
Vettem egy multimétert, de nem kaptam hozzá használati utasítást. :help: Ha valaki tudna küldeni/linkelni ehhez való doksit, megköszönném. Illetve pár kérdés: Hol lehet átfogó ismertetőt találni a multiméterek használatáról? Ebben a típusban van hőmérő, de pontatlanul írja ki az adatot, valamint nincs hozzá szenzor (külső). Lehetséges, hogy belső szenzora van? Akkor mi értelme van a +1000 C-os méréshatárnak?
készülék
Nekem épp nem 112 van, hanem 111-es.. ez nekem annyi a kérdésem, mint az látható a "készüléken" is a "dióda-vizsgáló" és a "hFE" között van 4szögjel piktógram vagy minek is nevezzem, ebben az állásban mi a jó francot csinálhat? semmi nincs sehol róla.. érdekes, vajon mi lehet? Idézet: „nem kaptam hozzá használati utasítást.” garitse? dobozát sem? vidd vissza a boltba aztán mond meg nekik adjanak 1et, kül a fogyi védelemhez mész panaszkodni :yes:üdv
Sziasztok!
Idézet: „"dióda-vizsgáló" és a "hFE" között van 4szögjel piktógram vagy minek is nevezzem, ebben az állásban mi a jó francot csinálhat?” lehet hogy kitöltési tényezőt mér százalékban... erre tippelek
Üdv!
Majd visszamegyek érdeklődni. Gari van, ki is van töltve. Ott a boltban egy árban volt a két típus (111,112), a 111 négyszögjelet tud mérni, a 112 hőmérsékletet. Többet nem tudok, én is csak nézek nagyokat, hogy mi mit jelent... Idézet: „négyszögjelet tud mérni” érdekess a doksi erről nem szól... az is fura , hogy az amit linkeltem ott a 112-nél irva vagyon hogy: "Hőmérséklet: -20°C - +1000°C" még a 111-es nél nem jelzik..., a készüléken meg van.nahát
Sztem 1kHz-es négyszögjelet ad ki. Meg kell nézni!
kitöltést nem mér..
1khz -et sem ad ki :no: viszont amikor a hangszóró rajta volt és a membránt mozgattam akkor + és - számokat írt ki üdv
akkor az biza négyszögjel kimenet lesz. Lehet vele tesztelni...pl. számlálót, ledet,stb...
HI
nekem is van egy ilyen maxell műszer, valmivel komolyabb, az kapacitást is mér, de láttám már olyat fényterősséget is mér! nekem van hozzá hőm. szenzor csak elhagytam a kézikönyvét aztán nem tom melyikbe kell bedugni hogy mérjen, és rárajzolva sincs :S. egy kérdés: valki nem tud egy jó fényerősségmérő kapcsolást? láttam egyet egy bizonyos TSL220 IC vel, de sajna ezt már egy ideje nem lehet kapni, egyébként nagyon eccerű volt még 5db TIL306 kijelző kellet hozzá, ami pont van othon ![]() a TSL220 az egy fényt frekvenciává alkító IC, gondolkodtam egy NEE555+fotodióda párosításon, de nem jött össze.
Elvileg négyszögjelet adhat ki. Gyakorlatban lehet hogy nem ad ki semmit. Úgyanis gazdaságossági szempontok miatt úgyanabba a dobozba teszik a különféle tipusokat.
Nem akartam új topicot nyitni(vagy nyissak?
),; szeretnék beszerezni egy multimétert ami az alap dolgokon kívül kapacitást is tud mérni. Nem vagyok jártas etéren, ugyhogy véleményt kérnék.Az alábbiakat szemeltem ki: http://www.meromuszerek.hu/product_info.php?cPath=21&products_id=37 http://www.meromuszerek.hu/product_info.php?cPath=21&products_id=38
Ha megnézed a paramétereit a drágább nagyobb tartományban mér , más lényegi különbséget nem látok közöttük....
Nekem MX-25 304 van, és nagyon meg vagyok vele elégedve!
A linkeken szereplő műszerek közül a 301-es jóval nagyobb ellenállást (200MOhm) és kapacitást (200uF) is tud mérni, de úgy látom, nincs benne hőmérő. Te tudod, hogy neked melyik a fontosabb... Szerk: Látom, Dudus már megválaszolta előttem, csak nem frissítettem a lapot... Mindegy, azért benthagyom...
helloo mindekinek---
tegnap vettem egy Maxwell mx-25312 tipusú multimétert, nagyon jó meg minden csakhát van egy gomb amit nem tok mire való... a neve APOD......foggalmam sincs mire jó.. nincs benne a kezelési útmutatóba sem..sajna... ja és a hőmérőadapter... ugyebár azt úgy kellene csatlakoztatni, hogy a kondimérőt berakni és abba kell belerakni.. de ha belerakom akkor a kijelzőn nem a 023 jelenik meg vagyis 23 fok hanem elérak egy 8ast nem tom mér..de ha kiveszem akkor a belső hőmérő visszaáll és újra 023-at mutat... na ez mér van? előre is köszi a segítséget... cooler
Az MX-25 112-nél a COM és az "Volt/Amper/Ohmmérő dugó" közé kell rakni a szenzort.
A gombra nincs tippem. Nem tudja valaki, hogy a szenzor milyen elven működhet? Két fémdrót között egy kis fémgömb. Vagy termoelektromos, vagy ellenálláshőmérő...
A kérdést bonyolítja, hogy a megjelenő feszültség és az ellenállás is nő a hőmérséklettel.
Feszültség szobahőmérsékleten 0,0 mV, 100 fokon néhány mV mérhető, szobahőfok alatt pedig negatív feszültség jelenik meg. Lehet, hogy a Seebeck-effektushoz szükséges másik fémes csatlakozás a multiméter házában van? Akkor viszont csak relatív hőmérsékletet tud mérni...
köszi a segítséget...
a hőmérő megoldódott (csak rossz helyre dugtam a csatlakozót, mer nem figyeltem... ), de sajna a gombra még mindíg nem találtam semmmit
Leírom, hátha valakit érdekel: tehát a műszer hőérzékelője egy K-típusú hőelem.
Viszont a mért értéket (elvileg) szabályozza egy termisztor a "hideg" csatlakozásnál, így nem függ a műszer hőmérsékletétől a kijelzett érték.
Sziasztok!
Van nekem egy Maxwell MX-25 102 -es multiméterem. Már egy jó ideje megvan és azt vettem észre, hogy a bal alsó sarokban jelzi, hogy le van merülve az elem. Na ezzel semmi gond, épp minap vettem egy új elemet a Plus-ban, berakom és még mindig jelzi hogy le van merülve. Az új elemen a terhelés nélkül mért feszültség 10V. Most melyik a rosz? a műszer vagy az új elem?
Nekem olyan multiméterem van amibe beépített hőmérő is van, ezzel az a problémám, hogy nem mér pontosan (az én testhőmet 29-30 fokra becsülte). Ezt kellene valahogy beállítani, hogy a pontos adatokat mutassa, ha kell tudok képeket is felrakni. A segítséget előre is köszönöm.
Jó lenne róla egy kapcsolási rajz, de ha külső szenzor nélkül is mér, akkor nyilván van egy termisztor benne is. Ezt, ha belenézel, akkor felismerhető és közel hozzá, (vagy inkább a hőelem csatlakozóhoz) találhatsz egy trimmert, azzal helyrehúzhatod
Kapcsolási rajzot sajna nem tudok feltenni, esetleg képeket róla hátha az segít. A közelében meg nincs trimmer, csak messzebb van egy csomó, és inkább nem tekergetem ész nélkül, mert a végén telljesen elállítódik.
Esetleg a multiméter típusa is segíthet, lehet, hogy valakinek van róla rajza.
Ha beépített hőmérő van benne, hol mértél testhőt? A bőrfelszín nem feltétlenül ad jó eredményt bárhol. Szerk.: tettél fel képet közben; nem a hőszenzor beépített, hanem csak a feldolgozás K, vagy J típusú hőelemet szoktak fogadni. A kérdés továbbra is érvényes: hol és hogyan mértél?
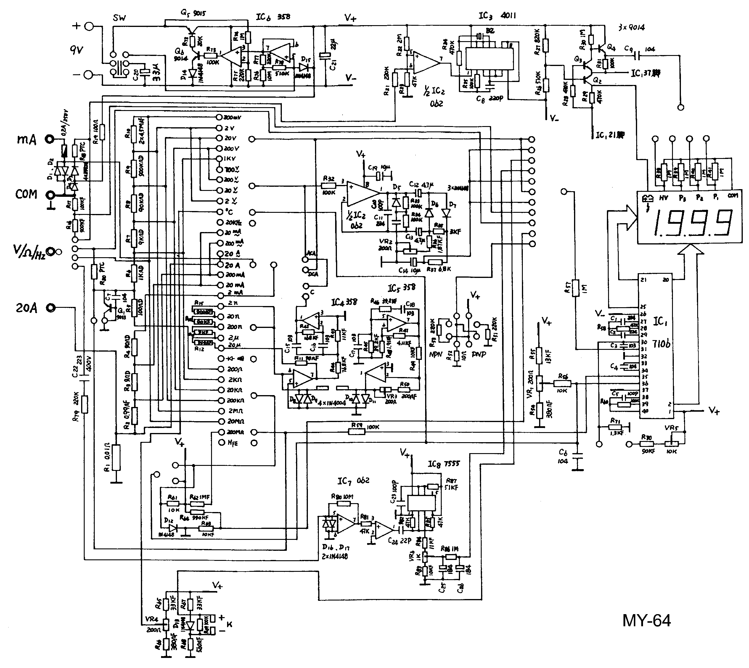
Gyártó: BEN ELEKTRONIC
Típus: MY-64 Adtak hozzá külső hőmérőt is, és azzal mértem le magam. Amúgy van benne beépített hőszenzor is
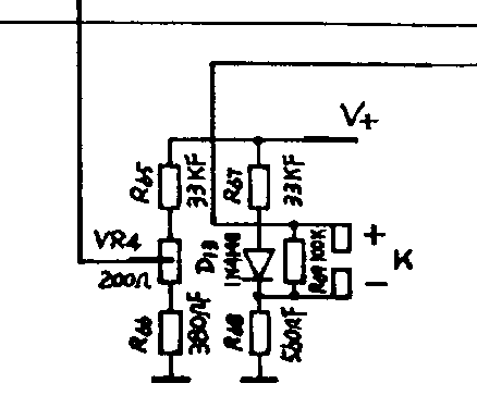
Ész nélkül semmikép se! Az MY-64 ben pl igy van, valami ilyet keressél...
De ráéreztem, na akkor itt van az egész...Amúgy...én úgy érzem ne sajnáld, ennek a hőelemnek inkább a magasabb hőfokoknál kell pontosnak lenni, ott használják inkább
Ezt a részt megtaláltam benne csak nincs ott a trimmer.
Kérnék én valamit...ellenőrizd le 100 fokon is! Esővíz, szenzort a víz ne érje, átszámolni tengerszintre, ahogy kell...
|
Bejelentkezés
Hirdetés |




aztán mond meg nekik adjanak 1et, kül a fogyi védelemhez mész panaszkodni
:yes:

),; szeretnék beszerezni egy multimétert ami az alap dolgokon kívül kapacitást is tud mérni. Nem vagyok jártas etéren, ugyhogy véleményt kérnék.










