Fórum témák

» Több friss téma
Fórum » Kazettás magnó (deck) javítása
 
Témaindító: damien, idő: Júl 16, 2007
Témakörök:
Lapozás: OK   117 / 191
(#) Numi1976 hozzászólása Ápr 23, 2018 /
 
Sziasztok!
Egy Technics RS-TR 474 M2 magnódeck tulajdonosa vagyok. A következő lenne a problémám. Mindkét oldala balról jobbra játszva egy idő után fátyolosan szól időnként nyávog. Jobbról balra játszva tisztán szól. A nagyobb gond hogy nem vesz fel. Sem a sincro start sem az az oldal nem működik amiről a felvétel készülne, egyszerűen nem indul el. Normál esetben lejátszik de felvételkor nem indítja el a lejátszó oldalt. Nem működik a gyorsmásolás se. Mi lehet a hiba? Érdemes-e javítani? Kb 6 éve nem volt használva, de szobában állványban tartottam. A segítséget előre is köszi
(#) papacica válasza Numi1976 hozzászólására (») Ápr 24, 2018 /
 
Első sorban szíj és ha kell görgőcsere,de görgö az biztos,mert a technics egy hitvány görgőket gyártott,utána lehet hogy jó lesz
(#) bunga 155 hozzászólása Máj 2, 2018 /
 
Sziasztok! Van esetleg valakinek Aiwa r450 vagy F640 /660/7... stb mechanikahoz alkatrésze?
(#) pisti0967 hozzászólása Máj 10, 2018 /
 
Technics rs-tr474m2 2db nyomógörgő van e és mennyibe kerül
(#) papacica válasza pisti0967 hozzászólására (») Máj 10, 2018 /
 
Ha ez nekem szol akkor sajna már elviték mindet,mert nem kapható, csak az elme bayen,
(#) RockFonok hozzászólása Máj 11, 2018 /
 
Sziasztok!

Millenium MN 9644 mini hifihez lehet még kapni 2db ilyen görgőt?
Ha vannak még ilyen görgők, mennyibe kerülne szervizbe meg csináltatni?

Nyúzzák a szalagot, és meg vannak repedezve a görgők.

Képekbe nagyítsatok bele.
Képek: Bővebben: Link
Bővebben: Link
Bővebben: Link


Előre is köszönöm!
(#) papacica válasza RockFonok hozzászólására (») Máj 12, 2018 /
 
ha tudnánk a méretett akkor egyszerűbb,átmerő,szélesség,tengely,et ki lehet cserélni otthon is
(#) RockFonok válasza papacica hozzászólására (») Máj 12, 2018 /
 
Én se tudom a méretét.

Kép alapján azt mondták az apróbb fajta görgő, vannak itthon a másik magnókba görgők, de azok a nagyobb fajták.
(#) papacica válasza RockFonok hozzászólására (») Máj 12, 2018 /
 
Kb 10 es nek nézem
(#) papacica hozzászólása Máj 12, 2018 /
 
Szed szét a magnót és a csillag csavart ved ki,és mérd meg nem nehéz
(#) boje hozzászólása Máj 19, 2018 /
 
Sziasztok! Nemrég vettem egy 80-as években gyártott kétkazettás Fisher decket, és az a kérdésem, hogy mi lehet a hibája, ha egyes kazettákat normálisan lejátszik, de vannak olyan kazetták, ahol nagyon nyávog, és belassul.
Előre is köszönöm a segítségeteket.
(#) Massawa válasza boje hozzászólására (») Máj 19, 2018 /
 
Sok minden, meg sokféle kazetta is volt, jobbak, rosszabbak meg csapnivalok. Hányszor káromkodtam amikor a nagy nehezen beszerzett kazettát (akkoriban nem voltak tele velük a polcok ) a magno az elsö felvétel alatt kinyirta..mert olyan rossz volt a mechanikai minösége.
(#) boje válasza Massawa hozzászólására (») Máj 19, 2018 /
 
Akkor tehát ne vigyem el egy szakival megnézetni, mert azok a kazetták, amik nyávognak benne, azok pocsék minőségűek?
(#) Massawa válasza boje hozzászólására (») Máj 19, 2018 /
 
Azt én honnan tudjam?
Azt neked kellene látnod ( hogyan tekeri fel a szalagot,milyen a márkája, milyen öreg stb).
(#) boje hozzászólása Máj 19, 2018 /
 
A kazettát nem olyan régen vettem, egy jugoton kiadású 1982-es punk kazettáról van szó, ránézésre szép állapotban van, sőt az első szám még le is megy normálisan, de a második dal vége felé már állandósul a nyávogás, más kazettáimat is kipróbáltam a Fisher decken, azokat végig tökéletesen lejátssza, azok is jugoszláv kazetták.
(#) Tomi94 válasza boje hozzászólására (») Máj 19, 2018 / 2
 
Ha csak egy db rossz, akkor egyértelműen nem a magnó baja. Egyébként meg a lassulás, nyávogás szíjnyúlásra, görgő- vagy motorhibára szokott utalni leginkább.
(#) Massawa válasza boje hozzászólására (») Máj 19, 2018 / 1
 
Sajnos azok a zenekazetták a legrosszabbak szoktak lenni, s ha valoban csak az az egy raplizik, akkor ott a kazetta beteg ( meggörbült, vetelemedett, hiányoznak belöle a foliák stb. ) Probáld gyorstekeréseel átpörgetni párszor, hátha segit. Esetleg szedd szét és nézd meg benne-e van minden, aminek benne kell lennie. Esetleg rakd át a szalagot egy másik kazettába.
(#) Tomi94 hozzászólása Jún 25, 2018 /
 
Sziasztok!

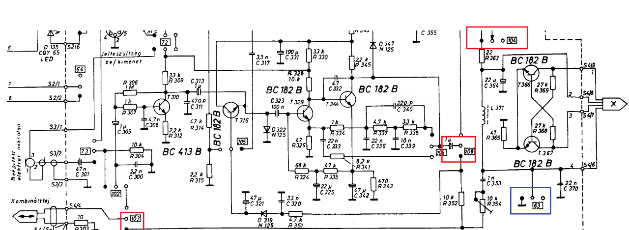
Europa Star rádiós magnóm egy-két hónapos állás után nem vesz fel rendesen. Igen gyanús az oszcillátora, mert csak félig törli le az előző felvételt, a készülő pedig torz és halk, sistereg a magasabb hangokra. Szóval mintha nem lenne elég előmágnesezés. Emellé még hallatszik egy fütyülő, gerjedő zaj is, ami a hangszóróban is hallható kicsit a felvétel készülése közben, ha nincs adóra hangolva.

Megnéztem a rajzot (vörös keretben a felvétel kapcsoló, teli kör a felvételhez tartozó állás), de nem minden világos. Egyrészt a törlőfej bekötéséről semmi infóm (de gondolom, egyben trafóként is működik, azért van ennyi kivezetése), másrészt a 63-mal jelzett (kéken keretezett) kapcsoló bekötése gyanús. Ez az 'RIF' gomb, elvileg rádiós felvételnél ha összegerjed az adóval az oszcillátor, azt lehet megszüntetni vele. De ez így szerintem nem eltolja a frekvenciát, hanem leállítja az előmágnesezést..

Ellenállásokat kimértem, a két kis értékű jó, meg a potméter is, a másik kettőnél 15k van bent (nem tönkrementek, színkód szerint is ekkorák). Na de, eddig működött ezekkel... Most akkor ez gányolás, vagy a szokásos szocialista jelenség, hogy "abból gyártunk, ami épp van"? Vagy kondinál keressem inkább a hibát?

rm4630.png
    
(#) CHZ válasza Tomi94 hozzászólására (») Jún 25, 2018 /
 
Szia!
Általában a fej hibája szokott lenni. Mag repedése, tekercs szakadás. Érdemes alaposan megtisztítani. C364 cserélése ajánlott.
A hozzászólás módosítva: Jún 25, 2018
(#) Tomi94 válasza CHZ hozzászólására (») Jún 25, 2018 /
 
Mármint a törlőfejre gondolsz, ugye? Mondjuk van belőle másik valahol, össze tudom mérni a kettőt..
(#) CHZ válasza Tomi94 hozzászólására (») Jún 25, 2018 /
 
Törlőfejre gondolok, előtte cseréld a kondit.
(#) Tomi94 válasza CHZ hozzászólására (») Jún 25, 2018 /
 
Kimértem, az egyik oldali két tüske közt 0.8, másiknál 3.2 ohm a tekercsellenállás. A két pár között végtelen, ez nem tudom, így jó-e..
Kondit nézek hozzá másikat!
(#) Tomi94 válasza Tomi94 hozzászólására (») Jún 25, 2018 /
 
Kondenzátor mérve is jó, cserére sem változott a helyzet.
(#) CHZ válasza Tomi94 hozzászólására (») Jún 25, 2018 /
 
Mind a 4 kivezetésének vezetni kell!
(#) Udvari Zsombor válasza zolika60 hozzászólására (») Jún 25, 2018 /
 
Érdeklődnék hogy most akkor mi a helyzet?! Tettem fel képet, de ön azóta sem válaszol! Kérem, hogy valahogyan írjon vissza hogy mi a helyzet!
(#) Tomi94 válasza CHZ hozzászólására (») Jún 25, 2018 /
 
Akkor valami történhetett a fejjel. Beforrasztott vezetékek nem sérültek, viszont közben mindhárom kondit kicseréltem, és semmi változás.. Úgyhogy kereshetek egy ilyet valahonnan, minden jel szerint. (Másik rajzon közben én is azt láttam, hogy az elvileg nem két tekercs, hanem egy, csak több megcsapolással..)
A hozzászólás módosítva: Jún 25, 2018
(#) CHZ válasza Tomi94 hozzászólására (») Jún 26, 2018 /
 
Próbáld meg a kivezetéseinél megkeresni a szakadást. Könnyen forrasztható huzal.
(#) Sony007 hozzászólása Jún 27, 2018 /
 
Sziasztok!

Keresek nyomógörgőket!
13x8,5x2 mm és 11x8,5x2 mm!!
Ha van eladó valakinek új vagy jó állapotú, kérem jelezze, több db is jöhet!

Köszönöm!
(#) CHZ válasza Sony007 hozzászólására (») Jún 27, 2018 / 1
 
(#) Tomi94 válasza CHZ hozzászólására (») Júl 2, 2018 /
 
Szerencsém van, találtam vidéken a régi bontott alkatrészeim közt egy ide való törlőfejet. A mellékelt fotón felírva az egyes kivezetések közt mérhető ellenállás - a magnóban levőnél a bal és jobb felső közt semmilyen vezetést nem jelez a műszer.
Kicseréltem a fejet, figyelve a vezetékek bekötésére, és - némi előmágnesezés utánállítást követően - gyönyörűen dolgozik felvétel közben is, visszajött a kiegyenlítettebb hangzás, és eltűnt a sípoló zaj meg a sziszegés. Álmomban nem gondoltam volna erre a hibára, de innentől eszemben lesz, ha ilyesmi kerül hozzám bontásra való állapotban, hogy ezt is mindenképp el kell tenni belőle.
Köszönöm még egyszer a tippet!

ui.: A másikat se dobtam még el, de első ránézésre a tűk körül nem látok szakadást.
A hozzászólás módosítva: Júl 2, 2018

DSCN3148.JPG
    
Következő: »»   117 / 191
Bejelentkezés

Belépés

Hirdetés
XDT.hu
Az oldalon sütiket használunk a helyes működéshez. Bővebb információt az adatvédelmi szabályzatban olvashatsz. Megértettem