Fórum témák
» Több friss téma |
Fórum » Horgászok elektronikája
Témaindító: blackhawk1985, idő: Máj 4, 2008
Témakörök:
Hahó!
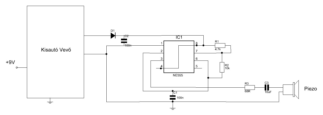
A gazdaságos kiskocsin kívül szinte semmit nem értek... ![]() A rajz biztos sokat segítene
Bocsánat a rajzért, csak gyorsan összecsaptam.
Jólenne, ha valaki rápillantana, hogy nemrontottam-e el valamit. Mivel az SPlan tervező progiban nem találtam optokaput, ezért 1db led, és 1db bázis nélküli tranyó bekeretezve, na az lenne az optocsatoló. Hát persze... Az adónál a relének elfelejtettem odarajzolni a +12V-ot, azt képzeld oda
Üdv mindenkinek!
Hát ez nem semmi, giliszta macera hálózati fesszel, stb. -szóval nem semmi, ennél már csak az lenne jobb, ha valaki azt kérdezné, hogyan lehett belevezetni a vizbe az áramot ,hogy az összes hal feljöjjön, és egy processzoros áramkör összegyűjtse, kifilézzze, bepanírozza, és süsse meg! - ![]() Viszont az édekelne, hogy van egy műcsali, ami alacsonyszíntű, impulzosokat ad ki magából, és az egész, egy szem gombelem segítségével működik! Ennek hasznos, lenne a kapcsolása is, meg hogy ezt az impulzust, mint feszültséget vezeti a vízbe, vagy egy vasmagos tekercsel, egy elektromágneses impulzust, generál ami, nem egyenlő az előbb leírtal. Az 555, lelőve mert az ugye 5V -os, de még nem is lenne akkora probléma, egy sep-up áramkört ráfabrikálni, ami 1,2V -ról már képes lenne meghajtani, na mindegy! Akkora lenne a cucc hogy ólom nehezék helyett lehetne használni. Igaz lehet SMD alkatrészekből is építeni, fogalmam nincsen úgy mekkora lenne, mert én még csak nyáron fogom beszerezni a forrasztóállomásomat, amivel már percízen, tudok majd bűvészkedni! (Sajnos nem is lessz ólcsó mulatság, majdnem egy havi minimálbér)
Illetve, csak azért kérdezem, mert ennek köze is van az elektromossághoz, és a halásztoz is, és a tv-ben korábban láttam, hogy így meg úgy működik, + PUDER!
Megasztán lenne ismerősőm akinek megépíteném, meglepibe!
Szerintetek ezt az elektromos műcsali rajzot működésre lehetne bírni?
Pár adat hiányzik róla és a HEP230 helyett lehetne valami mást használni? Itt a rajz:
Nana, humorkodunk-humorkodunk? Még egy ilyen obszcén verbális manifesztáció és zéróra redukállak!
Hol hallottam én ezt....
Na mindegy csak közlöm, másokat megsérteni, még véletlenül sem akarok/akartam !
Fogalmam nincsen hogy hogy mivel lehetne,helyettesíteni!
Ez a kapcsolás, hány Hz -es tartományban működik? ildob már eszembe jutott honét származik a szöveg, csak egy kicsit hibádzik,... "zéró" helyett "zérus van". (Hevér József: Részlet a Besenyő család egyik hétköznapjából)
Berakom majd az én megoldásom erre az optokapus kapásjelzőre. Egérből bontott tárcsa és kapu, 4093 aminek nem a tápját kapcsoljuk
, érzékenység állítás... Asztalon működik, valamint egy egyszerűbb, de dupla, 433MHz-es pageres változata, mint motorriasztó élesben.Szerintem felesleges a tárcsa, amibe a damil fekszik és azt mozgatja, ha egyszer van úgyis kúszómajom előtte. Annak a szárának a tengelyét kell összekötni az optokapu tárcsájával. Mechanikailag ez a megoldás tetszik a legjobban: Unifon a lap közepén Ami érdekelne, hogy valaki látott már szétszedve vezetékes halradart? Pl. a múltkor volt olcsó Lidl-s, párezer Ft, 10m vezetékkel. A fej és a kijelző között egyirányú a kapcsolat? Milyen jel megy rajta? Üdv Inhouse
Ilyen nagy érdeklődés esetén ott fog száradni az ftp szerveren...
Üdv Inhouse
az a helyzet, én úszózok, vagy feederezek, így a kapásjelzős dolog nagyon nem érdekel
Szia!
A jelenség működik....! ha nedves a föld 10--30V/m feszültségeséstől felfelé nem birják a giliszták kijönnek a földből.... DE MIVEL ÉLETVESZÉLYES ! ! ! ! az átlag megvalósitása ... igy hagyjuk.! ! !
Így nem annyira gáz, egyszeri 24V/m és nagy gond nem lehet. Áramkorlátozás nem árt, de a 24V törpefesz, nem?
Üdv Inhouse
Hello
Na végre valaki. Nem tudnál konkrét ötletet is, vagyis kapcsolást vagy vmit? Mert nem aza baj hogy lusta vagyok ásni(najo kicsit) hanem az hogy valakinek itthon nem teccene, és jobb a békesség. Többek között. 24V-el meg kb olyan lenne mint amikor a hegesztőgép vág meg nemde?azis törpefesszel megy, ha jól emlékszem. Szóval nem életveszélyes. Idézet: Csak ezért rajzoltam bele az adó-vevő párt. De az érzékelő rész egész ötletes. Melesleg nekem nagyon jól működik „összehegesztek egy jeladót a kinti cuccokkal, s mondjuk egy vevő a zsebemben, kezemben pihen, s ha kapás van, rezeg, sípol, üt, vág?” A LED-es kapásjelző is arról a mostmár !napelemről! (+aksi) megy, ami este villog mint az állat 3db van sorbakötve, így adja ki a 12,2V-ot amivel töltöm az aksit.
Vásárokban, zsibiken egy százasért hozzá lehet jutni egy mezei ébresztőórához, de talán otthon is akad "C" vágányon lévő, azaz már nem használt példány. Ezek a szerkentyük tartalmaznak szaggatott hangjelzést adó áramkört, piezóval, Másfál voltról működik, áramfelvétele minimális. Hangja, hangereje meg olyan, hogy aszőr is föláll annak a hátán, aki hallja. (Ébredés mély álomból...)
Nos, ha a kis panelt kibányásszuk az órából, a tápkontaktust megszakítjuk a damillal (pici fantáziával megoldható...), akkor kapás esetén (a damil megfeszülésekor) a tápfeszt ráadja a jelzőre, a bip-bip-eket hallva a horgász kikaphatja az aktuális cápát. Olcsó, egyszerű, néhány perc alatt kivitelezhető megoldás.
Hali kapcsolások nélül áram nélkül is feljön a giliszta ha van elég a földben 1 dolog kell hozzá .........ásó és a kezelője.......viszont a szokásos módszertől eltérően nem forgatjuk fel a földet...........hanem csak leszúrunk és ide oda mozgatjuk a nyelet rezgéseket lüktetéseket imitálva...mivel a giliszta nemigazán csippantja a vakondot és jól becsapjuk az ásóval elindul felfelé..........
Helló mindenkinek!
Valóban jó ötlet ez az óra, de a kapcsolás részét nem holmi opto meg hasonló dolgokra kell bízni, hanem reed relére. Mivel zárt nem korrodálódik, megbízható a kapcsolása, nem szükséges fizikai kapcsolat a relével csupán mágneses, ezért ki is önthető a cucc vízhatlanra, és a piezzo is megoldható vízhatlanra. csupán az elem cseréjére kell vízhatlan megoldást találni, és akkor teljesen vízálló kapásjelző építhető ami hosszú távon is üzembiztos. Vízhatlan elemtartóra ötleteket elfogadok! A vízhatlanság foka: tökéletes! Gányolással nem foglalkozom. Olyat lehet kapni készen is sokfélét. Impulzusadó is készíthető reed-ből, ehhez a többpólusu kör alakú mágnest pld. videomagnó orsójáról (forgásérzékelő) vagy floppy fejmozgató léptetőmotor stb. helyekről be lehet szerezni. Előnyök: nem kell tápfesz, könnyen vízhatlanra építhető, nagy üzembiztosság, hosszú élettartam .[b][/b]
sziasztok
érdekelne hogy halradarnak kapcsolási rajzot honnan lehetne szerezni? vagy hogyan működik is egy ilyen?
szerinted a halászhajók és a tenyászálatokat nem igy kábitják pulzáló egyenfeszültség 400-600v inverterrel 12v-ról csak a csónakot szigeteli vagy fa a csónak és két mezei fa lapátnyél rajta 60cm alu hurok, a vezeték szigetelése 1kv volt cikk a magyarhorgászban néhány éve
Engem az érdekel hogy hogy működik egy gyári elektormos kapásjelző. Tehát mi van benne és ezt hogy lehetne megoldani házilag. Olvastam már a topikot de nem teljesne értettem mit hogy kell. Valaki leírná nekem mert kellene egy ilyen a havernak és ezt hogy lehetne megoldani. Előre is köszönöm.
Van egy nútos tárcsa a villában, ebbe kerül a damilod, ami megforgatja ha valamelyik irányba elindul a hal (húzás/ejtés), mivel egy kúszómajom van a villa felőled levő oldalán.
Vagy optikailag, vagy mágnesesen oldják meg a forgásérzékelést. Persze leválasztva azt az állapotot, ha véletlenül pont ott állna meg, ahol kapcsol. Az optikai megoldás egy lyuggatott tárcsa, valamint 1 infra LED és egy érzékelő elem ami ezt látja. A mágnesesnél pár db kis mágnes van a tárcsán és egy reed csövet, vagy hall elemet kapcsolnak. A lényeg az impulzus képzés a forgásból, aztán ezt lehet feldolgozni... Ha van érzékenység állítás, akkor az impulzusokból méri, hogy épp mekkora elmozdulás történt , és le tudod butítani szeles időben, hogy ne vinnyogjon... saját fejlesztésű kapásjelző, érzékenység állítási lehetőséggel Üdv Inhouse
Esetleg írhatnál valamit...
Már írtam többször, hogy szerintem a fórum lényege a kérdésen és a rá adott válaszon kívül a visszajelzés. Legalábbis én igénylem, sőt kifejezetten elkedvetlenít, ha nem írnak rá semmit... Üdv Inhouse
Ez tutira nagyon eredményesen működik!
Én is csak ezt tudom ajánlani, ha gyorsan kell sok girnyó és a bolt zárva
Helló mindenkinek. A szomszédomat láttam már ilyen áramos szerkezettel girnyót szedni, hát életveszélyes, de működik. **************
Akár működik, akár nem, életveszélyes "megoldásokat" poénból sem teszünk közzé a fórumban. Ki is töröltem. -- kobold
Sziasztok.Segitségeteket kérném elektromos kapásjelzö ügyében.Adó-vevöset szeretnék késziteni a meglévö jelzökböl.Namár most a jelzökben benne van a gyári adó vmi brx433a kodjelü,ehhez kellene vmi vevö cucc.Segitségeteket elöre is köszönöm.
Az oldal keresőjébe beírni: kapásjelző, vagy horgász kapcsolások... TRANYÓKA!
|
Bejelentkezés
Hirdetés |








