Fórum témák

» Több friss téma
Fórum » Villanyszerelés
 
Témaindító: kumpl, idő: Júl 16, 2008
Témakörök:
  1. A mélyreható szakmai kérdések, magyarázatok kitárgyalása, kifejezetten szakmai fórum: Szakmai.
  2. A forrasztott / rossz a wago / jó a wago kötés témakörök többször kitárgyalásra kerültek, ezért arról kérjük ne nyissatok új vitákat. Műszaki tény, hogy gyári vezetékösszekötők (pl. rugós/csavaros kapcsok, stb) a szabvány megfelelősség miatt kerülnek alkalmazásra (MSZ EN 60204-1:1995 15.1 szakasza, illetve MSZ HD 60364-5-52:2011 szabvány 526.2. pontjának 1. megjegyzésében felsorolt követelmények/indokok a forrasztott kötés elkerülésére épületvillamosság esetében) mert tanusítottak, míg a forrasztott kötés alapesetben nem tanusított, csak és kizárólag akkor ha külön bevizsgáltatod az adott forrasztott kötést. Ide kapcsolódó általatok írt hozzászólások: #1, #2, #3, #4, #5
Lapozás: OK   625 / 1021
(#) kowi válasza gordonfreemN hozzászólására (») Aug 23, 2018 /
 
Az a baj ott se kolbászból van... Lengyelekkel munkásszállón... Egyszer volt defektünk nahát nem 1500Ft-ért csinálják meg Boltba én nem találtam finomat Fűszert meg kolbászt vigyél ha kimész De tényleg nem offolok...
(#) kowi válasza Gafly hozzászólására (») Aug 23, 2018 / 1
 
Így van. Én ugyanezt mondom. Csak hogy a szakmánkhoz és programozáshoz angol kell
(#) gyuszo válasza Oscar2 hozzászólására (») Aug 24, 2018 /
 
A meglévő 3 vezeték 2,5 mm-es mérettét megfelelőnek találod, onnan tovább meg 6 mm2-es az megfelelő lesz ? Ilyen beavatkozásnál ajánlatos szabványos vezetékre illene kicserélni a bejövőket. ( 3 x 10 mm2-es Mkh bejövő vezetékre, Fázis, nulla, védővezető) Csere után jó lesz egy 4 modulos dobozban elhelyezni .
A hozzászólás módosítva: Aug 24, 2018
(#) Qju válasza DannyTorrence hozzászólására (») Aug 25, 2018 /
 
Szevasz!
Az megoldható lenne hogy a kritikus szakaszba nem az egyes áramköröket húzod be? Hanem pl: 3x6 mm2 betáplálást egy új elosztó/ biztosító tábláig? És onnan alakítod ki az áramköröket? Persze ha kritikus szakasz az összes pl: panel akkor nem járható. Gondolom a falon kívüli csatornázást sem alkalmaznád jó szívvel.
(#) Oscar2 válasza gyuszo hozzászólására (») Aug 27, 2018 /
 
Visszatérve az alap problémához, a kérdező csak egy gázkazánt akar felszerelni, tehát elég neki a 16 amper a 2,5 mm2 keresztmetszetű mérő utáni vezetékekkel, akkor nincs értelme bevonni a műveletbe az áramszolgáltatót/regisztrált villanyszerelőt. Magunk között szólva hogy az akár 6 mm2-es EPH vezetőt az elosztóban 2,5 mm2-es vezetékhez köti, az senkit nem érdekel és elvégzi a dolgát. Persze ez csak az én véleményem, ami tapasztalatokon alapul, de lehet téves is
(#) gyuszo válasza Oscar2 hozzászólására (») Aug 27, 2018 /
 
Persze ezt én is tudom, de hogy hogyan lehet megoldani és hogyan kell megoldani az két különböző dolog, egyik esetben többet kell tenni a borítékba, aki átveszi.
(#) ötfelezős válasza sámli hozzászólására (») Aug 29, 2018 /
 
Dehoyg tévedés, leírtam, hogy mik voltak az előírások, te meg nem írtál le semmit.
(#) ötfelezős válasza elektroncso hozzászólására (») Aug 29, 2018 /
 
Bocs, ezt azért ki kéne egészíteni, mielőtt helytelen következtetéseket vonnak le belőle. A civilizált világban a hibavédelmet tekintve az nem lehet első vonalbeli védelem, hogy a hiba fennáll akármeddig, és a használó egy áramütés fejében éri el, hogy az ÁVK lekapcsoljon. Ez csak a második vonal lehet, ha a védőföldelés megszakadt. Védőföldelés mindenképpen kell.
(#) ötfelezős válasza gordonfreemN hozzászólására (») Aug 29, 2018 /
 
Ide az még hozzá tartozik, hogy mindez csak kis kiterjedésű hálózatnál igaz, ha lenen pár száz méter kábelhálózat, a kapacitív áram már nyugodtan életveszélyes tud lenni.
(#) sámli válasza ötfelezős hozzászólására (») Aug 29, 2018 2 /
 
Nem fogom neked bizonygatni. Tévedhetetlenek hiszed magad. Fájdalom, fel kell világosítsalak, hogy nem vagy az.
(#) voodoo hozzászólása Szept 4, 2018 /
 
Sziasztok fiúk!

Tanácsot szeretnék kérni, hogy jelenleg nálunk 3F van. Minden villanyról fog üzemelni.
Olyan biztosíték táblát -és vezeték keresztmetszetet szeretnék ami kielégít biztonságosan minden igényt.

tűzhely 6.7kW 2F
bojler 1.5kW 1F
sütő 2.5kW 1F
mosógép 2.0kW 1F
kazán 6.0kW 3F
egyéb led fény stb töltő, kv főző, tv, hűtő 2.0kW 1F

Namost a java részt már kiépítettem. Mindenhova 3x2.5mm2 sodrottal álltam be, egyedül a nappaliba húztam csak 3x1.5-es kábelt. Gondoltam egy TV, hifi, töltő és néha porszívót elfog vinni az is.
Egyedül a kazánnal, és a tűzhellyel vagyok bajban, mindenhol azt olvasom, hogy nem célszerű megszakítani és konnektorról 1F ról üzemeltetni ezeket. A konyhában ugyebár elmegy a 2.5mm2-es vezeték, viszont konnektor kiállás van, és 4mm2-es kábellel jöttem be Wago-val. A wagók elbírják a hosszú üzemeltetést? Nincs lekrimpelve a kábel vég, (sodrott) de hol ezt olvasom, hol azt.
Mit tegyek hát végül?
Maradjon a konyhába egyéb eszközöknek a konnektor (még s tütőnek, mikrónak, hűtőnek, KV főző elmegy erről) de a tűzhelynek be kéne húzzak külön 4x2.5mm2-est vagy 4x4mm2-es vezetéket?
Kazánnal gondolom ugyan ez a helyzet.


Köszönöm.
(#) cupika97 válasza voodoo hozzászólására (») Szept 4, 2018 /
 
Miért húztál sodrottat?
(#) gyuszo válasza voodoo hozzászólására (») Szept 4, 2018 /
 
Idézet:
„de a tűzhelynek be kéne húzzak külön 4x2.5mm2-est vagy 4x4mm2-es vezetéket?
Kazánnal gondolom ugyan ez a helyzet.”

A tűzhely és sütőhöz legyen és 2,5 mm2, vagy 4 mm2 vezeték. Ha nagyobb a távolság a vastagabb vezetéken kisebb a veszteség. Ha sodrott vezetéket húztál be, használj érvéghüvelyt és úgy kösd be. Egyik végét a készülékbe a másik vége a kismegszakítóba és az elosztószekrénybe.
Így a Wago nem is kell.
A hozzászólás módosítva: Szept 4, 2018
(#) vargham válasza cupika97 hozzászólására (») Szept 4, 2018 /
 
A konyhába 4 külön kört kötöttem:
1. 5 * 4 mm2 a villanytűzhelynek.
2. 3 * 2,5 mm2 a dugaljaknak.
3. 3 * 2,5 mm2 a hűtőknek.
4. 3 * 1,5 mm2 a világításnak.

Így a lakáselosztóból az egész lakásban le lehet kapcsolni az áramot, csak a hűtő (és a riasztó) marad bekapcsolva.
(#) gyuszo válasza vargham hozzászólására (») Szept 4, 2018 /
 
A sütőt és tűzhelyet először én is így gondoltam, de a leírása alapján lehet külön van beépített sütő és a tűzhely máshol van, tehát külön kiállás kell neki.
(#) hentes5 hozzászólása Szept 4, 2018 /
 
Sziasztok,
Szükségem lenne a segitségetekre. Az új házamban olyan problémával szembesültem (szerencsére a beköltözés előtt), hogy rövidzárlat van a hálózatban, konkrétan a PE és az N között.
A kérdésem az lenne, hogy valóban rövidzárlatról lehet-e szo, vagy a FI-relé végett jelez rövidzárlatot a mérőműszer? Elméletileg a FI-relének le kellene kapcsolnia, de nem kapcsol le, így nem tudom, hogy ez normális-e vagy sem. Ha nem, hogyan kellene megkeresnem, hogy hol van a probléma?
Esetleg segít-e rajtam, ha rákötöm a mérőműszert a zöld és a kék kábelre, hogy sípoljon és közben sorban elkezdeném kikötni a villany szekrényből a zöld kábeleket amíg meg nem szűnik a sípolás?

u.i: A villanyszerelő kb. 2 hét mulva tudna jönni, addig megöl a kiváncsiság, tudni szeretném, hogy mi a gond.
(#) Bakman válasza hentes5 hozzászólására (») Szept 4, 2018 /
 
A PE (konyhanyelven földelés) és az N (nulla) olyan helyen van összekötve, amely a szolgáltatóhoz tartozik. Elméletileg.

Kicsi a valószínűsége, hogy egyéb zárlatot találtál. Ha pár dugaljba belepróbálsz egy-két nagyobb fogyasztót (porszívó, vasaló) és a Fi-relé nem kapcsol le, akkor nincs gond. Már ha a Fi-relé jól működik. Ugyanakkor vedd figyelembe, hogy egy egyszerű multiméter korlátozottan alkalmas az ilyen hálózatokban hibakeresésre.
(#) proba válasza hentes5 hozzászólására (») Szept 4, 2018 /
 
Kapcsold le a FI relét, utána mérj. A két vezeték indulásnál össze van kötve, a FÍ is vezet, tehát a rövidzár jogos felkapcsolt FI esetén. Lekapcsolva már más kérdés, de akkor is lehetséges hogy nem védett áramkört mérsz.
(#) hentes5 válasza proba hozzászólására (») Szept 4, 2018 /
 
Póbáltam lekapcsolni a FI relét, olyankor a mérőműszer nem jelez zárlatot.
(#) hentes5 válasza Bakman hozzászólására (») Szept 4, 2018 /
 
A PE és az N külön van választva a szekrényben igy azt gondoltam, hogy a kettő onnantól kezdve már nem találkozhat. Ma raktam fel a dugaljakat és a visszaellenőrzés utan pánikoltam be, hogy valamit rosszul kötöttem be. Mérgembem mindent leszedtem és akkor jött a hideg zuhany, hogy előtte is jelzett volna a mérőműszer csak nem próbáltam ki. Egy dugalj a mai napig használva volt, ezt használták a munkások amikor fúrtak, porszivoztak stb...
(#) Bakman válasza hentes5 hozzászólására (») Szept 4, 2018 /
 
Azon a részen, ahol te hozzáférsz, már külön van választva. Normál esetben a méretlen (plombált részen) oldalon, de már a telkeden belül, van a PEN szétválasztva PE és N vezetőre. A szétvélasztásig a kettő nagyon is érintkezik egymással. Azt méred műszerrel.
A hozzászólás módosítva: Szept 4, 2018
(#) hentes5 válasza Bakman hozzászólására (») Szept 4, 2018 /
 
Köszönöm a segitséget. Valahogy le tudom tesztelni, hogy védett -e az áramköröm? (anélkül hogy megölném magam )
(#) Kovidivi válasza hentes5 hozzászólására (») Szept 4, 2018 /
 
Rakj a fázis és védőföld közé bármilyen pici terhelést, 230V 20W izzót például. Le kell kapcsoljon az FI. Rakd ugyanezt a terhelést a nulla és védőföld közé, ha másik konnektorban van terhelés vagy ég egy lámpa, akkor is le.kell kapcsoljon az FI. Az FI teszt gombja ugyanezt teszi. Ha az működik, nagy baj nem lehet.
(#) voodoo válasza cupika97 hozzászólására (») Szept 5, 2018 /
 
Szia. Azért húztam sodrottat, mert azzal könnyebb dolgozni.
(#) voodoo válasza gyuszo hozzászólására (») Szept 5, 2018 /
 
Rendben.

Köszönöm a válaszod. Még annyi kérdésem lenne, hogy mi történne legfeljebb ha így maradna minden tehát 4-essel beálltam kapcsolószekrényből a kötődobozba, onnan Wagó és már csak 2.5-essel tovább a tűzhelyhez (viszont a sütőt is ez fogja vinni).

Gondolom nem tenne jót, ha pl Karácsonykor menne a sütő órákig, meg vagy 2 zóna a főzőlapon mindezt egy 2.5-es vezetékkel?! Nem tudom lehet ezt már a Wagó és a 2.5-es vezeték nem bírná el.
Wagó csak azért van, mert onnan leálltam a konnektoroknak, és a világításnak is.
(#) voodoo hozzászólása Szept 5, 2018 /
 
Még annyi kérdésem lenne a szakértő Urakhoz, hogy a Wagóhoz is kell érvéghüvely? Ahogy néztem (átlátszó) simán ráharap egy lemezke, ki se lehet húzni belőle.
Viszont a tűzhelyhez mindenképp használok érvéghüvelyt. A sütőnek meg akkor marad a konnektor és onnan Wagóval rákötök.
(#) mhatalyak válasza voodoo hozzászólására (») Szept 5, 2018 / 1
 
Szia!

Wagónál, illetve egyéb wagó elvén működő sorkapcshoz nem kell érvéghüvely, csak a csavaros bekötésekhez, hogy a csavar ne nyírja el az ereket.

A wagó, amit te használsz (csatos) vígan 32A-t átvisz, jó lesz, ahogyan bekötötted. Nálunk 1x 20A jön be, megy 2 főzőlap, megy a sütő, 2db klíma, meg 3db TV, mosógép, mikró stb. Nem történt még meg, hogy azt az 1x20A-t lekapcsolja a túláram.
(#) sámli válasza voodoo hozzászólására (») Szept 5, 2018 /
 
A vezeték keresztmetszete csak akkor aggályos, ha nem megfelelő értékű védelemmel láttad el. A 2,5-es vezetékeket 16A-re szoktuk biztosítani. Emlékeim szerint azt írtad, hogy a főzőlap 2 fázison, a sütő pedig egy harmadikon van. Ebben az esetben épp elegendő lehet a 3x2,5+N+PE.
A hozzászólás módosítva: Szept 5, 2018
(#) voodoo válasza sámli hozzászólására (») Szept 6, 2018 /
 
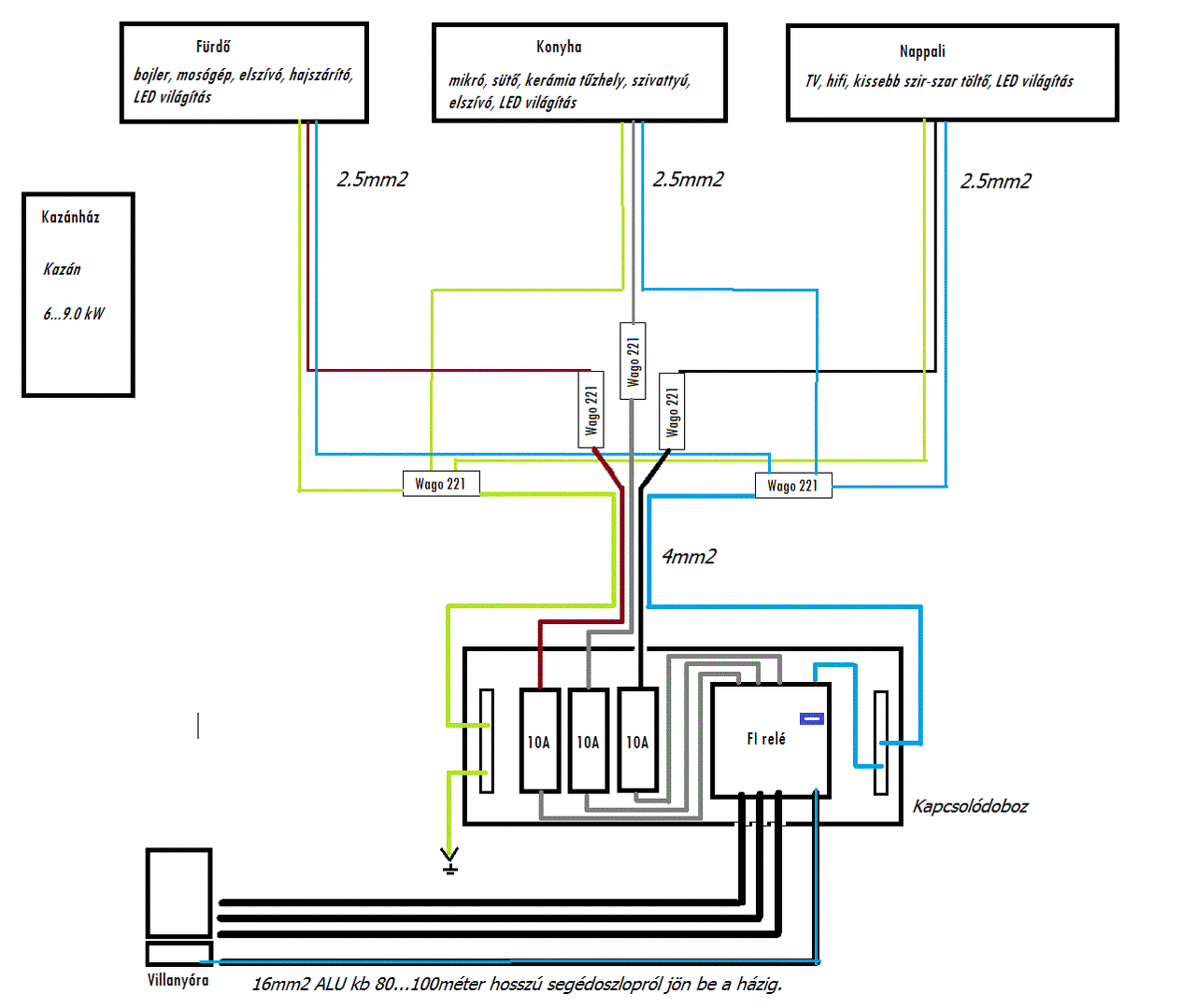
Értem. Így lenne az elképzelés. Viszont sajnos nem így van. Tehát 3~ van, de az egyik fázis megy csak a konyhába, és arról menne minden ez meg csak 1x2.5-es (sodrott 3 eres) vezeték. De mindjárt lerajzolom.
(#) voodoo válasza sámli hozzászólására (») Szept 6, 2018 /
 
Tehát. A kazán még nincs szóal az egy külön történet.
Következő: »»   625 / 1021
Bejelentkezés

Belépés

Hirdetés
XDT.hu
Az oldalon sütiket használunk a helyes működéshez. Bővebb információt az adatvédelmi szabályzatban olvashatsz. Megértettem